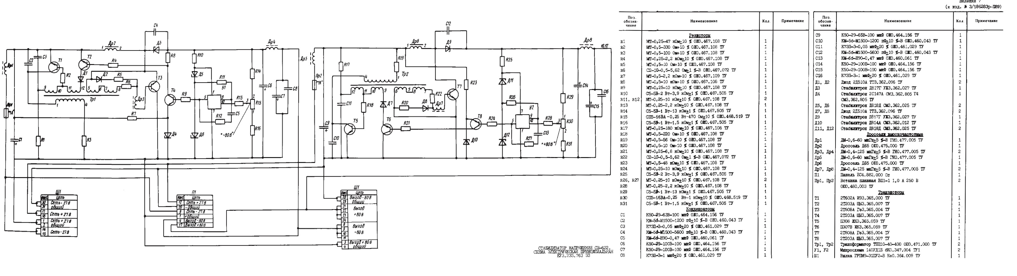
находки на свалке

On-line:  Е-42  

Раздел: 
Портативное ретрорадио / Общий раздел / находки на свалке

ответить новая тема

Автор Сообщение

мастер
Группа: Участники
Сообщений: 773
Добавлено: 02-09-2011 16:09
блоки питания не знаю от чего они

кучя плат не понятно от чего эти платы их было болше сотни шт

мастер
Группа: Участники
Сообщений: 773
Добавлено: 02-09-2011 16:15


гигант мысли
Группа: Участники
Сообщений: 4411
Добавлено: 02-09-2011 16:15
Кто-то тут "Квантом" (УАТС) интересовался, вот платки во всей красе. Квант пожилой, по-виду начала-середины 80-х.
ГТ906 будте добры, посмотрите на конденсаторах К10-23 на плате ОЗУ (ето рыжие кубики) есть логотип? Сфотографируйте пожалуйста.
Соединители СНП-49 содержат драгметаллы, че это они на свалке в нераспотрошенном виде?

Блоки питания похоже от АСВТ-М400 и подобных.

главный по тарелочкам
Группа: Участники
Сообщений: 2259
Добавлено: 02-09-2011 16:22
Фото 2 и 3 можно покрупнее не видно, что за микросхемы на платах стоят.

Гость
Добавлено: 02-09-2011 16:56
Видны еще внутренности от мультиметра и платы от АЦПУ (которые с оранжевыми квадратиками).

мастер
Группа: Участники
Сообщений: 773
Добавлено: 02-09-2011 17:05


мастер
Группа: Участники
Сообщений: 773
Добавлено: 02-09-2011 17:10


мастер
Группа: Участники
Сообщений: 773
Добавлено: 02-09-2011 17:18

упаковка микросхем к144ир2

мастер
Группа: Участники
Сообщений: 773
Добавлено: 03-09-2011 19:56
сегодня сходил на свалку мешок борохла принес


мастер
Группа: Участники
Сообщений: 773
Добавлено: 03-09-2011 20:01

Гость
Добавлено: 03-09-2011 20:03
Теперь это нужно сложить на полки (если имеются) для будущего музея.
Начало уже есть.
Но только с драгметальщиками не связывайтесь - сопрут все...

мастер
Группа: Участники
Сообщений: 637
Добавлено: 04-09-2011 20:18
Плата с ферритовым трансом ..это БП от СВЧ печки похоже панас
выдаёт ок 2кВ 1000Вт собрана на IGBT транзисторах
телефон DECT тоже панас

мастер
Группа: Участники
Сообщений: 773
Добавлено: 04-09-2011 20:56
Плата с ферритовым трансом ..это БП от СВЧ печки похоже панас
выдаёт ок 2кВ 1000Вт собрана на IGBT транзисторах
телефон DECT тоже панас

Плата с ферритовым трансом ..это БП от СВЧ печки похоже да плату спечки снял печ панасоник была
телефон DECT тоже панас сегодня проверил его база не рабочия


главный по тарелочкам
Группа: Участники
Сообщений: 2186
Добавлено: 04-09-2011 21:11
однако жирные у вас свалки у нас в Севастополе уже всё подмели что можно...черный металл даже найти тяжело...


Группа: Участники
Сообщений: 0
Добавлено: 04-09-2011 21:17
Что за свалка такая - те, что бывают за чертой города?

мастер
Группа: Участники
Сообщений: 840
Добавлено: 04-09-2011 22:40


Что-то фотка платок с реле не открываются в большом размере, можно перезалить?

мастер
Группа: Участники
Сообщений: 773
Добавлено: 04-09-2011 23:40
однако жирные у вас свалки у нас в Севастополе уже всё подмели что можно...черный металл даже найти тяжело...

у нас черный металл тоже в кучки собирают и сдают поподает радиоапаратура сне снимают трансы провода
обчем выбрасывают часто компы от п1 до пен4 мониторы даже жк .

мастер
Группа: Участники
Сообщений: 773
Добавлено: 04-09-2011 23:41
Что за свалка такая - те, что бывают за чертой города?

да за чертой города?

мастер
Группа: Участники
Сообщений: 790
Добавлено: 05-09-2011 07:04
однако жирные у вас свалки...

Да, отличная тема! )) Сам уже не раз думал создать тему с таким-же названием!
По своему "опыту" знаю, что в последние годы, едва ли не единственным источником для пополнения своей коллекции электроники и ЭРЭ - есть именно свалки! )))
Чего там только не валяется!
К сожалению, такие интересные платы, и в таком идеальном состоянии как на первых фотках автора темы - мне уже давненько не попадались.
В основном - или "рядовая" логика, или всё сильно потрёпанное и побитое, но практически всегда - драгметаллы на месте!
(Хорошо что бомжей хоть драгметаллы не интересуют!)
Из промышленной электроники - давно небыло чего-то очень необычного, а вот из бытовой - несколько последних находок меня удивили! ))
Как нибудь выкрою немного свободного времени, - всё отсниму, и тоже выставлю на всеобщее обозрение.

знающий
Группа: Участники
Сообщений: 382
Добавлено: 06-09-2011 02:38
А разве на такие свалки можно свободно попасть? Они же вроде охраняемые, да и огорожены как правило. И бомжи там только "свои" тусуюца, чужой не пройдет.
Я вот тоже недавно нашел плату от ЕСки. К удивлению, выкушено всего 3 конденсатора и разбит 1 диод.


Группа: Участники
Сообщений: 0
Добавлено: 06-09-2011 21:38
Вот именно, со свалками обычно всё не так просто. Может какая-то неофициальная? :)

Гость
Добавлено: 06-09-2011 22:43
пЛАТА с микросхемой
УТП-К11А
плата прибора комбинированного
цирового 43302
изготовитель
Житомирский з-д "Электроизмеритель"
Есть схема описание
два прибора
(разобраны)
и ... оригинальная упаковка
для будущего музея безплатно
пока не выбросил.
Удачи

мастер
Группа: Участники
Сообщений: 773
Добавлено: 07-09-2011 00:12
Вот именно, со свалками обычно всё не так просто. Может какая-то неофициальная? :)

официальная городская свалка ест охрана.

набрал борохла



Гость
Добавлено: 07-09-2011 01:45
Тоже имею фотки по теме:

"... Однажды, в одном далеком-предалеком гараже..."
http://www.mantrid.ru/forum/album.php?albumid=8&pictureid=2982
http://www.mantrid.ru/forum/album.php?albumid=8&pictureid=2983
http://www.mantrid.ru/forum/album.php?albumid=8&pictureid=2984
http://www.mantrid.ru/forum/album.php?albumid=8&pictureid=2985

Пардон, что без превью, никак мне все "радикал" не доделают :)

мастер
Группа: Участники
Сообщений: 773
Добавлено: 11-09-2011 13:36
вчера сходил


мастер
Группа: Участники
Сообщений: 773
Добавлено: 11-09-2011 13:48

уселитель брать не стал очен тяжолый

главный по тарелочкам
Группа: Участники
Сообщений: 2186
Добавлено: 11-09-2011 14:09
Глядя на ваши "шикарные" свалки...всё..терпение лопнуло...еду на велосипеде к вам!!!!

мастер
Группа: Участники
Сообщений: 868
Добавлено: 11-09-2011 14:43
Да, все такое чистенькое, платы с драг.мет., ноутбуки, фотоаппараты ...

Аж на свалку не похоже :)

Гость
Добавлено: 11-09-2011 15:02
По ящику как то репортаж был про бомжей, которые на свалке выискивают более менее сносные вещи и на рынок тащат.

главный по тарелочкам
Группа: Участники
Сообщений: 2186
Добавлено: 11-09-2011 15:06
круто...рядом с усилком преобразователь для ксенона..роутер на усилке,рядом амперметры или вольтметры переменного тока...у меня в Севастополе такого на свалках найти практически невозможно...я уже забыл,когда находил что-либо драгметальное-это несмотря на то,что город-военный и военной техники,тем более связной-навалом..Бомжи и всяческая алкашня уже неплохо разбирается в ДГМ-результат вижу налицо... кроме бытового мусора на свалках практически ничего нет...

мастер
Группа: Участники
Сообщений: 790
Добавлено: 11-09-2011 15:11
Аж на свалку не похоже :)

Да уж! Такая свалка, - просто мечта любого коллекционера-электронщика! (да и не только!)
А у нас, основная - официальная свалка, находится за 17 км. от города, тоже под охраной, и бомжи тоже там "свои".
Но главная проблема, что мне туда добираться очень неудобно и далеко.
По этому я "пасусь" только на нескольких небольших, нелегальных свалках в черте города.
С месными бомжами никаких проблем, так как их интересуют только черные и цветные металлы, а платы, детали, - для них просто обычный мусор.
Бывают конечно и "уникальные" случаи. Вот например, однажды случилась и такая находочка:


мастер
Группа: Участники
Сообщений: 773
Добавлено: 11-09-2011 15:26
круто...рядом с усилком преобразователь для ксенона..роутер на усилке,рядом амперметры или вольтметры переменного тока...у меня в Севастополе такого на свалках найти практически невозможно...я уже забыл,когда находил что-либо драгметальное-это несмотря на то,что город-военный и военной техники,тем более связной-навалом..Бомжи и всяческая алкашня уже неплохо разбирается в ДГМ-результат вижу налицо... кроме бытового мусора на свалках практически ничего нет...

преобразователей для ксенона я их штук 15 взял и напарник 7шт взял из 7ми два рабочих я пока нет лампы не проверил

главный по тарелочкам
Группа: Участники
Сообщений: 2186
Добавлено: 11-09-2011 15:26
Лён-В-это круто...рация на low-band..всё хотел себе в юношестве найти и перетянуть на си-би..сейчас в ней необходимости уже нет-благо аппаратуры-навалом..завидую вам БЕЛОЙ завистью..

мастер
Группа: Участники
Сообщений: 868
Добавлено: 11-09-2011 17:06
На тему свалок и бомжей. Свалки и бомжы бывают разные



мастер
Группа: Участники
Сообщений: 773
Добавлено: 11-09-2011 17:52
Аж на свалку не похоже :)

Да уж! Такая свалка, - просто мечта любого коллекционера-электронщика! (да и не только!)
А у нас, основная - официальная свалка, находится за 17 км. от города, тоже под охраной, и бомжи тоже там "свои".
Но главная проблема, что мне туда добираться очень неудобно и далеко.
По этому я "пасусь" только на нескольких небольших, нелегальных свалках в черте города.
С месными бомжами никаких проблем, так как их интересуют только черные и цветные металлы, а платы, детали, - для них просто обычный мусор.
Бывают конечно и "уникальные" случаи. Вот например, однажды случилась и такая находочка:


да лены тоже ест несколко штук лен-в и лен-б ещо лен 160 тоже свое время хотел-его перестроит на 145 Мгц


пришел поспрашивать
Группа: Участники
Сообщений: 21
Добавлено: 12-09-2011 22:44
вот такая можно сказать свалочка

пришел поспрашивать
Группа: Участники
Сообщений: 21
Добавлено: 12-09-2011 22:51
и найдено там

пришел поспрашивать
Группа: Участники
Сообщений: 21
Добавлено: 12-09-2011 22:57
там же

самописец н307/1


мастер
Группа: Участники
Сообщений: 773
Добавлено: 17-09-2011 19:33
новое поступление

мастер
Группа: Участники
Сообщений: 773
Добавлено: 17-09-2011 20:06
платы не знаю от чего они

на фото справо от электроника вм18


мастер
Группа: Участники
Сообщений: 773
Добавлено: 17-09-2011 20:25

гигант мысли
Группа: Участники
Сообщений: 7902
Добавлено: 17-09-2011 20:28
хорошая свалка..

мастер
Группа: Участники
Сообщений: 773
Добавлено: 17-09-2011 20:29


мастер
Группа: Участники
Сообщений: 773
Добавлено: 17-09-2011 20:33


гигант мысли
Группа: Участники
Сообщений: 7902
Добавлено: 17-09-2011 21:00
да уж - телевизионная камера в таком состоянии..


Группа: Участники
Сообщений: 0
Добавлено: 17-09-2011 21:06
ГТ906, пора открывать интернет-магазин уже :) или начать водить туда экскурсии за деньги.

Гость
Добавлено: 17-09-2011 23:46



Поделись ,скажи адресс свалки ,завтра выезжаю !!!

мастер
Группа: Участники
Сообщений: 773
Добавлено: 18-09-2011 00:35

пришел поспрашивать
Группа: Участники
Сообщений: 15
Добавлено: 18-09-2011 01:05
А башмак для вспышки-то зачем? Видеокамера со вспышкой, что ли?! Или для света?

мастер
Группа: Участники
Сообщений: 773
Добавлено: 20-09-2011 21:04
новое поступление



мастер
Группа: Участники
Сообщений: 773
Добавлено: 20-09-2011 21:16


фото на свалке связная апаратура


мастер
Группа: Участники
Сообщений: 773
Добавлено: 20-09-2011 21:23
телефоны

однорукий бандит


Гость
Добавлено: 20-09-2011 21:53
Ай-яй-яй-хачууууу на ту свалку!!!!!!!!!!!!!!!!!!!!!!

мастер
Группа: Участники
Сообщений: 532
Добавлено: 20-09-2011 22:00
жаль пахнет там невкусно, наверно

Гость
Добавлено: 20-09-2011 22:16
На такой свалке-запах не главное-главное содержание(а от запаха можно спастись-влажной арафаткой)

мастер
Группа: Участники
Сообщений: 790
Добавлено: 20-09-2011 22:55
На такой свалке-запах не главное-главное содержание

Точно! Окажись вы на такой свалке, - то думаю запахи волновали бы Вас меньше всего!

Да, свалка конечно фантастическая!
По своему "богатству", с ней могли бы конкурировать только несколько наших свалок в 2006-м году, когда шел интенсивный разгром нашего бывшего НПО.
Там кстати, тоже были запечатанные ящики с телефонами-трубками "Сэлто", но самое "уму не постижимое" - это целые шкафы "ЕС-ЭВМ", с платами!!! Их, несколько бригад местных жителей, с большим энтузиазмом оттягивали в стороны, и сразу же грузили на Камазы скупщиков чермета.
Единственное что я тогда успевал, это собирать некоторые выброшенные ими платы, и поотрывать от шкафов более сотни "желтых" разъёмов (всё-равно кроме меня, такой "мусор" там больше никого не интересовал).
Эх, жаль у меня тогда не было цифровика, такие остались бы кадры!
С тех пор, наши свалки конечно-же стали намного скромнее той - что представлена здесь на фото.

гигант мысли
Группа: Участники
Сообщений: 4411
Добавлено: 20-09-2011 23:44
фото на свалке связная апаратура


Блок от малой АТС П-439 с интересными гибридными микросхемами.
То их было не найти, а тут поперло.

мастер
Группа: Участники
Сообщений: 790
Добавлено: 10-10-2011 14:48
Одна из последних находок. Целый набор плат, и без единой микросхемы.



Гость
Добавлено: 10-10-2011 18:18
И хдеж енти свалки валяюццца??????Мну бы тудой!!!!!!!!!!!!!!!

главный по тарелочкам
Группа: Участники
Сообщений: 2186
Добавлено: 11-10-2011 18:42
фото на свалке связная апаратура

я знаю что это оранжевого цвета лежит-экзаменатор "кобра-4м"


мастер
Группа: Участники
Сообщений: 773
Добавлено: 16-10-2011 00:13
Сегодня нашел



мастер
Группа: Участники
Сообщений: 773
Добавлено: 16-10-2011 00:14


гроссмейстер
Группа: Участники
Сообщений: 1120
Добавлено: 16-10-2011 00:38
Находочка тыщ на десять :) Это мозги от ДВК-3.

главный по тарелочкам
Группа: Участники
Сообщений: 2186
Добавлено: 18-10-2011 01:45
Находочка тыщ на десять :) Это мозги от ДВК-3.
-а что это? можно пожалуйста подробней...

мастер
Группа: Участники
Сообщений: 790
Добавлено: 18-10-2011 05:17
можно пожалуйста подробней...

Thin, - http://ru.wikipedia.org/wiki/...

главный по тарелочкам
Группа: Участники
Сообщений: 2186
Добавлено: 26-10-2011 00:08
vodoley спасибо за просветительскую работу.... действительно ценный девайс...

магистр
Группа: Участники
Сообщений: 1307
Добавлено: 05-11-2011 15:29

МК-33

РП Сигнал 304

Плата тахометра7ТЭ

Нужно кому?

мастер
Группа: Участники
Сообщений: 773
Добавлено: 05-11-2011 21:41
вот фото репортаж свалки.




мастер
Группа: Участники
Сообщений: 773
Добавлено: 05-11-2011 21:46




мастер
Группа: Участники
Сообщений: 773
Добавлено: 05-11-2011 21:53




мастер
Группа: Участники
Сообщений: 773
Добавлено: 05-11-2011 21:57



мастер
Группа: Участники
Сообщений: 773
Добавлено: 05-11-2011 22:05
а вот и находки.


Гость
Добавлено: 06-11-2011 20:25
Нашу свалку уже замело но нам и на работе свалка неплохо жить помогает.


мастер
Группа: Участники
Сообщений: 773
Добавлено: 21-11-2011 14:25
находки за выходные.





мастер
Группа: Участники
Сообщений: 773
Добавлено: 21-11-2011 14:28


Гость
Добавлено: 21-11-2011 23:51
Ну ведь всё таки рай существует-
равно как и ад-места где это всё дербанят драгметчики-но и там тоже есть добрые ангелы

главный по тарелочкам
Группа: Участники
Сообщений: 2186
Добавлено: 22-11-2011 13:19
найти осциллограф на свалке-круто...не перестаю удивляться вашим свалкам...

мастер
Группа: Участники
Сообщений: 773
Добавлено: 22-11-2011 20:23
найти осциллограф на свалке-круто...не перестаю удивляться вашим свалкам...

да и км ки наместе

мастер
Группа: Участники
Сообщений: 773
Добавлено: 02-01-2012 01:31
находки за декабер




мастер
Группа: Участники
Сообщений: 773
Добавлено: 02-01-2012 01:38


мастер
Группа: Участники
Сообщений: 773
Добавлено: 02-01-2012 01:54




пришел поспрашивать
Группа: Участники
Сообщений: 92
Добавлено: 02-01-2012 17:56
форумчане,а под харьковом подобные свалки имеются?

пришел поспрашивать
Группа: Участники
Сообщений: 99
Добавлено: 03-01-2012 07:25
ДВК-шки.
Неубиенные машины.
Последняя версия ДВК-4С по моще равнялась СМ1420.
При установке на ней многопользовательской операционки ОСРВ.
До сих пор стоит на работе в уголке.
Иногда врубаю, чисто из спортивного интереса. Пашет.
Флопари читают дискеты тридцатилетней давности.
И что характерно, операционка типа РТ-11 и ее клоны - порядка
80 Кб. Полноценный ДОС

пришел поспрашивать
Группа: Участники
Сообщений: 68
Добавлено: 07-01-2012 19:25
А такое попадалось? http://storage0.static.itmages.ru/i/10/0830/h_1283159071_8ceb988c8a.jpg

мастер
Группа: Участники
Сообщений: 773
Добавлено: 08-01-2012 23:32
У нас и по круче бывает прям сегодняшняя находка

главный по тарелочкам
Группа: Участники
Сообщений: 2186
Добавлено: 08-01-2012 23:34
кстати так хотелось всегда посмотреть-что за начинка внутри этих весов?
P.S. и фотографии выкладывайте по возможности с большим разрешением...

мастер
Группа: Участники
Сообщений: 773
Добавлено: 26-01-2012 18:13
сегодняшняя находка






мастер
Группа: Участники
Сообщений: 773
Добавлено: 26-01-2012 18:23








мастер
Группа: Участники
Сообщений: 537
Добавлено: 26-01-2012 18:24
ГТ906 вам и зима не помеха . (Судорожно глотая слюну) у вас что свалки неиссякаемые?

мастер
Группа: Участники
Сообщений: 773
Добавлено: 26-01-2012 18:36
ГТ906 вам и зима не помеха . (Судорожно глотая слюну) у вас что свалки неиссякаемые?

да и мороз не помеха.


вошел во вкус
Группа: Участники
Сообщений: 225
Добавлено: 26-01-2012 20:51

ГТ906
О! Авионика появилась. НВУ-Б3, СТУ - 154, части АБСУ.... Нелзя ли сделать фото фрагментов авионики покрупнее?

мастер
Группа: Участники
Сообщений: 773
Добавлено: 26-01-2012 21:41

ГТ906
О! Авионика появилась. НВУ-Б3, СТУ - 154, части АБСУ.... Нелзя ли сделать фото фрагментов авионики покрупнее?

Авионику я небрал толко с фотал там почти все раскурочино пойду
на выходных на свалку если чтото оставос то сфотою.

вошел во вкус
Группа: Участники
Сообщений: 225
Добавлено: 26-01-2012 21:47
ГТ906

Заранее спасибо. Там некоторые блоки выглядят по крайней мере не до конца раскуроченными.

мастер
Группа: Участники
Сообщений: 773
Добавлено: 29-01-2012 11:34
ГТ906

Заранее спасибо. Там некоторые блоки выглядят по крайней мере не до конца раскуроченными.

вчера был на свалке все блоки здали в чермет.
вот что оставос.



мастер
Группа: Участники
Сообщений: 773
Добавлено: 29-01-2012 11:39


мастер
Группа: Участники
Сообщений: 698
Добавлено: 29-01-2012 12:12
ЁПРСТ!__ ЁПРСТ!__ ЁПРСТ! __ЁПРСТ! __ЁПРСТ! __ЁПРСТ!!! и т. д. до бесконечности!...
Увидев ТАКОЕ, спать не буду несколько дней !
На свалку мне хода нет, а помойки нынче "подметаются" бомжами, гастарбайтерами с солнечного юга, недавно встретил группу молодых культурно одетых юношей, которые очень деловито, со знанием дела, быстро проверяли содержимое всех п/эт. мешков, непонятно что разыскивая. Но полные сумки чего-то у них были в наличии. Ясно дело, я пошел к следующей помойке...
Чисто случайно иногда попадаются свежевынесеные, непокоцаные бомжами вещи, недавно нашел видеодвойку PANASONIC. Тяжеленная, сволочь ! Чуть рука не оторвалась, пока тащил с пол-километра... Включил - на экране узкая гор. полоса. Поменял микросхему кадровой развертки - все заработало! Кстати, аппарат - чистый ЯПОНЕЦ, никаким Китаем и не пахнет.
Но такие случаи - редкость крайняя.

главный по тарелочкам
Группа: Участники
Сообщений: 2186
Добавлено: 29-01-2012 13:15
честно говоря я сам иногда совершаю "рейды" по местам "былой славы",особенно люблю посещать места "дислокации" бичей-там бывает попадаются интересные вещи..но всё-таки-найти куски чего-то военного-крайне большая редкость...я не перестаю удивляться содержимому ваших свалок...Раньше в Севастополе действовал полигон ТБО в районе Мекензиевых гор-там было чем поживиться-туда вывозили весь неликвид радиозавода "парус"...да и вообще Мекензиевы горы славятся тем,что при утилизации РЭА военного назначения,содержащего микросхемы 133 серии,в то время ещё секретной-её просто засыпали в котлован и взрывали...до сих пор ищу то место..

мастер
Группа: Участники
Сообщений: 698
Добавлено: 29-01-2012 17:48
Дело было ОЧЕНЬ давно, я с приятелем регулярно посещал свалку (небольшую, и, скорее всего, незаконную, однако, действовавшую успешно не один год).
Как-то раз туда прикатил газон цвета хаки, из него вылезло столько солдат, что они там наверное, слоями лежали!
Вылезли и стали внима-а-а-а-тельно исследовать цепочкой территорию свалки. Надо сказать, там частенько попадалось кое-что от них, видимо. Какая-то часть дальней радиосвязи...
Походили туда-сюда, подошли к нам. А у нас уже очко играет: щас заберут к себе и...
Ничего, пронесло: они просто спросили, не попадалась ли нам вот такая штуковина - и показали уже не помню даже что.
Мы ЧЕСТНО ответили, что нет, не видели. (На самом деле не видели!) Надо было видеть растерянно-озабоченные лица сопровождавших их офицеров!
Похоже, в пылу генеральной битвы с мусором, выбросили что-то ОЧЕНЬ важное и нужное!...
Но, как говорится, поезд ушел...

вошел во вкус
Группа: Участники
Сообщений: 129
Добавлено: 29-01-2012 17:55
ГТ906 зачётные платы , только жалко что эти мородёры поломали

вошел во вкус
Группа: Участники
Сообщений: 225
Добавлено: 29-01-2012 20:58
ГТ906

Заранее спасибо. Там некоторые блоки выглядят по крайней мере не до конца раскуроченными.

вчера был на свалке все блоки здали в чермет.
вот что оставос.




Ага, верхнее фото - остатки блока БА-18 автомата тяги АТ-6-2 ОТ АБСУ-154 (Ту-154), нижнее - одна из панелей блока БКД-1 (контроль гировертикалей) автопилота АП-134 (АБСУ-134 Ту-134).

вошел во вкус
Группа: Участники
Сообщений: 225
Добавлено: 29-01-2012 20:59



Плата с конденсаторами КОПП - от системы Курс-МП2, блок УН-1.

главный по тарелочкам
Группа: Участники
Сообщений: 2186
Добавлено: 31-01-2012 16:50
Ну вот и мне улыбнулась удача...не знаю правда от какого устр-ва плата-было бы интересно узнать...микросхемы поотрывали а км-ки-забыли


вошел во вкус
Группа: Участники
Сообщений: 225
Добавлено: 31-01-2012 17:27




Плата от индукционного лага. Плата У8 см ветку Завалы Scavengera последний пост.

мастер
Группа: Участники
Сообщений: 773
Добавлено: 31-01-2012 17:33
ноходки.







вошел во вкус
Группа: Участники
Сообщений: 225
Добавлено: 31-01-2012 17:40
ноходки.



Блок питания интересный. Что на передней панели? ОК, спасибо, вопрос снят.

главный по тарелочкам
Группа: Участники
Сообщений: 2186
Добавлено: 31-01-2012 18:26
Ктулху спасибо за подсказку...на плате действительно написано У8 дец номер КБ3.302.002...я смотрю на свалке даже олимповские дистанционки попадаются?!хорошая вещица..

вошел во вкус
Группа: Участники
Сообщений: 225
Добавлено: 31-01-2012 18:36
Да. Тот же дец.ноьер видно у Scavengera на фото раскрытого блока управления лага.

гигант мысли
Группа: Участники
Сообщений: 4411
Добавлено: 01-02-2012 01:19
По случаю, судпромовский логотип на лаге.

мастер
Группа: Участники
Сообщений: 773
Добавлено: 06-02-2012 15:16
находки за выходные.




гигант мысли
Группа: Участники
Сообщений: 4411
Добавлено: 06-02-2012 16:29
находки за выходные.


Включать не пробовали?

главный по тарелочкам
Группа: Участники
Сообщений: 2474
Добавлено: 06-02-2012 20:01
А что это за оранжевая штучка?

главный по тарелочкам
Группа: Участники
Сообщений: 2186
Добавлено: 06-02-2012 20:57
Наверное какой-то спасательный радиобуй или морская радиостанция...ВЧ разьемы к плате подходят золоченые,да и окрас оранжевый наводит на такие мысли...

магистр
Группа: Участники
Сообщений: 1307
Добавлено: 06-02-2012 21:40
А что это за оранжевая штучка?

Радиомаяки ARTEX

мастер
Группа: Участники
Сообщений: 790
Добавлено: 16-02-2012 01:25
Телефонный пульт-коммутатор "К-1151 "

Даже не ожидал, что внутри окажется такая куча "запчастей".

главный по тарелочкам
Группа: Участники
Сообщений: 2186
Добавлено: 16-02-2012 01:30
знакомая лобудень...у нас в пожарной охране такой применялся,пока не поменяли на нормальную АТС

мастер
Группа: Участники
Сообщений: 790
Добавлено: 16-02-2012 01:35
у нас в пожарной охране такой применялся,пока не поменяли на нормальную АТС

Будете смеяться, но это как раз вывезли на свалку, после реконструкции пожарной части!

главный по тарелочкам
Группа: Участники
Сообщений: 2186
Добавлено: 16-02-2012 01:41
я сразу понял откуда ветер дует.. видимо они во многих частях пожарной охраны использовались...

вошел во вкус
Группа: Участники
Сообщений: 169
Добавлено: 17-02-2012 00:45
Вот сегодня нашёл на свалке целую коробку из под керзовых сапогов вот такого добра,чувствуется кто-то не оценил чужого труда по добыванию драг металлов и решил поднасолить добытчики выкинув сие в помойку))
Там помимо этого ещё куча всего было)это самое мелкое оказалось)

главный по тарелочкам
Группа: Участники
Сообщений: 2186
Добавлено: 17-02-2012 00:48
крутой улов ничего не скажешь..

мастер
Группа: Участники
Сообщений: 790
Добавлено: 17-02-2012 02:58
Вот сегодня нашёл на свалке целую коробку из под керзовых сапогов вот такого добра,чувствуется кто-то не оценил чужого труда по добыванию драг металлов...

Да, знаю и по своему опыту, что в то время как на заводах, ради драгмета, выводят из строя еще действующее советское оборудование,
на свалках, практически регулярно - такого добра "бери-нехочу".
Вот например, часть моих скромных находок, из нескольких маленьких нелегальных свалок.
А какие сокровища зарываются в землю на основной городской свалке, куда ежедневно вывозится сотни машин - можно себе только представить!



Гость
Добавлено: 17-02-2012 03:11
Особенно приколола фотка 2й с внизу . Какой то Кулибин так классно микрухи распаял что реветь захотелось. Сразу видно что под столом у него еще коробка про запас лежала. Что хоть за микросхемы на такую мучительную пытку пошли

мастер
Группа: Участники
Сообщений: 790
Добавлено: 17-02-2012 03:19
Особенно приколола фотка 2й с внизу . Какой то Кулибин так классно микрухи распаял что реветь захотелось. Сразу видно что под столом у него еще коробка про запас лежала. Что хоть за микросхемы на такую мучительную пытку пошли

К564ИР9
Да, там чего только не увидишь!
Вот только к большому сожалению, подавляющее большинство моих находок, практически никакой "историко-коллекционной" ценности не представляют,
и идут в основном на "обменный фонд" с драгметальщиками.

главный по тарелочкам
Группа: Участники
Сообщений: 2186
Добавлено: 17-02-2012 03:36
да и транзистор типа кт904 забавно "распаян" на плате(то же фото)

главный по тарелочкам
Группа: Участники
Сообщений: 2474
Добавлено: 17-02-2012 16:25
Уважаемый, Crona . А не могли бы Вы разместить фото с большим разрешением, а то в данной "фетишной" кучке деталей ничего толком нельзя разглядеть.

гигант мысли
Группа: Участники
Сообщений: 7902
Добавлено: 17-02-2012 17:09
ну это будет только ближе, но лучше если эту кучу отсортировать, сгруппировать интересные экземпляры и вот их поближе и выложить.

В ув. Водолея довольно удачные находки.

главный по тарелочкам
Группа: Участники
Сообщений: 2259
Добавлено: 17-02-2012 18:32

Вот например, часть моих скромных находок, из нескольких маленьких нелегальных свалок.

Классные у Вас однако свалки. У нас в Харькове таких уж давно нет. А некоторые вещи у Вас на фото действительно интересны и не только для драгметальщиков.

мастер
Группа: Участники
Сообщений: 773
Добавлено: 17-02-2012 20:23
Телефонный пульт-коммутатор "К-1151 "

Даже не ожидал, что внутри окажется такая куча "запчастей".

Телефонный пульт-коммутатор я такой ремонировал в 2009 году а перд этим такоиже отдали на запчасти его разобрал платы сохронилис но и прегодилес апарат был после грозы поменял платы все заработало.

мастер
Группа: Участники
Сообщений: 773
Добавлено: 17-02-2012 20:41
улов в прошедшие выходные.


3 материнки одна сокет-939 и две АМ2 все рабочие.

гигант мысли
Группа: Участники
Сообщений: 7902
Добавлено: 17-02-2012 20:54
ну все, осталось только найти на мусорнике покинутый Майбах..

главный по тарелочкам
Группа: Участники
Сообщений: 2474
Добавлено: 17-02-2012 21:16
ну все, осталось только найти на мусорнике покинутый Майбах..

Как у Сифона с Бородой из "Нашей Раши"

вошел во вкус
Группа: Участники
Сообщений: 169
Добавлено: 18-02-2012 01:01
Сегодня вот такой вот приборчик со свалки и ещё блок питания Б5-47,вот только у измерителя все провода от платы взяли и перекусили бокорезами,вот терь сижу и гадаю как собрать в рабочее состояние(((

если у кого есть однотипный то прозьба выложить фот внутреностей в подробностях,буду примного благодарень,чуть позже выложу фото самой платы!

вошел во вкус
Группа: Участники
Сообщений: 169
Добавлено: 18-02-2012 18:03
Сегодня вот такой вот приборчик со свалки и ещё блок питания Б5-47,вот только у измерителя все провода от платы взяли и перекусили бокорезами,вот терь сижу и гадаю как собрать в рабочее состояние(((

если у кого есть однотипный то прозьба выложить фот внутреностей в подробностях,буду примного благодарень,чуть позже выложу фото самой платы!





как и обещал фото внутренностей и провода кстати аккуратненько обрезали,а восстановить проблемка

гигант мысли
Группа: Участники
Сообщений: 7902
Добавлено: 18-02-2012 18:20
фотографии прибора имеют разрешение всего 640 на 425 пикселей.. Хотя видно что есть запас. Вы забыли снять галочку об ограничении размера фоток при загрузке.. Поскольку прибор измерительного типа - его более детализированые фото можна и в теме измериловки выложить.. Да и качество картинки 85 когда можна выставить 100..

Поэтому я всегда советую пользоватся режимом мультизагрузки на Радикале - один раз выставленые параметры запоминаются - и там кстати в меню ссылок можна выбрать "переход с превью на графический файл" - это избавит кликающего на превью пользователя в новом окне полноразмерной фотки от всех рекламных прелестей РадикалРу (особенно от "думанья как заработать реальные деньги".. ). После того как выбрано нужные для загрузки изображения (можна сразу несколько, а то и 10 или больше) появляются опции параметров загрузки - качество файла (85 по умолчанию - лучше 100 выбирать), возможность убрать надпись "увеличить", размер превью, максимальный размер загружаемых файлов и прочее.

мастер
Группа: Участники
Сообщений: 773
Добавлено: 22-02-2012 00:18
находки сегодня.

вошел во вкус
Группа: Участники
Сообщений: 169
Добавлено: 22-02-2012 02:03
находки сегодня.

интересно,а почему разные шкалы у абсолютно одинаковых приборов,ниужели переделка?

гигант мысли
Группа: Участники
Сообщений: 7902
Добавлено: 22-02-2012 08:40
crona

фотографии этих приборов уже были в теме по измериловке, - если вам интересно:

В7-16А на вакуумных индикаторах - http://www.offtop.ru/dustyattic/v1_700390_1.php

В7-16А на светодиодных матрицах - http://www.offtop.ru/dustyattic/v1_700390_46.php

изначально В7-16А выпускался на индикаторных лампах и планарных микросхемах. Примерно с 1985 года ЛОРТА перешли на выпуск версии на светодиодных матрицах - прибор кроме индикаторной платы претерпел изменения в схеме дифференциального усилителя, ну и большинство планарных микросхем в приборе было заменено кошмаром 155й серии (должен признать что в начале 80х 155я серия могла встречатся уже и в старой версии.. Но также были случаи, когда в конце 80х в новой версии В7-16А могли снова использоватся платы с планарными (некоторые) микросхемами.. Винигрет так сказать..). Все эти изменения предполагали уменьшить себестоимость прибора, улучшить его тепловой режим. Однако в результате надежность снизилась, прибор еще более менее работал в комнатных, лабораторных условиях, однако с точки зрения заявленых изначально параметров вибрационных нагрузок и низких температур (до -30 градусов..) - лучше его не эксплуатировать в этих крайностях. Старые версии эксплуатировались в тяжелых условиях где только можна себе представить, а новые стали галочкой передовых успехов в социалистическом соревновании, полигоном для приборетения молодыми специалистами навыков в ремонте огромного множества этих изделий..

администратор
Группа: Администраторы
Сообщений: 8045
Добавлено: 22-02-2012 10:19
А мне со свалки перепала "Радиотехника МП-7201" в весьма приличном состоянии. Нет только декоративной накладки на кассетоприемник и пары ножек. Я как раз подыскивал на чем мне послушать старые кассетки.

главный по тарелочкам
Группа: Участники
Сообщений: 2186
Добавлено: 22-02-2012 13:00
А мне со свалки перепала "Радиотехника МП-7201" в весьма приличном состоянии. Нет только декоративной накладки на кассетоприемник и пары ножек. Я как раз подыскивал на чем мне послушать старые кассетки.
я сам нашел одну такую со стеклоферритовой башкой...проблема в отсутствии пассиков-у нас их уже не продают...честно говоря уже боюсь заходить в эту веткутакие вещи здесь показывают,что слюнями обливаюсь...того гляди соседи опять прийдут жаловаться-типа опять затопил

гигант мысли
Группа: Участники
Сообщений: 7902
Добавлено: 22-02-2012 16:23
у меня был целый кулек с разнообразными пассиками, но по прошествии 8-10 лет лежания на полке - большая часть их просто растворилась и слиплась между собой..

вошел во вкус
Группа: Участники
Сообщений: 169
Добавлено: 28-02-2012 15:30
сегоднешние находки на свалке

насчитал 106 штук,на такой маленькой площади такое количество ещё ни разу не видел

уже давно таких годов не всречал

пришел поспрашивать
Группа: Участники
Сообщений: 14
Добавлено: 28-02-2012 20:14
сегоднешние находки на свалке

насчитал 106 штук,на такой маленькой площади такое количество ещё ни разу не видел

уже давно таких годов не всречал

красотища!И все такое чистое,что за свалка такая

мастер
Группа: Участники
Сообщений: 868
Добавлено: 28-02-2012 20:43
сегоднешние находки на свалке

насчитал 106 штук,на такой маленькой площади такое количество ещё ни разу не видел


Ничего так находка, тыщ на 5

Гость
Добавлено: 29-02-2012 03:03
Вот сегодня из-за гаражей приволок. С точки зрения коллекционера тут навряд ли что ценное есть. Да и радиолюбителю что тут может пригодится. Разве что трансик приятный от телика и микроволновки. Тут же в гараже загнать можно кому нибудь на свет в яму . Все разберем на молекулы почистим помоем а там глядишь с 10ок побрякушек опять найдут "вечный" покой в коробке.




Гость
Добавлено: 29-02-2012 03:13
Ну в приемнике есть даже с точки зрения коллекционера что то. Только что вот вчем вопрос? Все таки 1962г. А вот в телике нашел пару кондеров электролитов прикольных. На обоих выбито тиснением емкость и напряжение. А в процессе видимо что то не так пошло и один заводским штемпелем перечеркнут а написано печатью другая емкость и номинал. Оба полностью изначально были идентичные. Не знаю как вы а я их подостлал наверно тыщу но такой облом вижу впервые. Помою и сфоткаю.




Гость
Добавлено: 29-02-2012 09:22
А вот в телике нашел пару кондеров электролитов прикольных. На обоих выбито тиснением емкость и напряжение. А в процессе видимо что то не так пошло и один заводским штемпелем перечеркнут а написано печатью другая емкость и номинал.


Уже было...

Гость
Добавлено: 29-02-2012 14:10
Покажи!

Гость
Добавлено: 29-02-2012 14:13
Поискал - не нашел.
Надо правильное ключевое слово для гугла подобрать.

гигант мысли
Группа: Участники
Сообщений: 8494
Добавлено: 29-02-2012 14:39
Надо правильное ключевое слово для гугла подобрать.

"заводской перемаркёр"

мастер
Группа: Участники
Сообщений: 773
Добавлено: 29-02-2012 23:13
сегодня на свалке.



гигант мысли
Группа: Участники
Сообщений: 7902
Добавлено: 01-03-2012 03:45
- у Вас, дорогой коллега, наверно уже с местом вдома проблема - куда класть добро - скоро догоните Яниса по кучности предметов на квадратный сантиметр..

вошел во вкус
Группа: Участники
Сообщений: 130
Добавлено: 01-03-2012 17:36
ГТ906, скоко добра... и где ж все это ?
а измериловка советская !!! хачу...

мастер
Группа: Участники
Сообщений: 773
Добавлено: 02-03-2012 00:27


главный по тарелочкам
Группа: Участники
Сообщений: 2474
Добавлено: 02-03-2012 00:50
ГТ906, скажите пожалуйста, а из этих приборов металлоломщики и/или БОМЖи "фетишные" детали выгрызают, или выбрасывают и оставляют в первозданном виде ?

мастер
Группа: Участники
Сообщений: 773
Добавлено: 02-03-2012 01:35
оставляют в первозданном виде скидывают в кучю металлолома.

администратор
Группа: Администраторы
Сообщений: 8045
Добавлено: 02-03-2012 09:53
Какое счастье что у меня нет под боком подобных свалок! Ну вы поняли о чём я...

главный по тарелочкам
Группа: Участники
Сообщений: 2474
Добавлено: 02-03-2012 21:24
оставляют в первозданном виде скидывают в кучю металлолома.

Какое счастье, что есть еще на свете "не сведующие" люди

мастер
Группа: Участники
Сообщений: 790
Добавлено: 02-03-2012 22:36
Какое счастье, что есть еще на свете "не сведующие" люди

Да таких людей полно ВЕЗДЕ!
Вот у меня был такой "курьёзный" случай: Шел как-то по делам, вижу возле одного из домов сидят два мужика, по одну сторону - гора алюминиевых корпусов, по другую - куча выковырянных из них плат.
Конечно я не смог пройти мимо такого "зрелища", подошел узнать - "шозанах" ?
Оказалось: мужики привезли в лом цветмета, газельку списанных на одном из предприятий, радиостанций "Лён". А приёмщик, даже с вычетом процентов, категорически отказался принимать "товар" , пока его не очистят от "мусора"! И вот теперь мужики вынуждены сидеть (уже третий день!) и потрошить радиостанции.
Я конечно поинтересовался: - а платы куда деваете? - "Как куда? - в мусорный бак, конечно!"
В общем, порылся я в этой куче, и к большой радости мужиков, выкупил у них за 100 гривен, всё самое "интересное"! (см. фото)
Но к сожалению процентов 70 - уже успело уйти на свалку!

А сколько таких мужиков по всему бывшему Союзу?!!
Так что я абсолютно уверен, что на свалках практически любого крупного города, особенно если в нём при союзе была "специфическая" промышленность или воинские части, - творится примерно такое же как и на свалке ГТ906 !
Просто мы или об этом не знаем, или не имеем к таким свалкам доступа.

главный по тарелочкам
Группа: Участники
Сообщений: 2474
Добавлено: 02-03-2012 22:46
Просто мы или об этом не знаем, или не имеем к таким свалкам доступа.

Ну, есть люди, которые считают, что "копаться на свалке" ниже их достоинства. И таких людей немало... Вот только к счатью, или к сожалению?

гигант мысли
Группа: Участники
Сообщений: 7902
Добавлено: 02-03-2012 22:53
последняя картинка ув. Водолея вызвала видимо всплеск ажиотажного интереса.. -



это появляется при клике на полноразмерный вариант фото..

мастер
Группа: Участники
Сообщений: 790
Добавлено: 02-03-2012 22:58
Ну, есть люди, которые считают, что "копаться на свалке" ниже их достоинства. И таких людей немало... Вот только к счатью, или к сожалению?

Ну, честно говоря, я тоже только года четыре назад, набрался "наглости" периодически проверять свалки.
До этого, меня даже легенды о целых Камазах с аппаратурой, не могли заставить до такого "опуститься"!
Хотя теперь очень жалею, что не "опустился" хотя бы лет на 10 раньше! , (когда и в правду, оборудование вывозилось туда Камазами! )

Гость
Добавлено: 02-03-2012 23:17
последняя картинка ув. Водолея вызвала видимо всплеск ажиотажного интереса.. -



это появляется при клике на полноразмерный вариант фото..


Угу - любопытно - я такое сообщение в первый раз вижу.
Скорее всего он эту картинку еще где-нибудь разместил.

мастер
Группа: Участники
Сообщений: 773
Добавлено: 05-03-2012 22:46
находки за выходные.


мастер
Группа: Участники
Сообщений: 713
Добавлено: 05-03-2012 23:15
Правая платка в верхнем ряду и вторая в нижнем от раскурочаного частотомера Ч3-57,который был на одной из прошлых фото.

главный по тарелочкам
Группа: Участники
Сообщений: 2186
Добавлено: 06-03-2012 01:23
верхняя левая плата часом не от Г4-116-го? уж больно похожа...

гигант мысли
Группа: Участники
Сообщений: 7902
Добавлено: 07-03-2012 14:27
интересно - вопрос к ув. Водолею - а в тех пустых или обчищеных корпусах от приборов, - силовые трансформаторы тоже сняли (выломали) или же оставили..?

мастер
Группа: Участники
Сообщений: 790
Добавлено: 07-03-2012 15:41
интересно - вопрос к ув. Водолею - а в тех пустых или обчищеных корпучсах от приборов, - силовые трансформаторы тоже сняли (выломали) или же оставили..?

Ну, там корпуса были только от РС "Лён". Большая часть от болгарских, и немного от воронежских.
К болгарским Ленам, были еще и вот такие блочки:



Но что у них было внутри - я увидеть не успел, т. к. их распотрошили в самую первую очередь.

Гость
Добавлено: 08-03-2012 04:04
интересно - вопрос к ув. Водолею - а в тех пустых или обчищеных корпучсах от приборов, - силовые трансформаторы тоже сняли (выломали) или же оставили..?

Ну, там корпуса были только от РС "Лён". Большая часть от болгарских, и немного от воронежских.
К болгарским Ленам, были еще и вот такие блочки:



Но что у них было внутри - я увидеть не успел, т. к. их распотрошили в самую первую очередь.

История до банальности похожа. Шол летом и смотрю человек который без особых жилищных проблем сидит рядом с контейнером и усиленно ломает от телика какую то хрень. Напрягло не это, а то что рядом лежат два Воронежских ЛЕНа. Естественно по цене металла я этот лот выиграл .
Этот БП от болгарского прототипа ЛЕНа на 57.ххх МГц ТЕС 12-3-НТ производства "Электрон". Как видим весь корпус представляет собой литое шасси. Днище сьемное и служит одним большим теплоотводом для KD3055 TESLA. Примерный аналог КТ728. Транс около 100Вт ну и вообще приятно посмотреть как там делали. Все чистенько,аккуратно ничего не болается. Лепотаа!!!




PS я уже заикался для ГТ906 показать это БП. Но сейчас он видимо ко краз в тему не в этой теме. Думал перенести в радиостанции но пусть решит админ.


Гость
Добавлено: 09-03-2012 00:27
Robiton , распили пожалуйста KD3055. Интересно сравнить с остальными тесловскими транзисторами.
Слишком подозрительное название он имеет.

мастер
Группа: Участники
Сообщений: 773
Добавлено: 10-03-2012 11:48
вчерашние находки




гигант мысли
Группа: Участники
Сообщений: 7902
Добавлено: 10-03-2012 12:20
интересный улов..

вошел во вкус
Группа: Участники
Сообщений: 225
Добавлено: 10-03-2012 18:43
Интересны надписи на блоках, а так же виды на монтаж в экранированных корпусах, если будете вскрывать.

мастер
Группа: Участники
Сообщений: 773
Добавлено: 10-03-2012 20:02
вот блоки распотрошил.




главный по тарелочкам
Группа: Участники
Сообщений: 2474
Добавлено: 10-03-2012 20:30
вот блоки распотрошил.

Хорошо у вас на свалке! Можно свегда заработать на стакан... кока-колы

Гость
Добавлено: 11-03-2012 01:55
Robiton , распили пожалуйста KD3055. Интересно сравнить с остальными тесловскими транзисторами.
Слишком подозрительное название он имеет.

Как же я его отпилю. Рация полностью дееспособна и даже иногда используется.

зашел на огонёк
Группа: Участники
Сообщений: 1
Добавлено: 12-03-2012 18:46
А что вы все по свалкам? Есть же еще приемка металлолома. Я например пасусь на площадке типа вторчермета. Там и электронику привозят, например станки с чпу, вот с железной дороги прошлым летом электрички потрошили, там и радиостанции попадались. И не воняет как на свалке. Расценки 15 рублей за килограмм и бери что хочешь. Как то с телецентра привозили старое ламповое оборудование, не успел, все порезали.

пришел поспрашивать
Группа: Участники
Сообщений: 90
Добавлено: 10-04-2012 01:16
Вот такую штучку нашел. Интересный блочок, еще интереснее блочок в блочке с надписью 12 кВ. По бокам две вроде-бы симметричные платы. Почему-то возникает мысль, что большая коричневая блямба - высоковольтный транс. На второй фотке видно, что он в трещинах. Материал похож на резину.

И еще какая-то трехвыводная стеклянная хренька. Ее почему-то удалось сфоткать хуже всего. Вроде на ней написано РБ-2. И еще одна коробочка с двумя платками внутри.


Гость
Добавлено: 10-04-2012 01:35
А че в коробочках прячется. Покажеш!
На седьмой фоте я так понял коробочка №25 высоковольтная а на общем фото невидно ручек от резюков и разьема.

пришел поспрашивать
Группа: Участники
Сообщений: 90
Добавлено: 10-04-2012 02:49
А ручек там и не было, кто-то поснимал.

администратор
Группа: Администраторы
Сообщений: 8045
Добавлено: 10-04-2012 09:53
Вроде на ней написано РБ-2.

Это разрядник бариевый РБ-2 высоковольтный.

Гость
Добавлено: 10-04-2012 10:23
У РБ-2 всего два вывода, а он толкует про три.

гигант мысли
Группа: Участники
Сообщений: 4411
Добавлено: 10-04-2012 11:13
У РБ-2 всего два вывода, а он толкует про три.


Товарищ писал пост ночью, условия написания неизвестны, может толковать и про три. Там есть пипка, отпай называется. Может она, конечно, и непохожа.


Группа: Участники
Сообщений: 0
Добавлено: 10-04-2012 20:39
Пожарная сигнализация.

В комплекте - маленький кислотно-свинцовый герметичный аккумулятор 12V.


Группа: Участники
Сообщений: 0
Добавлено: 15-04-2012 15:58
Пошёл выносить мусор и увидел два стоящих системника. Заглянул в один через отверстие, в котором должен быть cd-rom, увидел, что внутри целы блок питания и материнская плата. Захватил один. Надо сказать, люди реагируют на подобное забирание широко выпученными глазами (кругом - пятиэтажки).
Дома заглянул внутрь - это оказались рабочие станции fujitsu-siemens, германские. Пришлось идти за вторым.
Внутри - материнская плата непривычно больших размеров.

На плате установлен очень большой радиатор, на передней панели корпуса - два больших кулера 120мм.

Блоки питания - по 300Вт, не китайской сборки. В одном системнике оказалась плата для подключения второго монитора. Также на одной плате оказался в слоте процессор.
Блоки питания оказались исправными. Платы запустить пока не удалось - возможно, что обе неисправные.
Корпус - большой и тяжёлый. CD-ROM, HDD, RAM - отсутствуют.

На обоих компьютерах имеются следы непоняного дурно пахнущего белого вещества.
На запчасти, одним словом...

пришел поспрашивать
Группа: Участники
Сообщений: 37
Добавлено: 15-04-2012 18:29
Похож на сервер..

пришел поспрашивать
Группа: Участники
Сообщений: 90
Добавлено: 18-04-2012 20:42
У РБ-2 всего два вывода, а он толкует про три.

Товарищ писал пост ночью, условия написания неизвестны, может толковать и про три. Там есть пипка, отпай называется. Может она, конечно, и непохожа.

Условия написания трезвые :))
Проверил, виноват, вывода таки два. Впотьмах и впопыхах пипка РБ-2 была принята за 3-й вывод.

мастер
Группа: Участники
Сообщений: 773
Добавлено: 25-04-2012 18:31
Находки за выходные.






мастер
Группа: Участники
Сообщений: 637
Добавлено: 25-04-2012 19:30

Аппарат лечебный импульсным магнитным полем АЛИМП 1 предназначен для оказания терапевтического воздействия на организм человека импульсным бегущим магнитным полем.
ЦЕНА: 45000.00 рублей
цепляй 8 катушек размагничивания и пользуйся

мастер
Группа: Участники
Сообщений: 773
Добавлено: 15-05-2012 21:35
Находки за выходные.


Гость
Добавлено: 15-05-2012 22:44
На нижнем фото, плата фисташкового цвета -- "Корвет ПК8020". Изверги...

главный по тарелочкам
Группа: Участники
Сообщений: 2474
Добавлено: 15-05-2012 22:48
Логично добавить, что под ней плата от ПЭВМ "Поиск".

администратор
Группа: Администраторы
Сообщений: 8045
Добавлено: 15-05-2012 22:56
А левая похоже от видеомагнитофона "Электроника-ВМ12". Даже колёсико трекинга виднеется.

мастер
Группа: Участники
Сообщений: 698
Добавлено: 16-05-2012 00:16
Часы электромеханические типа "ходики".


У прежних хозяев протекла батарейка и гнездо под нее позеленело, контакт пропал, часы встали.
Чистка контактов не оставила часам не малейшего шанса и дальше прохлаждаться, работают как заведённые!
Любопытно, что маятник выполняет чисто декоративную функцию - он качается, но на ход часов не оказывает никакого влияния. Можно его остановить, вообще снять, а стрелки как шли, так и идут!


Весы из ближайшего магазина.
Не работает кнопка с чифрой "ноль" на клавиатуре. Остальное все в норме. Если дело только в кнопке, значит я стану владельцем полноценных весов до 15 кг, можно картошку или грибы на трассе осенью продавать... Вот только где на обочине шоссе взять 220в?
Ну не тащить же UPS с автомобильным аккумулятором!

мастер
Группа: Участники
Сообщений: 773
Добавлено: 16-05-2012 01:22
на днях почти такиже Весы разобрал они быле с принтером.
вот что от них оставос.


Группа: Участники
Сообщений: 0
Добавлено: 27-05-2012 20:57
Мат.плата с процессором пентиум-3, 256мб памяти и то ли сетевой картой, то ли модемом.

мастер
Группа: Участники
Сообщений: 698
Добавлено: 28-05-2012 21:35
Нельзя сказать, что это находка в чистом виде, это был взаимовыгодный обмен: в пункте приёма цвет-чер-мета я засёк стоящий отдельно осциллограф, который явно не был предназначен для прямого превращения в груду кусочков меди и железа.
Хозяин приёмки предложил купить его за 2000 руб. или 10 кило меди. Не особо напрягаясь, я насобирал требуемое количество и обмен состоялся к обоюдному удовольствию сторон.



Засран аппарат, конечно, конкретно, но что удивительно - он РАБОТАЕТ. Приличный запас по яркости, труба явно не севшая.


мастер
Группа: Участники
Сообщений: 698
Добавлено: 28-05-2012 21:44
А вот этот объект - действительно найден.
Причина по которой хозяева с ним расстались - банальный излом ручки, которой регулируется мощность, видна только щель, вдоль которой ходил движок. Обломаный кончик движка остановился на максимуме. А так всё работает!


главный по тарелочкам
Группа: Участники
Сообщений: 2474
Добавлено: 28-05-2012 22:05
Честно вам скажу, уважаемый Чипса, приемщик ваш - барыга и спекулянт, а также обманщик, грязномонетчик, плут и выжига. Красная цена такому прибору (даже с учетом д/м и цветка 1000 - 1500 р. МАКСИМУМ 1500 если разобрать до винтика и ОЧЕНЬ дорого продать). На молотке продают за 1500 р. в очень хорошем состоянии. Я бы такому торговцу, который мечтает на всем и на всех "урвать" от мертвого осла ушей даже не дал бы. Из принципа!
И откуда этот барыга, интересно, придумал цифру 2000 р. Либо он знает про Д/М, либо? Ведь 10 кг. меди оттуда ни за что не наскребешь.
P.S. Я, в свое время, покупал такой прибор за 1000 р. И не дал бы за него ни рубля выше.

мастер
Группа: Участники
Сообщений: 698
Добавлено: 28-05-2012 23:00
Ясен пень, это их работа, это их стиль жизни, менталитет даже.
Я не смотрел по ИНЕТУ цены, может это и дорого, но у меня была возможность с пользой для дела употребить часть накопившейся неделовой меди, что я и сделал.
Лет несколько назад я на помойке подобрал другой осцил, С1-76.
Тоже рабочий, но у него полоса до 10 МГц, а у этого, кажется, до 50. Это и определило мои действия.
Хотя, не факт, что новое приобретение долго протянет, или окажется ненастроенным должным образом... Время покажет, на крайний случай, у меня есть хороший друг, работающий как раз по ремонту и настройке измерительной техники самых разных видов. Надеюсь, он не откажет в консультации .
А моя задача в первую очередь - подарить этому аппарату всю свою техническую ласку, нежность и заботу, дабы привести его в состояние, когда касаться его будет не противно, как сейчас...

главный по тарелочкам
Группа: Участники
Сообщений: 2474
Добавлено: 29-05-2012 00:22
А-а-а, так это 65-ый был! А я со слепу, на ваших темных фото "углядел" С1-55. И все мое сообщение было посвящено С1-55... Тогда 2000 р. за С1-65 нормально, думаю даже дешевле, чем металлолом из него. Поздравляю с приобретением!

мастер
Группа: Участники
Сообщений: 698
Добавлено: 29-05-2012 00:36
Виноват, надо было марку текстом сразу написать. Уточняю, в конце есть буква "А".
Ну а раз цена и впрямь адекватна аппарату, что ж, я рад этому.
Спасибо за поздравления !
Можно со спокойным сердцем ложиться спать!

пришел поспрашивать
Группа: Участники
Сообщений: 10
Добавлено: 09-06-2012 13:05
Вот вам ещё закрома родины

пришел поспрашивать
Группа: Участники
Сообщений: 10
Добавлено: 15-06-2012 15:33
Вот ещё такие места бывают



главный по тарелочкам
Группа: Участники
Сообщений: 2474
Добавлено: 15-06-2012 18:10
Вот ещё такие места бывают

А фетишные детали в этих местах еще бывает, или их все уже растащили?

пришел поспрашивать
Группа: Участники
Сообщений: 10
Добавлено: 16-06-2012 09:02
Растащили, конечно.
Вот такой прибор попался сегодня. Это зарядное устройство? А что им заряжают?



гигант мысли
Группа: Участники
Сообщений: 7902
Добавлено: 16-06-2012 09:59

Это зарядное устройство? А что им заряжают?



нужно всего лишь чуть чуть погуглить сей вопрос и найти http://ay.by/lot/zaryadnoe-ustrojstvo-zu-10-507170210.html

цитата:

"Предназначено для подзарядки одного аккумулятора Д-0,06 или Д-0,06Д.

Выполнено в электробезопасном пластмассовом корпусе.

Для подзарядки аккумулятора Д-0,06, Д-0,06Д необходимо выдвинуть колодку и вложить аккумулятор в гнездо, закрыв колодку, вставить зарядное устройство в розетку (напряжением в 220 вольт).

Время, необходимое для подзарядки, составляет 10-15 часов."

пришел поспрашивать
Группа: Участники
Сообщений: 18
Добавлено: 17-06-2012 02:19
1. Если бы у нас, в Смоленске были бы такие свалки, я бы туда переехал!
2
справа в вверхнем углу наветное транзистор кт704

вошел во вкус
Группа: Участники
Сообщений: 117
Добавлено: 17-06-2012 22:17
Это зарядное устройство? А что им заряжают?

Таким зарядным,в частности,комплектовался слуховой аппарат.


пришел поспрашивать
Группа: Участники
Сообщений: 28
Добавлено: 01-07-2012 19:06
Здравствуйте.
Подскажите, пожалуйста, насколько была распространена
микросхема телеигры в керамическом корпусе (Зеленоград)?
К145ИК17.

Гость
Добавлено: 02-07-2012 11:26
А у меня вот такой вопрос появился в частности к ГТ906 вы видео случаем на Юту-б не выставляете в раздел "находки на свалке" и "электроника с помойки". А то там это тоже модно стало показывать. Особенно прикольно читать ко менты тех кто даже к мусорному контейнеру считает в западло подойти. Кстати создается ощущение что кризис нас стороной обошел или по крайне мере тех кто выбрасывает вполне рабочие вещи.

пришел поспрашивать
Группа: Участники
Сообщений: 65
Добавлено: 26-07-2012 17:57
справа в вверхнем углу наветное транзистор кт704


Да - 704 см. ПРОЗЕКТОРРСКАЯ от 09.02.2012

мастер
Группа: Участники
Сообщений: 773
Добавлено: 26-07-2012 18:14


гроссмейстер
Группа: Участники
Сообщений: 1120
Добавлено: 26-07-2012 18:17
Хренасе - тот самый Panasonic!

главный по тарелочкам
Группа: Участники
Сообщений: 2186
Добавлено: 26-07-2012 19:28
Чем то напоминает "электронику ВМ-12"

мастер
Группа: Участники
Сообщений: 773
Добавлено: 26-07-2012 20:02

мастер
Группа: Участники
Сообщений: 773
Добавлено: 29-07-2012 18:06
находки на свалке.
[/URL
[URL=http://www.radikal.ru]



пришел поспрашивать
Группа: Участники
Сообщений: 21
Добавлено: 29-07-2012 18:59
Прошелся намедни за заборами дач

мастер
Группа: Участники
Сообщений: 773
Добавлено: 29-07-2012 20:42
Прошелся намедни за заборами дач

две платы транзисторами вч и с кварцом от радиостанций маяк

пришел поспрашивать
Группа: Участники
Сообщений: 21
Добавлено: 29-07-2012 20:47
от радиостанций маяк

Там и от импортных раций,радиотелефонов попало...От Льна ранее на том же месте пару пакетов набирал.Частник выкидывает,блин,а укараулить на могу

мастер
Группа: Участники
Сообщений: 790
Добавлено: 30-07-2012 18:05
Давненько уже у меня не было таких находочек!)))

_

_

главный по тарелочкам
Группа: Участники
Сообщений: 2474
Добавлено: 30-07-2012 18:46
Давненько уже у меня не было таких находочек!)))

Поздравляю! Есть вещи, весьма радостные...

пришел поспрашивать
Группа: Участники
Сообщений: 54
Добавлено: 15-08-2012 01:00






Судя по всему раньше это было осциллографом) разобралиего охотясь за золотом, часть операционников и транзисторов крепились в панельках, так что их можно было вытащить без паяльника. Вообще прибор создает впечатление качественно сделаной вещи, но ри дальнейшей разборке удивило хоть все винты краской закрашены, гроверов нигде нету, и сами вынты затянуты крайне слабо, большуючастьсоединений можно было раскрутить при помщи ногтей)


Группа: Участники
Сообщений: 0
Добавлено: 28-08-2012 23:44
Магнитофон Маяк 205. Найден на мусорке - какой-то добрый человек положил на землю, а не в мусорный бак. Отсутствуют динамики и те части, на которые надеваются боббины, поэтому на запчасти.




вошел во вкус
Группа: Участники
Сообщений: 242
Добавлено: 14-09-2012 15:21
Да, вредно такие темы смотреть. Вся рубашка от слюны мокрая.....


Группа: Участники
Сообщений: 0
Добавлено: 21-11-2012 14:16
Магнитола Radiotehnika. Рядом с ней был небольшой опрокинутый ящик радиодеталей, к сожалению, втоптанных в землю и забрать их не представлялось возможным.




мастер
Группа: Участники
Сообщений: 698
Добавлено: 22-11-2012 21:56
Совсем уж малюсенькое "приобретение", обнаружилось оно после сортировки целого полиэтиленового мешка ВСЯКОГО РАЗНОГО барахла вперемешку (включая крепёж, ламповые панельки в упаковках, дроссели для ЛДС в упаковках и пр. и пр.)



Вряд ли человек покупал это когда-то для себя, скорее скоммуниздил с родного предприятия, но вот только для чего?!!!

На коленках гибридки ремонтировать собирался или даже подпольно из выпускать...

мастер
Группа: Участники
Сообщений: 773
Добавлено: 23-11-2012 23:28



мастер
Группа: Участники
Сообщений: 773
Добавлено: 04-02-2013 14:31

видео.http://www.youtube.com/watch?v=oMwJrJlD9I8

главный по тарелочкам
Группа: Участники
Сообщений: 2542
Добавлено: 04-02-2013 20:48
Уважаемый ПОИСКОВИК! Прекращайте мучить народ ))) Ну... не бывает такого в природе, чтобы выбрасывали столько цветмета и драгмета в деталях и никто не подбирал их. Странно всё...

мастер
Группа: Участники
Сообщений: 773
Добавлено: 04-02-2013 21:10
Уважаемый ПОИСКОВИК! Прекращайте мучить народ ))) Ну... не бывает такого в природе, чтобы выбрасывали столько цветмета и драгмета в деталях и никто не подбирал их. Странно всё...


цветмета выбрасывают очень много элт мониторов мв печи ибп сних забирают бомжи мед а платы не кому не нужны. драгмет у нас не- принемают а цветмет приемки на каждом углу.

мастер
Группа: Участники
Сообщений: 698
Добавлено: 04-02-2013 23:13
Когда-то мы с приятелем в пылу жадности СОТНЯМИ привозили небольшие платки типа тех, что на предыдущих фотках и напичканные логикой 155 серии (видимо из шкафов ЧПУ), причём брали их из-за того, что на этой логике интересно было собирать разные не особо сложные схемки - только не ленись выпаивать!
Про КМ-ки, которыми они были щедро усыпаны (точнее, упаяны), мы узнали потом, ну и конечно, сдали их с пользой для себя.

магистр
Группа: Участники
Сообщений: 1411
Добавлено: 07-02-2013 10:58
Ну... не бывает такого в природе, чтобы выбрасывали столько цветмета и драгмета в деталях

Пример из жизни:
В городе N предприятие ВПК, перешедшее из ФГУП в ЗАО в конце 90-х.
Новый директор службы безопасности (на пенсии подполковник-пограничник)... упразднил службу утилизации , имеющую в том числе контракты с аффинажными заводами... как неперспективную назначив ее руководителя...ответственным службы по уборке территории предприятия (главным над дворниками) .
Стёб конечно жесткий получился, человек не выдержал и уволился...

Отдел по учёту д/металлов...просто бросили вместе со всем содержимым и сейфами...

И вот с тех пор все списанное/неисправное/морально устаревшее оборудование либо просто выбрасывалось на помойку, а потом на городскую свалку вместе со всеми желтыми микросхемами и КМ-ками, либо сначала разбиралось на металлолом а оставшиеся платы с вышеуказаной элементой базой также отправлялись а помойку...

Форма собственности поменялась, зарплата стала весьма убога, хоть что-то понимающие люди покинули сие заведение.

Отдельный эпизод: на предприятии был участок по производству многослойных печатных плат. При освобождении помещения для арендаторов, все станки и оборудование, в состоянии "как было",...сдали в приём черных металлов...по цене..железа. При наличии на заводе площадей для хранения оборудования. Причём выкупить всё это на предприятии было невозможно, ибо оно имело статус ВПК, а начальник службы безопасности был весьма параноидальным в отношении "вражеских агентов и мародёров".

Но вот я начальнику службы безопасности памятник при жизни всё-таки поставил бы...Два года халявного абсолютно "кормления" с предприятия...

Как сие имело место сохраниться?,- предприятие всё-таки ВПК, и сохранило свой статус и уровень обеспечения безопасности на предприятии в полном объёме. И очень маленькая зарплата...

Чтобы "прикоснуться к прекрасному" , пришлось туда устроиться за...6 тыр. "грязными" в месяц, бросив очень неплохую работу в области энергетики...(правда когда "завод закончился", пришлось устраиваться на прежнюю работу, что и было осуществлено абсолютно безболезненно)

ПыСы. Завод, надо сказать, работает до сих пор, распродав 90% своей площади и только как ремонтное предприятие, окончательно искоренив в своих стенах инженерные отделы по разработке. Правда, на помойку практически ничего не выбрасывают,- нечего...
Сейфы в отделе утилизации д/металлов (т.е. в ж/бетоной "коробке" с выбитыми окнами и протекающей крышей) так до сих пор и стоят...лень мне было на них силы тратить и время...

знающий
Группа: Участники
Сообщений: 443
Добавлено: 07-02-2013 17:30
очень благородное занятие, ничего не скажешь

главный по тарелочкам
Группа: Участники
Сообщений: 2474
Добавлено: 07-02-2013 19:39
очень благородное занятие, ничего не скажешь

Каждому свое...


Группа: Участники
Сообщений: 0
Добавлено: 08-02-2013 16:44
Видео интересное. Пожалуй, увлечённому радиолюбителю с таким количеством деталей можно было бы даже паять полезные вещи и продавать на ебэе, если б он у нас был
Кстати, похожие из увиденных на видео http://www.youtube.com/watch?v=HIVu3xTkNww плат продают на молотке.

мастер
Группа: Участники
Сообщений: 773
Добавлено: 08-02-2013 19:19
находки. верху большая на ней порядка 20 мощных транзисторов она ест кадре на видео-
http://www.youtube.com/watch?v=HIVu3xTkNww


магистр
Группа: Участники
Сообщений: 1324
Добавлено: 11-02-2013 16:47
ГТ906, вторая фотография, верхняя плата, принтер - электроника МС6313.

главный по тарелочкам
Группа: Участники
Сообщений: 2186
Добавлено: 12-02-2013 01:05
Организовалась у нас в одном недоступном месте свалочка..много интересного оказалось в ней..прошу простить за качество фотографий-фотографировал наспех телефоном..


мастер
Группа: Участники
Сообщений: 713
Добавлено: 13-02-2013 00:11
Похоже на отходы металлистов-цветметчиков.Очень разнообразные платы даже от старых ламповых телевизоров есть.Корпуса сдали в лом,драгмет тоже скорее всего выдрали,остальное на свалку.Несомненно там ещё много полезного можно найти.У нас и такого не найдёшь,платы тоже сдают в переработку.

главный по тарелочкам
Группа: Участники
Сообщений: 2186
Добавлено: 13-02-2013 21:10
Как раз драгметаллы кусали через пальцы-видимо по незнанию..много чего обнаружилось при перекопке плат...всякая военка,также платы от всякого бытового хлама...

мастер
Группа: Участники
Сообщений: 773
Добавлено: 14-02-2013 15:46
у нас начале 2000года в городе быле приемок течений года видно не стали таскать закрылись позже стояли на машинах возле магазина-
радиодеталей час два года невидно этих машин.
ечо магазине висело Объявления с фото куплю радиолом.


вошел во вкус
Группа: Участники
Сообщений: 183
Добавлено: 17-03-2013 16:43
Недавние находки.
Платы и блок питания от блоков охранно-пожарной сигнализации. Чем эти платы мне приглянулись - почти на всех (выпуск 88-89г) вместо положенных К50-35 1 мкф 100В стоят КМ6 1 мкф.


Гость
Добавлено: 17-03-2013 22:30
релюшки хорошие, однако

мастер
Группа: Участники
Сообщений: 520
Добавлено: 23-03-2013 17:51


Вот такая помоечная находочка. Сохранность – не айс, поэтому дойдут таки до свалки, но с моим участием и несколько позже. А пока это фото – вашему вниманию: вдруг что покажется интересным. Маркировки на многих детальках плохо читаются, поэтому продублирую.
Первый ряд транзисторов, слева направо: П214 IX-73 ВП; П217В I-71; П216 IX 75; П213Б III-77. Второй ряд: КТ903Б III-71; ГТ806Г 0777; КТ802А 0874. Третий ряд: 2Т903БОС IX-78; 2Т903БОС XII-79; КТ902А VIII-73. Четвёртый ряд: П215ВП VIII 67 (звезда на торце); П214ВВП III 67; П701А 10 78.
Столбец других элементов, сверху вниз: '3В3Р70 УЛИ-0,5 0,825ом; TFK AF 134; NRK-5 470K 10%-1 66-3; Д226Б 12-71; В С2-33Р-2 16RJB7 Г.

Гость
Добавлено: 23-03-2013 20:40
.

Мне интересны П215ВП, С2-33Н-2, П214ВП, 2Т903БОС, гт806Г, п213, П2И Резистор на 470к

вошел во вкус
Группа: Участники
Сообщений: 117
Добавлено: 23-03-2013 21:34
.

П2И Резистор на 470к

Не П2И,а П214

Гость
Добавлено: 23-03-2013 21:53
.

П2И Резистор на 470к

Не П2И,а П214

Очепятка произошла

мастер
Группа: Участники
Сообщений: 520
Добавлено: 24-03-2013 17:02

Мне интересны П215ВП, С2-33Н-2, П214ВП, 2Т903БОС, гт806Г, п213, П2И Резистор на 470к


Я говорил об интересе познавательном. Однако, если хотите приобрести, пишите на адрес в моём профиле.

Гость
Добавлено: 24-03-2013 18:30


Я говорил об интересе познавательном. Однако, если хотите приобрести, пишите на адрес в моём профиле.
НУ А ЧТО ТУТ ПОЗНАВАТЬ? транзисторы и резисторы вроде обычные

мастер
Группа: Участники
Сообщений: 520
Добавлено: 24-03-2013 18:50
НУ А ЧТО ТУТ ПОЗНАВАТЬ? транзисторы и резисторы вроде обычные


Я, в соответствии с рангом, "пришёл поспрашивать", поэтому не знаю - обычные детали или нет. Возможно, точки, знак качества, или разный размер шрифта на 2Т903БОС 78 и 79 года интересны, а, может, и нет

знающий
Группа: Участники
Сообщений: 382
Добавлено: 02-04-2013 20:52
Нашел тут на помоечке счетчики тепла


Гость
Добавлено: 03-04-2013 02:37
Нашел тут на помоечке счетчики тепла


МультиКАЛ

магистр
Группа: Участники
Сообщений: 1411
Добавлено: 03-04-2013 10:56
Оно, конечно, мультикал , однако имеет в своем составе высокоточные SMD-разисторы (синего цвета), что уже неплохо

мастер
Группа: Участники
Сообщений: 627
Добавлено: 03-04-2013 16:27
нашел на складской свалке вот зачем стока ромбов
ставить ГТ-906му? на заводе краску девать было некуда?

Гость
Добавлено: 03-04-2013 16:34
нашел на складской свалке вот зачем стока ромбов
ставить ГТ-906му? на заводе краску девать было некуда?

1 завод-изготовитель
2 ВП

мастер
Группа: Участники
Сообщений: 627
Добавлено: 03-04-2013 16:50
1 завод-изготовитель
2 ВП

Мда, с таким логотипом легко и запутатся толи ВП толи не ВП особенно на первом тразисторе который на фотке!

гигант мысли
Группа: Участники
Сообщений: 7902
Добавлено: 05-04-2013 09:12
Недавние находки.
Платы и блок питания от блоков охранно-пожарной сигнализации. Чем эти платы мне приглянулись - почти на всех (выпуск 88-89г) вместо положенных К50-35 1 мкф 100В стоят КМ6 1 мкф.


Денис, - а у вас нет фотографии где эти конденсаторы более крупным планом - так чтоб хорошо читалась маркировка? Платы согласно датировки элементов довольно свежие, поэтому интересно на КМ6 глянуть - из каких запасов их достали..

вошел во вкус
Группа: Участники
Сообщений: 183
Добавлено: 05-04-2013 12:51
Лев,
свежую я взял только одну плату, на ней стоят К10-17. Ее и снял крупным планом для альбома.
А те, что с КМ6, они старые, 88-89 годов, там обыкновенные микрофарадники, ничего необычного. В понедельник доберусь до плат, сфотографирую.

мастер
Группа: Участники
Сообщений: 627
Добавлено: 08-04-2013 16:19
То-ли была где-то тема о перемаркировке то ли нет
Решил сюда кинуть хоть и не на свалке нашел так под руку попалось!Три кондёра перемаркированные.

мастер
Группа: Участники
Сообщений: 773
Добавлено: 09-04-2013 19:46
видео находок.
видео.http://www.youtube.com/watch?v=XO_cyxW9 ... e=youtu.be
видео. http://www.youtube.com/watch?v=dLddSPURzds
видео.http://www.youtube.com/watch?v=PYSsYy6qrZE

мастер
Группа: Участники
Сообщений: 773
Добавлено: 25-10-2013 00:51
Находки за 3 месяца.

из кучи набрал 15 таких плат.


из этой кучи набрал разных плат.

мастер
Группа: Участники
Сообщений: 773
Добавлено: 25-10-2013 01:18
летом был найден чемодан с радиодеталями.

на днях была найдена сумка с радиодеталями.

содержимое из сумки.


магистр тайных сил
Группа: Участники
Сообщений: 1808
Добавлено: 25-10-2013 02:02
летом был найден чемодан с радиодеталями.


Поздравляю. Замечена ВОСХОДовская продукция. Интресно какие названия микросхем(ВОСХОДа)если не секрет ?

магистр
Группа: Участники
Сообщений: 1324
Добавлено: 31-10-2013 03:33
летом был найден чемодан с радиодеталями.

Это ж каким ..... надо быть, чтобы ту "золоторудную" коробку выбросить.

пришел поспрашивать
Группа: Участники
Сообщений: 88
Добавлено: 31-10-2013 09:25
Помер хозяин, а родственнички побыстрому всё на помойку - освобождают хату, чтобы сдать таджикам или продать....постоянно такое вижу.

администратор
Группа: Администраторы
Сообщений: 8045
Добавлено: 31-10-2013 10:26
...постоянно такое вижу.

Что-то давненько вкусненьким не баловал.


Группа: Участники
Сообщений: 0
Добавлено: 31-10-2013 14:46
Помер хозяин, а родственнички побыстрому всё на помойку - освобождают хату, чтобы сдать таджикам или продать....постоянно такое вижу.

Грустновато как-то... С нашими деталями такое же будет?

вошел во вкус
Группа: Участники
Сообщений: 242
Добавлено: 31-10-2013 15:12
Грустновато как-то... С нашими деталями такое же будет?

А это зависит от того в каком духе вы подрастающую смену воспитаете. :-)

пришел поспрашивать
Группа: Участники
Сообщений: 66
Добавлено: 01-11-2013 02:12
какая-то явно "искусственная" мешанина из золотоногих м/схем и транзисторов и жутко ширпотребовских КТ315 ( или КТ361) - относительно фото от ГТ906

мастер
Группа: Участники
Сообщений: 627
Добавлено: 01-11-2013 09:21
какая-то явно "искусственная" мешанина из золотоногих м/схем и транзисторов и жутко ширпотребовских КТ315 ( или КТ361) - относительно фото от ГТ906

Да ничего удивительного в этом нет у меня тоже дипломат ну это такой довольно вместительный плстмасовый кейс из 80х годов, насыпью под завязку забит как золотоногими так незолотоногим ширпотребом, хранит и сортировать по типам и наименованиям у меня нет другой возможности

мастер
Группа: Участники
Сообщений: 627
Добавлено: 01-11-2013 09:23
какая-то явно "искусственная" мешанина из золотоногих м/схем и транзисторов и жутко ширпотребовских КТ315 ( или КТ361) - относительно фото от ГТ906

Да ничего удивительного в этом нет у меня тоже дипломат ну это такой довольно вместительный плстмасовый кейс из 80х годов, насыпью под завязку забит как золотоногими так незолотоногим ширпотребом в том числе КМками и прочими стоящими реле, хранит и сортировать по типам и наименованиям у меня нет другой возможности

мастер
Группа: Участники
Сообщений: 773
Добавлено: 01-11-2013 13:43
находки за неделю.




Видео.http://www.youtube.com/watch?v=Bgke-ncCo8s&feature=youtu.be

http://www.youtube.com/watch?v=AX3ysUeufXI&feature=youtu.be

вошел во вкус
Группа: Участники
Сообщений: 242
Добавлено: 01-11-2013 13:47
находки за неделю.

Самая верхняя плата приемника от трехканального варианта радиостанции Гранит.

гигант мысли
Группа: Участники
Сообщений: 4878
Добавлено: 01-11-2013 17:03
На светофорных платах под радиаторы заглядывал?

мастер
Группа: Участники
Сообщений: 773
Добавлено: 01-11-2013 17:59
На светофорных платах под радиаторы заглядывал?

да заглядывал там 2 полевых транзистора P6NK60ZFP.

пришел поспрашивать
Группа: Участники
Сообщений: 93
Добавлено: 29-11-2013 23:11
Нашел на свалке метеостанцию с проектором и радиодатчик в комплекте.

Видимо бывшему хозяину надоело батарейки менять (2 ААА радиодатчик, 2 АА приемник базы, 2 G13 часы.
После замены элементов все заработало.

вошел во вкус
Группа: Участники
Сообщений: 172
Добавлено: 30-11-2013 11:59
Эх, вот бы Вам проектор от неё спрозектировать, и фотки подробные выложить

мастер
Группа: Участники
Сообщений: 637
Добавлено: 30-11-2013 12:14
Эх, вот бы Вам проектор от неё спрозектировать, и фотки подробные выложить

Поверьте, там ничего интересного нет
:яркий светодиод, дублирующий маленький ЛСД и пластиковая линзочка ... подобные "проектры" ставят даже в упаковки с леденцами (только вместо дисплея маленькая картинка).

вошел во вкус
Группа: Участники
Сообщений: 172
Добавлено: 30-11-2013 18:38
А-а-а, вон оно как А я подумал, что там механическая развёртка и лазерный диод

пришел поспрашивать
Группа: Участники
Сообщений: 93
Добавлено: 30-11-2013 21:14
Разберу еще разок...




Проектор на расстоянии с 2 метров видно только в темноте.


Кстати. В уличном датчике 3 канала, в принципе можно подключать 3 внешних датчика.

Выполнен от довольно добротно, корпус герметичен, на крышке батареек тоже уплотнение.

вошел во вкус
Группа: Участники
Сообщений: 172
Добавлено: 30-11-2013 21:46
Крамультук , спасибо

мастер
Группа: Участники
Сообщений: 627
Добавлено: 03-12-2013 11:43
нашол почти на свалке
помогите опознать что это за мафон был изначально?
внутри мамадорогая чо деится и кстате работает курилка видать правнук Кулибина делал

мастер
Группа: Участники
Сообщений: 773
Добавлено: 03-12-2013 14:54
нашол почти на свалке
помогите опознать что это за мафон был изначально?
внутри мамадорогая чо деится и кстате работает курилка видать правнук Кулибина делал

это ''Томь-401''

мастер
Группа: Участники
Сообщений: 627
Добавлено: 03-12-2013 15:48
спасибо
пойду погуглю, хоть гляну как он выглядел, настоящий))

ps найденная Томь оказалась стерео в отличии от оригинала

мастер
Группа: Участники
Сообщений: 627
Добавлено: 12-12-2013 15:36
Сегодня нашОл полураскуроченный прибор

главный по тарелочкам
Группа: Участники
Сообщений: 2186
Добавлено: 12-12-2013 19:47
Я такой же восстановил-были откушены все км-ки...у Вас все посложней-нет сп5-2 резисторов...вообще неплохой прибор..

мастер
Группа: Участники
Сообщений: 542
Добавлено: 12-12-2013 22:57
Самая большая находка, которая запомнилась - 2009 год, осциллограф С1-79. Найден был на помойке у гаражей. Целый, не раздербаненый, работает до сих пор.

мастер
Группа: Участники
Сообщений: 627
Добавлено: 13-12-2013 08:45
Самая большая находка, которая запомнилась - 2009 год, осциллограф С1-79. Найден был на помойке у гаражей. Целый, не раздербаненый, работает до сих пор.

я тоже находил осцилографы надо глянуть кажется С-79 тоже есть потом С1-68 и парочку С1-69 последние то ли двухканальные то ли двухлучевые генератор находил сейчас сразу и не вспомню примечательно то что всё раздербаненные на драгмет но аккуратно трубки целые ну и всё остальное "малоценное" тоже и это в одном и том же месте видать металлисты где то там окопались в том районе

знающий
Группа: Участники
Сообщений: 382
Добавлено: 13-12-2013 21:00
Эх, а я ни разу не находил осциллографов. Один раз только платы. А щас вообще печальный случай был - у одного чела переезд был, а у него лежали два 65-ых, несколько генераторов, УЗ-ванна и еще по мелочи. Он хотел всё выкинуть, но я сказал что заберу. Потом он даже позвонил - сказал если заберешь, то привезу. Я говорю, что даже сам приеду. Потом пару дней тишина. В итоге я его спрашиваю - так что, можно подъехать-забрать. А он их уже выкинул, типа тяжелые говорит были. Вот не понимаю, нахрен вообще обещать было?
А из интересных находок этой осенью попалась почти мифическая магнитола Riga-120B. Правда в очень печальном состоянии.



ВЧ динамики от него



Индикаторы



Шильдик



Трансформатор



Мелкая плата с откусанными КТ8..



мастер
Группа: Участники
Сообщений: 773
Добавлено: 14-12-2013 23:12
находки за октябрь и декабрь.
видео. http://www.youtube.com/watch?v=63tgmYFZ4YY
http://www.youtube.com/watch?v=PpCgD2r0Sss
радикал фото
радикал фото
[URL=http://radikale.ru/]

мастер
Группа: Участники
Сообщений: 773
Добавлено: 14-12-2013 23:16
радикал фото
радикал фото

мастер
Группа: Участники
Сообщений: 773
Добавлено: 14-12-2013 23:21
радикал фото
радикал фото

вошел во вкус
Группа: Участники
Сообщений: 154
Добавлено: 16-12-2013 01:23
Недавно припарковался около бардюра в городе, смотрю в 10 метрах в ряд выставлены на всеобщее обозрение- приемник транзисторный СОНЬКА,телевизор той же фирмы и регулировочный транс, Латр с встроенным вольтметром. Поскольку никого небыло, понял - на выброс.
Жена не пускает- заминировано... и тд. Телевизор оставил,своих некуда девать, а приемничек оказался с универсальным питанием ,
все КВ диапазоны и СВ. Старый но избирательность и остальное просто суппер. А самая ценная находка это телефонный аппарат
с номеронаберателем фирмы ЭРИКСОН, выкинут с гаражей. На внутреннем бумажном листике со схемой 1932год.Все дедатили были на месте. Реставрировал- корпус покрыл 5 слоями нитролака, гальванику по ново- хром.

пришел поспрашивать
Группа: Участники
Сообщений: 90
Добавлено: 20-12-2013 03:26
Вот такой интересный блочок



Интересные там резисторчики. Хм., зачем они в паре с редуктором? Неужто для более точной настройки?




мастер
Группа: Участники
Сообщений: 627
Добавлено: 26-12-2013 16:20
вот нашОл Болгарина))

Гость
Добавлено: 03-01-2014 09:17
Из моих находок :



Микрушки отправлены Клапапуцию
________________________________________
Это ещё от старой поездки с Vandalik'ом на бывшую в/ч под Репино




_______________________________

















_______________________
Куски ТВ Philips


Гость
Добавлено: 03-01-2014 09:36
Переключалки каналов на PIC. Не работает по 1 каналу.


------------------------------------------






Гость
Добавлено: 06-01-2014 10:22
судя по названию микросхемы это весы, но было высказано предположение что это из какого-то мед. прибора толи генератора ионов толи измерителя тех же ионов... может кто знает откуда эта плата выдрана.


Гость
Добавлено: 06-01-2014 10:55
Видимо,всё-таки весы...

главный по тарелочкам
Группа: Участники
Сообщений: 2474
Добавлено: 06-01-2014 12:10
Из моих находок...

Надо же, ЕС-овские потроха все еще попадаются...

Гость
Добавлено: 06-01-2014 12:57
Этим фоткам уже минимум год...

вошел во вкус
Группа: Участники
Сообщений: 104
Добавлено: 07-01-2014 09:44
судя по названию микросхемы это весы, но было высказано предположение что это из какого-то мед. прибора толи генератора ионов толи измерителя тех же ионов... может кто знает откуда эта плата выдрана.



Иономер И-135. Может позже фото внутренностей выложу.

Гость
Добавлено: 07-01-2014 10:30
О,как

мастер
Группа: Участники
Сообщений: 773
Добавлено: 10-01-2014 00:06
мои находи за 6-7 января.




мастер
Группа: Участники
Сообщений: 773
Добавлено: 10-01-2014 00:30
мои находи за 6-7 января.

"Электроника" СМ6337 матричный 9-ти игольчатый, формата А3. Если что :)
Кроме вот той квадратной платы с ножевым соединителем. И того, что под ней, видимо.

две одинаковы платы.

Гость
Добавлено: 10-01-2014 00:59
Варвары раздолбали Ленинград-006, состояние видимо было очень даже ничего, но увы корпус в крошку, даже ручки были сильно разворочены... все что от него осталось...


Гость
Добавлено: 12-01-2014 02:10
Ну хоть раз бы попался комплектный советский приемник, этот вот просто валялся на асфальте, уже без задней части корпуса, а внутри все на месте...


мастер
Группа: Участники
Сообщений: 790
Добавлено: 12-01-2014 02:14
Вадим, есть на форуме такая тема: "Бытовая РЭА". - http://offtop.ru/dustyattic/v1_720390_9_.php
Вот туда бы Вам скидывать всё это!

Гость
Добавлено: 12-01-2014 02:26
Это конечно не та тема для обсуждения, но все таки... Поиск по форуму никак не организован, каталоги отсутствуют иногда бывает сложно определить в какую тему нужно размещать свои сообщения, и есть ли такая тема вообще, приемник Россия 303, действительно был найден. И он не редкость на просторах интернета, а на дороге такая вещь встречается гораздо реже, поэтому я принял решение что все таки ему место именно сдесь. А в теме про бытовую РЭА лучше уж размещать, красивые фото, комплектных устройств.

администратор
Группа: Администраторы
Сообщений: 8045
Добавлено: 12-01-2014 11:46
Поиск по форуму никак не организован, каталоги отсутствуют иногда бывает сложно определить в какую тему нужно размещать свои сообщения, и есть ли такая тема вообще


Поиск по форуму находится здесь: http://museumrza.ru/info/poisk.html, за что Никите большое спасибо! Другим способом его не организовать, движок старый и не модернизируется.

Гость
Добавлено: 21-01-2014 01:43
Микрокалькулятор МК-44 найден в слое влажной грязи в одном из подвалов, жижа была даже внутри, еле отмыл, просушил. К моему удивлению он даже включился, бытовуха оказалась не хуже военной)))

На фото видно переключатели съела ржавчина, силовой трансик тоже изрядно пострадал...

мастер
Группа: Участники
Сообщений: 627
Добавлено: 23-01-2014 17:21
остатки какой то древней АТС


мастер
Группа: Участники
Сообщений: 773
Добавлено: 26-01-2014 22:35
мои находи за выходные.
http://vk.com/dom2tv
http://vk.com/dom2tv
http://vk.com/dom2tv

[URL=http://radikale.ru/]
http://vk.com/dom2tv



главный по тарелочкам
Группа: Участники
Сообщений: 2474
Добавлено: 26-01-2014 22:36
мои находи за выходные.

То, что в правом нижнем углу, так понимаю, резистор?

мастер
Группа: Участники
Сообщений: 773
Добавлено: 26-01-2014 23:13
http://vk.com/dom2tv
Два Аппарата инверторные РЕСАНТА после бомжей.
http://vk.com/dom2tv
http://vk.com/dom2tv

мастер
Группа: Участники
Сообщений: 773
Добавлено: 26-01-2014 23:15
мои находи за выходные.

То, что в правом нижнем углу, так понимаю, резистор?

да резистор.

главный по тарелочкам
Группа: Участники
Сообщений: 2186
Добавлено: 27-01-2014 00:10
прикольно..даже телетест "ласпи-тт-01" нашелся..

главный по тарелочкам
Группа: Участники
Сообщений: 2542
Добавлено: 27-01-2014 00:11
Ну и свалки у вас... Склад для радиолюбителя. У нас бы давно расташщили на металл.

Гость
Добавлено: 29-01-2014 00:16
Вот сегодня такую коробенцию нашел :



Гость
Добавлено: 29-01-2014 00:27
Термостатированный кварц?

Гость
Добавлено: 29-01-2014 00:37
Ага, причем датчик - миниатюрный ртутный термометр настроенный на нужную температуру местом вплавления контакта. Когда до контакта столбик ртути дойдет, то потекший по нему ток где-то снаружи отключит реле и прекратит нагрев.

На кварце 69 год, а теплоизоляций -то сделана не минватой, не пенопластом - а толстенным войлоком.

Частота 54 кГц... интересно от чего это ?

вошел во вкус
Группа: Участники
Сообщений: 154
Добавлено: 29-01-2014 01:02

Да, свалка конечно фантастическая!
По своему "богатству", с ней могли бы конкурировать только несколько наших свалок в 2006-м году, когда шел интенсивный разгром нашего бывшего НПО.



Нечто подобное было и у нас. Но самое интересное появилось после разгрома, когда бывшие военные организовали добычу золота из останков самолетов, ракет и прочих штучек- свозили со всей Украины. Вначале выкидывали в контейнеры почти все- серебро их даже не интересовало. Чего там только небыло... И никакого запаха...Все кончилось. Вообще бывают невероятные места находок. Пошел за маслятами в лес, а под сосной ведро пальчиковых ламп-
ближайший населенный пункт за 4 км...

мастер
Группа: Участники
Сообщений: 773
Добавлено: 05-03-2014 00:44
пришла весна вот весение находки.
Фотографии удалены. Читайте правила форума от 10.02.2014. Админ.

гроссмейстер
Группа: Участники
Сообщений: 1003
Добавлено: 05-03-2014 01:08
Целая материнка от ПОИСКА - круто

мастер
Группа: Участники
Сообщений: 773
Добавлено: 11-03-2014 18:32
находки за выходные.

главный по тарелочкам
Группа: Участники
Сообщений: 2259
Добавлено: 11-03-2014 18:52
Хорошие платы от ВМ-12-го. Давно такие для своего ищу.

мастер
Группа: Участники
Сообщений: 773
Добавлено: 12-03-2014 00:13

администратор
Группа: Администраторы
Сообщений: 8045
Добавлено: 12-03-2014 00:34
ГТ906 приятно иметь дело с адекватными людьми, которым не нужно объяснять что из-за чего! ГТ906, репект!

мастер
Группа: Участники
Сообщений: 627
Добавлено: 11-04-2014 09:19
Как то давно нашел зафотал а только сейчас фотка под руку попала))
тогда позарился на мериканские кондёры 2500мкф на 450вольт
плата видать от бесперибойника типа АРС

мастер
Группа: Участники
Сообщений: 956
Добавлено: 11-04-2014 17:39

Что это?

Гость
Добавлено: 12-04-2014 10:29
Смахивает на блок управления шаговым 3/6 фазным двигателем или синхронником высокоскоростным.

мастер
Группа: Участники
Сообщений: 956
Добавлено: 12-04-2014 11:10
Смахивает на блок управления шаговым 3/6 фазным двигателем или синхронником высокоскоростным.

Ну типа того,а если бы точнее.На пункте приема металлолома выклянчил.
А что это сопротивления синие,нигде такие не попадались.

гигант мысли
Группа: Участники
Сообщений: 4878
Добавлено: 12-04-2014 14:16
А что это сопротивления синие,нигде такие не попадались.

Р1-7 или С2-33

вошел во вкус
Группа: Участники
Сообщений: 154
Добавлено: 12-04-2014 21:33
В принципе - аналог МЛТ.

вошел во вкус
Группа: Участники
Сообщений: 169
Добавлено: 14-04-2014 00:23
Вот такая находка прямо в день космонавтики

Фото удалено. Читайте правила. Админ.

гигант мысли
Группа: Участники
Сообщений: 7902
Добавлено: 14-04-2014 08:45
Вот такая находка..


crona - обратите внимание на пункт 4й (запрещающий) правил форума - http://offtop.ru/dustyattic/rule.php

Гость
Добавлено: 28-04-2014 09:33
Вот не смог пройти мимо, уж больно ручка ярко светилась на солнце, поднял повертел, часть деталей выломали железячники, хотел выкинуть, но заинтресовал многопозиционный переключать, ну и микросхема под радиатором, уж больно нестандартно у нее расположены ножки...
Как оказалось вся плата залита компаундом, все выполнено очень добротно, кнопки и панели на защелках, все снимается и разбирается очень легко, без усилий, сломать что либо очень сложно, вот только плата в случае отказа неремонтопригодна, как оказалось она имеет двухсторонний монтаж...


Переключатель оказался довольно таки миниатюрным, индикатор обычный



Чтобы добратся до винтов крепящих радиатор к микросхеме, пришлось рассверлить основание с обратной стороны... взору открылась микросхема без опознавательных знаков, в корпусе которого я не разу не встречал...



Плата скорее всего от стиральной машины производства LG, номер на плате 6870EC9082B TZAR (DD) - PJT.

администратор
Группа: Администраторы
Сообщений: 8045
Добавлено: 28-04-2014 10:02
Переключатель оказался довольно таки миниатюрным...

Это ЭНКОДЕР.

мастер
Группа: Участники
Сообщений: 773
Добавлено: 28-04-2014 12:57
погода была не летная вот такая находка прибор на пломбах.

главный по тарелочкам
Группа: Участники
Сообщений: 2186
Добавлено: 28-04-2014 13:00
хорошая находка.. завидую белой завистью..и при каких обстоятельствах его нашли?

мастер
Группа: Участники
Сообщений: 773
Добавлено: 29-04-2014 00:56
хорошая находка.. завидую белой завистью..и при каких обстоятельствах его нашли?

это вечерний обход помоек подходил к контейнерам уже было томно там лежала на земле куча одежды и на ней увидел что то лежит похоже на видеомагнитофон оказалось чудо находка.


магистр тайных сил
Группа: Участники
Сообщений: 1808
Добавлено: 29-04-2014 11:05
Фоторепортаж про утилизацию.Акция ЭЛЬДОРАДО

http://www.chaskor.ru/article/utilizatsiya_staroj_tehniki_31527

Гость
Добавлено: 29-04-2014 12:26
Фоторепортаж про утилизацию

Знакомо. У нас тоже такие акции проходят.Я договорился с одним человеком и он мне кое-что отдает по 50 руб единица. Чего только не привозят в магазин. Придешь на задний двор и душа поет. Выбирай, что душе угодно. Хорошая штука утилизация. Я первый раз с дуру набрал себе ЖК телевизоров с нерабочими матрицами, теперь вот репу чешу, а нахрена они мне. А вообще-то люди несут старые компы, ВМки, всякую измериловку.

мастер
Группа: Участники
Сообщений: 773
Добавлено: 29-04-2014 15:52
Фоторепортаж про утилизацию

Знакомо. У нас тоже такие акции проходят.Я договорился с одним человеком и он мне кое-что отдает по 50 руб единица. Чего только не привозят в магазин. Придешь на задний двор и душа поет. Выбирай, что душе угодно. Хорошая штука утилизация. Я первый раз с дуру набрал себе ЖК телевизоров с нерабочими матрицами, теперь вот репу чешу, а нахрена они мне. А вообще-то люди несут старые компы, ВМки, всякую измериловку.

мне как раз нужны платы от жк телеков

Гость
Добавлено: 29-04-2014 17:22
как раз нужны платы от жк телеков

Во первых от каких, но главное у меня это почта. Ну не могу я с ней подружится никак. И это нагнетает на меня печальку. Мне уже иногда стыдно что-то показывать раз я не могу сделать потом добро человеку.
И еще ГТ906 только от теликов или мониторы тоже.

мастер
Группа: Участники
Сообщений: 773
Добавлено: 29-04-2014 19:27
как раз нужны платы от жк телеков

Во первых от каких, но главное у меня это почта. Ну не могу я с ней подружится никак. И это нагнетает на меня печальку. Мне уже иногда стыдно что-то показывать раз я не могу сделать потом добро человеку.
И еще ГТ906 только от теликов или мониторы тоже.

мне только от теликов хотя бы на писали бы модели телеков мне и скинули бы на эл почту почта майл kOREH2007@yandex.ru
почту

зашел на огонёк
Группа: Участники
Сообщений: 2
Добавлено: 30-04-2014 15:18
Здравствуйте. Принимайте новичка на вашем форуме :)
Почитал тему, залил всю комнату слюнями!!!
В общем решил вспомнить детство )) Пойду сегодня прогуляюсь по злачным местам ))

мастер
Группа: Участники
Сообщений: 790
Добавлено: 30-04-2014 16:16
IvanSusanin, добро пожаловать, и желаю удачи в нашнм "нелёгком деле"!

А я вот как раз тоже, как-то на днях проходил мимо одной кучки мусора.


Гость
Добавлено: 30-04-2014 17:14
мне только от теликов и скинули бы на эл почту

ОК! но зачем только это, жил бы в Кирове я бы тебе целые привез, а так почта. Опять 25.

Эти фотографии показываю не для хвастовства, а как руководство к действию многих кто хотел-бы на халяву расжиться чем ни-буть современным и не только.
Эти две коробки я купил сегодня за 300 руб, а именно 10руб за кг. Все просто до опупения. Я пришел в фирму где ремонтируют компы и за разговорами спросил куда "портки" деваете.Ну и между делом сказал, что куплю почти все(что понравится) за 10 руб кг. Ребята быстро нагребли две коробки+ бонус системник в сборе. Я с довольной харей и они на 1 мая пиваса попьют. Причем все законно. Оказывается они давно все на свалку отправляли, а тут им еще и денег предложили.

Таким же макаром и магазин "штурмуют"

Гость
Добавлено: 30-04-2014 19:40
Ну и зачем оно надо, если с 99% вероятностью это полу-трупы? Ремонт может обойтись куда дороже. Если только дербанить по частям, но с той же материнки ничего особо полезного, кроме силовых ключей, моточных и конденсаторов, и не снимешь.

зашел на огонёк
Группа: Участники
Сообщений: 2
Добавлено: 30-04-2014 20:04

Эти фотографии показываю не для хвастовства, а как руководство к действию многих кто хотел-бы на халяву расжиться чем ни-буть современным и не только.


Ну компового барахла у меня у самого хватает (раньше занимался их ремонтом). Да и в мастерской и правда, там не то что "полу-трупы" там скорее всего купишь уже совсем копанные-перекопанные или бесперспективные изначально.

Сходил прогулялся пару часиков, на тех местах где в детстве находил много прикольных штук... Сейчас там окромя разбитых в хлам телеков ничего нет :(

мастер
Группа: Участники
Сообщений: 773
Добавлено: 30-04-2014 22:01
Ну компового барахла у меня у самого хватает (раньше занимался ремонтом блоков питания и материнки тоже ремонтировал час компы часто нахожу на помойках и на свалках.
вот сфотографировано на свалке в начале апреля.

Гость
Добавлено: 01-05-2014 01:01
Ну и зачем оно надо, если с 99% вероятностью это полу-трупы?

Согласен эти платы все убитые. Но почти все на этом форуме знают как с этим правильно поступить.
Как тут сказали знающие люди "все мы маргиналы на этом форуме в той или иной степени"

пришел поспрашивать
Группа: Участники
Сообщений: 46
Добавлено: 01-05-2014 01:38
Ну компового барахла у меня у самого хватает (раньше занимался ремонтом блоков питания и материнки тоже ремонтировал час компы часто нахожу на помойках и на свалках.
вот сфотографировано на свалке в начале апреля.


да уж печальное зрелище

Гость
Добавлено: 24-05-2014 14:40


Часть разностей найденных на свалке, приведу в порядок железяки и если будет у кого желание то выложу фотки внутренностей в соответствующих темах.

гигант мысли
Группа: Участники
Сообщений: 4878
Добавлено: 24-05-2014 16:10
CD-плеер PIONEER с двумя приводами интересно было бы посмотреть

мастер
Группа: Участники
Сообщений: 627
Добавлено: 26-05-2014 13:19
Выбрасывал мусор а там рядом лежала стопочка старинных книг!
Подобрал)))

главный по тарелочкам
Группа: Участники
Сообщений: 2186
Добавлено: 26-05-2014 14:07
Прошу простить за оффтоп-нет ничего хуже,чем выбрасывание книг немцы книги на спирт меняли для деградации населения в ВОВ..вот кстати много интересных для нас книг таким образом уходит в небытие...жаль...А уважаемому TURBO-респект!

вошел во вкус
Группа: Участники
Сообщений: 242
Добавлено: 26-05-2014 17:52
Выбрасывал мусор а там рядом лежала стопочка старинных книг!
Подобрал)))

Ну не такие уж они и старинные.... :-)

мастер
Группа: Участники
Сообщений: 627
Добавлено: 26-05-2014 18:15

Ну не такие уж они и старинные.... :-)


Как сказать, как сказать
Прошлое тысячилетие это раз, прошлое столетие это два
а три это то что там ещё были и другого жанра книги ну например избранные сочинения Некрасова издания 1947г, много интересных открыток 50х-60х годов книги о кино и прочее я ещё всё не разбирал

мастер
Группа: Участники
Сообщений: 773
Добавлено: 29-05-2014 20:59
на свалке,

мастер
Группа: Участники
Сообщений: 773
Добавлено: 29-05-2014 20:59

магистр
Группа: Участники
Сообщений: 1324
Добавлено: 30-05-2014 06:13
на свалке,


Кто-нибудь напомнит тип разъемов и других, им подобных? Больше всего интересуют четырех контактные.

администратор
Группа: Администраторы
Сообщений: 8045
Добавлено: 30-05-2014 09:04
на свалке,


Кто-нибудь напомнит тип разъемов и других, им подобных? Больше всего интересуют четырех контактные.


2РМГ:
2РМГ
http://www.chipdip.ru/product-photo/2rmg14b4sh1e2b/

магистр
Группа: Участники
Сообщений: 1324
Добавлено: 30-05-2014 13:12
mretro, большое спасибо, а то все извилины в паутину сплелись, пока пытался вспомнить.

знающий
Группа: Участники
Сообщений: 352
Добавлено: 30-05-2014 17:49
Часть разностей найденных на свалке, приведу в порядок железяки и если будет у кого желание то выложу фотки внутренностей в соответствующих темах.

Что за часики? Электроника Г9-02?

мастер
Группа: Участники
Сообщений: 773
Добавлено: 30-05-2014 18:01
все блоки не разборные запаяны пришлось их пилит болгаркой.

пришел поспрашивать
Группа: Участники
Сообщений: 72
Добавлено: 30-05-2014 19:14
РЭС48Б странно закреплено

знающий
Группа: Участники
Сообщений: 446
Добавлено: 30-05-2014 20:30
ГТ906, страшно смотреть на болгарку без защиты. Зачем так рискуете?

От чего эти запаянные блоки??


Гость
Добавлено: 31-05-2014 02:36
Назначение блоков - исходя из их функциональности :
фильтры кварцевые, малопотребляющая логика, разрядники -
аппаратура частотного ( импульсного ) телеуправления удаленным объектом, явно мобильная. Может быть модемом старенького БПЛА ?
*
Интересно, драгоценные К52-1М подменили при производстве или настройке ?
И пластиковые транзисторы заметны - значит, не космическое точно.
Позорно выглядят К50-24 - они не рекомендованы к применекнию года так с 1985.

Гость
Добавлено: 31-05-2014 11:12
Часть разностей найденных на свалке, приведу в порядок железяки и если будет у кого желание то выложу фотки внутренностей в соответствующих темах.

Что за часики? Электроника Г9-02?
Да это часы Г9-02, после приведения в порядок выяснилось, что они имеют небольшие царапины, корпус целый без дефектов, все на месте. Включились сразу, тикают, точность хода не проверял, яркость индикаторов вполне приличная. Несмотря на распространённость данных часов, считаю находку вполне удачной.




мастер
Группа: Участники
Сообщений: 773
Добавлено: 31-05-2014 11:53
ГТ906, страшно смотреть на болгарку без защиты. Зачем так рискуете?

От чего эти запаянные блоки??


Сам не знаю От чего эти запаянные блоки их подобрал на свалке там
их лежало шт 30.

главный по тарелочкам
Группа: Участники
Сообщений: 2474
Добавлено: 31-05-2014 12:10
на свалке,

Вот вам ответ: от чего эта аппаратура.

Гость
Добавлено: 05-06-2014 06:22
Наиболее интересные находки за май... МФУ весь улит краской, внутри была опрокинута бутыль с черной заразой, жуткая штука ели отмыл руки от нее, МФУ оказался не рабочий, сканер без блока питания, пойдет на запчасти. Лампы и мелочевка в большом количестве были вдавлены в землю, множесто разбитых ламп, это все что уцелело, в основмном теле и радиолампы, еще была вперемешку с грязью нехилая куча транзисторов серий П, МП и микросхем - "чернушек" конца 80 годов. Часы рабочие но глючные. Стрелочники прихватил за компанию, жаль отправлять в металлолом, мож когда и сгодятся. Компьютерные платы мало кого интересуют, но иногда попадаются реальные штучки...



Более всего привлекли платы от какого то отечественного телевизора 90ых годов, удивило что на нем стоял импортный высоковольтный трансформатор строчной развертки, никогда прежде не встречал такого, всегда попадались только с нашими ТВСами... часть деталей выломаны вандалами...



И плата от принтера "эпсон", удивило исполнение катушек, они очень похожи по форме на электролитические конденсаторы, интересно можно ли по надписям определить их индуктивность...



Фотки внутренностей железяк и отдельных плат можно будет выложить в соотвествующих темах по желанию пользователей ресурса...

мастер
Группа: Участники
Сообщений: 773
Добавлено: 05-06-2014 11:59
находки за май.
[/url [url=http://itmages.ru/image/view/1702740/d6e2feed]

мастер
Группа: Участники
Сообщений: 773
Добавлено: 05-06-2014 12:12

мастер
Группа: Участники
Сообщений: 773
Добавлено: 05-06-2014 12:24

гигант мысли
Группа: Участники
Сообщений: 4878
Добавлено: 05-06-2014 15:27

Интересно, а что-за оранжевые транзисторы в корпусе КТ-26 (ТО-92), что-то в таком цвете не встречались.

вошел во вкус
Группа: Участники
Сообщений: 231
Добавлено: 05-06-2014 16:53

Плата от КВ радиостанции "Карат-2", совсем первых выпусков (я думал ее где-то в 83-м начали делать, а тут 81-й...).

Гость
Добавлено: 06-06-2014 02:20

Более всего привлекли платы от какого то отечественного телевизора 90ых годов, удивило что на нем стоял импортный высоковольтный трансформатор строчной развертки, никогда прежде не встречал такого, всегда попадались только с нашими ТВСами... часть деталей выломаны вандалами...



Фотон-301 - первый серийный ТВ с ТДКС (ТДКС-8 или ТДКС-9 зовется), если не считать гибридов от МС6105+внешний ТВ тюнер

А тут стоит неродной (ибо родных на замену небыло ВООБЩЕ) ТДКС, родной заметно крупнее.

Гость
Добавлено: 07-06-2014 10:24
еще была вперемешку с грязью нехилая куча транзисторов серий П, МП и микросхем - "чернушек" конца 80 годов. Часы рабочие но глючные.
не давали покоя мне эти микрушки, вернулся, и расстроился кто то их почти все выколупал, да ладно думаю, значит не мое)))) Но свалка, на то и свалка, в общем мусору там не убавляется, такая находка первый раз....


Гость
Добавлено: 08-06-2014 14:10
ГТ906, страшно смотреть на болгарку без защиты. Зачем так рискуете?

От чего эти запаянные блоки??


Это ИКМ-овские усилители от НУП или НРП. Фильтры/телеметрия/усилители/источник питания соответственно)

Гость
Добавлено: 11-06-2014 01:20
ГТ906, страшно смотреть на болгарку без защиты. Зачем так рискуете?

Просто человеку еще ни разу не делали обезболивающий наркоз на глаза чтобы срезать окалину с роговицы глаза от сие дьявольского инструмента.

мастер
Группа: Участники
Сообщений: 773
Добавлено: 12-06-2014 13:32
находки подошел куче набрать коробок из под материнок лежит три платы деле решил копнут кучу в середине целый арсенал плат.

мастер
Группа: Участники
Сообщений: 773
Добавлено: 12-06-2014 13:42

главный по тарелочкам
Группа: Участники
Сообщений: 2542
Добавлено: 12-06-2014 15:05
В первом сообщение - что за белые микросхемы, прижатые к плате чернёными пластинами ?
Второе - две платы с розовыми микросхемами памяти, одна даже в пакете - что за тип ?

И, уважаемый, вы живёте рядом со странными людьми - выбрасывают такие фетишные изделия на свалку!

мастер
Группа: Участники
Сообщений: 773
Добавлено: 12-06-2014 15:34
В первом сообщение - что за белые микросхемы, прижатые к плате чернёными пластинами ?
Второе - две платы с розовыми микросхемами памяти, одна даже в пакете - что за тип ?

И, уважаемый, вы живёте рядом со странными людьми - выбрасывают такие фетишные изделия на свалку!

розовые к565ру1. а белые к507ру1.

магистр
Группа: Участники
Сообщений: 1324
Добавлено: 12-06-2014 18:59


Я в эту тему захожу окончательно настроение испортить, от таких фотографий, прекрасных коллекционных экземпляров, меня просто наизнанку выворачивает.

Гость
Добавлено: 12-06-2014 19:09
Где только люди такие свалки находят

Ну и я сегодня емею, чем похвастаться - иду гляжу - лампа лежит - посмотрел - оппа - 6Е3П....посмотрел получше - а фих там импортный аналог нашей 6Е3П - EM-84 - уж простите за хреновые фото - попозже сделаю получше.



Интересная история наверное у нее - приехала в СССР в каком-нибудь радиоприемнике из Восточной Европы служила верой и правдей, потом приемник попал на антресоли, а оттуда на помойку, где был безжалостно разбомжован ради 10 грамм меди из обмоток трансформаторов, а лампа спаслась - вовремя выпала, да не разбилась.


К сожалению - лампа почти потеряла вакуум и скорее всего запустить ее не удасться.

Тем не менее менябельна.

мастер
Группа: Участники
Сообщений: 790
Добавлено: 12-06-2014 19:24
.. от таких фотографий, прекрасных коллекционных экземпляров, меня просто наизнанку выворачивает.

Да-а!! Я такую красоту себе в коллекцию - готов бы и за деньги купить! Вот только в последние годы, в таком идеальном состоянии, платы не попадаются даже у знакомых драгметаллистов!

мастер
Группа: Участники
Сообщений: 773
Добавлено: 13-06-2014 17:07
нашел пакет транзисторов.

гигант мысли
Группа: Участники
Сообщений: 4878
Добавлено: 13-06-2014 20:10
нашел пакет транзисторов.

Внизу затесался болгарский мостик В2М1-5 - 100В 5А

Гость
Добавлено: 16-06-2014 19:03
У нас почти не попадаются промышленные фетишные платы, зато в этот раз жуть как порадовала бытовуха, особливо приглянуля коммодор внешне ну почти в идеальном состоянии, я его вначале за видик принял и чуть было мимо не прошел, завтра пойду искать пульт от него, ибо не знал че эта штуковина идет с дистанционкой...

Гость
Добавлено: 20-06-2014 19:36
Иду я значит мимо мусорки, а там... Радиола немецкая Stern 9R81. Состояние конечно плачевное. Только шасси, да и то с выдранными трансами.. На компонентах 47-49 года!

мастер
Группа: Участники
Сообщений: 773
Добавлено: 24-06-2014 20:26
находки за выходные.нашел вот такое табло снял с него 6 плат.

мастер
Группа: Участники
Сообщений: 773
Добавлено: 24-06-2014 20:34
остатки разбомжованого монитора.

гроссмейстер
Группа: Участники
Сообщений: 1120
Добавлено: 24-06-2014 20:48
находки за выходные.нашел вот такое табло снял с него 6 плат.


Это часы с днем недели на газоразрядных лампах. Наверняка можно восстановить.

знающий
Группа: Участники
Сообщений: 446
Добавлено: 24-06-2014 22:45
находки за выходные.нашел вот такое табло снял с него 6 плат
А кварца там не было? Не уж то на нем сэкономили

Гость
Добавлено: 29-06-2014 10:46
особливо приглянуля коммодор

Наконец то я его распотрошил, итак Commodore CD-1000 (CDTV), сделан в японии, рабочий, по крайней мере диски берет, изображение выводит, но играть отказывается, наверно этой древности нужен какой то свой формат. Толкового описания найти нигде неудалось, на русском как то савсем скупо с документацией, вернее ее совсем нет. Вобщем монстр какойто для свего времени)))


администратор
Группа: Администраторы
Сообщений: 8045
Добавлено: 29-06-2014 12:39
По мне так вполне достаточно информации на русском: http://ru.wikipedia.org/wiki/Amiga_CDTV

Весьма раритетная штучка.

Гость
Добавлено: 01-07-2014 21:05
Мелочь по сравнению с предшественниками, но всё же по теме. Тут собственно уже результат переборки крошева из плат бытовой техники в объеме огромного пакета из супермаркета. Всё было найдено в заброшенной недостроенной многоэтажке...


мастер
Группа: Участники
Сообщений: 773
Добавлено: 02-07-2014 23:56
находки за выходные дни.

пришел поспрашивать
Группа: Участники
Сообщений: 11
Добавлено: 03-07-2014 01:32
находки за выходные дни.


БК0010... Процессор в золоте выдрали...

мастер
Группа: Участники
Сообщений: 868
Добавлено: 03-07-2014 06:32


БК0010... Процессор в золоте выдрали...


Нет, процессор там на месте, пластиковый "КР", под ним ещё радиатор погнутый, а выдрали ИР12

Гость
Добавлено: 05-07-2014 20:29
Суббота прошла успешно, к коробке с железяками еще приложилось полсотни материнок и всяких других плат, киповских приборов тоже кучка, фотки возможно положу позже их надо в порядок приводить, а вот ВЭФ жалко, состояние плачевное, его фотку для комплектности приложил, этот приемник еще по весне нашел вместе с метровой плазмой, кою еле дотащил до дому...)))


А так же попался уже раскуроченный проигрыватель, движек у него прикольный тонкий, акромя как в некоторых касетниках не втречал таких двигателей, но там они миниатюрные а тут размерчик явно не нулевой...


пластинки бы кому подарить, пересылка наверно станет дороже чем этот винил, видимо придется выкинуть, эх...

главный по тарелочкам
Группа: Участники
Сообщений: 2186
Добавлено: 05-07-2014 21:02
Ария-102 стерео..знакомый до боли аппарат..с прямым приводом..Увлекаясь диджеингом за неимением лучшего аппарата для кручения пластинок пытался вытянуть мощность двигателя за счет замены транзисторов токового усилителя...заодно выкинул из него долбанный автостоп,который портил всю "малину"..аппарат так себе..меломану в самый раз..

мастер
Группа: Участники
Сообщений: 773
Добавлено: 07-07-2014 20:16
находки за выходные дни.

мастер
Группа: Участники
Сообщений: 773
Добавлено: 12-07-2014 21:51
находки сегодня.

гигант мысли
Группа: Участники
Сообщений: 7902
Добавлено: 13-07-2014 02:37

ГТ906
находки за выходные дни.


большая квадратная плата - это мультиметр цифровой ВР-11 (А)
http://www.avito.ru/chelyabinsk/audio_i_video/multimetr_vr11a_322591889
у моего брата есть такой (ВР-11А), только в центре платы нет планарной микросхемы и круглого операционного усилителя - все микросхемы в пластмассовых корпусах. Видимо объяснение в дате - брата примерно 1990й год, а тут середина 80х..

гигант мысли
Группа: Участники
Сообщений: 4878
Добавлено: 13-07-2014 11:15
находки сегодня.

Г4-153 удачная находка!

мастер
Группа: Участники
Сообщений: 536
Добавлено: 25-07-2014 18:39
Бытовуха-фото
умышленно без резкости

мастер
Группа: Участники
Сообщений: 804
Добавлено: 30-07-2014 11:59
ГТ906, страшно смотреть на болгарку без защиты. Зачем так рискуете?

Просто человеку еще ни разу не делали обезболивающий наркоз на глаза чтобы срезать окалину с роговицы глаза от сие дьявольского инструмента.

Если человек в очках, то не очень страшно, прищуриваешься только. Меня один раз очки спасли от искр в результате короткого в электрощитке. А по хорошему, кожух не сколько глаза защищает, сколько пальцы:)

мастер
Группа: Участники
Сообщений: 773
Добавлено: 30-07-2014 18:11
находки за выходные.

Гость
Добавлено: 04-08-2014 17:32
поход по злачным местам)))




И ище куча всякой мелочи)))

вошел во вкус
Группа: Участники
Сообщений: 242
Добавлено: 04-08-2014 20:05
поход по злачным местам)))

http://itmages.ru/image/view/1822844/dce2f460

И что, магнитофон прямо с паспортом был? :-)

администратор
Группа: Администраторы
Сообщений: 8045
Добавлено: 04-08-2014 20:28
поход по злачным местам)))
И ище куча всякой мелочи)))

Ребята, я вам завидую. У нас теперь можно добыть только древнее авто типа Жигули или Москвич. Всю радиотехнику приватизировали таджики, за что им большое спасибо!

Гость
Добавлено: 04-08-2014 20:49
поход по злачным местам)))

http://itmages.ru/image/view/1822844/dce2f460

И что, магнитофон прямо с паспортом был? :-)
Да паспорт был внутри под крышкой, хотя сам магнитофон вскрывался, потеряно часть винтиков крепления, но внутри вроде как все на месте. Магнитофон не включается. Приборы были в одном ящике вместе с конденсаторами и резисторами, там была еще куча всякой мелочи, все забрать было нереально. Вольтметр опломбирован и кстати уже четвертый за два года, непонятно откуда они всплывают. Осцил вскрыт но рабочий, правда полоса уплыла вправо и не выводится. Видик раздолбан, если добираются бомжи то выламывают все медное, отрывают шнур тоже на медь, весы включаются показывают и даже взвешивают, нет гирь чтобы проверить. Ионизатор отремонтировал, типерь займет свое место на полке дома... Электроники викидывают кучу, но обычно приходишь к шапочному разбору, все раздолбано и раскурочено

Гость
Добавлено: 10-08-2014 17:14
Вот такое чудо сегодня в пакете выставили на местную мусорку, очень жаль что так сильно разрушен корпус, часть элементов корпуса отсутствует, поэтому не склеить(((. Зато электроника в прекрасном состоянии, разве что один из двух ферритов сломан, но это мелочь! Зато ручки и антена на месте. Может быть когда нибудь представится шанс восстановить его. )))
Радиоприемник "Меридиан" по деталям 1970г. выпуска (шильдик плохо читаем)



Гость
Добавлено: 21-08-2014 21:22
Сходил за арбузом - принес генератор Г3-118. Рабочий, но кто-то уже разбирал - пломбы битые. Внутри все на месте. Как провести профилактику? Буду применять по назначению.

мастер
Группа: Участники
Сообщений: 956
Добавлено: 21-08-2014 21:48
МЕРИДИАН.
Зато электроника в прекрасном состоянии, разве что один из двух ферритов сломан, Это у него что ли за счет двух магнитных антенн достигнуты уникальные характеристики по зеркальному каналу?

Гость
Добавлено: 29-08-2014 19:51
Ну что же, августовские вечерние вылазки, можно сказать прошли весьма успешно...
Никак не иссякает источник советского наследия, кучи разбомбленного металлолома служат источником пропитания для великого множества людей, а для меня источником фетишных штучек кои раз в квартал составляют весьма неплохую прибавку к зарплате...


итак СКМ, СКД, ПТК... желтые транзисторы и лампы, ну и всякая мелочевка...


майфун Вега РМ-251С, видать многое повидал)))


цельная коробка со всякими журналами, книгами, схемами, и различной документацией, еще не все разобрал, но как мне кажется это наиболее интересные вещи, на дне была небольшая кучка радиодеталей, вполне обычных...


Компьютерная комплектуха это вообще отдельная тема, выкидывают все, и старье и новье, все чаще всего не рабочее, но встречаются исключения, в этот раз видимо кто-то подчистил чьюто кладовку ибо добровольно от такого врядли кто избавится... Наиболее интересные из великого множества)))



прочие единичные находки...

Гость
Добавлено: 30-08-2014 01:18
Я как-то писал про утилизацию бытовой техники. Вот на днях получил, как "бонус" с телевизорами и микроволновками. Гражданин видать его уронил и разбил внешнее стекло, а потом решил его сдать, что бы получить скидку на новый телевизор.В умелых руках с газовой горелкой все стеклышки были удалены. Ну а телик подарен ребенку на радость. Как понимаете ему всего полгода поэтому имеет неплохой набор функций, а главное 9000 тыров сэкономил.


Тоже приятное приобретение 2 мешка "электроник". И еще "МКШ"-калькуляторы школьные. Сами понимаете школы все старье на свалку утилизируют. И тут главное поймать момент, когда между школой и свалкой нет мусорной машины и бака.
Цену специально скажу в противовес ув.проводу За мешки отдал 100 рупий

Гость
Добавлено: 30-08-2014 05:53


А БКшки-то некопанные ... ИМХО- не из П-Посада, т.к. теплоотвод проца медный.

Гость
Добавлено: 09-09-2014 09:28
На 400 с лишним сообщений, сегодня пришлось сто тысяч!!! просмотров. ГТ906 поздравляю, ваша тема судя по посещаемости оказалась очень удачной. Радуйте нас, на "зависть" всем, своими материалами. А если честно, просто не дайте просто так пропасть в небытие, тому немногому, что еще можно найти на просторах наших свалок и просто мусорках...

Гость
Добавлено: 10-09-2014 00:55
Так ведь не так давно один "бородатый чел" недвусмысленно намекнул на скопище маргиналов на форуме , что отчасти подтверждает наши тайные пороки. Ведь многие в душе желают такую помоечку у себя под боком, чтобы жить не только на честную и белую, но и честную, дополнительную зарплату. Тема конечно реально рвет и мечет. 100тысяч на 15 страниц -это круто. Тут ув. провод показывает металоприемку. Когда я эти фотки смотрю, так и хочется "порвать горизонт" и заглянуть за угол. В голове в этот момент вопрос? А, ЧТО ТАМ ЕЩЕ ИНТЕРЕСНЕНЬКОЕ ЛЕЖИТ. И ведь, что интересно никто его даже за некачественное фото не упрекнул, потому что, этот казус многим пофигу, т.к фон объекта бывает более интересен чем сам обьект.


гроссмейстер
Группа: Участники
Сообщений: 1120
Добавлено: 10-09-2014 09:03
О, БКшки! :)

зашел на огонёк
Группа: Участники
Сообщений: 1
Добавлено: 10-09-2014 09:15
Я хоть и не радиолюбитель, но приходилось заниматься вывозом техники от населения. помимо металлолома за месяц примерно вывозилось 20-30 телевизоров, муз. центры, пылесосы, МВЧ, мониторы, системники и прочее. Иногда проскакивали вещи ценные для радиолюбителей как по состоянию так и по начинке. Если не против то могу тоже иногда фото выкладывать вывезенного или просто подобранного...грешу иногда, подбираю выброшенное)))

Гость
Добавлено: 12-09-2014 11:15
Вот наткнулся, нет в мире счастья
две ссылки на одну и туже свалку...

http://pixanews.com/nature/vse-kompyutery-popadayut-v-ad.html

http://relaxic.net/ghana-electronic-dump/

Тут упоминалось про меркантильность, но особого выбора иногда нет, не от хорошей жизни приходится иногда заглядывать на ближайшую свалку. Правда если что нибудь находишь и не даешь вещи пропасть, то душа и вправду радуется... А так советской электроники не так уж и много осталось. Но заработать можно, пускай Великий Одмин сильно не ругается, но современная электроника подчас содержит драгмета в достаточном количестве для заработка. Попутно, берутся трансформаторы, двигатели... все то что можно найти в выброшенной бытовой технике...

пришел поспрашивать
Группа: Участники
Сообщений: 46
Добавлено: 25-09-2014 23:13

что творят
http://www.youtube.com/watch?v=Mikv6eFLRw0&feature=youtu.be http://youtu.be/Mikv6eFLRw0

Гость
Добавлено: 26-09-2014 07:57
О, БКшки! :)

Вот, для меня это ОООооо.., не совсем понятно Сергей. Вам, что надо сохранить одну машинку?

Можно даже и не одну)

мастер
Группа: Участники
Сообщений: 773
Добавлено: 30-09-2014 20:27
находки за выходные дни.


Гость
Добавлено: 30-09-2014 22:11
находки за выходные дни.
http://storage8.static.itmages.ru/i/14/0930/s_1412091587_6825952_d1a11d172e.jpg

Давненько я не видел приставку Виза-32

Гость
Добавлено: 30-09-2014 22:56
У меня лежит - со стародавних времен с прикрученным БП от калькулятора. Наверное даже еще работает Правда у меня 2 платы - на одной микросхемы на другой БП и реле. Стоят бутербродом. Если кому-то интересно - могу покопаться - найти сфоткать.

зашел на огонёк
Группа: Участники
Сообщений: 9
Добавлено: 03-10-2014 17:33
БК-010 еще остались? Как можно договориться?

магистр тайных сил
Группа: Участники
Сообщений: 1557
Добавлено: 03-10-2014 21:55
БК-010 еще остались? Как можно договориться?

Есть БК0010-01, 88 г.
Пишите: weresk52@mail.ru

Гость
Добавлено: 04-10-2014 10:26
Вчерась не удержался и прогулялся за местными гаражами... Магнитофон включился и даже кнопочки на удивление переключаются, но ничего не крутится, хотя все кроме задней маленькой крышки на месте, а передняя крышка над головками, где то по пути потерялась, ну и ручек не хватает, вот теперь думаю, дома хранить негде, и вабще стоит ли возится с ним, либо под нож... тьфу под паяльник его бедолагу...
Катушечный магнитофон "Астра" МК-111 С

мастер
Группа: Участники
Сообщений: 773
Добавлено: 08-10-2014 21:53
находки за выходные дни.

вошел во вкус
Группа: Участники
Сообщений: 242
Добавлено: 08-10-2014 23:43
находки за выходные дни.

А какая марка фильтра с этого фото?

мастер
Группа: Участники
Сообщений: 773
Добавлено: 09-10-2014 00:11
находки за выходные дни.

А какая марка фильтра с этого фото?

фильтр эмф дп-500н-3;1






Гость
Добавлено: 15-10-2014 17:51
Вобщем ГТ906 снова вдохновил меня на посещение местных злачных мест... Среди прочего кампутерного бутора и мелкой бытовой электроники, привлек мое внимание раздолбанный телик, вскрытие показало что платы довольно в хорошем состоянии, покопался и вот те на, некоторые платки ну буквально покрыты золотом, причем вся поверхность включая металлизацию. Интересно, зачем в простой бытовухе желтый металл, да еще в таком расточительном количестве??? Многие платы попадаются с чистой медью, непокрытой даже припоем.


а вот медь...


мастер
Группа: Участники
Сообщений: 773
Добавлено: 16-10-2014 00:02
На верхних фото это плата T CON от матрицы.

магистр
Группа: Участники
Сообщений: 1411
Добавлено: 16-10-2014 09:44
Интересно, зачем в простой бытовухе желтый металл

Повышение надежности для высокоскоростного/высокочастотного устройства при работе в сложных температурных условиях,- как защита от окисления.

да еще в таком расточительном количестве???

Ну почему в расточительном ? Если дорожки имеют красивый желтый цвет, это не значит что там AU столько же, сколько в привычных всем "совковых" платах. Как бы грустно не звучало, но отечественная электронная промышленность, особенно ВПК, "брала вершины" в первую очередь количеством покрытия, а не его качеством.

В современных устройствах "красивый жОлтый" ОЧЕНЬ мало, и это далеко не чистый металл, а некоторый сплав, в котором "этого самого" единицы процентов, а все остальное- химические соединения, обеспечивающие технологические характеристики прочности, защиту как от внешних воздействий, так и собственно качество прилегания покрытия на медные дорожки. И надо сказать, эти условия сейчас выполняются производителями очень неплохо. В том числе и китайскими.

В СССР, например, в качестве прослойки между двумя металлами активно использовалось серебро, которое со временем "просачивалось" наверх, окислялось,- что естественно, и гадило качество соединения. На практике,- AU-контакты были черного цвета.

Особенно яркий пример- разъемы РППМ17-48-3 в ЕС ЭВМ, которые что они "те самые" можно было зачастую отличить только по маркировке, а не по внешнему виду. Качество соединения при этом "сходило на нет" иногда до 100%...

Достаточно неплохими были, пожалуй, разъёмы РППГ2-48, в которых использовалось Ag-Pd покрытие контактов (которые так любили ставить в станки с ЧПУ). Однако данный сплав имеет повышенное переходное сопротивление контактов (а также разные ненужные возникающие при этом паразитные емкости), что не позволяет использовать их в высокоскоростных устройствах...

вошел во вкус
Группа: Участники
Сообщений: 107
Добавлено: 16-10-2014 13:58



В СССР, например, в качестве прослойки между двумя металлами активно использовалось серебро, которое со временем "просачивалось" наверх, окислялось,- что естественно, и гадило качество соединения. На практике,- AU-контакты были черного цвета.

Что-то странное. Серебро в качестве прослойки. Медь, потом 4-8 микрон гальванического цитратного или фосфатного (реже) золота. Если меньше - таки да, медь достаточно быстро диффундирует сквозь золото и образуется черный сульфид меди. Чтобы этого не происходило на медь наносили буферный тонкий слой хрома или никеля, а потом уже 1.5-2 микрона фосфатного золота (на нашем, например, заводе). Медь сквозь буферный слой не диффундировала за гарантийный, по крайней мере, период.

магистр
Группа: Участники
Сообщений: 1411
Добавлено: 16-10-2014 14:19
Такая информация пришла от человека, который много лет занимался аффинажем. А я запомнил...и, скорее всего коряво выразился,- это ближе к реальности.
В частности в РППМ17-48 (по моему мнению, это самые убогие отечественные AU-разъемы), оно присутствует. И в "ранних" (70-е года) РМ/РМД.

Гость
Добавлено: 16-10-2014 15:56
... Как бы грустно не звучало, но отечественная электронная промышленность, особенно ВПК, "брала вершины" в первую очередь количеством покрытия, а не его качеством....

В современных устройствах "красивый жОлтый" ОЧЕНЬ мало, и это далеко не чистый металл, а некоторый сплав, в котором "этого самого" единицы процентов

Требования ВПК были простые, качество поставляемого золота было четыре девятки после запятой, поставщики офигивали от такого требования, а вот как его использовали производители электронных компонентов это другой вопрос, если взять микросхемы, то из практики платы в земле обычно сгнивают, а микросхемы из-за позолоты сохраняются дольше... И еще, я даже не представляю как можно нанести на поверхность золотой сплав с температурой плавления близкому к меди, это вам не припой, значит золото там присутствует в виде отдельного покрытия, толщина которого строго регламентирована и описана в различных спецификациях на эти устройства.

вошел во вкус
Группа: Участники
Сообщений: 107
Добавлено: 16-10-2014 17:29
Ну зачем температура плавления. Если чистое золото обычно наносилось гальваникой из смеси цианоаурата калия 10г/л по золоту, цитрата калия и лимонной кислоты при токе 0.4А/дм^2, то золото-кобальт - то же, только добавлялся сульфат кобальта 1г/л и ток снижался до 0.2А/дм^2. Травилось золото (но не со стАли ножек микросхем!), кстати, раствором иода в водном растворе иодистого калия (иод в обычной воде практически нерастворим). Не в царской водке. Потом восстанавливали алюминием при добавлении едкого натра и спекали осадок в галтельку золота в муфельной печи, которую, галтельку, приходилось сдавать.
А вот зачем золото - достаточно только раз увидеть плату после испытания на КПИ на плесневых грибков или соляной туман - вопросы сразу отпадали.

Гость
Добавлено: 16-10-2014 17:46
Ну зачем температура плавления... золото-кобальт...
Это не новость, выше было сказано, что покрытие де по золоту очень хлипкое, и этого золота там с гулькин нос, а основа наносимого сплава превышает содержание золота. Насколько мне известно, кобальт, никель и другие элементы в золотых составах а затем и в составе покрытия являются легирующими (не совсем точный термин, но тем не менее отражающий суть), а значит их содержание в общем покрытии не превышает нескольких процентов.

мастер
Группа: Участники
Сообщений: 773
Добавлено: 18-10-2014 19:53
находки за выходные дни.

мастер
Группа: Участники
Сообщений: 773
Добавлено: 18-10-2014 20:08

мастер
Группа: Участники
Сообщений: 773
Добавлено: 18-10-2014 20:26

главный по тарелочкам
Группа: Участники
Сообщений: 2474
Добавлено: 18-10-2014 20:35

Если интерсно, то средняя и правая платы от БП БПС18-1 от УЧПУ "Электроника НЦ-31". Правда дико выгоревшие (кто ж их бедных так пережег?) и обесКМленные

мастер
Группа: Участники
Сообщений: 773
Добавлено: 18-10-2014 21:30

Если интерсно, то средняя и правая платы от БП БПС18-1 от УЧПУ "Электроника НЦ-31". Правда дико выгоревшие (кто ж их бедных так пережег?) и обесКМленные

там было два таких блока снаружи чистые внутри что то горело от трансформаторов лежало только железо мед вымотали остальное выкинули.

мастер
Группа: Участники
Сообщений: 773
Добавлено: 18-10-2014 21:32
вот видео этих мест.
http://www.youtube.com/watch?v=aEvs_AhQELM&feature=youtu.be
http://www.youtube.com/watch?v=2gPzlCq7lgY&feature=youtu.be

главный по тарелочкам
Группа: Участники
Сообщений: 2542
Добавлено: 18-10-2014 21:45
Птички на заднем плане никакие не грачи и не галки Плотность мусора что-то низкая...

мастер
Группа: Участники
Сообщений: 639
Добавлено: 18-10-2014 22:04
Интересно, зачем в простой бытовухе желтый металл да еще в таком расточительном количестве???


Иммерсионное золочение, в наше время это не дорогое удовольствие. Платы с таким покрытием особенно шорошо приспособлены для SMD монтажа многовыводных элементов, так как такой тип покрытия обеспечивает ровную поверхность, в отличие от HAL - горячего лужения. Используется почти всегда, когда надо качественно паять чипы с большм количеством выводов и мелким шагом.

мастер
Группа: Участники
Сообщений: 773
Добавлено: 18-10-2014 22:08
Птички на заднем плане никакие не грачи и не галки Плотность мусора что-то низкая...

Птички это Мартыны на свалке за сутки проходить примерно 500 машин.

главный по тарелочкам
Группа: Участники
Сообщений: 2542
Добавлено: 18-10-2014 22:36
Не скажу, что понял координаты.

Вот "там" какие находки бывают:
http://www.youtube.com/watch?v=Lup2lHndlz8

мастер
Группа: Участники
Сообщений: 773
Добавлено: 20-10-2014 19:56
радиостанцию пилили долбили и выбросили.

главный по тарелочкам
Группа: Участники
Сообщений: 2186
Добавлено: 20-10-2014 20:18
Радиостанция Ваша называется "гранит"-50РТМ-А2ЧМ
вот здесь можно посмотреть её подробные фото
http://kxk.ru/dustyattic/v1_707095_6.php
Содержимое модулей этой станции описано здесь
http://kxk.ru/dustyattic/v1_647735_62.php

мастер
Группа: Участники
Сообщений: 773
Добавлено: 20-10-2014 21:09
от чего эти блоки.


гигант мысли
Группа: Участники
Сообщений: 6778
Добавлено: 20-10-2014 22:47
Отдаленно напоминают блоки от какой-то стойки аппаратуры проводной связи, что-то типа преобразователя напряжения...

вошел во вкус
Группа: Участники
Сообщений: 242
Добавлено: 21-10-2014 00:20
радиостанцию пилили долбили и выбросили.

Что-то плохо ее видать долбили и пилили, что даже кварцы не изъяты. :-)

гигант мысли
Группа: Участники
Сообщений: 4411
Добавлено: 21-10-2014 01:09
от чего эти блоки.

усилитель от фотореле ФРСУ

мастер
Группа: Участники
Сообщений: 773
Добавлено: 21-10-2014 12:01
от чего эти блоки.

усилитель от фотореле ФРСУ

Да на плате есть надпись усилитель.

мастер
Группа: Участники
Сообщений: 773
Добавлено: 21-10-2014 12:22
радиостанцию пилили долбили и выбросили.

Что-то плохо ее видать долбили и пилили, что даже кварцы не изъяты. :-)

А зачем им кварцы им нужен корпус не могли его очистит и бросили.
хотя такие платы находил раза два с год на зад находил такую- радиостанцию сборе с блоком питания.



мастер
Группа: Участники
Сообщений: 773
Добавлено: 25-10-2014 23:58
находки.

главный по тарелочкам
Группа: Участники
Сообщений: 2542
Добавлено: 26-10-2014 00:04
Переходник использовался при ремонте ЭВМ "Электроника-60" и пр. Народ "корзины" пытается собрать, а здесь РППМ выбрасывают

гроссмейстер
Группа: Участники
Сообщений: 1003
Добавлено: 26-10-2014 01:40
Переходник использовался при ремонте ЭВМ "Электроника-60" и пр. Народ "корзины" пытается собрать, а здесь РППМ выбрасывают

Да шедевр - переходник еще на гетинаксе сделан...

гигант мысли
Группа: Участники
Сообщений: 4878
Добавлено: 26-10-2014 08:09
Переходник использовался при ремонте ЭВМ "Электроника-60" и пр. Народ "корзины" пытается собрать, а здесь РППМ выбрасывают

Да шедевр - переходник еще на гетинаксе сделан...

Это не гетинакс, а стеклотекстолит - плетение нитей видно (хотя возможно просто текстолит). Гетинакс - прессованная бумага с лаком, она гладкая

главный по тарелочкам
Группа: Участники
Сообщений: 2542
Добавлено: 26-10-2014 17:03
Это такой стеклотекстолит. Где производили не знаю, подобный видел ещё в измерительном и среди обломков старых ЭВМ.

мастер
Группа: Участники
Сообщений: 773
Добавлено: 28-10-2014 13:37
находки за выходные дни.

главный по тарелочкам
Группа: Участники
Сообщений: 2259
Добавлено: 28-10-2014 14:20
Красивый проц М1867ВМ1. Давно о таком мечтаю.

Гость
Добавлено: 02-11-2014 09:01
вот такие они местные мусорки, народу лень даже донести до ближайшей скупки, а за ноутом, даже неисправным, ваще могут домой приехать, и еще спасибо скажут и денюшку уплатют...




пришел поспрашивать
Группа: Участники
Сообщений: 41
Добавлено: 02-11-2014 14:50
Сегодня нашел пакетик, а в нем...

пришел поспрашивать
Группа: Участники
Сообщений: 90
Добавлено: 02-11-2014 15:41
блин, ну почему я ничего не нахожу?

Где Вы это все находите?

администратор
Группа: Администраторы
Сообщений: 8045
Добавлено: 02-11-2014 16:12
блин, ну почему я ничего не нахожу?

Где Вы это все находите?

Не расстраивайтесь! Я тоже давным давно ничего не нахожу, т.к. со времен "прыщавого" возраста перестал посещать свалки и помойки.
По мне так лучше обмен между коллегами "по несчастью". Но, если цель стоит заработать (например на пенсии, в этом нет ничего предосудительного), то нужно сменить образ жизни. Поясню. У нас "таджики", сорри, это "расхожее наименование" менеджеров по клирингу, встают очень рано и выгребают всё интересное до того, как вы решили открыть глаза в постели. За это им почёт и уважуха! Именно за то, что они не дают нам утонуть в наших же продуктах жизнедеятельности. Если Вам интересны "находки на помойке", заключите коммерческое соглашение с ними и будет Вам сопутствовать удача.

пришел поспрашивать
Группа: Участники
Сообщений: 90
Добавлено: 02-11-2014 16:18
блин, ну почему я ничего не нахожу?

Где Вы это все находите?

Не расстраивайтесь! Я тоже давным давно ничего не нахожу, т.к. со времен "прыщавого" возраста перестал посещать свалки и помойки.
По мне так лучше обмен между коллегами "по несчастью". Но, если цель стоит заработать (например на пенсии, в этом нет ничего предосудительного), то нужно сменить образ жизни. Поясню. У нас "таджики", сорри, это "расхожее наименование" менеджеров по клирингу, встают очень рано и выгребают всё интересное до того, как вы решили открыть глаза в постели. За это им почёт и уважуха! Именно за то, что они не дают нам утонуть в наших же продуктах жизнедеятельности. Если Вам интересны "находки на помойке", заключите коммерческое соглашение с ними и будет Вам сопутствовать удача.


я с долей сарказма спрашивал!! :)

Гость
Добавлено: 02-11-2014 18:33
Ну вы тут загнули теорию о расслоении общества. Если честно, посещение местных мусорок для меня лично не является источником заработка, хотя не скрою, масла в бюджет это добавляет. Поясню, вот справа на снимке видно материнку, иду смотрю системник валяется, детки его попинали и бросили, я взял и выкручиваю платы, идет дядя с дитятей, ребенок - а че это дяденька делает??? Бомжует - был ответ. Никакого уважения в обществе у нас друг к другу не воспитывается. В этом вся соль, кто не может поступится какими то принципами, тот упускает некий шанс на лучшую жизнь. Хотя исходя из отношения к друг другу в нашем обществе, мне пофигу че там кто про меня думает, и глубоко фиолетово кто чем занимается, важен результат, на него и работаю иногда весьма успешно.
И еще подметил интересный факт, если сегодня пропустил какую-то мелочь, пускай сейчас неинтересную, не поднял ее, не дал шанс на вторую жизнь, то странно, но в следующий раз ничего не найдешь, как будто чутье отказывает и "подарков" какоето время не бывает. Вот такая вот философия.

мастер
Группа: Участники
Сообщений: 773
Добавлено: 02-11-2014 18:54
Вчерашние находки.

мастер
Группа: Участники
Сообщений: 773
Добавлено: 02-11-2014 19:06
Школьный рюкзак набитый телефонами.

гигант мысли
Группа: Участники
Сообщений: 4878
Добавлено: 03-11-2014 08:36
Вчерашние находки.

Что-за "гантельки" на плате?

знающий
Группа: Участники
Сообщений: 382
Добавлено: 03-11-2014 14:12
я взял и выкручиваю платы, идет дядя с дитятей, ребенок - а че это дяденька делает??? Бомжует - был ответ.


А я вот давеча иду мимо большого мусорника, вижу рядом мешки разорванные, а рядом рассыпаны детали - видать бомжи уже смотрели. И вижу в россыпях КМ-ки попадаются. Ну и вот такая картина - около мусорного бака сидит на корточках дядя и палкой ковыряет землю и траву и что-то в кулачок собирает. Я даже боюсь подумать, что проходящие мимо человеки могли подумать.

знающий
Группа: Участники
Сообщений: 369
Добавлено: 03-11-2014 15:00

Что-за "гантельки" на плате?

Это электромеханические фильтры (ЭМФ) на частоты в единицы-десятки килогерц. Часто использовались для выделения частоты тонального вызова или тональных команд.

гигант мысли
Группа: Участники
Сообщений: 4411
Добавлено: 03-11-2014 15:29
ЭМФ на опознание

мастер
Группа: Участники
Сообщений: 773
Добавлено: 24-11-2014 22:16
Находки за выходные дни.

гигант мысли
Группа: Участники
Сообщений: 6778
Добавлено: 24-11-2014 23:23
Ув. ГТ906 , а приёмник, который в кузове машины, не забрали? Если такие вещи машинами возят, классная свалка!

мастер
Группа: Участники
Сообщений: 773
Добавлено: 25-11-2014 00:57
Ув. ГТ906 , а приёмник, который в кузове машины, не забрали? Если такие вещи машинами возят, классная свалка!

такие вещи редко бывают за этот год поподалис ламповые радиолы-
Ригонда-102 Урал-111. Урал-114. Урал-57 разбитая.
А кузове была Романтика-103 целиком е брат не стал корпус и шкала разбитые. разобрал е на месте забрал шасси и магнитофон.



мастер
Группа: Участники
Сообщений: 773
Добавлено: 30-11-2014 21:16
Находки за выходные дни.

магистр тайных сил
Группа: Участники
Сообщений: 1808
Добавлено: 30-11-2014 22:10
Находки за выходные дни.


Хотелось-бы на внутренности посмотреть.

мастер
Группа: Участники
Сообщений: 773
Добавлено: 01-12-2014 00:26
внутренности http://kxk.ru/dustyattic/v1_690891_27_.php

мастер
Группа: Участники
Сообщений: 698
Добавлено: 01-12-2014 23:23
Неловкие хозяева разбили чем-то стеклянную поверхность варочной панели на 2 конфорки. Выбросили на помойку, я подобрал, взял 2 совершенно хороших конфорки и эту электронную начинку.


Покрупнее - сенсор, похоже просто светодиод и фотодиод. Никаких премудростей.

магистр тайных сил
Группа: Участники
Сообщений: 1808
Добавлено: 03-12-2014 00:52
внутренности http://kxk.ru/dustyattic/v1_690891_27_.php


Спасибо.

Интересно на чём приёмники собраны и какая микросхема в трансмиттере на передачу работает.

мастер
Группа: Участники
Сообщений: 698
Добавлено: 04-12-2014 22:59
Свежайшее сегодняшнее приобретение. Звук есть, каналы переключаются, вот только картинка что-то мне не нравится...

мастер
Группа: Участники
Сообщений: 773
Добавлено: 05-12-2014 02:03
Выбросили 23 х дюймовый LED монитор в разобранном виде я подобрал
матрицу с шасси а корпус лежал рядом брать не стал.
подключил монитор оказался живой.


мастер
Группа: Участники
Сообщений: 698
Добавлено: 05-12-2014 23:03
я взял и выкручиваю платы, идет дядя с дитятей, ребенок - а че это дяденька делает??? Бомжует - был ответ.


А я вот давеча иду мимо большого мусорника, вижу рядом мешки разорванные, а рядом рассыпаны детали - видать бомжи уже смотрели. И вижу в россыпях КМ-ки попадаются. Ну и вот такая картина - около мусорного бака сидит на корточках дядя и палкой ковыряет землю и траву и что-то в кулачок собирает. Я даже боюсь подумать, что проходящие мимо человеки могли подумать.


Подписываюсь всеми руками!
Именно эти мысли роятся в голове, когда САМ что-то подбираешь,
а иногда ведь (ой, аж вспомнить страшно!) приходилось вообще залезать внутрь огромного мусорного контейнера, таким образом однажды поживился домашним кинотеатром Panasonic, правда без акустики, но электронный ящик в полном порядке! Прикупил пульт и вуаля - пользуюсь!

мастер
Группа: Участники
Сообщений: 773
Добавлено: 05-12-2014 23:16
Свежайшее сегодняшнее приобретение. Звук есть, каналы переключаются, вот только картинка что-то мне не нравится...

что будете делать с телеком менять матрицу или на запчасти пусите.

мастер
Группа: Участники
Сообщений: 773
Добавлено: 14-12-2014 22:49
Находки за выходные дни.

мастер
Группа: Участники
Сообщений: 773
Добавлено: 15-12-2014 23:13
Может кто подскажет от чего эта корзина с вентиляторами на 48в.

мастер
Группа: Участники
Сообщений: 773
Добавлено: 15-12-2014 23:19
Находки сегодня.

пришел поспрашивать
Группа: Участники
Сообщений: 86
Добавлено: 16-12-2014 00:06
Эх , завидую я вам. А ведь пару лет назад когда "товарищей" дворников
было в разы меньше можно было найти что нибудь стоящее просто
выйдя вынести мусор...

пришел поспрашивать
Группа: Участники
Сообщений: 86
Добавлено: 16-12-2014 00:11
Хотя нет , можно найти что то и сейчас , но это если отъехать от
крупных городов километров на 30 и более. Причем чем дальше
населенный пункт, и чем он менее "цивилизован" , тем больше шанс
найти что -либо. Во! Прям теория получилась!..

Гость
Добавлено: 16-12-2014 00:50
Хотя нет , можно найти что то и сейчас , но это если отъехать от
крупных городов километров на 30 и более.


А вот тут, вы уважаемый неправы. Я сам живу в такой глуши и у наших баков уже давно ничего не найдешь. Во первых баки поделены между уборщиками с ЖЭКа. Далее, что им не надо берут водители мусоровозов( но это все элита). Дальше бригада разборки на полигоне. А вот БМЖ берут лишь то, что им позволяет унести их здоровье. Про микроволновки в предыдущей теме, я для красного словца сказал. По правде говоря БМЖ действительно мало чего обламывается.
Даже стихийные свалки у нас привели в порядок и на их месте наставили здоровенных контейнеров в который наверно можно все мебель из дома за раз засунуть . Я даже больше скажу поселки до 2тысч человек имеют охраняемую свалку и просто так за спасибо там мало чем прикуришся.
Есть еще момент про мусор. Не знаю как в других странах, а у нас в России народ зажрался. Даже в таком маленьком городе как у нас народ ни за что не хочет разбирать электронный хлам. Холодильники, стиралки, телики и.т.д просто даже лень вынести из дома к мусорке. Звонят и просят избавить их от старья. Про объявления в газетах типа " приму в дар холодильники и.т.д" вообще молчу. Они годами висят на страницах с обьявлениями и раз их печатают значит идет "бизнес" у таких халявщиков.

Поэтому хреновая у вас теория

гроссмейстер
Группа: Участники
Сообщений: 1003
Добавлено: 16-12-2014 00:57
Может кто подскажет от чего эта корзина с вентиляторами на 48в.


Это шасси от АТС Alcatel.

пришел поспрашивать
Группа: Участники
Сообщений: 86
Добавлено: 16-12-2014 15:02
Я всего лишь выразил свою точку зрения. Я имею привычку летом ездить
на дачу поселок километрах в ста от Москвы. Так вот там найти что либо
гораздо легче чем в Москве... Ну вобщем выводы делайте сами.
Ну и еще в защиту теории: я так же бываю в других местах (Истра,Руза,
Красногорск,Павловская слобода) и могу это наблюдать!

Гость
Добавлено: 19-12-2014 18:03
Ну в общем не сдержал слово и залез в тему со своим комментом, ибо такая находка наверно бывает раз в жизни. Включить не решился, жаль если догорят микросхемы, если конечно они вообще живы. Ну и хочется конечно большего, четыре желтых паука вместо двух. Итак мечтать не вредно)))...
Электроника Б3.02 1975г.

мастер
Группа: Участники
Сообщений: 790
Добавлено: 19-12-2014 18:11
не сдержал слово и залез в тему со своим комментом, ибо такая находка наверно бывает раз в жизни.

Мои поздравления!
Действительно, находка очень не частая, по нынешним временам!)

Ну и хочется конечно большего, четыре желтых паука вместо двух. Итак мечтать не вредно)

Так Вам еще повезло!
Мне вообще в "Б3-11" попался всего один "паук"! - http://offtop.ru/dustyattic/v1_690891_18_.php

Гость
Добавлено: 23-12-2014 18:55
Найдено там же...

магистр тайных сил
Группа: Участники
Сообщений: 1808
Добавлено: 23-12-2014 19:38
Найдено там же...


ЭКОН-01 Классный конструктор.Был у мня в детстве и сейчас есть.Иногда достаю и играюсь.

администратор
Группа: Администраторы
Сообщений: 8045
Добавлено: 23-12-2014 20:59
Никогда не играл в электронный конструктор, да и не было их во времена моего детства. Начинал с детекторного, который кроме шумов ничего не ловил. Затем транзисторный радиоприемник прямого усиления на П401 и П14, тот уже смог поймать пару станций. Затем коллективка UK1BAU, давно почившая в бозе. Там, помимо связей на УКВ, шедевром моего творчества был конвертер на 6А7 из какого-то ВРЛ с разорванной обложкой, который я нашел в школе при сдаче макулатуры. Конвертер был пристроен к радиоприемнику "Югдон" и даже работал.

магистр тайных сил
Группа: Участники
Сообщений: 1808
Добавлено: 24-12-2014 01:20
Никогда не играл в электронный конструктор, да и не было их во времена моего детства. Начинал с детекторного, который кроме шумов ничего не ловил. Затем транзисторный радиоприемник прямого усиления на П401 и П14, тот уже смог поймать пару станций. Затем коллективка UK1BAU, давно почившая в бозе. Там, помимо связей на УКВ, шедевром моего творчества был конвертер на 6А7 из какого-то ВРЛ с разорванной обложкой, который я нашел в школе при сдаче макулатуры. Конвертер был пристроен к радиоприемнику "Югдон" и даже работал.


Мой первый приёмник был из ЮТ на П416Б и МП42Б.

вошел во вкус
Группа: Участники
Сообщений: 242
Добавлено: 24-12-2014 08:11
Не считая первого моего "радиоприемника", который состоял из диода параллельно наушнику и антенны, то первым моим транзисторным приемником повторенным мной многократно для друзей, являлся трехтранзисторный приемник вот по этой схеме: http://radiobooka.ru/rsvyaz/122-09.html

мастер
Группа: Участники
Сообщений: 773
Добавлено: 31-12-2014 21:54
Находки за выходные дни.

мастер
Группа: Участники
Сообщений: 773
Добавлено: 07-01-2015 12:44
Вчерашние находки.

мастер
Группа: Участники
Сообщений: 627
Добавлено: 12-01-2015 14:45
Плата с ТВ может быть это был Витязь найденная на свалке, удивляет количество КМок ну по крайней мере я столько в одном телеке Кмок не видал))и это я ещё три коробочки которые на плате не вскрывал



Гость
Добавлено: 13-01-2015 09:58
О сколько нам нам находок чудных, готовит просвещенья дух.
Прям не знаю куда уже деватся от находок, пошел мусор вытаскивать, а там сонька раздолбанная с шикарными платами и золочеными разъемами, наш какой-то ящик и куча мелочевки разной, вобщем сколько смог в руки за раз взять стока и уволок, решил обратно не пойду, а кошки так и скребутся...


Не успел от калькулятора прийти в себя, как приплыл вот такой чудо приемничек, Юность, по конденсаторам 71-73 год.


Плата МЦ31-1-02, в снегу никак не мог разглядеть конденсаторы, прихватил и удивился, впервые попались скругленые флажки с цветовой маркировкой и конденсаторы IPEE по расцветке достойные новогодней ёлки, иностранщина. Видимо наши прижали, и импортеры проставили дату, либо наши домаркировали. Одни загадки вобщем. Особенно порадовала КМка, в количестве одЫн штука)))))

вошел во вкус
Группа: Участники
Сообщений: 242
Добавлено: 13-01-2015 11:36
Да, я бы от Юности не отказался. :-)
Да что-то на наших сельских помойках вообще ничего радиотехнического не встречается. Максимум как-то садовый фонарик с солнечной батареей нашел.

мастер
Группа: Участники
Сообщений: 773
Добавлено: 13-01-2015 15:19
Плата МЦ31-1-02 от телевизора Альфа 51ТЦ-485Д производитель Кишиневский телевизионный завод Альфа.

гигант мысли
Группа: Участники
Сообщений: 4878
Добавлено: 13-01-2015 15:54
Подскажите кто знает, что за резисторы (по моему болгарские), ещё такие же темно-зеленые бывают


Гость
Добавлено: 13-01-2015 15:56
Плата МЦ31-1-02 от телевизора Альфа 51ТЦ-485Д производитель Кишиневский телевизионный завод Альфа.

Заходим в гугл, набиваем "МЦ31-1-02" и первая ссылка выкидывает нас на Альфу. Вопрос был по кондюкам, по ним как раз интернет не дает однозначного ответа. Я таких ниразу нигде не встречал...

гигант мысли
Группа: Участники
Сообщений: 4878
Добавлено: 13-01-2015 16:15
Плата МЦ31-1-02 от телевизора Альфа 51ТЦ-485Д производитель Кишиневский телевизионный завод Альфа.

Заходим в гугл, набиваем "МЦ31-1-02" и первая ссылка выкидывает нас на Альфу. Вопрос был по кондюкам, по ним как раз интернет не дает однозначного ответа. Я таких ниразу нигде не встречал...

По ТО на телевизор, например на фото С22 и С48, КД-2-Н90. Видать замена , что под рукой было...

пришел поспрашивать
Группа: Участники
Сообщений: 46
Добавлено: 13-01-2015 23:37
Вчерашние находки.

платы от хорошего кассетника орель ....у меня есть такой рабочий
http://rw6ase.narod.ru/000/mg/orel101_1s.html

гроссмейстер
Группа: Участники
Сообщений: 1003
Добавлено: 14-01-2015 00:28
Плата МЦ31-1-02 от телевизора Альфа 51ТЦ-485Д производитель Кишиневский телевизионный завод Альфа.

В 92 году Молдова была уже отдельным царством - поэтому смесь буржуйских кондюков и КМ абсолютно объяснима.

мастер
Группа: Участники
Сообщений: 773
Добавлено: 19-01-2015 18:53
Находки за выходные дни.

мастер
Группа: Участники
Сообщений: 773
Добавлено: 19-01-2015 19:54
у помойки лежал телевизор'Горизонт 51ТЦ-441Д' бомжы с него оску сбили а петля размагничивания и все платы были на месте.
тв был самопальной сборки все блоки от 3УСЦТ привязаны на проволоку


администратор
Группа: Администраторы
Сообщений: 8045
Добавлено: 19-01-2015 19:54
Четвертое фото - плата от доплеровского измерителя скорости автомобилей (милицейского радара): http://kxk.ru/dustyattic/v1_897465__.php

администратор
Группа: Администраторы
Сообщений: 8045
Добавлено: 19-01-2015 19:56
бомжы с него оску сбили а петля размагничивания и все платы были на месте.

"Ну тупые..." (с) М. Задорнов.

Ув. ГТ906, судя по Вашим фото из этой темы, можно понять, что у Вас там Супер-Клондайк драгоценных металлов! Те золотодобытчики с канала Дискавери нервно курят в сторонке. Где же Вы это всё складируете и утилизируете? Неужели в том неуютном подвале, который Вы нам показали? С такими доходами пора подумать о "маленьком свечном заводике".

мастер
Группа: Участники
Сообщений: 773
Добавлено: 19-01-2015 22:41
бомжы с него оску сбили а петля размагничивания и все платы были на месте.

"Ну тупые..." (с) М. Задорнов.

Ув. ГТ906, судя по Вашим фото из этой темы, можно понять, что у Вас там Супер-Клондайк драгоценных металлов! Те золотодобытчики с канала Дискавери нервно курят в сторонке. Где же Вы это всё складируете и утилизируете? Неужели в том неуютном подвале, который Вы нам показали? С такими доходами пора подумать о "маленьком свечном заводике".

да шесть сараюшек завалено разным радиобарахлом.
выходные дни днем еду на свалку а вечером обход помоек.
со свалки всегда одна либо два сумки радиобарахла.
вот что на фото платы в коробке от оргтехники и две платы от телевизоров по идут на распайку платы от плазмы они похоже исправные кроме блока питания в нем есть вздутые конденсаторы то и выбросили эту плазму платы упакую в коробку и положу сарайчик.


администратор
Группа: Администраторы
Сообщений: 8045
Добавлено: 19-01-2015 22:47
Да я вообще-то спрашивал о другом: количество, согласно диалектики, превращается в качество? Или так и остается количеством???

мастер
Группа: Участники
Сообщений: 773
Добавлено: 19-01-2015 23:06
вот вечерний обход помоек прошел порядка 1 км.

вошел во вкус
Группа: Участники
Сообщений: 242
Добавлено: 19-01-2015 23:38
Находки за выходные дни.

Да, зажрался народ. Уже бинокли на помойку выкидывают.

Гость
Добавлено: 20-01-2015 11:57
Да я вообще-то спрашивал о другом: количество, согласно диалектики, превращается в качество? Или так и остается количеством???

Меня в последнее время ничего уже ниудивляет, а иногда даже матерится хочется. Если бы мне все это богатсво попало в руки лет эдак 10-15 назад... А теперь я даже не знаю зачем все это таскаю, есть основная работа на режимном производстве с утра до ночи, без тырнету, связи и всяких возможностей ченить творить руками, есть хобби на собственных двух комплектах PC3000 починяю жесткие диски. Гаража нет и не надо, машина не нужна ибо лес у нас такой что в пяти км от города заблудишься и никогда не найдешься, дачи тоже нет, жалко времени на нее тратить. Зато есть вечный ремонт, махонькие детки и совершенно нет времени...
Как то обклеил чуть ли не весь город, куплю редкости, дал объяву в интернете, позвонило пару тройку плюшкиных и все, зато тут же на местной мусорке под объявлением нашел катушечник. Дай думаю схитрю, повешал другую бумажку, "мол радиокружок нуждается...", на второй день пришлось всё сорвать, но потом всякие чудики ещё два месяца звонили и предлагали всякие раритеты, эксперимент удался, пришлось всем грить что ошиблись номером... вот такой менталитет у наших соотечественников, все лучшее исключительно детям .
Лень было все выкладывать, чё тока не выкидывают, диву даешься, это за неделю.


Гость
Добавлено: 20-01-2015 13:10
У нас таких свалок нет (точнее есть-но вход туда "несвоим" череват повреждениями на передней части головы да и по остальному телу от "работников на местах"....), потому основная добыча с помоек, где конкуренция довольно жестская, все, из чего медь или алюминий можно добыть в заметных количествах потрошиться на месте.

Из последноего какой-то видеоплеер пишущий от матсушиты еще. Буду потрошить - сфоткаю. Но рама протяжки - литая...

Гость
Добавлено: 20-01-2015 13:15
Наша городская свалка это охраняемый объект, её огородили высоким забором, как я понимаю специально от меня , все что на фотках это с мусорок, у кампутерных канторок, находки у гаражных кооперативов... даже копатся не приходится, все просто валяется, надо только протянуть руки

знающий
Группа: Участники
Сообщений: 382
Добавлено: 20-01-2015 13:20
Я не понимаю, почему у вас это не растаскивают бомжи? У нас как только стали принимать платы целиком, ничего электронного вообще не найти. Все раздербанено под корень. Кстати еще интересно узнать географию, кто в каком городе?

вошел во вкус
Группа: Участники
Сообщений: 242
Добавлено: 20-01-2015 13:56
Кстати еще интересно узнать географию, кто в каком городе?

В профиле город ставить некуда, вот и не видно кто откуда.

Гость
Добавлено: 20-01-2015 14:56
Я не понимаю, почему у вас это не растаскивают бомжи? У нас как только стали принимать платы целиком, ничего электронного вообще не найти. Все раздербанено под корень. Кстати еще интересно узнать географию, кто в каком городе?

Еще как расстаскивают, но бомжей у нас гораздо меньше, чем железяк, все охватить нереально, я вообще охватываю территорию утром и вечером примерно на час хотьбы по свежему воздуху. А если чего днем валяется то приличные граждане только присматриваются слюнями обливаются и мимо проходят, типа стесняются
А взять все это стоит, платы кампутерные реальные, а еще оптика даже непонимаю от чего, древняя как мамонт, щас глянул оказалась редкая и дорогущая

мастер
Группа: Участники
Сообщений: 790
Добавлено: 20-01-2015 15:09
Наша городская свалка это охраняемый объект...

У нас точно такие-же дела!
Наша городская свалка, находящаяся за 20 км. от города - будет не многим хуже чем у ГТ906 !, только доступ простым "посетителям" туда закрыт. По этому все мои находки - только с вылазок в черте города.
Вот небольшая фото-подборка разных интересных/красивых/необычных находок, совершенных в результате таких "экспедиций" в последнее время.
И да, из за бомжей найти что нибудь из приборов целое - практически невозможно! Например на первых двух фото - остатки терминала СМ 7238, который до меня бомжи успели разбомбить ради цветмета!










мастер
Группа: Участники
Сообщений: 790
Добавлено: 20-01-2015 15:12
Кстати еще интересно узнать географию, кто в каком городе?

В профиле город ставить некуда, вот и не видно кто откуда.

Есть такая тема! - http://offtop.ru/dustyattic/v1_691129_1_.php


администратор
Группа: Администраторы
Сообщений: 8045
Добавлено: 20-01-2015 15:38
У нас и по городским помойкам ходить нет смысла. Всё таджики выгребают.


я вообще охватываю территорию утром и вечером примерно на час хотьбы по свежему воздуху.


А как же работа на режимном предприятии? Или подобранный утром хлам сдаете в камеру хранения в проходной???

Гость
Добавлено: 20-01-2015 15:45
У нас и по городским помойкам ходить нет смысла. Всё таджики выгребают.


я вообще охватываю территорию утром и вечером примерно на час хотьбы по свежему воздуху.


А как же работа на режимном предприятии? Или подобранный утром хлам сдаете в камеру хранения в проходной???
утренние прогулки только по выходным, ибо в будни "свежего воздуху" на родном предприятии хватает, а вечер он и в африке вечер, детишек на бочек а сам иду темными делишками заниматся))) И кстати у нас нет камер хранения, с этого года охрана бабки зарабатывает, если найдут в кармане забытый сотик, то все пропало, штраф десять тыщь... вот так-то.

администратор
Группа: Администраторы
Сообщений: 8045
Добавлено: 20-01-2015 16:02
И кстати у нас нет камер хранения, с этого года охрана бабки зарабатывает, если найдут в кармане забытый сотик, то все пропало, штраф десять тыщь... вот так-то.

И куда же вы сдаете сотовые на время нахождения на территории завода?

Гость
Добавлено: 20-01-2015 16:11
Пронос любой электроники на территорию промлощадки запрещен, исключение составляют только необходимое для работы обрудование. Сотовые телефоны к проносу запрещены, прошел кабинку, там охранница с металлоискателем, в ручную шмонает. Я имею право не показывать че у меня звенит, вызовут понятых, составят протокол, потом вздрючят руководство ибо по правилам я обязан подчинится требованиям часового, а потом имею право обжаловать в установленные законом порядке, после чего меня просто уволят, недоразвитый и любимый Колбасником капитализм, где профсоюз является обыкновенной проституткой, а работодатель сутенер имеющий работяг как хочет...

магистр
Группа: Участники
Сообщений: 1411
Добавлено: 20-01-2015 16:41
Пронос любой электроники на территорию промлощадки запрещен, исключение составляют только необходимое для работы обрудование. Сотовые телефоны к проносу запрещены


Ага . Я когда работал в цскб-прогресс, у нас было также. Т.е. была камера хранения, в которой тетеньки-охранницы, однако, НЕСЛИ ОТВЕТСТВЕННОСТЬ за оставленные вещи, и все же...меня всегда раздражал тот факт, что какой-то му..к из 1-го отдела мог разговаривать по сотовому, а я нет.

Причем основная проблема была не в том, что он тебя с сотовым увидит, ну посмотрит неодобрительно, а вот через охрану его пронести было нереально...

Я как-то раз пронёс "ослика" С1-83, незаметно !!!! в мешке через вертушку (ручки и корпус снял), и всем пофиг, а с сотовым задерживали пару раз, так "вой поднимался до небес"...

Немного оффтопа. Забавная история про С1-83. ...Передо мной шла женщина-повар из столовой, которая несла два больших пакета с мясом, (наверно это были некому не нужные излишки), и громко ругалась на то, что их, бедных и несчастных, лишают премии за качество продукции, таким образом дошла до вертушки и....застряла там с этими мешками !!!!, да так, что охранница из будки ничего сделать не может. А сзади уже толпа. Я стоял ровно за этой чудесной женщиной, не скажу как я ее протолкнул, видимо силой мысли, а может, несчастным С1-83, в общем, проскользнул сразу после нее незаметно, как листок по ветру...

Завел себе 2 телефона и 2 симки ,- один всегда на работе, 2-й оставлял на проходной, сделал переадресацию одного на другой, когда выключен, вот

работодатель сутенер имеющий работяг как хочет...

Увы, для предприятий впк зачастую это так. Поэтому за зарплату я там никогда не работал, соответственно получалось не особенно долго....Зато у меня было все, что имелось на складах и в запасниках предприятия, ну или почти все... ..Что же касаемо закона и ук рф, см. цитату выше, главное чтобы деньги были...
Хотя это конечно неправильно все.
Давно это было, 2004год....Это сейчас я законопослушный гражданин, инженер-энергетик ..

главный по тарелочкам
Группа: Участники
Сообщений: 2542
Добавлено: 20-01-2015 20:38
А у нас эра раздолья на помойках давно закончилась, уже можно делать вывод Старые телевизоры закончились, из поновее уходят за город. Одни пищевые отходы и строительный мусор. Проще искать у дедов и у владельцев хламовников.

Гость
Добавлено: 20-01-2015 23:49
Прочитал последние сообщения и сразу легче на душе стало, оказывается на этом форуме вполне себе нормальные люди общаються. Это говорит только о том, что общение здесь для многих достигло того момента, когда можно и маленького грязного скелета из шкафа достать.
Мои похождения со слов родителей начались еще в садике. Один раз, мать мне рассказала историю о которой, я конечно уже не помнил.
Так вот жили мы раньше рядом с оврагом где было подобие свалки с местных пятиэтажек. И я как собака после садика всегда бегал в этот овраг. Родители знали, что я всегда, что нибудь приносил с этого оврага, но однажды, я приволок, что-то типа радиолы. Они долго удивлялись тому, что я как муравей приволок больше чем сам вешу. После того как я лег спать они выкинули этот девайс обратно в овраг. Как вы понимаете на другой день картина повторилась. Тогда отец эту радиолу выкинул в овраг, но уже куда-то в траву или кусты, короче подальше. Наверно для них - это совсем не смешно стало, когда я третий раз принес эту радиолу в сарай. После этого случая они окончательно смирились и перестали меня ругать за всякий хлам в доме, ну а через 5 лет я уже поступил в радиокружок где первым моим заданием было разобрать на болтики и комплектующие кучу школьных авометров. Это в современной интерпретации ни много ни мало, а "законная лицензия" на всякое кручю-верчу.

Ну и в оправдания своих нынешних действий, есть вполне научно доказанный факт, чем дольше человек работаем мелкой моторикой рук и пальцев, тем он больше сохраняет ясность ума.

вошел во вкус
Группа: Участники
Сообщений: 242
Добавлено: 21-01-2015 00:04
Так вот жили мы раньше рядом с оврагом где было подобие свалки с местных пятиэтажек. И я как собака после садика всегда бегал в этот овраг.

Через это наверное прошли все в таком возрасте, в т.ч. и я сам в середине 50-х годов, когда я бегал к отцу на работу, а работал он всю свою сознательную жизнь в связи, а именно 57 лет, ну и копался в куче всякого связного хлама, которая всегда у них во дворе в углу вырастала периодически до невероятных размеров. Вывозили они все это видимо на свалку и куча начинала расти заново. Вспоминая ту кучу я аж до скрипа в зубах жалею, что еще машину времени не изобрели. :-) Слетал бы я в тот дворик на денек к этой заветной кучке.....

Да и сын мой в 70-е годы тоже через это прошел, когда окучивал все кучи разного хлама на местном военном аэродроме в Бурятии. Я там служил когда-то, ну и сын там вырос. Кстати, его ящик (от Р-105Д) набитый всякими железками тех лет до сих пор хранится у меня дома. Понимаю что хлам, но выбросить естественно рука не поднимается. :-)

гигант мысли
Группа: Участники
Сообщений: 5086
Добавлено: 21-01-2015 12:09
Вспоминая ту кучу я аж до скрипа в зубах жалею, что еще машину времени не изобрели

Да. Знакомый скрип в зубах. Наверное все мы выросли возле таких куч. Километра 2 на север от Фрязино, где прошло мое детство, находилась свалка, куда все местные предприятия выбрасывали отходы. Грузовиками возили. Сам сейчас не верю, но видел своими глазами полный кузов самосвала наполненный платами от калькуляторов с золотыми "солнышками" 145 серии. Но тогда это никого не интересовало. Совершенно равнодушно мы смотрели как эта куча плат и калькуляторов горит. Выбрасывали КТ315 полными фанерными бочонками литров по 50. Это уже было интереснее и из таких бочонков зачерпывали по нескольку горстей. Большинство транзисторов даже как-то работали. Я потом менялся на "железные" транзисторы типа МПхх, которые на нашей свалке никогда не попадались, с коэффициентом 1:100 или даже больше.
Но все-таки свалка была далеко от моего дома, т.к. я жил на самой южной границе города и ходьбы до нее было больше часа, а скорее полтора. Поэтому, пока тащил набранное, делал "захоронки" с наименее ценными вещами, которые потом очень редко повторно посещал. В принципе вот эти "захоронки" можно было бы сегодня поискать.
А на первом месте работы в ФИРЭ АН ССР в нашем здании был огромный подвальный этаж с комнатами, даже не запирающимися на замок, которые были наполнены нераспечатанными коробками со старыми конденсаторами, резисторами, лампами и т.п. Видимо это хранилось с 50-х годов, т.к. там были и конденсаторы в покрытых воском бумажных трубочках и неопрессованные пластмассой слюдяные. Море всевозможных КСО и т.п. Несколько комнат с зелеными резисторами типа ВС и им подобными. А уж ламп то были тыщи. Были какие-то совсем большие в деревянных ящиках и фанерных сундуках. Сундуки чемоданных размеров очень ценились и часть вынутых из них ламп громоздилась просто на полу, на вид несколько кубометров. Тогда это тоже казалось неинтересным. Я нашел целую комнату с анодными батареями БАСН, которые были вполне работоспособны. Я их соединял по 30 шт последовательно и получал огромные электрические дуги. Кстати, работали батареи в таком режиме месяцами, но, конечно не непрерывно, только когда я их включал для экспериментов.
Сегодня я понимаю, что это и была разруха изнутри, наглядная демонстрация неэффективности социалистического хозяйства, но эти мысли не мешают мечтать о машине времени.

мастер
Группа: Участники
Сообщений: 956
Добавлено: 21-01-2015 12:27
А у меня друг есть на хуторе в пяти километрах.У него мания уже многие годы выклянчивать везде хлам.Так вот он наиграется,разберет,алюминий,медь сдаст как правило.А потом я приезжаю и чуть ли ни пол багажника забираю что остается.Отдает с удовольствием,сам сует.На ремонт,на запчасти.Так что могу себя не утруждать походом по свалкам.

Гость
Добавлено: 21-01-2015 17:08
Я иногда просматриваю помойку около предприятия где работаю (на территории) - ничего особо ценного там не бывает, туда "бытовой" мусор выкидывают, но иногда попадаются орезки материалов, которые работники уволокли себе с производства, да так и забыли, а потом выкинули. Друго вопрос, что вынести это маловозможно с территории, если только что-то мелкое.

мастер
Группа: Участники
Сообщений: 773
Добавлено: 21-01-2015 18:09
Я хожу выходные дни по вечерам просматриваю помойки советской электроники мало освоенном импорт часто попадаются бытовая техника пылесосы микроволновки холодильники стиралки. из электроники компьютеры мониторы телевизоры двд видики.
ечо ездят газельи собирают крупную бытовую технику на метал.

Гость
Добавлено: 21-01-2015 18:45
Вчерась написал откуда я, а сегодня звонит один хорошый знакомый и ржет в трубку, я грю чего не так, а он, нивжисть не поверю что ты в мусорках роешься, ну я ему а с чего ты взял, ну бла, бла, бла, город большой, а живем как в деревне... Все дело во вчерашней оптике, на фотке...
Где то 5-6 лет назад, мой знакомый прочитал объявление о продаже всякой всячины, электронной и не только, звякнул, и удивился, распродажу устроил милый женский голос. Договорились о встрече, приехали и ахнули. Двухкомнатная хрущевка, была завалена барахлом на вытяную руку вдоль всех стен, включая ванную и кухню, по центру комнат был небольшой узкий проход. Жил в ней сбомжевавшийся местный житель, работавший когда то на местном ОКБА, он все продал, все кроме железа, среди него и жил, на нем и спал. Вобщем представился дяденька, и в наследство вступила доча, 20 лет с ним не общавшаяся. Вывезли целую машину всякого барахла, в том числе и эту оптику. Оптику знакомый подарил своему знакомому для каких то эксперементов, а тот в свою очередь забросил эту железяку и забыл про нее, на днях он переезжал и выкинул хлам в том числе и эту шикарную штуковину... Вот так меня и вычислили

Ну и докучи за седня у местных гаражей...

мастер
Группа: Участники
Сообщений: 773
Добавлено: 21-01-2015 22:35
У меня стояло два жк телевизора тошиба одной тоже модели на ремонт у перого не исправен блок питания у второго не исправна материнская плата.

Перед новым годом напечатал объявлений и у подъездов навесил куплю жк телвеизорна запчасти на второй день звонит парен говорит стоит тв тошиба в него ребенок что то кинул разбил экран я приехал то что мне нужно было вот тут повезло купил один сразу два отремонтировал.
звонили почти каждый день предлагали все самсунги то ечо кинескопные тв. вот сегодня звонит мужик говорит есть тв самсунг 46 дюймов на запчасти ечо есть три компьютера и мониторы
везите литру все забираете я сам был занят по звонил другу он с ездил привез иди разгружай и все это содержимое боло в подсобке дворника.




Гость
Добавлено: 22-01-2015 01:10
А вот моя свежая добыча - был весь в побелке - отмыл посушил. Померить не померял пока.


Гость
Добавлено: 22-01-2015 03:47
У меня знакомый охранник предлагает самовывозом неисправный Бренд телек с кинескопом гиганской диагонали, под 100 кг весом.
Подозрение - на источник сверхвысокого напряжения...
( В лучшем случае - БП ). Если кто заинтересовался - пишите мне на почту MMTEMA@MAIL.RU - но я только передам телефон желающего господину охраннику, т.е. без каких-либо гарантий с моей стороны.

мастер
Группа: Участники
Сообщений: 501
Добавлено: 22-01-2015 07:31
Раз тут вспоминают про свалки... В младших классах школы у меня в окрестностях была одна площадка, прилегающая к в/ч, туда выкидывали резисторы ПЭ и ПЭВ горками, всех номиналов, всех мощностей до 100 вт, в коробках и без. Это было неинтересно, но один раз выкинули упаковки с МЛТ-0,125, но все на 11 кОм. Потом долгие годы применял эти 11кОм вместо 10 во всех конструкциях.

А около ЖД с одной стороны выкидывали какие-то приёмники с деталями 54-56 годов (железные лампы, конд.КСО, КТ, КПВ, резисторы ВС и обязательно тяжёлый булькающий внутри трансформатор посередине), передняя панель - чёрная, покрашена сморщенной краской. Их было много и разных видов, часть притаскивал, разбирал и потом выкидывал детали, как сеятель, из форточки на улицу (а куда ещё такое старьё девать). С другой стороны от ЖД выкидывали некие СЦБшные приборы (КБ ЦШ), внутри которых стоял камертон с катушками (камертон во всех был разной длины), а также плата с транзисторами МП, релюшки РСМ-2, переменники ПП3-11, годы деталей 66-67.
Увы, никаких микросхем и нормальных деталей не находил...

мастер
Группа: Участники
Сообщений: 627
Добавлено: 22-01-2015 10:49
А я помню у товарища работающего на углеродном)) заводе при СССР ещё где производились резисторы уже с полосочками такие мощностью 0,125вт он мне приволок полмешка их и говорит по цехам так быстренько прошелся то ли по конвееру)) набрал разных номиналов они такие на две полоски бумаги прикреплённые были пива с ним попили и все дела! Они у меня до сих пор некоторые валяются ни как не заканчиваются)))А сам я как то лазил на заводскую свалку на завод где делали тиристоры оптроны и ещё чего то там много чего там валялось рабочего только с небольшим браком в основном кривые и косые корпуса ))

вошел во вкус
Группа: Участники
Сообщений: 176
Добавлено: 22-01-2015 17:53
Добавлю свои пять копеек ...
Есть у Нас в городе конторка одна , вернее даже кооператив который в начале 90-х Спектрумы клепал и гордо называл свои продукцию "Бином". заходил к этим кооператорам пару раз спрашивал: Из старого что-нибуть осталось ? Мне отвечали: нечего не осталось =)
тут в начале лета иду смотрю на их территории контейнер стоит , а рядом корпус от ЕС-1841 с корзиной лежит , так думаю началось ... Собираю всё путное , что валялось рядом. И наутро уже караулю этих "кооператоров". Из разговоров выясняется , что идёт ремонт теплотрассы в связи с чем нужно переместить пару контейнеров до верху набитых барахлом и дыбы не таскать барахло туда сюда решено было сократить запасы почти под нуль. При этом говорят , что основная часть накоплений уже переехала на свалку , но "кое-что" осталось , так вот это "кое-что" пришлось на машине вывозить , ну ходок 10-12 точно сделал. Из интересного после переборки: самодельная плата с тремя микросхемами: К1601РР1Б 10.82. и срезка микросхем 217 серии.





Гость
Добавлено: 22-01-2015 20:20
из форточки на улицу (а куда ещё такое старьё девать)

Это ты наверно с меня подсмотрел. А,если серьезно, то прям под копирку все сказанное. Вот оно прекрасное мальчишеское воспитание 80х.

Гость
Добавлено: 25-01-2015 14:50
А вот и я порадую свежей находкой :

Выкинули камеру повышенной влажности производства ГДР 50х-начала 60х... Народ из неё нержавейку добывал, а я вот чем разжился (предположу реле влажности, или температуры - датчиков к сожалению не сохранилось)...



Вертикальный конструктив над конденсатором на 1ом фото - биметаллическое термореле.

Рядом нашел - модуль ОЗУ от чего-то...


пришел поспрашивать
Группа: Участники
Сообщений: 86
Добавлено: 25-01-2015 22:44
Ходил мусор выносить и вернулся с осциллографом! С1-68
Счастья было полные штаны , хоть вытряхивай...


Дома ткнул его в розетку , оказалось рабочий...

мастер
Группа: Участники
Сообщений: 773
Добавлено: 01-02-2015 20:51
сегодня на свалке.

мастер
Группа: Участники
Сообщений: 773
Добавлено: 01-02-2015 21:07

гигант мысли
Группа: Участники
Сообщений: 6778
Добавлено: 01-02-2015 22:00
Да ребята, у вас не свалки, а прям какие-то полигоны для научно-технического творчества!

мастер
Группа: Участники
Сообщений: 773
Добавлено: 01-02-2015 22:24
Да ребята, у вас не свалки, а прям какие-то полигоны для научно-технического творчества!

да наверно склад чистели вывезли КамАЗ разной аппаратуры час было
нового в упаковках похоже вывезли со электросетей.

гигант мысли
Группа: Участники
Сообщений: 6778
Добавлено: 01-02-2015 22:39
А у семисегментных индикаторов (2-й ряд 2-е фото) на обратной стороне платка сразу с дешифратором? Я правильно понял или что там?

мастер
Группа: Участники
Сообщений: 773
Добавлено: 06-02-2015 20:07
Сегоднешние находки.

пришел поспрашивать
Группа: Участники
Сообщений: 86
Добавлено: 06-02-2015 20:28
Круто! Это кто ж такое выкинул??? И где такая свалка чудная? (Хоть около какого города?)

пришел поспрашивать
Группа: Участники
Сообщений: 17
Добавлено: 07-02-2015 18:59
Не плохо. Кто то же выкинул.

пришел поспрашивать
Группа: Участники
Сообщений: 17
Добавлено: 07-02-2015 19:10
Вчерась написал откуда я, а сегодня звонит один хорошый знакомый и ржет в трубку, я грю чего не так, а он, нивжисть не поверю что ты в мусорках роешься, ну я ему а с чего ты взял, ну бла, бла, бла, город большой, а живем как в деревне... Все дело во вчерашней оптике, на фотке...
Где то 5-6 лет назад, мой знакомый прочитал объявление о продаже всякой всячины, электронной и не только, звякнул, и удивился, распродажу устроил милый женский голос. Договорились о встрече, приехали и ахнули. Двухкомнатная хрущевка, была завалена барахлом на вытяную руку вдоль всех стен, включая ванную и кухню, по центру комнат был небольшой узкий проход. Жил в ней сбомжевавшийся местный житель, работавший когда то на местном ОКБА, он все продал, все кроме железа, среди него и жил, на нем и спал. Вобщем представился дяденька, и в наследство вступила доча, 20 лет с ним не общавшаяся. Вывезли целую машину всякого барахла, в том числе и эту оптику. Оптику знакомый подарил своему знакомому для каких то эксперементов, а тот в свою очередь забросил эту железяку и забыл про нее, на днях он переезжал и выкинул хлам в том числе и эту шикарную штуковину... Вот так меня и вычислили

Ну и докучи за седня у местных гаражей...

Эта оптика от старенького Флюрографа производства ГДР.

главный по тарелочкам
Группа: Участники
Сообщений: 2542
Добавлено: 07-02-2015 21:39
Сегоднешние находки.

В кучке сверхминиатюрных радиоламп 1Ж24Б случайно нет ?

мастер
Группа: Участники
Сообщений: 773
Добавлено: 08-02-2015 01:08
Сегоднешние находки.

В кучке сверхминиатюрных радиоламп 1Ж24Б случайно нет ?

В кучке есть 1Ж29Б и 1п24Б.

гигант мысли
Группа: Участники
Сообщений: 6778
Добавлено: 08-02-2015 04:14
Сегоднешние находки.

На третьем фото вижу 6Е1П....Не меняетесь? Нужны такие...На первом различимы 6П6С, ГУ (29-?), что-то похожее на 6Н8 или 9П...
Ув.ГТ906 , а не смогли бы Вы список составить?
И адрес свалки и часы приезда машин с таким добром....

мастер
Группа: Участники
Сообщений: 773
Добавлено: 08-02-2015 12:08
Прошла Вчерась с ездил на свалку на этот раз в кучке прибавление
Осциллографов.

мастер
Группа: Участники
Сообщений: 773
Добавлено: 08-02-2015 13:16
находки.

вошел во вкус
Группа: Участники
Сообщений: 242
Добавлено: 08-02-2015 13:56
находки.

Такой электронный конструктор я когда-то сыну подарил в 70-х годах и он до сих пор сохранился в рабочем виде. Совсем недавно извлек его из завалов и собрал на его основе радиоприемник. Станций он конечно никаких не принял, т.к. их у нас сейчас просто даже на хороший приемник не слышно нормально, но по крайней мере признаки нормальной работы подавал.

пришел поспрашивать
Группа: Участники
Сообщений: 17
Добавлено: 08-02-2015 17:33
Золотая свалка у ГТ906.

вошел во вкус
Группа: Участники
Сообщений: 242
Добавлено: 08-02-2015 23:30
Золотая свалка у ГТ906.

Да уж, хотел бы я иметь такую в доступной близости. :-)

пришел поспрашивать
Группа: Участники
Сообщений: 17
Добавлено: 09-02-2015 21:26
Осенью нашел на свалке какой то непонятный калькулятор и кучу светофоров. Светофоры большие и тяжелые пришлось разбирать на месте. Светофоры двух типов. Некоторые были совершенно новые, видимо заводской брак (не была выведена проводка), а так как они не разборные их просто выкинули.

вошел во вкус
Группа: Участники
Сообщений: 298
Добавлено: 09-02-2015 22:07
ГТ806
Осенью нашел на свалке какой то непонятный калькулятор

Вы случаем не продаёте этот "непонятный калькулятор"?
Если продаёте - я готов его купить.
P.S. Эл.почта есть в профиле.

мастер
Группа: Участники
Сообщений: 773
Добавлено: 14-02-2015 15:39
Сегоднешние находки.

пришел поспрашивать
Группа: Участники
Сообщений: 17
Добавлено: 14-02-2015 15:45
Сегоднешние находки.

Р-105 нашел, молодец. У меня такая в армии была.

гигант мысли
Группа: Участники
Сообщений: 4411
Добавлено: 14-02-2015 15:58
Р-105 нашел, молодец. У меня такая в армии была.

Это когда-ж такое было, на Даманском?

администратор
Группа: Администраторы
Сообщений: 8045
Добавлено: 14-02-2015 16:35
Р-105 нашел, молодец. У меня такая в армии была.

Это когда-ж такое было, на Даманском?

Могу "по секрету" сказать, что Р-10* по прямому назначению в промышленности использовал до начала 1990-х годов. Потом не знаю, в 1990-м перешел в службу, где эти р/ст. были не нужны. Работали они от НК АКБ и очень хотелось их от этого ярма отвязать. Но не срослось... было много прочих рацух...

мастер
Группа: Участники
Сообщений: 536
Добавлено: 14-02-2015 18:26
Сегоднешние находки.

По центру свипгенератор. В60-е налаживал телики.

вошел во вкус
Группа: Участники
Сообщений: 242
Добавлено: 14-02-2015 19:12
Р-105 нашел, молодец. У меня такая в армии была.

Это когда-ж такое было, на Даманском?

Я меня на складе связи в 1986 году были такие станции на хранении. Использовать я их конечно команду не давал, т.к. были уже станции и нового парка, например Р-148, но и старые были в полной боевой готовности. Правда в одном углу склада лежала просто огромная куча из таких же списанных станций. Бери любую и запускай в работу. :-)

А сам я их начал таскать на своем горбу на занятиях по тактике в 1968 году.

Гость
Добавлено: 14-02-2015 21:34
Р-105 нашел, молодец. У меня такая в армии была.

Это когда-ж такое было, на Даманском?


http://teh-nomad.livejournal.com/1286992.html

пришел поспрашивать
Группа: Участники
Сообщений: 17
Добавлено: 15-02-2015 18:22
Нашел сегодня

Не получается у меня сразу фото выводить. Что делать? Всё получилось. Спасибо

магистр
Группа: Участники
Сообщений: 1307
Добавлено: 15-02-2015 18:37

Не получается у меня сразу фото выводить. Что делать?

Copy-paste BB-code.

пришел поспрашивать
Группа: Участники
Сообщений: 17
Добавлено: 15-02-2015 19:15

Не получается у меня сразу фото выводить. Что делать?

Copy-paste BB-code.

Большое Спасибо.

гроссмейстер
Группа: Участники
Сообщений: 1120
Добавлено: 15-02-2015 19:19
ГТ806, это счетчик эритроцитов или что-то вроде того.

Гость
Добавлено: 15-02-2015 22:19
ГТ806, однокристаллку со "счетчика эритроцитов" обменять на что-нибудь не желаете ли? :)

гигант мысли
Группа: Участники
Сообщений: 6778
Добавлено: 15-02-2015 22:33


Ну ладно, выбрасывают на свалки разные интересные вещи.. Но у Вас, ув. ГТ906 ,да и у других фоорумчан, часто на платах микросхемы, транзисторы и пр. эл-ты позолочены...Неужели, кто выбрасывает, не понимает этого? Могу только предположить, что какие-то новые хозяева высвобождают под свои нужды помещения, склады и прочее, где раньше были организации, так или иначе связанные с электроникой...Они просто не понимают, что выбрасывают???

гигант мысли
Группа: Участники
Сообщений: 6778
Добавлено: 15-02-2015 22:38
Сейчас я чуть не запутался... Пару раз откорректировал свое предыдущее сообщение...Подумал - померещилось, что ли... И ни капли не пил...
Уважаемые форумчане! Обратите внимание, что здесь почти близнецы-братья - ГТ906 и ГТ806 !

магистр
Группа: Участники
Сообщений: 1307
Добавлено: 15-02-2015 22:43
Топикстартер более высокочастотный.

мастер
Группа: Участники
Сообщений: 790
Добавлено: 15-02-2015 23:44
Уважаемые форумчане! Обратите внимание, что здесь почти близнецы-братья - ГТ906 и ГТ806 !

Ну вообще-то, на сколько я знаю - на всех форумах как раз запрещено "клонирование" ников, с целью недопущения такой путаницы как уже возникла в нашем случае!

А еще, попросил бы уважаемого ГТ806 (ВОСЕМЬСОТ шесть), оформлять свои сообщения так - чтобы страница форума не расползалась за пределы "разумного": размещайте в одной строке не больше пяти превьюшек!

пришел поспрашивать
Группа: Участники
Сообщений: 17
Добавлено: 16-02-2015 10:38
Сейчас я чуть не запутался... Пару раз откорректировал свое предыдущее сообщение...Подумал - померещилось, что ли... И ни капли не пил...
Уважаемые форумчане! Обратите внимание, что здесь почти близнецы-братья - ГТ906 и ГТ806 !

Мы с ГТ906 конечно не близнецы-братья , мы даже не знакомы.Но свалка у нас одна ( огромная свалка ). Для нашего различия поставил себе аватарку.

гигант мысли
Группа: Участники
Сообщений: 6778
Добавлено: 16-02-2015 10:50
Мудрое решение, ув.ГТ806 . А то я уже хотел Вас различать по коэффиценту усиления .

Гость
Добавлено: 16-02-2015 10:53
У Вас не свалка, а склад, негде никто не выбрасывает аппаратуру, а только у Вас, я про серьезное (осц., изм., драгметалл особенно). Это фантастика реальная или ....

пришел поспрашивать
Группа: Участники
Сообщений: 17
Добавлено: 16-02-2015 12:51
У Вас не свалка, а склад, негде никто не выбрасывает аппаратуру, а только у Вас, я про серьезное (осц., изм., драгметалл особенно). Это фантастика реальная или ....

Я на свалку хожу редко, может быть за год раз 5. Но за последние годы нашёл 4 осциллографа, 3 частотомера мелкие приборы даже не считал. ЖК телевизоры и бытовую технику, компьютеры и ноутбуки не собираю. Хотя этого хлама там много.

гигант мысли
Группа: Участники
Сообщений: 6778
Добавлено: 16-02-2015 13:01
У Вас не свалка, а склад, негде никто не выбрасывает аппаратуру, а только у Вас, я про серьезное (осц., изм., драгметалл особенно). Это фантастика реальная или ....

Я на свалку хожу редко, может быть за год раз 5. Но за последние годы нашёл 4 осциллографа, 3 частотомера мелкие приборы даже не считал. ЖК телевизоры и бытовую технику, компьютеры и ноутбуки не собираю. Хотя этого хлама там много.

А я вот ищу ноутбук TOSHIBA , в идеале SATELLITE L300, может попадется...Нужен любой - работоспособность и внешний вид не волнуют. Лишь бы его название было...

мастер
Группа: Участники
Сообщений: 804
Добавлено: 16-02-2015 15:08
Ну L300 нет, а древний Libretto L2 еще живой у брата валяется.

Прародитель нетбуков:)

гигант мысли
Группа: Участники
Сообщений: 6778
Добавлено: 16-02-2015 15:42
Как в мультике говорили "Чтобы отчетность не нарушать!"...Вот и мне для этого...

Гость
Добавлено: 16-02-2015 16:27
Ну не все же такие меркантильные, люди чаще всего даже не понимают цену вопроса, потому что не скупердяи. Я тут нидавеча зашел в одну конторку, спрашиваю винты убитые есть??? мне есть, штук двести, незнаем куда дивать уже, я обрадовался, грю возьму все ну рублей по 50-100 за штуку. А мне в ответ, мы их лучше выкинем, ну или на магнитики пустим, чем за дарма отдадим, грю продайте тогда на магнитики или сами магнитики... Нифига, покупайте минимум по 300. Тут дело принципа, не взял, но и они зараза не обманули, всю конторку магнитами утыкали, жаль фотика ссобой не было
А я не превиридлевый для общего образования беру все, а еще страсть как люблю хлам кампутерный, особливо запустишь на досуге экстишку какуюнить и душа радуется, что дал ей шанс на жизнь... кто разбирается тот поймет.
То немногое, что недавича удалось найти. Ажно три транзюка желтых еще советских, а какие процики, тама стока ножек позолоченных, просто ах!!!

мастер
Группа: Участники
Сообщений: 804
Добавлено: 16-02-2015 16:31
486-й АМД зачетный, коллекционный экземпляр. Мне недавно 3 материнки с процами Pentium 2 275MHz Slot1 перепали.Все рабочие.

вошел во вкус
Группа: Участники
Сообщений: 242
Добавлено: 16-02-2015 16:44
Кстати, лежит комп IBM-овский 486sx25 примерно 1993 год выпуска в лежачем корпусе. До недавнего времени был и монитор его родной, но злые духи от него избавились. Последний раз включал его лет 5 назад и он еще работал. Может надо кому. Отдам за просто так, но пересылать никуда не буду. Максимум до Оренбурга могу подвезти.

Гость
Добавлено: 16-02-2015 17:04
Нашел сегодня


На всякий случай переспрошу, а то вопрос в воздухе повис на предыдущей странице: 1827-ю однокристаллку на что-нибудь поменять не хотите ли?

вошел во вкус
Группа: Участники
Сообщений: 225
Добавлено: 18-02-2015 18:25

ГТ 806

http://itmages.ru/image/view/2284636/e8c1f487

платы электрокардиографа

магистр тайных сил
Группа: Участники
Сообщений: 1808
Добавлено: 18-02-2015 19:20
Уважаемый Вадим можете фотосесию магнитофону ВЕСНА-310С-2 сделать?.Очень интересно на что внутри посмотреть.

мастер
Группа: Участники
Сообщений: 627
Добавлено: 19-02-2015 15:18
НашОл на свалке байду какую то гуглил гуглил у Сергея Фролова на сайте в кассовом аппарате наподобии такой есть.
http://www.leningrad.su/museum/show_big.php?n=2343
Короче строго на любителя))
ЦПУ цифропечатающее устройство тут тебе и механика и электроника))всего по чуть! Печатало оно и чек и подкладной бланк и операционный дневник! На дататоре год обрывается в середине 90х))) А ещё ящик запчастей к этой байде ну и кое какие радикомпоненты импульсные трансформаторы и другое))





гигант мысли
Группа: Участники
Сообщений: 4411
Добавлено: 19-02-2015 15:55
А ещё ящик запчастей к этой байде ну и кое какие радикомпоненты импульсные трансформаторы и другое))
Не грех и это показать

Гость
Добавлено: 19-02-2015 16:05
Уважаемый Вадим можете фотосесию магнитофону ВЕСНА-310С-2 сделать?.Очень интересно на что внутри посмотреть.

К большому сожалению, железо валяющееся на улице редко попадается хорошем состоянии, целым и невредимым, как внешне, так и внутри. Фотаю то что от него осталось, правда внутри жила целая семья насекомых, продул пылесосом насколько смог, так что не ругайте, это все таки находка... По всей видимости должна быть еще одна плата универсального усилителя, и возможно блок питания.
Весна М-310С-2 - остатки



мастер
Группа: Участники
Сообщений: 627
Добавлено: 19-02-2015 17:05
А ещё ящик запчастей к этой байде ну и кое какие радикомпоненты импульсные трансформаторы и другое))
Не грех и это показать

Да я не всё кроме этого ЦПУ ещё пертащил оттуда, так прикопал немного))
Там ещё телеграфный аппарат рулонный валяется))
Вот из того что в карманы насувал))
Трансформаторы по видимому от индикации и от памяти на ферритовых кольцах имхо



мастер
Группа: Участники
Сообщений: 536
Добавлено: 19-02-2015 18:42
НашОл на свалке байду какую то гуглил гуглил у Сергея Фролова на сайте в кассовом аппарате наподобии такой есть.

По 341 выкладывал магнитный датчик,но тут другая Искра.Суть одна. Вобщем конструктив один,с вариантом для Минсвязи. А 341 для Сбербанка СССР-нагуглино Вами. Уничтожали их в перестройку.Плат для сдачи на драгмет везли в Минск буханку набитую под крышу.

мастер
Группа: Участники
Сообщений: 790
Добавлено: 19-02-2015 19:04
А мне на днях, за "трофеями" даже идти далеко не пришлось. )
Прямо возле дома, подъезжает к мусорным бакам машина - и из неё выгружают с десяток мешков с разным электронным "добром"!
Я конечно-же, такое неординарное событие - "не смог оставить без своего внимания"!
В общем, после небольшой сортировки на месте - улов выглядел вот так:



Из самого интересного:
"Импульсный Стабилизатор Горения Дуги"


И плата от какой-то крутой "бытовухи" (возможно катушечника) :



главный по тарелочкам
Группа: Участники
Сообщений: 2186
Добавлено: 20-02-2015 00:52
И плата от какой-то крутой "бытовухи" (возможно катушечника)

плата из магнитофона "орель мп-101 стерео"-усилитель мощности...

гигант мысли
Группа: Участники
Сообщений: 6778
Добавлено: 20-02-2015 01:01
Ув. vodoley , а что там на 2-м фото, вверху прямо центру, квадратная коробочка с круглой коричневой шкалой и вроде как с регулятором?

мастер
Группа: Участники
Сообщений: 790
Добавлено: 20-02-2015 01:52
плата из магнитофона "орель мп-101 стерео"-усилитель мощности...

Thin, Спасибо за подсказку!

Магнитофончик действительно был во всех смыслах "крутой"! - http://rw6ase.narod.ru/000/mg/orel101_1s.html

Ув. vodoley , а что там на 2-м фото, вверху прямо центру, квадратная коробочка с круглой коричневой шкалой и вроде как с регулятором?

alex1959, а это реле времени, от стиральной машины 1960-х годов!

магистр тайных сил
Группа: Участники
Сообщений: 1808
Добавлено: 20-02-2015 07:24
ВЕСНА-М-310С-2

Спасибо уважаемый Вадим.Я думал в нее приёмник впихнули попроще,а там полноценная классика на ХА6 и ПС1 + СДА.и К224ФН2 виднеется.

мастер
Группа: Участники
Сообщений: 627
Добавлено: 20-02-2015 10:06
НашОл на свалке байду какую то гуглил гуглил у Сергея Фролова на сайте в кассовом аппарате наподобии такой есть.

По 341 выкладывал магнитный датчик,но тут другая Искра.Суть одна.

Мне вот прямо стало интересно из чего эта металлоёмкая бандура весом около 15кг решил провести дедуктивным методом раследование ибо в интернете пока не нарыл ничего))
Итак это не Искра ибо зачем подкладной документ? Далее есть два посадочных места под клише и для чека и для подкладного документа а в куче запчастей к этому ЦПУ был кусочек обломанного клише где еле-еле прочитывалось МИНСВЯЗИ СССР
и герб СССР рядом! это наводит на чтото посерьёзнее бытового кассового аппарата то есть это какой то типа кассового регистратора для связи опять же зачем подкладной бланк? Отсюда вывод что может быть серьёзнее денег Ну возможно денежные переводы они должны строго контролироваться и как то фиксироваться а потом сверятся ПЕРЕВОД-ОПЛАТА это наводит на мысль что где то возможно в Москве существовал некий единый на всю страну вычислительный центр для сверки этих транзакций))) Интересно в виде чего хранилась информация на магнитных дисках, перфоленте, перфокартах- вообще ни как на чем это всё обрабатывалось?)))
Будут рыть дальше))

ps/ Дабы не плодить посты буду сюда сваливать результаты расследования))
И так на запрос почтово-кассовые машины СССР гугел выдал вот это
Средства П. т. классифицируют в соответствии с основными видами почтовых операций. На операциях приёма и выдачи почтовых отправлений в почтамтах и отделениях связи СССР с 1971 применяют почтово-кассовые машины системы «Онега», к началу 1974 эксплуатировалось свыше 1300 таких машин. С их помощью оформляют приём и выплату денежных переводов, приём ценных писем и бандеролей, посылок, телеграмм и т.п.; машина выдаёт квитанции, ведёт операционный дневник. При помощи перфоратора сведения о принятых и оплаченных почтовых и телеграфных переводах записываются на перфорированную телеграфную ленту и посредством аппаратуры передачи данных (См. Передача данных) передаются по каналам связи в зональные вычислительные центры для автоматического контроля соответствия принятых и оплаченных переводов. В городах, имеющих вычислительные центры, перфолента доставляется непосредственно в эти центры
Сурьёзно однако было в СССР на почте)) перфоленты, вычислительные центры, передача данных по каналам связи!!
Итак возможно это ""ОНЕГА""
Буду копать в сторону Онеги))




гигант мысли
Группа: Участники
Сообщений: 6778
Добавлено: 20-02-2015 10:12

alex1959, а это реле времени, от стиральной машины 1960-х годов!

Понято, спасибо.

вошел во вкус
Группа: Участники
Сообщений: 176
Добавлено: 20-02-2015 11:20
TURBO ,"Онега" создана на базе кассового аппарата серии "Искра". Как пример модели Искра-341. Внешне кассовые аппараты одинаковы. Главное отличие: "Онега" стаяла на специальной металлической тумбе. Внутри которой располагались: перфоратор с катушками и блок сопряжения и управления перфоратором. Других внешних отличий не было.

мастер
Группа: Участники
Сообщений: 627
Добавлено: 20-02-2015 12:44
TURBO ,"Онега" создана на базе кассового аппарата серии "Искра". Как пример модели Искра-341. Внешне кассовые аппараты одинаковы. Главное отличие: "Онега" стаяла на специальной металлической тумбе. Внутри которой располагались: перфоратор с катушками и блок сопряжения и управления перфоратором. Других внешних отличий не было.

Спасибо! Я вот в интеренете всё ни как не могу найти комплекс ОНЕГА целиком и ни малейшего пока упоминания! Завод Курский Счетмашь Феликсы, Искры, печатающие машинки а вот про Онегу ни чего нет(( Всё ж ОНега отличалась и внешне и внутринне. Сейчас нашел обложку журнала Радио за 1981год там на фотке видно что и клавиатура не такая и индикация и у девушки где левая рука внизу ЦПУ есть куда подкладной бланк вставлять))) и опять же нет полной картины а вот там Московский вычислительный центр по обработке инфы от ОНЕГИ, внушает, ЕСки сплошным масивом))

А вот Искра(фото взято с сайта Сергея Фролова)

гигант мысли
Группа: Участники
Сообщений: 4411
Добавлено: 20-02-2015 13:07
электронного комплекса «Онега» — III для приема и обработки почтовых отправлений.

Хотя в книжке Онега-3 выглядит по другому
следующая страница

мастер
Группа: Участники
Сообщений: 627
Добавлено: 20-02-2015 13:32
Ого это вообще какая то старинная Онега вот бы там у неё в кишках поковырятся)) на чем она работала а где перфоратор? Может вот тот ящик справа от тётеньки а с лева вон в ту щель бланк засовывала для печати?
Интересно какая перфолента была на сколько дорожек, какие массивы забивались? Буду рыть дальше, уже драгметчики обещали подкинуть формуляр по Онеге им там было чем поживица))Видать все комплексы поразбомбили, изверги)))

мастер
Группа: Участники
Сообщений: 773
Добавлено: 22-02-2015 20:58
вчерашние находки по С1-73 проехал бульдозер.

вошел во вкус
Группа: Участники
Сообщений: 242
Добавлено: 22-02-2015 21:56
вчерашние находки по С1-73 проехал бульдозер.

Оторвать бы кое-что этому бульдозеристу.

Гость
Добавлено: 22-02-2015 21:59
вчерашние находки по С1-73 проехал бульдозер.

Оторвать бы кое-что этому бульдозеристу.

Бульдозерист тут не при чем, не должен же он объезжать весь хлам, который выкидывают на свалку. Вот тот кто выкинул... да... Лучше раздали бы нуждающимся.... Ну у нас в стране всегда так, лучше выкинуть, чем отдать людям.

гигант мысли
Группа: Участники
Сообщений: 6778
Добавлено: 22-02-2015 22:47
вчерашние находки по С1-73 проехал бульдозер.

Оторвать бы кое-что этому бульдозеристу.

Бульдозерист тут не при чем, не должен же он объезжать весь хлам, который выкидывают на свалку. Вот тот кто выкинул... да... Лучше раздали бы нуждающимся.... Ну у нас в стране всегда так, лучше выкинуть, чем отдать людям.

А у меня С1-73 и дома, и на работе. Хорошая машина, сколько я его по командировкам в машине возил, в багажнике, и хоть бы что, живой!
А вот бульдозера не выдержал...

пришел поспрашивать
Группа: Участники
Сообщений: 86
Добавлено: 23-02-2015 11:29
Хорошая весчь была...

мастер
Группа: Участники
Сообщений: 956
Добавлено: 25-02-2015 16:02

мастер
Группа: Участники
Сообщений: 773
Добавлено: 01-03-2015 17:52
вчерашние находки.

гигант мысли
Группа: Участники
Сообщений: 6778
Добавлено: 01-03-2015 20:03
Настораживает то, что стали выбрасывать платы с КМ-ками....Растёт благосостояние!

Гость
Добавлено: 01-03-2015 22:50
Настораживает то, что стали выбрасывать платы с КМ-ками....Растёт благосостояние!

Кто и Кирова, тот знает о чем речь. В Кирове был завод"Сельмаш", так вот на его убирают. На его месте хотят построить один крупный магазин. При сносе образовываеться огромное количество ценных матерьялов. Так вот ув. alex1959 на свалку было вывезена не одна машина электронного добра, включая платы с дорогими элементами. И это один из тысячи случаев в России.
Сам понимаешь когда у тебя один телевизор и ты его решил разобрать, то ты его разбереш до винтика. Когда у тебя 100 телевизоров, то ты большинство даже разбирать не будешь. Сразу 10ок в помойку унесеш. Это я как пример привел.

мастер
Группа: Участники
Сообщений: 773
Добавлено: 01-03-2015 23:28
Настораживает то, что стали выбрасывать платы с КМ-ками....Растёт благосостояние!

Кто и Кирова, тот знает о чем речь. В Кирове был завод"Сельмаш", так вот на его убирают. На его месте хотят построить один крупный магазин. При сносе образовываеться огромное количество ценных матерьялов. Так вот ув. alex1959 на свалку было вывезена не одна машина электронного добра, включая платы с дорогими элементами. И это один из тысячи случаев в России.
Сам понимаешь когда у тебя один телевизор и ты его решил разобрать, то ты его разбереш до винтика. Когда у тебя 100 телевизоров, то ты большинство даже разбирать не будешь. Сразу 10ок в помойку унесеш. Это я как пример привел.

мне рассказывал знакомый телемастер где то в 94 году на заброшенном предприятий был склад с радиодеталями он набрал по немного разных транзисторов КМ-мок там было что можно было чемоданоми нести позже этот склад снесли и закопали.

мастер
Группа: Участники
Сообщений: 773
Добавлено: 02-03-2015 00:01
Настораживает то, что стали выбрасывать платы с КМ-ками....Растёт благосостояние!

да по городу уже боле года на столбах висят рекламки покупаем радиодетали и промоборудование. все на свалке мало чего будет
нечего по прежнему выбрасывают.

Гость
Добавлено: 02-03-2015 06:19
О чем вы вообще говорите, сейчас скупают все, электронику, бытовую технику, книги, мебель... приедут заберут и еще спасибо скажут. Но простой обыватель сильно не заморачивается и выкидывает все на свалку. На снимке видно, что чего-то выдрали (чего непонятно), а серебро оставили. А про драгметаллы знают только продвинутые пользователи помоек, остальные довольствуются малым. Книги отдельная тема, вот конкретный пример, возможно этот труд уже не представляет практического интереса, но год издания и тираж уже предполагают что это раритет, который оказался на свалке...


мастер
Группа: Участники
Сообщений: 773
Добавлено: 03-03-2015 21:33
О чем вы вообще говорите, сейчас скупают все, электронику, , книги, мебель... приедут заберут и еще спасибо скажут. Но простой обыватель сильно не заморачивается и выкидывает все на свалку. На снимке видно, что чего-то выдрали (чего непонятно), а серебро оставили. А про драгметаллы знают только продвинутые пользователи помоек, остальные довольствуются малым. Книги отдельная тема, вот конкретный пример, возможно этот труд уже не представляет практического интереса, но год издания и тираж уже предполагают что это раритет, который оказался на свалке...


у нас из бытовой электроники не скупают.
если пройти по помойкам из бытовой электроники найти почти ежедневно пылесосы видики мониторы телевизоры.
вот сегодняшнея находка.

магистр
Группа: Участники
Сообщений: 1324
Добавлено: 05-03-2015 17:37
Настораживает то, что стали выбрасывать платы с КМ-ками....Растёт благосостояние!


А вы считаете, что КМ-ки сейчас годятся только для сдачи ломовикам?
Я до сих пор не нашел им современной альтернативы. Если я что-то делаю, то делаю это максимально качественно, и везде у меня советские КМ-ки используются, где габариты позволяют. Результат всегда один - сделал и забыл. Никаких жалоб, ни на надежность, ни на работоспособность.

У меня знакомый тоже сдал все, а потом не мог найти десяток качественных конденсаторов, для своей же собственной разработки. Пришлось наскребать у себя. Нашлись, но все БУ, выводы короткие, ему их пришлось местами наращивать, зато схему запустил. Ну, и стоило оно того, человеку в достатке, за лишнюю 1000 рублей, лишний геморр себе зарабатывать!?

Осталась у меня сейчас пара горстей разных КМ-ок, берегу, как могу. У нас и так дыра-дырой, а после нескольких волн выстригания с плат, в том числе и на градообразующем предприятии, КМ-ки у нас днем с огнем не сыщешь.

мастер
Группа: Участники
Сообщений: 542
Добавлено: 05-03-2015 19:52
И я того же мнения. КМки берегу как зеницу ока. Ибо профита не вижу в них. Жаль, что они б/у-шные, но стой же стойки ВЧ-связи их нашкреблось 1.5 сотни на 47нф. Подобной участи может удостоиться и С1-103, в случае неисправности.

Хорошие свалки, однако. Я только нашёл за последнее время БДЭГ и питальник к нему. Ну и пару "Юностей" переносных, середины 70ых.

магистр
Группа: Участники
Сообщений: 1411
Добавлено: 05-03-2015 21:07
А вы считаете, что КМ-ки сейчас годятся только для сдачи ломовикам?

ИНОГДА- да.К сожалению. Например, когда лежащий на плате КМ-6-1мкФ залит лаком вровень с поверхностью.

...Я тут показывал блоки с АПЛ в теме авионика, они там красивые такие все, НО: при выпайке с К52-х лак слез наполовину аккурат вместе с краской, КМ-кам повезло больше, они стояли в держателях .
И лежит эта куча вся на обмен ломовикам на что-то более адекватного вида. Хотя все рабочее, выводы на месте, ибо я их очень аккуратно отпаял. Я бы даже так сказал, это ни разу не работавшие компоненты...

Не люблю, когда в конструкциях стоят ободранные детали...

мастер
Группа: Участники
Сообщений: 773
Добавлено: 05-03-2015 21:24
находки сегодня.

Гость
Добавлено: 05-03-2015 22:01
Настораживает то, что стали выбрасывать платы с КМ-ками....Растёт благосостояние!


А вы считаете, что КМ-ки сейчас годятся только для сдачи ломовикам?
Я до сих пор не нашел им современной альтернативы. Если я что-то делаю, то делаю это максимально качественно, и везде у меня советские КМ-ки используются, где габариты позволяют. Результат всегда один - сделал и забыл. Никаких жалоб, ни на надежность, ни на работоспособность.

У меня знакомый тоже сдал все, а потом не мог найти десяток качественных конденсаторов, для своей же собственной разработки. Пришлось наскребать у себя. Нашлись, но все БУ, выводы короткие, ему их пришлось местами наращивать, зато схему запустил. Ну, и стоило оно того, человеку в достатке, за лишнюю 1000 рублей, лишний геморр себе зарабатывать!?

Осталась у меня сейчас пара горстей разных КМ-ок, берегу, как могу. У нас и так дыра-дырой, а после нескольких волн выстригания с плат, в том числе и на градообразующем предприятии, КМ-ки у нас днем с огнем не сыщешь.

На одном достаточно большом предприятии в цеху сплошь сменили КМ на К10-7в, причем очень аккуратно - я даже засомневался, что в оригинале аппарата могли поставить такое Д.
Вообще лично я стараюсь ставить в проектируемое железо К10-17-1в, К10-17-2в - до 1993 г. строго, почти уже все из магазинов Москвы повыгребал.
А для единичных поделок ставлю КМ5 и КМ6 из старых стендов - они там с длинными ножками...

Гость
Добавлено: 05-03-2015 23:09
А вы считаете, что КМ-ки сейчас годятся только для сдачи ломовикам?

Еще как считается. Есть некая компания ОАО, так вот один из филиалов этой компании начал оптимизировать производство(модно это сейчас), в оптимизацию входило избавление от линий связи и все что к этой линии привязано. А к линии было дох..я чего привязано начиная от приборов и кончая стойками передатчиков. Вы думайте, что все разошлось по кладовкам, а вот и не тушки. Все согласно описи и документации было сдано на афинажную переработку. Это вам не школьные компьютеры по карманам тырить, начальство которое работает в таких местах прекрасно знает где что и сколько за это можно получить на баланс предприятия. Многие мастера тогда горько переживали, что первоклассные приборы пошли на утиль.

магистр
Группа: Участники
Сообщений: 1411
Добавлено: 06-03-2015 12:44
На одном достаточно большом предприятии в цеху сплошь сменили КМ на К10-7в

Это нормально, если не рукожопы меняли. И если со знанием к делу подходили...

...Работал пару лет назад на заводе в ЦЗЛ, ремонтировал приборы, принесли 10 штук Г5-56 начала 80-х, я в них аккуратно все блокировочные КМ-5б-33н-Н30 поменял на К10-17-1в-100н-Н50 . Платы промыл и лаком покрыл, просушил в термопечке. Генераторы протестировал потом, естессно...
Эти самые К10-17, к слову, там собирались выбрасывать на помойку (так и есть, в контейнер с мусором) при сдаче нескольких помещений в аренду. Набралось их тогда около 5кг разных номиналов....

Вершиной искусства в таком "удешевлении" устройств для меня было, когда в небезизвестной ЭВМ ДВК кто-то не только все КМ-ки на К10-17 поменял, а еще и разъем РППМ16-288 с кросс-платы выпаял !!!!! аккуратно !!!!, и поменял на такой же, но только без AU-покрытия (выпускался и такой убогий вариант этого разъема)

магистр
Группа: Участники
Сообщений: 1324
Добавлено: 07-03-2015 07:15
а еще и разъем РППМ16-288 с кросс-платы выпаял !!!!! аккуратно !!!!, и поменял на такой же


Тут все от "рукоЖо" зависит. Мне однажды доводилось поврежденный AGP слот с "донора" пересаживать, а контактные площадки, как и сами контакты, там поуже будут, чем на РППМ16-288, да и дорожки тоже, с комариный "этот самый". Как всегда подошел к делу с максимальной ответственностью, вся процедура заняла около 40 минут, "донора посадил" идеально, места пайки лучше заводских выглядели.

Гость
Добавлено: 07-03-2015 08:31
На одном достаточно большом предприятии в цеху сплошь сменили КМ на К10-7в

Это нормально, если не рукожопы меняли. И если со знанием к делу подходили...

...Работал пару лет назад на заводе в ЦЗЛ, ремонтировал приборы, принесли 10 штук Г5-56 начала 80-х, я в них аккуратно все блокировочные КМ-5б-33н-Н30 поменял на К10-17-1в-100н-Н50 . Платы промыл и лаком покрыл, просушил в термопечке. Генераторы протестировал потом, естессно...
Эти самые К10-17, к слову, там собирались выбрасывать на помойку (так и есть, в контейнер с мусором) при сдаче нескольких помещений в аренду. Набралось их тогда около 5кг разных номиналов....

Вершиной искусства в таком "удешевлении" устройств для меня было, когда в небезизвестной ЭВМ ДВК кто-то не только все КМ-ки на К10-17 поменял, а еще и разъем РППМ16-288 с кросс-платы выпаял !!!!! аккуратно !!!!, и поменял на такой же, но только без AU-покрытия (выпускался и такой убогий вариант этого разъема)

Н50 не особо сильно меньше содержат того самого вещества, что и пресловутые Н30. А содержание К10-17-Хв раза в 2 поменьше, чем в КМ5. Бескорпусные К10-17 весьма похожи по содержанию на КМ5 - в % от веса.
А вот по параметрам , особенно ТКЕ К10-17 - Г.

магистр
Группа: Участники
Сообщений: 1411
Добавлено: 07-03-2015 21:15
Конечно же К10-17 в сравнении с КМ есть Г . На микрофарадах. При сотнях пФ они одинаковые по параметрам.
Поэтому при замене, во-первых, я увеличил емкость в 3 раза, во-вторых, на 90% именно в этом генераторе КМ-ки блокирующие емкости по входным цепям ДУ, которое никто никогда не использует...

главный по тарелочкам
Группа: Участники
Сообщений: 2542
Добавлено: 07-03-2015 22:38
А нельзя ли чуть подробнее о проблемах К10-17 номиналов 0,015-0,47 мкФ группы Н90 ?

магистр
Группа: Участники
Сообщений: 1411
Добавлено: 08-03-2015 13:37
Значительно меньшая площадь кристалла и обкладок по сравнению с КМ, а значит (касается Н30, Н50, Н90 ТКЕ):

1. Меньшая допустимая мощность. Решается соединением нескольких параллельно.
2. Стабильность емкости в зависимости от температуры. Плавает, сам проверял в теплокамере. Решается суммарной бОльшей емкостью.

В моем случае было актуально для выходных емкостей ИИП, тест на безотказность при максимальных нагрузках и терморежимах для ПЗ на соответствие 5 приемке.

Решилось "в лоб": изначально емкости выбирались со 100% запасом, и на нестабильность их все поклали. Военка, имхо. Параметры по ТЗ блок выдержал, это главное.

3. Не рекомендуется использовать в качестве переходных в звуковом тракте. Искажения сигнала. Там, конечно и КМ не рекомендуется использовать, но К10-17 совсем гуано. Но это частный случай, они для звука и не разрабатывались.

Отсюда вывод:
-как блокировочные для цифровых и низкочастотных схем можно ставить 1:1 в пропорциях к КМ.
-при применении в качестве блокировочных в ВЧ-схемах, либо критичных к стабильности по емкости, выбираем комбинацию из ТКЕ на порядок лучше, чем у КМ, и/или емкость увеличиваем в 2-3 раза. А также параллельное соединение.

главный по тарелочкам
Группа: Участники
Сообщений: 2542
Добавлено: 08-03-2015 14:22

Думал прочесть что-то новое, а здесь вполне обычные вещи. Напряжение и реактивная мощность для КМ выше, что легко объяснимо. Меня же интересовали проблемы для случая применения К10-17 в качестве блокировочных в цепях питания.

мастер
Группа: Участники
Сообщений: 773
Добавлено: 08-03-2015 14:54
вчера с ездил на свалку.

мастер
Группа: Участники
Сообщений: 773
Добавлено: 08-03-2015 15:56
что то самодельное.

администратор
Группа: Администраторы
Сообщений: 8045
Добавлено: 08-03-2015 16:56
что то самодельное.

Напоминает генератор телевизионных тестовых сигналов (шахматное поле и т.д.) Можно включить и посмотреть что на выходе.

пришел поспрашивать
Группа: Участники
Сообщений: 17
Добавлено: 08-03-2015 20:28
что то самодельное.

Да это генератор теле.сигналов. Когда то делал такой же.

Гость
Добавлено: 09-03-2015 02:08

у прибора ГТ906 одна из плат № 7.102.070.

Интересное продолжение выскочило у меня на компе. Конечно все это лишь алфавитный порядок, но от этого он менее интересным не становится. Вот что получилось.
Этот прибор я показывал тут ЭСО-5
Но мне интересна вот эта фота с №7.102.071

Фигня конечно но, что-то у этих приборов есть общее.

мастер
Группа: Участники
Сообщений: 804
Добавлено: 09-03-2015 10:00
Возможно, есть общее, однако, Эта плата: с сервисного блока для отечественных автомобилей. То ли измеритель оборотов коленвала, то ли еще что-то, не помню точно, но факт в том, что именно такая плата мне под распайку попадалась. Если удастся найти переднюю панель, отфотографирую.

гигант мысли
Группа: Участники
Сообщений: 4878
Добавлено: 09-03-2015 12:37
Там кстати и указано ниже что это не электрический счетчик, а Электронный Счетчик Оборотов

мастер
Группа: Участники
Сообщений: 804
Добавлено: 09-03-2015 12:54
Видел

главный по тарелочкам
Группа: Участники
Сообщений: 2474
Добавлено: 09-03-2015 14:21
у прибора ГТ906 одна из плат № 7.102.070.

Интересное продолжение выскочило у меня на компе. Конечно все это лишь алфавитный порядок, но от этого он менее интересным не становится. Вот что получилось.
Этот прибор я показывал тут
Но мне интересна вот эта фота с №7.102.071
Фигня конечно но, что-то у этих приборов есть общее.

Уж не знаю, что вы хотите найти общего у плат по номеру 7.102.ХХХ.
Так обозначались чудовищное количество плат, выпускаемое почти всеми радиозаводами СССР, при условии, что документация велась по Н0.000.005 МНСЧХ. "7.102." по данному стандарту означает лишь, что это "Детали - платы с печатным монтажом". Не больше и не меньше.
Еще раз. Смотреть надо не на цифры, а на буквы.

мастер
Группа: Участники
Сообщений: 804
Добавлено: 09-03-2015 14:24
Как бы то нибыло, назначение устройств одинаковое - счетчики оборотов.

Гость
Добавлено: 09-03-2015 21:11
Так обозначались чудовищное количество плат, выпускаемое почти всеми радиозаводами СССР, при условии, что документация велась по Н0.000.005 МНСЧХ. "7.102." по данному стандарту означает лишь, что это "Детали - платы с печатным монтажом". Не больше и не меньше.

Alan,дык я и не претендую на что-то сверхестественное,ясень перец, что это номера плат с печатным монтажом. Для меня эти номера наверно сродни нумизматике, хочется собрать хотя-бы сотую часть этих номеров с обязательным фото платы. Их всего-то ничего несколько десятков миллионов.
Например у меня на данный момент индекс 7.150.ххх принадлежит только нескольким телевизорам,а номер который начинаеться на 3(три).ххх.ххх вообще у меня не имеет бытовых плат. Конечно на данный момент самый распространенный это 7.ххх.ххх, они у меня начинаються с 7.100.ххх и заканчиваеться 758.ххх.ххх.
Дорогой Alan, каждый сходит с ума по своему, вот и я свой бзик получил.

гигант мысли
Группа: Участники
Сообщений: 7902
Добавлено: 09-03-2015 22:55
тоесть иными словами - объять необъятное

вошел во вкус
Группа: Участники
Сообщений: 176
Добавлено: 10-03-2015 18:44
Вот такой улов с одной специфической свалочки:

Гость
Добавлено: 10-03-2015 18:57
Лев ты правильно все понял. Тут большинство, что-то колекционируют но все это требует места и ухода. Я не могу себе позволить такую роскошь, хоть и живу в частном доме. Неизвестно кому моя коллекция попадет после меня. Говорю это на полном серьезе и привожу лишь один пример из сотни.
Пришла ко мне женщина и спрашивает: "вам такое ненужно?", и показывает сумку с наваленным миксом радиодеталей. У меня естественный вопрос возник: "откуда дровишки?". В итоге все очень просто оказалось. Был муж и занимал должность в системе магистральной связи ну и как все радиолюбители копил и планировал на пенсии, что-то поделать. А тут инфаркт и все добро по сути осталось никому ненужно. Дети уехали, жене понятно пофиг, вот она и почти все выбросила на свалку, но кто-то подсказал ей показать мне.
Таких посетителей просто масса, кто массово избавляеться от непосильно нажитого, вот, я и потихоньку пришел к мысли коллекционировать то, что никогда нельзя будет полностью собрать, а главное не так жалко потерять. Честно сказать Лев мне твоя позиция по сканированным бумагам стала очень близка. Во первых, как говорят фото "жрать не просит", а во вторых опять же польза от разбора плат таки присутствует. Наверно я реалистом становлюсь и в случае беды внешний диск всегда проще в карман положить чем все накопленное и осязаемое.

гигант мысли
Группа: Участники
Сообщений: 7902
Добавлено: 10-03-2015 19:09
ты даже не представляеш сколько раз я уже говорил Александру что с меня хватит, что я не знаю где я буду завтра, и тп и тд.. Но вот ему периодически что то подбросят, тот конечно видит что документация которой либо нет уже нигде, либо там где она есть, она никому не нужна.. Тогда он просит меня - отскань это, ну еще один раз.. Сканю..

Гость
Добавлено: 16-03-2015 13:46
Оставте завещание, мол коллекцию прошу передать, продать, подарить...
Среди прочего бутора найдены ясчичек без опознавательных знаков с динамиком внутри...

Ну и модуль цветности от ламповой бандуры, ностальгия однако, сколько сил было когда то потрачено на ремонт этих теликов, недавно видел у одного на даче, до сих пор пашет, изображение какое-то мягкое, глаз радует, да и звук хоть и далекий от совершенства, но такой до боли знакомый..



мастер
Группа: Участники
Сообщений: 804
Добавлено: 16-03-2015 13:50
Ящичек с динамиком от кинопередвижки какой-то, вроде "Украины", у меня такой-же на работе валяется.

мастер
Группа: Участники
Сообщений: 773
Добавлено: 16-03-2015 18:31
находки выходные дни.

мастер
Группа: Участники
Сообщений: 773
Добавлено: 20-03-2015 15:28
Сегодня приволок мешок плат.

гроссмейстер
Группа: Участники
Сообщений: 1017
Добавлено: 20-03-2015 19:06
>ГТ906
>Сегодня приволок мешок плат.

1970год
Необычная находка.
Если есть возможность,дайте фото,чтобы можно было видеть надписи на элементах.
ОС29-винтажный германий.
http://www.ebay.com/itm/OC29-CV7083-GERMANIUM-POWER-TRANSISTOR-MULLARD-/260509914854
Пойдут в винтажный усь типа Korting A500 или другой ватт до 15.
Получше наших 100кгц транзисторов на то время

ОС29
250кгц 48V 30W 6A

Мои новенькие ОС29

Гость
Добавлено: 21-03-2015 07:49
У меня находки попроще...

главный по тарелочкам
Группа: Участники
Сообщений: 2542
Добавлено: 21-03-2015 13:29
Мда, целый МК52 с блоками расширения

Гость
Добавлено: 21-03-2015 14:15
Совершенно случайно заглянул в мусорный бак, около гаражей в одном "интересном городе". От чего это? много чего повыкусано.. даже разьемы с мясом откусаны...

На последнем фото интересный навесной монтаж микросхемы)))

главный по тарелочкам
Группа: Участники
Сообщений: 2542
Добавлено: 21-03-2015 14:40
От терминала для большой ЭВМ. На "Форум железных призраков" уже такое опознали. ПЗУ в зелёных панельках удерживались скобами.

вошел во вкус
Группа: Участники
Сообщений: 176
Добавлено: 22-03-2015 05:20
дмитряй , От терминала СМ-7238.

Гость
Добавлено: 27-03-2015 15:14
дмитряй , От терминала СМ-7238.

и правда от него!

а это из той же мусорки..


мастер
Группа: Участники
Сообщений: 773
Добавлено: 06-04-2015 21:14
находки выходные дни.

магистр тайных сил
Группа: Участники
Сообщений: 1808
Добавлено: 07-04-2015 00:53
Уважаемый ГТ906 на втором фото в верху слева случайно не микросхема ILA1191N(CXA1191) стоит?

мастер
Группа: Участники
Сообщений: 773
Добавлено: 07-04-2015 12:32
она самая (Минское НПО ''Интеграл'') микросхема ILA1191NS

Гость
Добавлено: 07-04-2015 15:33
А у меня в этот раз небогато, Вега и Увлажнитель Бриз

Гость
Добавлено: 07-04-2015 15:36
находки выходные дни.
Слева внизу плата от какого то самописца, стояла в усилителе.

мастер
Группа: Участники
Сообщений: 773
Добавлено: 09-04-2015 22:34
находки выходные дни.
Слева внизу плата от какого то самописца, стояла в усилителе.

Слева внизу нашел е мусоре а справа верхния плата снял самописца,

гигант мысли
Группа: Участники
Сообщений: 6778
Добавлено: 10-04-2015 22:52
Не со свалки, но из заброшенной кладовки. Начал выпаивать некоторые резисторы, и обратил внимание, что есть любопытны элементы...Поэтому фото платы после начала демонтажа.Помнится, это был какой-то "Урал", или 114, или другой...Несколько фоток перекину в соответствующие разделы.

мастер
Группа: Участники
Сообщений: 990
Добавлено: 10-04-2015 23:31
Ничего там нет любопытного.

гигант мысли
Группа: Участники
Сообщений: 6778
Добавлено: 11-04-2015 00:13
Ничего там нет любопытного.

Ну, допустим, об конденсаторе ЭМ-Н здесь встретил упоминания, а поиск фото ничего не дал (или я не нашел)...

вошел во вкус
Группа: Участники
Сообщений: 169
Добавлено: 11-04-2015 11:39
Вот опять выкинули старое оборудование но в нэте почемуто не смог найти ни капельки информации по электронике МС53301,может ктонибудь что то подскажет,внутри вот так выглидят платы http://storage3.static.itmages.com/i/15/0411/h_1428739981_8176006_01023c9add.jpg

вошел во вкус
Группа: Участники
Сообщений: 176
Добавлено: 11-04-2015 13:54
crona , Нечёсе "свалочка" !Это похоже на спец изделеие (БЦВМ) надо пару фоток того , что внутри. Чего ещё интересного рядом с таким изделием лежало ?

вошел во вкус
Группа: Участники
Сообщений: 298
Добавлено: 11-04-2015 14:17
Вот опять выкинули старое оборудование но в нэте почемуто не смог найти ни капельки информации по электронике МС53301,может ктонибудь что то подскажет,внутри вот так выглидят платы http://storage3.static.itmages.com/i/15/0411/h_1428739981_8176006_01023c9add.jpg

встану в очередь, если надумаете продавать.

магистр тайных сил
Группа: Участники
Сообщений: 1808
Добавлено: 11-04-2015 15:13
она самая (Минское НПО ''Интеграл'') микросхема ILA1191NS


Спасибо.Есть у меня такая платка в том-же состоянии.От какого-то неизвестного четырёх программного УКВ радиоприёмника.Может кто знает что это за радио? На плате логотип который ставили на телевизор САДКО.Что-то Новгородское.

вошел во вкус
Группа: Участники
Сообщений: 176
Добавлено: 11-04-2015 15:34
crona , это Ваша свалка случайно к ЖД отношение не имеет ?

гигант мысли
Группа: Участники
Сообщений: 4411
Добавлено: 11-04-2015 15:38
но в нэте почемуто не смог найти ни капельки информации по электронике МС53301,может ктонибудь что то подскажет,внутри вот так выглидят платы

Это модуль от Электроники НЦ-40Б, может быть внешняя память. Для орбитальных станций, Свалка понятно какого учереждения.

вошел во вкус
Группа: Участники
Сообщений: 169
Добавлено: 11-04-2015 17:37
Вот опять выкинули старое оборудование но в нэте почемуто не смог найти ни капельки информации по электронике МС53301,может ктонибудь что то подскажет,внутри вот так выглидят платы http://storage3.static.itmages.com/i/15/0411/h_1428739981_8176006_01023c9add.jpg





вошел во вкус
Группа: Участники
Сообщений: 169
Добавлено: 11-04-2015 17:42
Вот опять выкинули старое оборудование но в нэте почемуто не смог найти ни капельки информации по электронике МС53301,может ктонибудь что то подскажет,внутри вот так выглидят платы http://storage3.static.itmages.com/i/15/0411/h_1428739981_8176006_01023c9add.jpg

Внутри


http://itmages.com/image/view/2448750/01023c9a
http://itmages.com/image/view/2449473/1502c17c


Много чего есть и много чего запускается и функционирует как текущее изделие,чуть позже выложу!

Гость
Добавлено: 11-04-2015 17:56
находки выходные дни.
Слева внизу плата от какого то самописца, стояла в усилителе.

Слева внизу нашел е мусоре а справа верхния плата снял самописца,

У меня от этих блоков остались одни этошки, игольчатые радиаторы и шильдики, так что находка в мусорке не говорит о том что эта плата от мусорки

мастер
Группа: Участники
Сообщений: 868
Добавлено: 12-04-2015 09:29
Вот опять выкинули старое оборудование но в нэте почемуто не смог найти ни капельки информации по электронике МС53301,может ктонибудь что то подскажет,внутри вот так выглидят платы http://storage3.static.itmages.com/i/15/0411/h_1428739981_8176006_01023c9add.jpg


crona, будут ли фото плат в хорошем разрешении?

гигант мысли
Группа: Участники
Сообщений: 4878
Добавлено: 12-04-2015 13:36

crona, будут ли фото плат в хорошем разрешении?

Поддерживаю!

Гость
Добавлено: 12-04-2015 15:06

пришел поспрашивать
Группа: Участники
Сообщений: 17
Добавлено: 20-04-2015 18:45
В воскресение ездил на свалку первый раз в этом году. Свалка горит, воняет химией, пожарники всех гоняют. В общем не удачная попытка открыть сезон находок. Ждём хороших дождей.

вошел во вкус
Группа: Участники
Сообщений: 176
Добавлено: 22-04-2015 05:12
очередной набор деталей:

гигант мысли
Группа: Участники
Сообщений: 6778
Добавлено: 22-04-2015 08:15
Конденсаторы ЭТО - похоже, что не паяны?
Хороши держатели для лампочек подсветки с красными "глазками"...

главный по тарелочкам
Группа: Участники
Сообщений: 2474
Добавлено: 22-04-2015 10:09
Конденсаторы ЭТО - похоже, что не паяны?

Те, которые с белесым налетом, вполне могли "протечь". Проверьте. На одном (что в центре) четко виден свищ.

гигант мысли
Группа: Участники
Сообщений: 6778
Добавлено: 22-04-2015 10:37
В 80-х годах потребовалось серебро для анода в гальваническую ванночку...Распиливали ЭТО, серебряные колпачки плавили в муфельной печи и потом придавали нужную форму. Только очень электролит там едкий, осторожнее надо быть .

администратор
Группа: Администраторы
Сообщений: 8045
Добавлено: 22-04-2015 10:43
Только очень электролит там едкий, осторожнее надо быть

Там электролит - серная кислота.

гигант мысли
Группа: Участники
Сообщений: 6778
Добавлено: 22-04-2015 11:02
Ясно. Но тогда не знал и несколько дырок на брюках красивых, строго круглых получилось .

вошел во вкус
Группа: Участники
Сообщений: 176
Добавлено: 22-04-2015 16:40
Alan , Спасибо за подсказку действительно , выявлено 4 конденсатора имеющие дефекты корпуса. Такое вижу впервые , конденсаторы новые , видимо были нарушены условия хранения.
В конденсаторах которые БУ таких дефектов не видел (Это , К52-2).

главный по тарелочкам
Группа: Участники
Сообщений: 2474
Добавлено: 22-04-2015 16:47
Alan , Спасибо за подсказку действительно , выявлено 4 конденсатора имеющие дефекты корпуса. Такое вижу впервые , конденсаторы новые , видимо были нарушены условия хранения.
В конденсаторах которые БУ таких дефектов не видел (Это , К52-2).

Пожалуйста!
Явление это не редкое, у нас оно уже обсуждалось. Видимо, дефект уплотнительной резинки, возможно от старости.
Обсуждалось, в частности.здесь и здесь.

пришел поспрашивать
Группа: Участники
Сообщений: 17
Добавлено: 27-04-2015 17:37
Небольшие находки .

мастер
Группа: Участники
Сообщений: 868
Добавлено: 27-04-2015 17:58
Куда то пропал ув.crona с фото плат от МС53301

мастер
Группа: Участники
Сообщений: 773
Добавлено: 27-04-2015 23:19
Находки за апрель фотоаппарат кодак час снимки делаю с него.
пришла весна стали много выбрасывать телевизоры.

Гость
Добавлено: 28-04-2015 00:56
Со свалки вот нашел еще по зиме - вот только извлек на свет (кстати упаковано юыло как для отправки "Почтой России" в соседнюю галактику ), отмыл. Не совсем электроника, но все-ж интересно - что за такие присоединительные порты в виде шариков. Такое ощущение, что работал под вакуумом. Вот думаю шарики аккуратно сколоть, прогрев нихромовой проводокой пл током и вклеить отрезки трубки накаком-ниюудь кремнеорганическом герметике с адгезией к стеклю отрезочки просто трубки и готов влагоотделитель (осушитель....).

Интересно от чего это было. Маркировка на упаковке англоязычная, но многие строки почему-то закрашены черной краской....были ???? К сожалению упаковка настолько промокшей была, что наружнюю сразу выкинул, оставил только внутренние бумажные пакеты.

ЗЫЖ Картинки кликабельны

пришел поспрашивать
Группа: Участники
Сообщений: 68
Добавлено: 30-04-2015 15:04
Это обычная склянка Дрекселя, вот типо такой (только иностранного производства): http://labtime.ua/ru/skljanka-drekselja-500-ml-dlja-promyvki-gazov-chehija/p11876
На сферических шлифах...
Применяют её весьма часто в лабораториях для пробулькивания газов через жидкость, цели у этой операции могут быть разные, например осушка газа (в качестве жидкого осушителя применяют обычно концентрированную серную кислоту), или например для очистки газов от различных нежелательных примесей других газов или легколетучих веществ, или для поглощения газов жидкостями - так например получают соляную кислоту растворяя хлористый водород (газ) в воде - делают это пробулькиванием газа через воду и применяют в лабораториях приборы, подобные этому - различные газопромыватели/газопоглотители, и т.п.
В общем штука весьма полезная (для лабы), но она практически всегда применяется в составе какой-либо установки, её частью...

мастер
Группа: Участники
Сообщений: 713
Добавлено: 30-04-2015 18:42
ГТ906 Находки за апрель

Во втором ряду второе фото среди телевизионных плат явно затесался УКВ приёмник.Интересно что там за микросхема,маркировку не видно.Или она без маркировки.

Гость
Добавлено: 30-04-2015 19:05

На сферических шлифах...


Так не держаться эти соединения - как их соединяют - если тольуо внутр разряжение ?

магистр тайных сил
Группа: Участники
Сообщений: 1808
Добавлено: 30-04-2015 19:42
ГТ906 Находки за апрель

Во втором ряду второе фото среди телевизионных плат явно затесался УКВ приёмник.Интересно что там за микросхема,маркировку не видно.Или она без маркировки.


http://rw6ase.narod.ru/000/rprl_p1/rossija_rp221.html

мастер
Группа: Участники
Сообщений: 773
Добавлено: 30-04-2015 21:18
ГТ906 Находки за апрель

Во втором ряду второе фото среди телевизионных плат явно затесался УКВ приёмник.Интересно что там за микросхема,маркировку не видно.Или она без маркировки.

микросхема TEA5710 вот мой фотки http://rw6ase.narod.ru/000/rprl_p1/rossija_rp221.html

мастер
Группа: Участники
Сообщений: 713
Добавлено: 30-04-2015 23:01
Спасибо!

пришел поспрашивать
Группа: Участники
Сообщений: 68
Добавлено: 02-05-2015 01:33

На сферических шлифах...


Так не держаться эти соединения - как их соединяют - если тольуо внутр разряжение ?



их специальными скобами скрепляют, что бы не расходились...
применяются как при норм. условиях, так и под вакуумом...
Вот ГОСТ на них: http://standartgost.ru/g/%D0%93%D0%9E%D0%A1%D0%A2_9737-93
А тут про эти самые скобы (см. рис. 38): http://uchebana5.ru/cont/1308644-pall.html

Гость
Добавлено: 03-05-2015 18:49
Весь апрель ничего не было... Это за первые дни мая...

Гость
Добавлено: 03-05-2015 19:50
Самое интересное здесь 3DFx Monster 2
Хорошая была вещь, особенно в паре...

Гость
Добавлено: 03-05-2015 21:13
Весьма распространенная и заурядная на сегодня карточка. Мне больше приглянулись часы. На них написано часы ночник и номер ТУ, поиск ничего не дал, знать бы правильное их название.

Гость
Добавлено: 03-05-2015 21:44
Никто не спорит, что ныне она заурядная. Я имел в виду, что среди другого барахла того времени она резко выделяется Такие стоили около сотни долларов в свое время, в то время как портовки и видюшки были куда дешевле.

мастер
Группа: Участники
Сообщений: 542
Добавлено: 08-05-2015 18:39
Нашёл забавную помоечку, где были раздербанены старые игровые автоматы. Взял кучу купюроприёмников (14 штук) И два монитора, один грохнутый и один вполне нормальный, с разбитым защитным стеклом. Ну и уже давненько нашёл старый ксерокс.

мастер
Группа: Участники
Сообщений: 773
Добавлено: 09-05-2015 17:46
Вчерашние находки.

гигант мысли
Группа: Участники
Сообщений: 7902
Добавлено: 09-05-2015 18:00
ГТ906

- а можна вас попросить назвать заводской номер и год выпуска этого осциллографа С1-68 (на задней стенке) - если не затерт конечно..

пришел поспрашивать
Группа: Участники
Сообщений: 17
Добавлено: 09-05-2015 19:22
Вчерашние находки.

Эксан-г анализатор глюкозы. Сейчас практически не используются. У меня есть пара таких.

вошел во вкус
Группа: Участники
Сообщений: 151
Добавлено: 11-05-2015 22:35
По поводу С1-68, по внешнему виду, прибор года так 1975-77 плюс минус.
У самого два таких 76 и 84 годов.

гигант мысли
Группа: Участники
Сообщений: 7902
Добавлено: 12-05-2015 07:41
Вы видимо не совсем понимаете зачем мне номера и годы лортовских приборов - http://offtop.ru/dustyattic/v1_700390_170_.php
Благодаря статистике удалось выяснить кодировку дат в заводских номерах ЛОРТА, а теперь мне просто нужны данные для дальнейшей работы. Я не из правоохранительных органов и мне номера нужны чисто для истории, поэтому если вам не в секрет переписать номера, года и названия со своих приборов с логотипом львовского 125го завода (ГП ЛОРТА)

- я буду весьма признателен. Ответы писать в теме по измериловке а не тут..

вошел во вкус
Группа: Участники
Сообщений: 151
Добавлено: 12-05-2015 10:28
Да не, я видел вашу статистику, очень даже интересно, как удастся добраться до своих, перепишу.

Гость
Добавлено: 19-05-2015 07:01
Урожай

знающий
Группа: Участники
Сообщений: 337
Добавлено: 19-05-2015 23:37
Какая-то память:
та же память в другом исполнении:

знающий
Группа: Участники
Сообщений: 337
Добавлено: 26-05-2015 20:32


85 год, а собрано на жгутах.

мастер
Группа: Участники
Сообщений: 627
Добавлено: 29-05-2015 10:28
Утрешний улов))



вошел во вкус
Группа: Участники
Сообщений: 242
Добавлено: 29-05-2015 10:36
Хороший улов. Блоки питания от Льна и Гранита, ну и сами станции, хотя от них сейчас никакого толка. Гранитовский БП 5А держит, а льновский 3А.

Гость
Добавлено: 30-05-2015 18:47
всякий бутор, кучка деталей, и странный прибор в коричневом корпусе, по видимому таймер, отмоется и будет красавчиком)))


вошел во вкус
Группа: Участники
Сообщений: 242
Добавлено: 30-05-2015 21:27
Это скорее всего старый гигрограф. Туда рулон бумаги заряжается и на ней перо рисует кривую влажности, ну или как вариант температуры, если это термограф.

мастер
Группа: Участники
Сообщений: 713
Добавлено: 30-05-2015 21:36
Это скорее всего старый гигрограф. Туда рулон бумаги заряжается

Это да,но похоже кто то действительно переделал в какой то таймер.Внутри нет самого гигрометра и виден корпус от реле МКУ-48.

Гость
Добавлено: 31-05-2015 11:12
А я то был уверен что шикарную вещь нашёл, а оказалось ее испортили какие-то кулибины, очень жаль...
а это уже сегодня, хоть не ходи никуда

вошел во вкус
Группа: Участники
Сообщений: 242
Добавлено: 31-05-2015 11:22
Да, от 4-головочного видика я бы и сейчас не отказался. :-)

Гость
Добавлено: 31-05-2015 11:38
я уже воткнул его в розетку, никаких признаков жизни, не зря его выкинули.

вошел во вкус
Группа: Участники
Сообщений: 242
Добавлено: 31-05-2015 12:18
я уже воткнул его в розетку, никаких признаков жизни, не зря его выкинули.

Мой JVC вот уже несколько лет в пыльном и темном углу ждет когда его на свалку отправлю. Но что-то рука у меня не поднимается. Это все равно что своего верного друга после многих лет тесного общения выкинуть как ненужную вещь.

мастер
Группа: Участники
Сообщений: 773
Добавлено: 31-05-2015 15:48
Вчерашние находки. [url=http://itmages.ru/image/view/2598181/98795fe3]

мастер
Группа: Участники
Сообщений: 790
Добавлено: 31-05-2015 16:42
Вчерашние находки.

ГТ906, Спасибо за фото начинки "Лель ПСР"!

"Драм-машина" - крутая была когда-то вещь!) Всегда было очень любопытно что-же у них внутри!

знающий
Группа: Участники
Сообщений: 345
Добавлено: 31-05-2015 23:46
Вчерашние находки.


там еще на первой картинке, сверху на куче, лежит перевернутый ленточный ревербератор "Эхо". видимо музыканта выгнали откуда то)

пришел поспрашивать
Группа: Участники
Сообщений: 11
Добавлено: 01-06-2015 02:15
Вчерашние находки.


ГТ906, написал вам на почту по прибор, посмотрите пожалуйста. =)

гигант мысли
Группа: Участники
Сообщений: 6778
Добавлено: 02-06-2015 07:41
Ув.ГТ906 ! Из Ваших последних находок,на втором фото, внизу, что за зверь? Смог только рассмотреть слово "Радиостанция..."

пришел поспрашивать
Группа: Участники
Сообщений: 82
Добавлено: 02-06-2015 07:50
Ув.ГТ906 ! Из Ваших последних находок,на втором фото, внизу, что за зверь? Смог только рассмотреть слово "Радиостанция..."

Это аварийная радиостанция Р-851
http://oldradio.cqham.ru/air/R-851.html

гигант мысли
Группа: Участники
Сообщений: 6778
Добавлено: 02-06-2015 10:05
Спасибо, ув. ChWoron! Почитал про Р-851, интересно.

пришел поспрашивать
Группа: Участники
Сообщений: 82
Добавлено: 02-06-2015 15:16
Спасибо, ув. ChWoron! Почитал про Р-851, интересно.

Пожалуйста. Всегда рад помочь чем смогу.

вошел во вкус
Группа: Участники
Сообщений: 176
Добавлено: 06-06-2015 20:50
Опять детали:

гигант мысли
Группа: Участники
Сообщений: 6778
Добавлено: 06-06-2015 21:29
На первом фото, внизу, ГВ3.430.000 - это микросборка от Г4-158, модулятор...

мастер
Группа: Участники
Сообщений: 773
Добавлено: 12-06-2015 16:40
находки.

гроссмейстер
Группа: Участники
Сообщений: 1120
Добавлено: 12-06-2015 16:42
Когда-то эти ППК-2 висели на каждом предприятии.

гигант мысли
Группа: Участники
Сообщений: 6778
Добавлено: 12-06-2015 16:58
У Вас хорошие находки, ув.ГТ906 ! Но ещё лучше фотоаппарат, похож на машину времени ....На фотках стоит дата октября-декабря 2015-го! Пятилетку - за 3 года !!!

гигант мысли
Группа: Участники
Сообщений: 4878
Добавлено: 12-06-2015 17:21
У Вас хорошие находки, ув.ГТ906 ! Но ещё лучше фотоаппарат, похож на машину времени ....На фотках стоит дата октября-декабря 2015-го! Пятилетку - за 3 года !!!

Скорее всего в настройках фотоаппарата стоит формат времени "месяц-число-год"
Ув. ГТ906, можно устроить фотосессию внутренностей В7-37 в измериловке?

гигант мысли
Группа: Участники
Сообщений: 7902
Добавлено: 12-06-2015 18:20
В7-37 в двух вариантах (ЖКИ индикатор и светодиодный вариант) уже ранее показывался в нашей теме. Не думаю что там по годам были какие то интересные отличия.

http://kxk.ru/dustyattic/v1_700390_12.php

http://offtop.ru/dustyattic/v1_700390_100.php

но всякое бывает, - я лично не против.

мастер
Группа: Участники
Сообщений: 627
Добавлено: 18-06-2015 14:53
Сегодня нашел десяток замков на которых стоят вот такие тумблера
нулячие Ничего удивительного но дата свежая на них и уже на свалке
ну и какие то блоки куча, один взял на прОбу)))

пришел поспрашивать
Группа: Участники
Сообщений: 41
Добавлено: 18-06-2015 15:29
точнее не находка и не на свалке....отдали (все равно бы выбросили)
рабочий монитор Электроника


Может кому нужен, а то бомбить жалко.
и вот такую микросхему среди кучи разных ширпотребовских деталей


знающий
Группа: Участники
Сообщений: 345
Добавлено: 18-06-2015 15:40
точнее не находка и не на свалке....отдали (все равно бы выбросили)
рабочий монитор Электроника


написал Вам на почту

мастер
Группа: Участники
Сообщений: 773
Добавлено: 18-06-2015 19:41
Находки сегодня.

знающий
Группа: Участники
Сообщений: 345
Добавлено: 18-06-2015 20:14
Находки сегодня.


на первых трех фотографиях - начиника дисплея МС6205 на матричном газоразрядном индикаторе

гроссмейстер
Группа: Участники
Сообщений: 1120
Добавлено: 18-06-2015 20:32
А последние две - похоже, плата от стиральных машин. Интересно, что ПЗУ на панельке. И вообще микроконтроллер КР145ИК1807 довольно интересная штука.

гроссмейстер
Группа: Участники
Сообщений: 1003
Добавлено: 18-06-2015 23:58
А последние две - похоже, плата от стиральных машин. Интересно, что ПЗУ на панельке. И вообще микроконтроллер КР145ИК1807 довольно интересная штука.


Нет, последние от советских печек СВЧ (у нас в городе такие шлепали).

гигант мысли
Группа: Участники
Сообщений: 7902
Добавлено: 19-06-2015 07:42
напоминает Электроника СП–32 ЗИЛ
http://www.elremont.ru/svch/image_rem33/sxema_23.gif

печь Днепрянка-1 (если не ошибаюсь) тоже была создана по похожей схеме



http://monitor.espec.ws/section37/topic254905.html
http://savok.name/1079-dnepryanka_1.html
а с вакуумными индикаторами припоминаются "Мрия" и "Фея" и возможно были еще и другие..

магистр тайных сил
Группа: Участники
Сообщений: 1557
Добавлено: 19-06-2015 14:26
Подарок от товарища, он собирался это выбросить:
Комплект: Электроника НМС011001-02, 86 г. Квант,
Дисковод НГМД-6022, Монитор, термопринтер


Еще один комплект: Электроника МС0505.02, 87 г. Квант,
Дисковод НГМД-6022, Монитор, принтер МС6304


Может интересно. Возможен обмен

мастер
Группа: Участники
Сообщений: 804
Добавлено: 19-06-2015 14:55
Можете написать Denis-XKM , это однозначно его сфера интересов, термопринтер точно должен заинтересовать

мастер
Группа: Участники
Сообщений: 773
Добавлено: 19-06-2015 18:55
Находки сегодня.

гроссмейстер
Группа: Участники
Сообщений: 1120
Добавлено: 19-06-2015 18:59
Подарок от товарища, он собирался это выбросить:
Комплект: Электроника НМС011001-02, 86 г. Квант,


Вы же продавали его на ZX.PK.RU. Цену назначали, покупатели были. Чем кончилось?

http://zx-pk.ru/market/viewtopic.php?f=4&t=3297

магистр тайных сил
Группа: Участники
Сообщений: 1557
Добавлено: 19-06-2015 20:09
Подарок от товарища, он собирался это выбросить:
Комплект: Электроника НМС011001-02, 86 г. Квант,


Вы же продавали его на ZX.PK.RU. Цену назначали, покупатели были. Чем кончилось?

http://zx-pk.ru/market/viewtopic.php?f=4&t=3297

В цене не договорились

Гость
Добавлено: 20-06-2015 00:27
Электроника НМС011001 интересен немного - но что вы хотите за него ? fantomts (зверёк) gmail.com Давненько хотел работоспособную ДВК собрать.

главный по тарелочкам
Группа: Участники
Сообщений: 2542
Добавлено: 20-06-2015 09:55
напоминает Электроника СП–32 ЗИЛ

А почему никто не обратил внимание на КР145РЕ2-0003 ? Это единственная РЕ2, которую можно купить, и, внутри оказалась прошивка для контроллера КР145ИК1807 в печи СВЧ ! Даже схема электрическая есть, откуда можно взять УГО микросхемы ПЗУ.

гроссмейстер
Группа: Участники
Сообщений: 1120
Добавлено: 20-06-2015 14:43
В справочнике есть система команд

главный по тарелочкам
Группа: Участники
Сообщений: 2542
Добавлено: 20-06-2015 15:47
Система команд есть в книжечке по применению микропроцессоров в бытовой аппаратуре. А вот про конкретное применение ПЗУ КР145РЕ2 нет

Гость
Добавлено: 22-06-2015 20:31
прошлые выходные...

мастер
Группа: Участники
Сообщений: 790
Добавлено: 25-06-2015 13:32
.. Хотя импорт и не моя тема, но мимо такого импорта - не смог спокойно пройти!





мастер
Группа: Участники
Сообщений: 790
Добавлено: 25-06-2015 17:55
Внутренности Micro computer "LABOSIX 2000 S" , Gossen :





+Добавлены фото (2.07.2015)





мастер
Группа: Участники
Сообщений: 790
Добавлено: 25-06-2015 18:12
Внутренности "De Vere SMPC Switch Stab Transformer" :






гигант мысли
Группа: Участники
Сообщений: 5086
Добавлено: 25-06-2015 21:40
Внутренности Micro computer "LABOSIX 2000 S"

Там стоят легендарные реле Kaco. Это самые известные реле для систем безопасности. Применялись только в качественном оборудовании. К сожалению фирму Kaco купил конкурент в середине 90-х. Некоторые типы реле Kaco доступны под новым брендом Hengstler, но не все. Реле Kaco до сих пор продают на электронных толкучках и, вообще, словосочетание Kaco relay стало нарицательным для малогабаритных мощных реле. Я как раз подумываю купить винтажные реле Kaco для коммутации питания усилителя.

мастер
Группа: Участники
Сообщений: 627
Добавлено: 08-07-2015 16:46
Притащили на экспертизу)) говорят нашли у мусорного бака
На первый взгляд не куроченый только выгорел один канал да пасики усохли а колонки рабочие
год выпуска 1979


мастер
Группа: Участники
Сообщений: 956
Добавлено: 08-07-2015 21:46
рэс9 , 213 ?
поздравляю.

гигант мысли
Группа: Участники
Сообщений: 7902
Добавлено: 08-07-2015 23:34
Думаю, для нашего форума уместо поздравлять, что нашелся "Илеть-101", а не кучка реле с драгсодержанием..

гигант мысли
Группа: Участники
Сообщений: 6778
Добавлено: 09-07-2015 06:14
Замечательная находка, ув. TURBO ! И свалка замечательная! Помнится, Равшан и Джамшут тоже жили на неплохой свалке, но "Илетей" у них не видел ...

мастер
Группа: Участники
Сообщений: 956
Добавлено: 09-07-2015 12:59
Просто мне Илеть или Ростов,что это было не знаю мне не достался.
Деятель,что снабжает меня хламом разломал его и сдал на алюминий
и медь.Мне достались только платы.И радиаторами под мощные транзисторы не побрезговал,злодей.

мастер
Группа: Участники
Сообщений: 627
Добавлено: 14-07-2015 11:21
Сегодня кое какой хлам в коробке из под обуви притаранили))


гигант мысли
Группа: Участники
Сообщений: 6778
Добавлено: 14-07-2015 14:28
Сразу в глаза бросаются РЭС-9, 142ЕН5 и диоды оранжевые...Если КЦ106, то совсем неплохо, почему-то нравятся они мне ...Может быть потому, что в 80-е годы приходилось ремонтировать умножители за неимением новых - высверливалось место с пробитым диодом и взамен ставилась КЦ-шка с последующей заливкой эпоксидкой...

мастер
Группа: Участники
Сообщений: 627
Добавлено: 14-07-2015 15:03
Да КЦ-106Г, Рэс-8-Рэс-9 нулячие и нулячие целая упаковка оптронов
АОД-101А,ещё микруха совершенно целая К145-ИП11, К572-ПА1
микрики Мп-9 особо стабильные) ну и так по мелочи там ещё микросхема ВАЗ-423

Гость
Добавлено: 14-07-2015 15:50
Да КЦ-106Г, Рэс-8-Рэс-9 нулячие и нулячие целая упаковка оптронов
АОД-101А,ещё микруха совершенно целая К145-ИП11, К572-ПА1
микрики Мп-9 особо стабильные) ну и так по мелочи там ещё микросхема ВАЗ-423

Если хотите, можно поменять на что-нибудь микросхемы, или могу приобрести их у Вас.
Кстати, что за резисторы? мрх?

мастер
Группа: Участники
Сообщений: 627
Добавлено: 14-07-2015 16:19

Если хотите, можно поменять на что-нибудь микросхемы, или могу приобрести их у Вас.
Кстати, что за резисторы? мрх?

Сам коллекционирую ну по крайней мере пытаюсь это делать))
двойников пока нету
А резисторы да МРХ а один МВСГ
практически близнецы))

мастер
Группа: Участники
Сообщений: 536
Добавлено: 19-07-2015 14:43

печь Днепрянка-1 (если не ошибаюсь) тоже была создана по похожей схеме

Управление от "Гомельчанки".Не со свалки


Гость
Добавлено: 25-07-2015 09:48
Давненько никуды не вылазил...

мастер
Группа: Участники
Сообщений: 773
Добавлено: 29-07-2015 19:18
Находки.


гигант мысли
Группа: Участники
Сообщений: 6778
Добавлено: 29-07-2015 23:49
Балдею я от Ваших свалок ...Хоть место жительства меняй ...

гигант мысли
Группа: Участники
Сообщений: 7902
Добавлено: 30-07-2015 13:34
да ну, можна нарватся на всякое - от болезней начиная - список длинный.. Вспомнилось как по ТВ видел как норвежцы избавляются от старой или ненужной электроники - просто выставляют на улицу - забирай кто хочет.. Правда когда я узнал как эти сволочи вывозят свои органические отходы, я тогда долго не мог на рыбные консервы смотреть..

гигант мысли
Группа: Участники
Сообщений: 6778
Добавлено: 30-07-2015 15:40
Да это я пошутил, ув. Лев , каждому своё... Кто-то на свалку может заглянуть, это воспринимаю нормально. Сам не могу по ряду причин. Да и вряд ли у нас есть там такое, что вижу здесь на фото. Самой промышленности нет после перестройки и склады тоже давно опустошили...

гигант мысли
Группа: Участники
Сообщений: 7902
Добавлено: 30-07-2015 16:10
да я и не упрекаю.. Сам в детстве, - а это еще в советские времена, вижу возле мусорника куча алюминиевого профиля всякого лежит выброшено - подбираю и несу в подвал отцу, - он тогда говорил что всякие конструктивные элементы всегда пригодятся.. Также подбирал и всякое электронное - шаговые реле, платы с кучей диодов, или мелкие залитые толстым слоем герметика.. Потом когда подрос - это все распаял на мелкие комплектующие и по коробочкам.. Заодно на радиокружке приходилось много плат от шефских организаций в подарок присланых - розбирать на составляющие и сортировать.. С "Электрона" это были большие блоки от 714х ламповых цветных телевизоров, а от НИИ - красивые небольшие крайне аккуратные блочки или платы с дефицитными деталями.. Во Львове свалка была (впрочем и есть) возле Малых Грыбовичей которую местные селяне проклинали вместе с городом который им её подсунул.. Но я был тогда мал чтоб аж так далеко гулять, а в самом городе хватало предприятий с избытком ,возле которых можна было на мусорниках найти много интересного - например я наибольше плат встречал выброшеных возле завода фототелеграфной аппаратуры, возле вских лабораторий и тп и тд.. Но я тогда специально этим не интересовался, - интересней было на велосипеде кататся или в футбол играть, чем возле мусорников лазить.. Если я что то и тащил из розряда "пригодится" то наравне с запчастями от автомобилей выброшеных там же, или ящики от мотоциклетных запчастей, - благо рядом в соседнем доме был магазин мототоваров.. Кстати небольшой домик с тех досок потом был собран, на даче в отца - хоть и накренился уже немного, но еще стоит...
Сегодня все еще работает формула ликвидации предприятий или НИИ, в процессе которой какие-то бизнессмены (с хорошей крышей в администрациях или выше) скупают за копейки корпуса у заводов или НИИ - со всем оборудованием (которое еще не разграбили сами организации..), потом приходит новый владелец с рабочими, которые все оборудование просто выбрасывают вон - даже часто не утруждая себя с вывозом на свалку - документация рядышком, - им главное либо только стены, либо даже просто место.. Потом бомжы и алкоголики набрасываются на выброшеное - что в макулатуру, что на металлолом и так научно-производственное достояние окончательно уходит в мир иной.. Сохранились только те предприятия и НИИ которые все еще работают на оборонпром, или входят в состав Академии наук - и то у них склады с неликвидами часто спихивались директорами предприятий за безценок - газеты не один раз описывали скандалы с печальной участью Полярона, Биофизприбора, и разных НИИ... Во многих случаях скандалы просто заканчивались калейдоскопическими сменами директоров или просто банкротством заводов, а иногда и странными случайными пожарами, которые вполне могли возникать по причине скрыть что то разворованое или провальное, благо же страховые полисы еще никто не отменял.. Коррупция страшная - она проросла от верхов до самих низов, сплетясь в сложные узлы родственных и прочих связей.. И честно говоря, я большой скептик всех сегодняшних мероприятий по борьбе с этими позорными явлениями...

главный по тарелочкам
Группа: Участники
Сообщений: 2474
Добавлено: 30-07-2015 16:38
Находки.



Давайте немного поотделем зерна от плевел...
Вот, скажем, здесь 100% - фото плат от какого-то Пунане РЭТ-овского вольтметра. Что-то типа Ч3-49. Но другого...
Очень интересно от какого?


[/url]

Здесь тоже. Остатки РЭТ-овских поделок вперемешку с платами от ЛОРТовского частотомера, что-то типа Ч3-3Х.

магистр
Группа: Участники
Сообщений: 1411
Добавлено: 30-07-2015 18:16
вперемешку с платами от ЛОРТовского частотомера, что-то типа Ч3-3Х.

Ч3-33

администратор
Группа: Администраторы
Сообщений: 8045
Добавлено: 30-07-2015 20:04
Вот, скажем, здесь 100% - фото плат от какого-то Пунане РЭТ-овского вольтметра. Что-то типа Ч3-49.

Полагаю имелся в виду В3-49.

главный по тарелочкам
Группа: Участники
Сообщений: 2474
Добавлено: 30-07-2015 22:29
Полагаю имелся в виду В3-49.


В том-то все и дело что нет. У нас уже были фото В3-49. Я его сам в руках держал. Эти платы явно не от него. Так от чего же? Кто подскажет?

главный по тарелочкам
Группа: Участники
Сообщений: 2474
Добавлено: 30-07-2015 22:33
вперемешку с платами от ЛОРТовского частотомера, что-то типа Ч3-3Х.

Ч3-33

Да частотомер-то - тьфу. Не важен... Вот, вольтметр какой, действительно очень интересно. Неужели В3-63?

главный по тарелочкам
Группа: Участники
Сообщений: 2474
Добавлено: 31-07-2015 23:17
ГТ906 , коль к вам попали такие любопытные платы от вольтметра, может сфоткаете их все. Они, хоть, по большей части, "побомбленные", но все равно очень любопытно.

гигант мысли
Группа: Участники
Сообщений: 7902
Добавлено: 31-07-2015 23:50
все же поддержу просьбу Алана, ибо хоть и ясно уже (благодаря настойчивости Алана) что это остатки В1-16, пока кто то не поделится фотками целого прибора, нужно будет довольствоватся на уровне археолога - "костяшками"...

мастер
Группа: Участники
Сообщений: 773
Добавлено: 02-08-2015 22:42
Находки выходные дни. два генератора.

гигант мысли
Группа: Участники
Сообщений: 6778
Добавлено: 03-08-2015 03:16
Королевская находка - сразу два генератора! Г4-158 - производства Горьковского з-да им. Фрунзе. У нас (в Махачкале) параллельно с ними такой же выпускали. Мы тогда с Фрунзе входили в одно объединение.
А Г3-118 еще тот пахарь . И на работе, и дома таким же пользуюсь. Удачи Вам ГТ906 в их первом включении! Судя по внешнему виду, работать должны, ну может после профилактики. Лишь бы потроха на разворотили......

гигант мысли
Группа: Участники
Сообщений: 7902
Добавлено: 03-08-2015 06:59
Если вам попадется в руки Махачкалинский Г4-158 - сделайте ему тщательнейшую фотосессию - особенно не забыв об внешней лицевой панели, а то у нас на форуме два раза публиковали предположительно фрунзевский вариант - в одном случае лицевую панель вообще забыли, а во втором вероятно взяли из нета. Так что если даже новгородский попадется - фоткайте любой или два.

работать вряд ли будут - особенно Г3-118 по которому явно что проехало.

мастер
Группа: Участники
Сообщений: 773
Добавлено: 03-08-2015 20:32
ГТ906 , коль к вам попали такие любопытные платы от вольтметра, может сфоткаете их все. Они, хоть, по большей части, "побомбленные", но все равно очень любопытно.
нашел пакет платами возле мусорки Вот фото "побомбленных" плат.

мастер
Группа: Участники
Сообщений: 773
Добавлено: 03-08-2015 20:41
Сегодняшние находки.

мастер
Группа: Участники
Сообщений: 536
Добавлено: 03-08-2015 20:50
Сегодняшние находки.

В военном городке в большинстве квартир стояли как квартирные звонки.

главный по тарелочкам
Группа: Участники
Сообщений: 2474
Добавлено: 03-08-2015 22:43
нашел пакет платами возле мусорки Вот фото "побомбленных" плат.

Спасибо!

пришел поспрашивать
Группа: Участники
Сообщений: 41
Добавлено: 03-08-2015 23:49
с десяток плат от частотомера Ч3-3*

мастер
Группа: Участники
Сообщений: 804
Добавлено: 04-08-2015 05:30
с десяток плат от частотомера Ч3-3*

Ч3-33.

мастер
Группа: Участники
Сообщений: 773
Добавлено: 06-08-2015 20:00
Сегодняшние находки.

администратор
Группа: Администраторы
Сообщений: 8045
Добавлено: 06-08-2015 20:55
Сегодняшние находки.

Уважаемый ГТ906!!!
Меня, как и всё остальное наше сообщество, ошарашенное от обилия ваших местных помоек, терзает несколько вопросов, которые я, с Вашего позволения, хотел бы задать:
1. У Вас там, в Вашей геолокации, бомжи отсутствуют как класс? В смысле почему до Вас доходят такие "жирные" и интересные, с точки зрения истории отечественных ЭРЭ, блоки, узлы и платы.
2. Судя по выложенным за эти годы "жирным" фотографиям на разных ресурсах, Вы должны, по меркам европейских обывателей (сообщество людей, живущих в России, западнее Уральских гор), жить, как минимум в трехэтажном особняке со всеми удобствами, где-нибудь в районе Рублевки. Это уже сбылось или пока еще мечта??? Где Вы сейчас прозебаете?
Я о том, что за те КМ-ки, что Вы показали, я бы уже нежился на Лазурном берегу Французской республики...
3. Скажите, не экзальтируете ли Вы нас специально?
Может быть Вы агент ПИНДОСОВ????

PS: отнеситесь внимательно к моему сообщению. Это не шутка, это провокация. В любом случае от этого зависит дальнейшее пребывание Вас на этом ресурсе.
PPS: России нужна тихая гавань, чтобы распутать запутанные и затянутые илом якорные цепи...

Гость
Добавлено: 07-08-2015 01:31

администратор
Группа: Администраторы
Сообщений: 8045
Добавлено: 07-08-2015 08:58




вошел во вкус
Группа: Участники
Сообщений: 186
Добавлено: 09-08-2015 13:42
Возвращаясь вечером домой с работы, увидел на мусорке два таких аппарата и рядом небольшой телевизор, типа фунай, радиокомплексы тут же были погружены в багажник, телевизор не стал брать. Один аппарат сразу же вечером разобрал, все блоки сохранил. Если почтенное общество не против, могу произвести неспешную разборку второго аппарата с подробными фото.

гигант мысли
Группа: Участники
Сообщений: 7902
Добавлено: 09-08-2015 13:44
думаю никто не против - фотографии выкладывайте вот в этой теме http://offtop.ru/dustyattic/v1_720390_15_.php

гигант мысли
Группа: Участники
Сообщений: 6778
Добавлено: 09-08-2015 14:28
Смотрю, по фото у аппаратов вид приличный...Можно было бы чуток профилактику сделать и оставить как рабочие . Главное, чтобы место позволяло ...

вошел во вкус
Группа: Участники
Сообщений: 186
Добавлено: 09-08-2015 16:36
Да, внутри аппараты не затронуты ремонтом и не повреждены. Передать кому-то вряд ли получиться из-за габаритов и расположения Томска, а Клапауция это вряд ли заинтересует. Фотосессию начну делать в следующие выходные. Недавно подарили "ВЕГУ-119", так же выложу фото.

мастер
Группа: Участники
Сообщений: 637
Добавлено: 09-08-2015 22:23
ГТ906 радует ,начиная с первой страницы темы

упаковка микросхем к144ир2


я на свалке был два раза ещё в школе , набрал текстолита мешок , до сих пор пользуюсь

мастер
Группа: Участники
Сообщений: 804
Добавлено: 14-08-2015 15:16
Наш склад в технаре можно тоже свалкой считать. Вот последние извлечения.




мастер
Группа: Участники
Сообщений: 773
Добавлено: 16-08-2015 11:59
Вчера с ездил на свалку.

мастер
Группа: Участники
Сообщений: 773
Добавлено: 16-08-2015 12:10
от чего эти платы.

магистр
Группа: Участники
Сообщений: 1411
Добавлено: 16-08-2015 18:52
от чего эти платы.


Это от КПА для с.к.в.(система кондиционирования воздуха) а.п.л. 3 поколения. Интересная у Вас там свалка, так сказать...

П.с. Если будете утилизировать, я приобрел бы у Вас пустые макетки (нужны как макетки), ну или готов поменяться аналогичным количеством корпусов микросхем и КМ-ок на полные платы.

Макетки хорошие, есть места под 16-ногие микры, а у меня только под 14....

мастер
Группа: Участники
Сообщений: 773
Добавлено: 16-08-2015 21:02
от чего эти платы.


Это от КПА для с.к.в.(система кондиционирования воздуха) а.п.л. 3 поколения. Интересная у Вас там свалка, так сказать...

П.с. Если будете утилизировать, я приобрел бы у Вас пустые макетки (нужны как макетки), ну или готов поменяться аналогичным количеством корпусов микросхем и КМ-ок на полные платы.

Макетки хорошие, есть места под 16-ногие микры, а у меня только под 14....

на писал на мыло.

мастер
Группа: Участники
Сообщений: 773
Добавлено: 16-08-2015 21:21
сегодня вечером по пути заехал на свалку тут же пришел трактор вываливал телегу выпало три самописца погрузил привез.

магистр
Группа: Участники
Сообщений: 1411
Добавлено: 16-08-2015 22:14
на писал на мыло.

Ответил

мастер
Группа: Участники
Сообщений: 773
Добавлено: 23-08-2015 22:23
Находки сегодня.

мастер
Группа: Участники
Сообщений: 773
Добавлено: 28-08-2015 20:28
Находки сегодня.
]

А не могли бы вы сделать фото тыльной стороны платы?

Добавил фото тыльной стороны платы? lj,

гигант мысли
Группа: Участники
Сообщений: 7902
Добавлено: 28-08-2015 21:17
Александр надеялся видимо на децимальный шифр.

У нас на форуме уже выкладывались фотки этого блока управления, в нете тоже можна найти:



он имел несколько модификаций - http://www.nedopc.org/forum/viewtopic.php?t=10663&start=30

мастер
Группа: Участники
Сообщений: 773
Добавлено: 30-08-2015 19:08
Находки сегодня.

Гость
Добавлено: 30-08-2015 21:58
Ув. ГТ906 , я конечно не настаиваю, но зачем вашим фото так просто тут пропадать и нас растраивать. Вы бы хоть пользу из этого для нас делали. Если есть децимальный номер или что-то необычное на плате, то пожалуйста все это подробненько прикладываете к основному фону.
Тема эта в основном на вас завязана, так и сделайте ее еще 2 два раза популярней. И нам хорошо и к вам меньше вопросов.
Я вот тоже например подумываю в своей теме необычные и децимальные платы начинать показывать. И мне есть работа и вам услада для глаз.

"Спрос определяет предложение и наоборот предложение определяет спрос" К.Маркс.

пришел поспрашивать
Группа: Участники
Сообщений: 46
Добавлено: 04-09-2015 23:22
Вчера с ездил на свалку.

есть интерес к легенде -404 )продаете ?

пришел поспрашивать
Группа: Участники
Сообщений: 46
Добавлено: 04-09-2015 23:23
сегодня вечером по пути заехал на свалку тут же пришел трактор вываливал телегу выпало три самописца погрузил привез.

а у нас такие в лабораториях ещё работают. а тут на свалку (((

знающий
Группа: Участники
Сообщений: 446
Добавлено: 05-09-2015 06:30
Серверные процы от HP, Agilent и Compaq



Sun Ultrasparc 3, 4, T1



Там откуда это взято, подобные процессоры поступают в двухтонных контейнерах на переработку...

гигант мысли
Группа: Участники
Сообщений: 5744
Добавлено: 05-09-2015 16:57
Серверные процы Agilent

Не слышал, чтобы Аджилент занимались серверами. Больше похоже, что это заказная или полузаказная микросхема для какого-нибудь из ихних приборов.

знающий
Группа: Участники
Сообщений: 446
Добавлено: 05-09-2015 17:33
lalka Кстати говоря, единственная микросхема которую я строго говоря так до конца и не опознал так это именно Agilent-овская. Её обозначение 1RY5-0002, 3HPU37040A. Я думаю это заказной RISC проц от какой то навороченной измериловки. год выпуска 2000.

знающий
Группа: Участники
Сообщений: 320
Добавлено: 07-09-2015 20:35
Фото удалены. Админ.

знающий
Группа: Участники
Сообщений: 320
Добавлено: 08-09-2015 16:09
Вот так утилизирует сбер...

Фото удалены. Админ.

гигант мысли
Группа: Участники
Сообщений: 4878
Добавлено: 08-09-2015 16:17
Видать закладка для грабителей, чтобы отследить их можно было...

пришел поспрашивать
Группа: Участники
Сообщений: 13
Добавлено: 08-09-2015 16:20
Датчики ртутные.

гигант мысли
Группа: Участники
Сообщений: 5744
Добавлено: 08-09-2015 16:23
Покрупнее бы фотки платы, интересно, что там стоит.

магистр
Группа: Участники
Сообщений: 1411
Добавлено: 08-09-2015 16:27
Печально, что бумажки не совсем настоящие . Экономия, однако

мастер
Группа: Участники
Сообщений: 627
Добавлено: 08-09-2015 16:48
для телеграфного аппарата блочок типа симплекс-дуплекс-шлейф

гигант мысли
Группа: Участники
Сообщений: 7902
Добавлено: 08-09-2015 18:09
фотографии cuper-а имеют происхождение от радикал.ру:



но тем не менее на сам радикал ру не имеют перехода и не превышают дозволеный размер полноразмерного фото на странице.. Если б он все же пользовался например тем же ITmages.ru то качество фотографий позволяло б увидеть немного больше подробностей, а запас по качеству - судя из фото выше - есть..

знающий
Группа: Участники
Сообщений: 320
Добавлено: 08-09-2015 21:08
Только зарегистрировался, как разобраться с ITmages.ru не знаю. Может есть инструкции какие?

гигант мысли
Группа: Участники
Сообщений: 7902
Добавлено: 08-09-2015 22:11
http://offtop.ru/dustyattic/view.php?t=299553&part=1&neworrep=1&page_msg=last&

знающий
Группа: Участники
Сообщений: 320
Добавлено: 08-09-2015 23:52


знающий
Группа: Участники
Сообщений: 320
Добавлено: 08-09-2015 23:53
http://offtop.ru/dustyattic/view.php?t=299553&part=1&neworrep=1&page_msg=last&

Огромное спасибо за информацию!

знающий
Группа: Участники
Сообщений: 320
Добавлено: 08-09-2015 23:54

гигант мысли
Группа: Участники
Сообщений: 5744
Добавлено: 09-09-2015 14:09
Условно со свалки:

гигант мысли
Группа: Участники
Сообщений: 5744
Добавлено: 09-09-2015 18:53
Питальник от ЕС1841:

Гость
Добавлено: 10-09-2015 00:04
Маячок в пачке денег, интересно для чего? Внутри, я смотрю есть ртутные элементы с встречно-параллельным расположением. Это, что типа простейший акселерометр на вкл. и выкл. объекта?
П.С кстати в теме про Калькуляторы и прочие микропроцессорные устройства стр. (28) плата блока питания ЕС-1841, совсем не такая.

знающий
Группа: Участники
Сообщений: 320
Добавлено: 10-09-2015 00:33
Маячок в пачке денег, интересно для чего? Внутри, я смотрю есть ртутные элементы с встречно-параллельным расположением. Это, что типа простейший акселерометр на вкл. и выкл. объекта?
П.С кстати в теме про Калькуляторы и прочие микропроцессорные устройства стр. (28) плата блока питания ЕС-1841, совсем не такая.

При любом движении этой пачки срабатывает маячок.

гигант мысли
Группа: Участники
Сообщений: 7902
Добавлено: 10-09-2015 01:30
Питальник от ЕС1841:

после китайского современного дерьмеца на такой блок питания можно смотреть часами..

главный по тарелочкам
Группа: Участники
Сообщений: 2186
Добавлено: 10-09-2015 10:05
Лев,+100500!очень все красиво,изящно а самое главное-по совковому надежно! один вентилятор в нем чего стоит..

гигант мысли
Группа: Участники
Сообщений: 5744
Добавлено: 10-09-2015 12:00
Несколько платок из телетайпа РТА-80Л:

Блок клавиатуры:


Плата с ПЗУ-шками (знакогенератор?):


Ну и еще парочка:


Продолжение следует...

Гость
Добавлено: 10-09-2015 13:32
Расположение клавиш, такое же как на клаве компьютера. Интересно, а кто знает почему был выбран такой мировой стандат расположения клавиш.

гигант мысли
Группа: Участники
Сообщений: 5744
Добавлено: 10-09-2015 13:34
Меня больше интересует, почему русская раскладка нормальная ЙЦУКЕН, а латинская - простейшая транслитерация, а не QWERTY.

И еще мне интересно, зачем там диодный дешифратор на отдельной плате...

мастер
Группа: Участники
Сообщений: 804
Добавлено: 10-09-2015 13:41
И еще мне интересно, зачем там диодный дешифратор на отдельной плате...

Возможно, плата парольно-ключевая. Под каждый аппарат своя платка.Возможно. Единственно, зачем это в телетайпе, неясно.

гроссмейстер
Группа: Участники
Сообщений: 1120
Добавлено: 10-09-2015 13:43
QWERTY тогда еще не был распространен

гигант мысли
Группа: Участники
Сообщений: 4411
Добавлено: 10-09-2015 14:26
И еще мне интересно, зачем там диодный дешифратор на отдельной плате...
Возможно, плата парольно-ключевая. Под каждый аппарат своя платка.Возможно. Единственно, зачем это в телетайпе, неясно.

на плате КАО перемычками программируется текст автоответчика

мастер
Группа: Участники
Сообщений: 804
Добавлено: 10-09-2015 14:31
То есть, как я и думал, информация для каждого аппарата может быть индивидуальной.

гигант мысли
Группа: Участники
Сообщений: 5744
Добавлено: 10-09-2015 16:00
И продолжение...

Плата перфосчитывателя и платки с ИК-свето- и фотодиодами из считывающей головки:


Еще платка, вроде как тоже имевшая отношение к перфосчитывателю:


Плата ключей, похоже для управления печатающей головкой:


Еще плата с логикой:


Нету фоток источника питания, платы с мощными транзисторами (видимо управляла двигателями и электромагнитами) и еще пары платок с логикой, так как я не смог их по-быстрому извлечь.

Ну и сам агрегат, пока еще целый

гигант мысли
Группа: Участники
Сообщений: 5744
Добавлено: 12-09-2015 14:53
Пять плат от ЕС1845:


мастер
Группа: Участники
Сообщений: 637
Добавлено: 12-09-2015 17:30
Вот так утилизирует сбер...

Фото удалены. Админ.


я что-то пропустил....


Серверные процы от HP, Agilent и Compaq




Там откуда это взято, подобные процессоры поступают
в двухтонных контейнерах на переработку...



для человека,который неделю голодал, чтобы на сэкономленные на школьных обедах денги,чтобы
купить транзистор МП39 или динамик 025ГД1....эта информация должна быть закрыта

мастер
Группа: Участники
Сообщений: 637
Добавлено: 12-09-2015 18:07
Питальник от ЕС1841:

после китайского современного дерьмеца на такой блок питания можно смотреть часами..

китайцы тоже умеют, когда нужно и хотят...лежит у меня читалка китайская ..смотрю шото оч качественная сборка .
Начал гуглить..оказалось точно такую китайский космонавт на орбиту брал...

Наша персоналка хоть и серьёзно собрана ..но стоила как две "Волги" когда была актуальна...

знающий
Группа: Участники
Сообщений: 446
Добавлено: 12-09-2015 18:34
для человека,который неделю голодал, чтобы на сэкономленные на школьных обедах денги,чтобы
купить транзистор МП39 или динамик 025ГД1....эта информация должна быть закрыта

Недавно один хороший знакомый рассказал мне о том что в одной небольшой IT фирме в прошлом году было уничтожено за ненадобностью 800 ноутбуков с процессорами от Core Duo до i5, потому что вся фирма перешла на i7. Бригада из 8 человек неделю занималась извлечением жестких дисков и долбежкой их молотком. после чего все компы пошли в контейнер а потом под пресс. Дело было в соседнем городе под штуттгартом.
Еще случай. История от клиента. Жил был немецкий радиолюбитель в городе недалеко от моего, было у него много аппаратуры - цифровые осциллы Agilen, Tektronix, Lecroy. Умер. Земля ему пухом. А детишки лет 19-21 взяли всю лабораторию и на "шротт" то бишь на помойку отвезли. А клиентом моим был тот самый отпрыск усопшего.
В общем это Германия, этих сытых зажрамшихся и мягко сказать слабых умишком немцев (современное поколение) нам русским никогда не понять...
Да простит меня mretro за оффтоп

гигант мысли
Группа: Участники
Сообщений: 7902
Добавлено: 12-09-2015 18:50
Боюсь многие люди на нашем форуме с вами не согласятся. О нет, я не хочу трогать жирный стереотип об жирных немцах. Бог с ними и со стереотипом о них.. Куда хуже когда начинаеш копать поглубже в муравейнике который окружает нас, и оказывается что не нужно быть жирным немцем, чтоб выбросить на мусор коллекции - измерительных приборов, технической документации, книг, картин, старых фотографий и прочего.. Я могу десятки историй похожих на эту рассказать - и жирных немцев там не будет.. Но знаете что еще хуже, - хуже чем узколобость простых граждан? Хуже когда заводы или НИИ доводятся до уничтожения ,грабятся а документация, заводские музеи - все выбрасывается камазами на свалки - это куда больший масштаб.. Так что не нужно искать на западе плохишей которым по барабану чье то наследство - много людей благодаря интернет аукционам начало активно продавать все что можно - вплоть до пуговиц и даже ночных горшков.. У нас тоже молодое поколение активно осваивает эти аукционы.. Так что одни могут сидеть за компом продавая жирным немцам буденовку или тестер ТТ-3 (а некоторые жирные или нежирные москвичи могут покупать у жирных немцев предметы со свастикой и прочим дерьмом от фюрера), а иные могут делать самолетики из технической документации и пускать с верхних этажей домов..
.. вспомнилась книжка - не помню кого, возможно о первых русских военных подводниках.. Да да, (Николая Черкашина "Судеб морских таинственная вязь"), но помню как читал, о том как автор ездил, искал крохи информации, фотографий, переписки - иногда приедет - а ему - "да, была старая бабка - вроде графиня какая то (а на самом деле просто образованая женщина..), умерла недавно, а потом все из её квартиры выбросили на мусорник - посмотрите там, может еще что то осталось.."

знающий
Группа: Участники
Сообщений: 446
Добавлено: 12-09-2015 20:53
drapieznik я во многом с Вами согласен. Тоже самое происходит и здесь - фирмы из-за закрытия или просто так выбрасывают уникальное оборудование огромными грузовиками и вывозит на свалки, в том числе документацию. Когда человеческая ограниченность и тупость сочетается с сытостью и достатком тогда уникальные вещи начинают "камазами" попадать под пресс. И это от страны конечно не зависит. Состоятельность отбивает у человека желание продать, получить выгоду, деньги. Проще все выбросить с глаз долой. А тупость не позволяет задуматься о справедливости, о ценности вещей и о том что быть может они могут понадобиться другим, тем кто не такой удачливый или богатый. В Германии есть еще третий особый фактор - осбое "немецкое" капиталистическое мышление. Человек думает что если ему что то не нужно он должен это именно выбросить, а не отдать кому то, потому что так правильно, так верно, все должно уничтожаться иначе остановится производство. Был случай, человек нес осциллограф на свалку, а свалки тут все коммерческие и под наблюдений телекамер. Я поймал его на входе и попросил отдать но он отказался, дескать "да он все равно не работает и старый вообще то уже - 20 лет как отслужил" я уверил его в том что мне это все не важно - просто ОТДАЙ ЕГО МНЕ! Ведь на свалке он все равно не получит за него ни копейки. Ответ был - НЕТ. И таких случаев большинство, и не только со мной.

гигант мысли
Группа: Участники
Сообщений: 5086
Добавлено: 13-09-2015 00:30
Выбросить или продать, вот в чем вопрос.
Если говорить о производстве, то однозначно надо выбрасывать и утилизировать. В США примерно 100 лет назад подсчитали, что чем глубже модернизация, тем она дороже и всегда можно вычислить порог за которым она не имеет смысла. Лишь бы кто-то вычислял такие вещи. Я верю, что в тех же США по большей части вычисляют. Т.е. это чисто экономический вопрос.
Главная беда от "уникального оборудования" это то, что оно есть и занимает место, которое могло бы занять новое оборудование, и занимает голову, которая нужна для дела. И сохранять "уникальное оборудование" имеет смысл только в музеях, где его можно показывать в исторических перспективах, т.е. с пользой для молодых поколений. Во всех других местах оно представляет собой просто мусор, а скопления такого оборудования это просто свалки.
Пример с бумажным самолетиком очень характерен. Для простых людей спецлитература по электронике это мусор и место ему на помойке. Его давно надо было выбросить, и это не сделали лишь потому, что эти люди лентяи, а вовсе не вандалы.

мастер
Группа: Участники
Сообщений: 773
Добавлено: 13-09-2015 12:00
Вчерашние находки на свалке.

гигант мысли
Группа: Участники
Сообщений: 6778
Добавлено: 13-09-2015 12:17
Осциллограф С1-118А хорош!

гроссмейстер
Группа: Участники
Сообщений: 1120
Добавлено: 13-09-2015 12:31
А что внутри у аппарата подачи звонков?

главный по тарелочкам
Группа: Участники
Сообщений: 2186
Добавлено: 13-09-2015 12:44
да..нештяки интересные достались..алан 48 неплохой аппарат..ждем фотографии внутренностей аппарата подачи звонков-он меня тоже заинтриговал..

мастер
Группа: Участники
Сообщений: 773
Добавлено: 13-09-2015 13:31
Вот внутренностей аппарата подачи звонков.

гигант мысли
Группа: Участники
Сообщений: 7902
Добавлено: 13-09-2015 13:51
Вчерашние находки на свалке.



.. в том числе Комплект Индивидуального Дозиметрического контроля - фотки этого прибора есть у BON-а http://forum.rhbz.org/topic.php?forum=2&topic=113

вошел во вкус
Группа: Участники
Сообщений: 186
Добавлено: 13-09-2015 14:41
Спасибо, уважаемые lalka и TURBO, вспомнил годы работы на телеграфе, название этих приборов забыл, их много было в ремонте, а РТА-80 очень ненадёжный аппарат, в ЗИПе было много микросхем 1002 серии, регистры я использовал в в схемах набора номера, пока не появились ВЖ1, когда пошли немецкие F-2000, кажется, на Z-80, а после объединения Германии Сименсы на 8088, стало намного легче.

гроссмейстер
Группа: Участники
Сообщений: 1120
Добавлено: 13-09-2015 14:49
ГТ906, спасибо

мастер
Группа: Участники
Сообщений: 804
Добавлено: 13-09-2015 15:05

Улыбнул верхний левый угол

вошел во вкус
Группа: Участники
Сообщений: 276
Добавлено: 13-09-2015 15:10
lalka Кстати говоря, единственная микросхема которую я строго говоря так до конца и не опознал так это именно Agilent-овская. Её обозначение 1RY5-0002, 3HPU37040A. Я думаю это заказной RISC проц от какой то навороченной измериловки. год выпуска 2000.

Agilent-овский чип конечно не проц, это часть чипсета от машины на PA-RISC
На фото кстати из hp-шных чипов только один проц, тот что с серой крышкой PA-8600 3AA1-1105
Остальные так-же части чипсета. Мне утилизаторы уже предлагали подобные выдавая их за CPU. Не купился :)

мастер
Группа: Участники
Сообщений: 773
Добавлено: 13-09-2015 15:48
найдено возле мусорных баков.

пришел поспрашивать
Группа: Участники
Сообщений: 68
Добавлено: 13-09-2015 20:20
Уважаемый ГТ906, а не могли бы Вы, сделать фотки внутренностей рН-метра, был бы очень благодарен...

знающий
Группа: Участники
Сообщений: 320
Добавлено: 13-09-2015 21:57

главный по тарелочкам
Группа: Участники
Сообщений: 2474
Добавлено: 13-09-2015 22:11

От СМ 1420?

знающий
Группа: Участники
Сообщений: 320
Добавлено: 13-09-2015 22:26
все что было написано. шильдиков больше нет

гигант мысли
Группа: Участники
Сообщений: 4411
Добавлено: 13-09-2015 22:39
ВТА2000-15М, плата с импульсными трансформаторами от мультиплексора СМ8514

главный по тарелочкам
Группа: Участники
Сообщений: 2474
Добавлено: 13-09-2015 22:41
ВТА2000-15М, плата с импульсными трансформаторами от мультиплексора СМ8514

Вот что значит - профессионал!

вошел во вкус
Группа: Участники
Сообщений: 176
Добавлено: 14-09-2015 10:00

Улыбнул верхний левый угол

Плата от игрового автомата.


cuper ,Если определённый интерес в к платам, для восстановления ВТА-2000.

мастер
Группа: Участники
Сообщений: 773
Добавлено: 14-09-2015 10:53
Уважаемый ГТ906, а не могли бы Вы, сделать фотки внутренностей рН-метра, был бы очень благодарен...

вот фотки внутренностей рН-метра,

гигант мысли
Группа: Участники
Сообщений: 5744
Добавлено: 14-09-2015 11:57
Под крышкой электрометрический усилитель? Можете открыть и сфоткать?

знающий
Группа: Участники
Сообщений: 320
Добавлено: 14-09-2015 13:48

Улыбнул верхний левый угол

Плата от игрового автомата.


cuper ,Если определённый интерес в к платам, для восстановления ВТА-2000.

не вы один имеете интерес платы не продаются.

гигант мысли
Группа: Участники
Сообщений: 4411
Добавлено: 14-09-2015 14:19
не вы один имеете интерес

У меня несколько другой интерес, не затруднит посмотрить, какие там буквы в номере печатной платы, видится что-то похожее на ДЦЕ.

вошел во вкус
Группа: Участники
Сообщений: 176
Добавлено: 14-09-2015 15:03
cuper надеюсь не в драгмет уйдёт ?

знающий
Группа: Участники
Сообщений: 320
Добавлено: 14-09-2015 17:44
cuper надеюсь не в драгмет уйдёт ?

нет пока греют душу.

гигант мысли
Группа: Участники
Сообщений: 5744
Добавлено: 14-09-2015 18:32
Условно со "свалки":


Для начала Прекорректор из возбудителя ТВ МВ передатчика фирмы Tesla примерно начала 2000-ых:

знающий
Группа: Участники
Сообщений: 320
Добавлено: 14-09-2015 18:33
Pedro, нашел три платы с номерами:ДЦЕ,ДЦ37,ДЦЭ.

главный по тарелочкам
Группа: Участники
Сообщений: 2474
Добавлено: 14-09-2015 20:52
Условно со "свалки"

А измериловку пофоткать нельзя? ИМХО, она на порядок интереснее всего этого импортного барахла.

Гость
Добавлено: 14-09-2015 21:26
Вчерашние находки на свалке.


Вот приборчик оченно PH-150 очень интерисует - в личку писал - тихо.

мастер
Группа: Участники
Сообщений: 637
Добавлено: 14-09-2015 23:25
Под крышкой электрометрический усилитель? Можете открыть и сфоткать?

глянул на схему там оптоделитель и полевая сборка 504НТ1 ,
я когдато интересовался операционниками для этих целей ..там серьёзная компенсация применяется при входном десятки терраом.
У нас на форуме и химики присуствуют?

мастер
Группа: Участники
Сообщений: 637
Добавлено: 14-09-2015 23:58
Вчерашние находки на свалке.

Интересно почему его выбросили? скорее всего ксенон сдох , хорошо бы попробовать заменить на светодиодный прожектор ?
такая штуковина ещё не DLP , но в своё время штуку зелени стоила..

Гость
Добавлено: 15-09-2015 01:08
Он DLP - там светодиод приделать очень сложно. Это LCD - вместо всей оптики свети на каждую матрицу своим светиком через конденсор - но и так пилить много.

гигант мысли
Группа: Участники
Сообщений: 5744
Добавлено: 15-09-2015 02:58
А измериловку пофоткать нельзя?

Это фото сделано три года назад, уже давно ничего из содержимого этой комнаты, как и самой комнаты, как и предприятия, где это было снято, не существует... По ряду причин я не смог ни отснять практически ничего оттуда, ни тем более зацепить с собой. Единственное, что должно быть - несколько фоток начинки блоков от Р4-37 и фотки плат С1-126/1. Как найду, обязательно выложу в соответствующей теме.

ИМХО, она на порядок интереснее всего этого импортного барахла.

Обижаете... Все равно выложу еще несколько фоток импорта оттуда, может все же кому-то будет интересно

гигант мысли
Группа: Участники
Сообщений: 5744
Добавлено: 15-09-2015 15:23
В продолжение предыдущего поста - блок формирования ПЧ изображения из возбудителя ТВ МВ передатчика фирмы Tesla примерно начала 2000-ых:


пришел поспрашивать
Группа: Участники
Сообщений: 68
Добавлено: 15-09-2015 19:21
ГТ906, огромное спасибо за фотки рН-метра !

магистр
Группа: Участники
Сообщений: 1307
Добавлено: 16-09-2015 20:21
Основная плата ПК Агат-7.

гигант мысли
Группа: Участники
Сообщений: 5744
Добавлено: 18-09-2015 01:59
Панелька


знающий
Группа: Участники
Сообщений: 369
Добавлено: 18-09-2015 10:47
Основная плата ПК Агат-7.

Очень интересно! Где же у него был процессор? На дочерней плате?

магистр
Группа: Участники
Сообщений: 1307
Добавлено: 18-09-2015 11:39
ПЭВМ Агат

мастер
Группа: Участники
Сообщений: 773
Добавлено: 19-09-2015 14:42
Спектор-101.

гигант мысли
Группа: Участники
Сообщений: 4878
Добавлено: 19-09-2015 14:54
На К1008ВЖ2 на металлической крышке надпись КМ-51, вторая маркировка?

гигант мысли
Группа: Участники
Сообщений: 5744
Добавлено: 19-09-2015 21:26
И снова я о ТВ МВ передатчике фирмы Tesla примерно начала 2000-ых.
Блок (один из нескольких) усиления мощности высокой частоты. Выходная мощность не менее 1 кВт. На второй фотке рядом лежит очешник для масштаба. на третьей - одна плата усиления крупно.



знающий
Группа: Участники
Сообщений: 320
Добавлено: 20-09-2015 09:39



знающий
Группа: Участники
Сообщений: 446
Добавлено: 20-09-2015 11:02
lalka не знал что тесла сейчас что-то выпускает... Нет уже того тесловского стиля и шарма когда все компоненты выпускались самой же теслой. Все выполнено в "немецком" виде. А подстроечкик и диод смонтированные навесным монтажём вроде как советские

гигант мысли
Группа: Участники
Сообщений: 7902
Добавлено: 20-09-2015 13:47
ТЕСЛА сегодня выжила в 7 "обломках" фирмах содержащих в своих названиях известную марку, плюс две или три фирмы работают под совершенно новыми именами - ТЕСЛА в Чехословакии имела целый ряд филиалов которые собствено кое как и выжили.
http://archive.is/yoV77
http://www.tesla.cz/
http://www.tesla-blatna.cz/en/
http://www.teslakarlin.cz/
http://www.teslaji.cz/
http://www.tesla.sk/sk/
http://www.teslalh.sk/web/index.php
http://www.sev-litovel.cz/
http://www.jj-electronic.com/

гигант мысли
Группа: Участники
Сообщений: 5744
Добавлено: 20-09-2015 19:36
lalka не знал что тесла сейчас что-то выпускает...

Насчет сейчас не знаю, но в начале 2000ых еще выпускала.

А подстроечкик и диод смонтированные навесным монтажём вроде как советские

Хм, не вижу На какой именно фоте, в каком месте?

знающий
Группа: Участники
Сообщений: 446
Добавлено: 20-09-2015 20:47
lalka
В продолжение предыдущего поста - блок формирования ПЧ изображения из возбудителя ТВ МВ передатчика фирмы Tesla примерно начала 2000-ых:


последнее фото под этой фразой

гигант мысли
Группа: Участники
Сообщений: 5744
Добавлено: 20-09-2015 20:51
Ну так их сделали в Чехии, но реализовывали тут в России, реализацией, обслуживанием, ремонтом и тд занимались люди, с которыми я работаю в настоящее время.

Гость
Добавлено: 20-09-2015 22:08
Спектор-101.


Спасибо - вещица редчайшая. Я думал они живьем не выпускались.

ЗЫЖ - прошу связаться со мной - по прибору PH-150

гигант мысли
Группа: Участники
Сообщений: 6778
Добавлено: 20-09-2015 22:45
Извиняюсь, только немного бы поправил - не "Спектор", а "Спектр", без "О".

Гость
Добавлено: 20-09-2015 23:18
Он-же Электроника ТА-8 если мне склероз не изменяет

гигант мысли
Группа: Участники
Сообщений: 7902
Добавлено: 21-09-2015 00:04
Спектров было немало - даже ЛОРТА делал несколько версий.

гигант мысли
Группа: Участники
Сообщений: 5744
Добавлено: 22-09-2015 16:39
Если верить интернету - контроллер алкогольного производства

мастер
Группа: Участники
Сообщений: 773
Добавлено: 22-09-2015 19:00
находки.
[url=http://itmages.ru/image/view/3023980/6cc050cc]

главный по тарелочкам
Группа: Участники
Сообщений: 2186
Добавлено: 22-09-2015 19:04
На Ваших фото вроде "виоловский" блок питания..да и усилок от громкоговорящего устройства видно... такие устройства устанавливали на пожарных автолестницах АЛ-30(131)ПМ506 для связи водителя с "вершиной" лестницы

мастер
Группа: Участники
Сообщений: 773
Добавлено: 22-09-2015 19:06
[/url]

мастер
Группа: Участники
Сообщений: 773
Добавлено: 22-09-2015 19:12
На Ваших фото вроде "виоловский" блок питания..да и усилок от громкоговорящего устройства видно...

Да он и есть "виоловский" блок питания. усилок брать не стал он снизу измятый.

главный по тарелочкам
Группа: Участники
Сообщений: 2186
Добавлено: 22-09-2015 19:17
да в общем то ничего не потеряли древнющее чугунное чудо..никаких изысков и тем более "вкусностей"

знающий
Группа: Участники
Сообщений: 320
Добавлено: 24-09-2015 22:21

знающий
Группа: Участники
Сообщений: 320
Добавлено: 24-09-2015 22:24

главный по тарелочкам
Группа: Участники
Сообщений: 2474
Добавлено: 25-09-2015 00:19

От Искры-1030

гигант мысли
Группа: Участники
Сообщений: 5744
Добавлено: 26-09-2015 12:03
Жестко раскуроченная и почти пустая настольная машина Д3-28 15ВМ32-020. Обидно ужасно


Все что удалось утянуть - блок памяти на ферритах (фото будет на следующей неделе) и один индикатор ИГП-17...

И прошу опознать, что это за мега монитор был?

гигант мысли
Группа: Участники
Сообщений: 4411
Добавлено: 26-09-2015 12:25
Этот мегамонитор носил название таблично-знаковый индикатро РИН-609. Страшная вещ, особенно способ, которым он рисует каракули на экране, именно каракули. На всякий случай экран закрывали тонкой крашеной латунной сеткой.
Есть возможность прочитать децимальный индекс на силовом трансформаторе, а также на радиаторах развертки и БП сзади? Развертка у него не телевизионная а векторная, выходной усилитель каналов отклонения на 2xКТ912
П.С так там же тип на передней панели написан

Гость
Добавлено: 26-09-2015 13:31
П.С так там же тип на передней панели написан

Ну так привыкайте, этому г-ну куда проще задать десяток вопросов в теме (заодно набив себе постов), нежели самому включить мозг и пальцы

администратор
Группа: Администраторы
Сообщений: 8045
Добавлено: 26-09-2015 14:14
Ув. SilverRay , Вам предупреждение. Эмоции просьба держать при себе. Здесь никто никому ничем не обязан. И, если Вас не удовлетворяет предложенная кем-либо информация, своим количеством или качеством, будьте любезны договориться о дополнительных бонусах индивидуальным порядком. Только не в приказном виде или в качестве публичной обиды, а в качестве любезной просьбы предоставить, по возможности, дополнительные сведения или улучшить качество уже выложенных.

Гость
Добавлено: 26-09-2015 14:38
Что-то я не уловил, причем тут "предложенная кем-либо информация", и чем она меня может "не удовлетворять"?

главный по тарелочкам
Группа: Участники
Сообщений: 2474
Добавлено: 26-09-2015 14:53
(заодно набив себе постов)

А какой ему гешефт с этого?

Гость
Добавлено: 26-09-2015 14:57
Это так, информация к размышлению:


главный по тарелочкам
Группа: Участники
Сообщений: 2474
Добавлено: 26-09-2015 15:01
Это так, информация к размышлению

Так эти трое, и четвертый, тот что здесь, одно и то же лицо?

Гость
Добавлено: 26-09-2015 15:18
На форума ЗАПРЕЩЕНЫ::
7. Публичное обсуждение действий участников , администраторов и модераторов.

Просто не стоит переходить на личности, как-то охарактеризовывать чью-то способность включать мозги и пальцы.

Вы мой пост тоже обсудили, хоть и не администратор и модератор. Значит, Вам тоже надо предупреждение выдать?

Не хотелось бы терять давних участников форума.

Что до угрозы БАНа -- скажу честно, для меня и некоторых других "ламповых" товарищей он давно уже стал малоинтересен, несмотря на выдающийся коллектив. Без обид.

Есть хорошая возможность потереть свои посты.

Есть. Я просто предупредил об "особенностях" данного участника.

Так эти трое, и четвертый, тот что здесь, одно и то же лицо?

Sapienti Sat

гигант мысли
Группа: Участники
Сообщений: 5744
Добавлено: 26-09-2015 16:18
Это так, информация к размышлению

Так эти трое, и четвертый, тот что здесь, одно и то же лицо?

Да, это одно лицо - я. Какие-то проблемы?

главный по тарелочкам
Группа: Участники
Сообщений: 2474
Добавлено: 26-09-2015 17:00
Да, это одно лицо - я. Какие-то проблемы?


У меня? Никаких!

администратор
Группа: Администраторы
Сообщений: 8045
Добавлено: 26-09-2015 17:35
Что до угрозы БАНа -- скажу честно, для меня и некоторых других "ламповых" товарищей он давно уже стал малоинтересен, несмотря на выдающийся коллектив. Без обид.

Что же, придется пойти навстречу вашим пожеланиям. Вы сами выбрали ваш путь. Ваш эккаунт будет удален навсегда за неуважение к участникам форума. Желаю счастья на других площадках.
Уважение других дает повод к уважению самого себя. (с) Декарт

гигант мысли
Группа: Участники
Сообщений: 5744
Добавлено: 26-09-2015 23:29

П.С так там же тип на передней панели написан

К сожалению у меня не было ни возможности, ни времени даже нормально осмотреть этот монитор, не говоря уже о том, чтобы с него что-либо снять. Я сделал кадр практически на ходу, вслепую из-за сильной солнечной засветки дисплея смартфона, не видя, что именно попало в кадр, а что нет. Соответственно тип монитора я не видел, а по показанной фотке распознать надпись я не смог... Поэтому и попросил помощи в опознании.
Спасибо большое за ответ!

знающий
Группа: Участники
Сообщений: 320
Добавлено: 27-09-2015 21:03


гигант мысли
Группа: Участники
Сообщений: 5744
Добавлено: 28-09-2015 23:43
Вот такая интересная штука - блок обнаружения возгорания. Стоял в шкафу с источниками питания и сопутствующим оборудованием.


В его основе два раздельных оптических датчика дыма со своими усилителями. В усилителях сигнала с фотодиодов применены 284УЕ1А.


Сигналы с усилителей стекаются на общую плату:


Также есть в блоке еще платка с мелкой логикой:

Гость
Добавлено: 28-09-2015 23:53
ГТ906
У вас видать самолеты для утилизации садятся прям на свалку
у вас на фото сдвоенный комплект радиостанции БАКЛАН

главный по тарелочкам
Группа: Участники
Сообщений: 2474
Добавлено: 28-09-2015 23:55
Вот такая интересная штука - блок обнаружения возгорания. Стоял в шкафу с источниками питания и сопутствующим оборудованием.

Занятные фотки. Спасибо!
Не от технологического оборудования микроэлектронного производства?

гигант мысли
Группа: Участники
Сообщений: 5744
Добавлено: 29-09-2015 00:10
Вряд ли в технологическом оборудовании микроэлектронного производства стояли бы все компоненты только с приемкой...

гигант мысли
Группа: Участники
Сообщений: 5744
Добавлено: 03-10-2015 15:57
Обещанные ранее фотки блока памяти от Д3-28. Просто невероятное нагромождение диодов, транзисторов, обмоточного провода... У меня волосы дыбом встают, когда я представляю, как это собирали...





(если кому такое интересно, продаю/меняю. пишите на почту)

главный по тарелочкам
Группа: Участники
Сообщений: 2542
Добавлено: 03-10-2015 16:09
Надо вот туда http://kxk.ru/dustyattic/v1_690891_32_.php перенести

мастер
Группа: Участники
Сообщений: 773
Добавлено: 06-10-2015 20:53
Находки почти все разломано медниками.

мастер
Группа: Участники
Сообщений: 773
Добавлено: 06-10-2015 20:58
ГТ906
У вас видать самолеты для утилизации садятся прям на свалку
у вас на фото сдвоенный комплект радиостанции БАКЛАН

мусоровоз привез с аэропорта.

знающий
Группа: Участники
Сообщений: 320
Добавлено: 07-10-2015 16:16

знающий
Группа: Участники
Сообщений: 320
Добавлено: 07-10-2015 16:17

знающий
Группа: Участники
Сообщений: 320
Добавлено: 07-10-2015 20:08




Гость
Добавлено: 07-10-2015 23:23

Судя по маркировке буквами алфавита в названии ПВ-53(?), они составляли как минимум 27 модификаций в серии этих часов.
Здесь, Часики. Механические, электронные и электромеханические ув. boris5712 показал ПВ-53л

знающий
Группа: Участники
Сообщений: 320
Добавлено: 09-10-2015 18:21





мастер
Группа: Участники
Сообщений: 773
Добавлено: 11-10-2015 21:45
Сегодня.

главный по тарелочкам
Группа: Участники
Сообщений: 2186
Добавлено: 11-10-2015 23:47
ммм..паяльник термит..занятная вещица...сам пользуюсь таким,рекомендую его отремонтировать..

магистр
Группа: Участники
Сообщений: 1411
Добавлено: 12-10-2015 11:04
Поддержу.
Но есть один момент,- наиболее удобен и долговечен вариант, когда на паяльнике жало фиксируется цанговым зажимом.
В случае же когда жало фиксируется обычным винтом, резьба под него на корпусе паяльника достаточно быстро убивается, да и при нагреве винт начинает "плавать", что вполне естественно...Как вариант- поставить более толстый винт...(я так делал).
А вообще, станция надежная. На фото выше правда видно, что она побывала в руках ремонтников-рукожопов.

ПыСы. В бытность цветущей юности выкупил как-то раз одну занятную лабораторию с загибающегося производства, так там из 20 !!! станций была только одна с цанговым зажимом, ни разу не пользованная и бережно упакованная в полиэтилен, лежащая в сейфе начальника этой самой лаборатории. Остальные ее жители боролись как могли (обследование показало, что очень плохо боролись) с проблемой "винтов и дырок". В итоге, осталось 2 "винтовых" станции и одна цанговая, остальные пошли в утиль...
Цанговая до сих пор так и лежит в полиэтилене у меня на складе, потому как пока искал для нее трансформтор, пока пилил подставку, купил люкей

Гость
Добавлено: 12-10-2015 14:45
Наконец то выбрался на выходные к злачным местам. У миня все как обычно попроще...

вошел во вкус
Группа: Участники
Сообщений: 207
Добавлено: 12-10-2015 20:27
Елка 50,поздравляю!

гигант мысли
Группа: Участники
Сообщений: 5744
Добавлено: 12-10-2015 23:16
Произвел жесткое прозектирование путем распиливания некого гермо свч изделия в цилиндрическом корпусе.
Судя по начинке, датировке компонентов, качеству монтажа, мешанине из деталей и затертым микросхемам - что-то из эпохи полузаводских кооперативов начала 90-ых)



У кого какие иысли о том, чем это могло быть? Уж не какой-либо антенный усилитель-ковертер с питанием и передачей сигнала по одному и тому же кабелю?

главный по тарелочкам
Группа: Участники
Сообщений: 2474
Добавлено: 13-10-2015 00:54
Произвел жесткое прозектирование путем распиливания некого гермо свч изделия в цилиндрическом корпусе.
Судя по начинке, датировке компонентов, качеству монтажа, мешанине из деталей и затертым микросхемам - что-то из эпохи полузаводских кооперативов начала 90-ых)
У кого какие иысли о том, чем это могло быть? Уж не какой-либо антенный усилитель-ковертер с питанием и передачей сигнала по одному и тому же кабелю?

А зачем в конвертере ПЗУ?

гигант мысли
Группа: Участники
Сообщений: 5744
Добавлено: 13-10-2015 01:46
Я рассуждаю так: микросхема в пластмассовом корпусе - микросхема ФАПЧ, а код, загружаемый в нее хранится как раз в ПЗУ. На обратной стороне платы установлен СВЧ-делитель частоты к193пц5 и ГУН рядом с ней.

Еще находки:

главный по тарелочкам
Группа: Участники
Сообщений: 2474
Добавлено: 13-10-2015 01:51
Еще находки:

П1Т3- хороши, если с индексом "1В" - особенно.

магистр
Группа: Участники
Сообщений: 1411
Добавлено: 13-10-2015 08:16
П1Т3- хороши, если с индексом "1В" - особенно.

С индексом "2",- а на фото именно они, тоже весьма неплохие На коммутацию питания- самое то, у "единичек" все-таки материал контактов предусматривает использование именно в сигнальных цепях...
В моей практике "нецелевое" использование "единичек" привело к подгоранию их контактов. А вот "двоечки" повели себя вполне достойно. Коммутировал светодиодные матрицы...Лень было лезть в даташит...

гигант мысли
Группа: Участники
Сообщений: 5086
Добавлено: 13-10-2015 09:30
Еще находки:

А что там за тряпочка в центре, с надписью "Казань"?

мастер
Группа: Участники
Сообщений: 537
Добавлено: 13-10-2015 10:13
Елка 50,поздравляю!


А чем она хороша?

гигант мысли
Группа: Участники
Сообщений: 5744
Добавлено: 13-10-2015 11:20
Еще находки:

А что там за тряпочка в центре, с надписью "Казань"?

Тряпочка, а на ней три значка приколото

Гость
Добавлено: 13-10-2015 11:31
Елка 50,поздравляю!


А чем она хороша?

Да я думаю ничем, обычный куркулятор, правда в живую я его первый раз увидел. Цветастый красивый, тоже подумал, ах какая редкость наверно. Гугля как обычно, разочаровал, и провод обрезали по самое нихочу.

гигант мысли
Группа: Участники
Сообщений: 5744
Добавлено: 13-10-2015 17:28
Платочка

главный по тарелочкам
Группа: Участники
Сообщений: 2474
Добавлено: 13-10-2015 20:22
Платочка

Скорее уж, была...

главный по тарелочкам
Группа: Участники
Сообщений: 2542
Добавлено: 13-10-2015 20:52
Это актуальная проблема - "грызуны" точат зубы

Гм... наши свалки крайне скудные, не то что в столице, но...
Бобина с магнитной лентой для "шкафообразных" накопителей от больших машин ЕС, с 1991 года лежит в родном полиэтилене. Да так и пролежит, если никто не выбросит.

гигант мысли
Группа: Участники
Сообщений: 5744
Добавлено: 13-10-2015 22:01
Платочка

Скорее уж, была...

Ну то, что отсутствует на ней на данной фоте, извлечено не мной, а кем-то ранее.
А затем уже да, я ее разобрал до конца

гигант мысли
Группа: Участники
Сообщений: 5744
Добавлено: 16-10-2015 01:51
Некий источничек питания РВТ200.В000. 1985 г.
Хотя судя по начинке - скорее это понижающий преобразователь напряжения с входным напряжением существенно ниже сетевого и выходным вольт 5 или 12.




гигант мысли
Группа: Участники
Сообщений: 4411
Добавлено: 16-10-2015 12:03
Унифицированный БП от семейства РВ ЭВМ

гигант мысли
Группа: Участники
Сообщений: 5744
Добавлено: 19-10-2015 01:18
Несколько блоков из комплекта мини-атс panasonic примерно середины 90-ых.
Интересно то, что все детали родные - японские.


магистр
Группа: Участники
Сообщений: 1411
Добавлено: 19-10-2015 03:39
Хм. Разбирал такую пару месяцев назад, у меня все реле были от Panasonic.
К слову, "такамисава" тут китайская, т.е. как бы не все "фирмовое"...Или их меняли ?!

гигант мысли
Группа: Участники
Сообщений: 5744
Добавлено: 19-10-2015 11:38
Хех, и правда китайские Не заметил, извиняюсь...

мастер
Группа: Участники
Сообщений: 773
Добавлено: 19-10-2015 13:36
Находки за выходные дни.

гигант мысли
Группа: Участники
Сообщений: 5744
Добавлено: 19-10-2015 15:02
Микросхема с третьей фотки просто супер! Отличный экземпляр для коллекции!
(Не продаете/не меняете?)

знающий
Группа: Участники
Сообщений: 320
Добавлено: 19-10-2015 22:21
новенькие находки, движки от гироскопа





гигант мысли
Группа: Участники
Сообщений: 5744
Добавлено: 20-10-2015 14:02
Гибридки (?) на керамических платках, извлеченные из плат от мини-атс (фотки плат выше):


гигант мысли
Группа: Участники
Сообщений: 6778
Добавлено: 20-10-2015 16:16
Ну да, гибридки....Причем по-умному сделаны в том плане, что не стали вместе с проводниками на подложке формировать и резисторы, как у нас обычно делалось...Т.е., если бы, какой-нибудь резистор вышел за допуск, платка отбраковывалась....

мастер
Группа: Участники
Сообщений: 804
Добавлено: 20-10-2015 16:29
Я бы их назвал субмодулями, выполненными методом поверхностного монтажа. А ГИС - это сочетание пленочной технологии получения пассивных элементов и бескорпусных дискретных. Во всяком случае, так нас в ДВПИ учили. А эти не совсем чистые гибридки, коль резюки и пленочные и дискретные. В принципе, гибридок в чистом виде уже давно не выпускают, кажется.

гигант мысли
Группа: Участники
Сообщений: 5744
Добавлено: 20-10-2015 16:41
Причем по-умному сделаны в том плане, что не стали вместе с проводниками на подложке формировать и резисторы, как у нас обычно делалось...

Как это не стали? А на первой фотке слева и на фотах 2 и 3?

пришел поспрашивать
Группа: Участники
Сообщений: 40
Добавлено: 20-10-2015 17:23
новенькие находки, движки от гироскопа


Будьте осторожны, циферблат наверняка покрыт СПД (Год как-бы намекает). Мажется, летит всюду. Проверьте дозиком.

знающий
Группа: Участники
Сообщений: 320
Добавлено: 20-10-2015 22:13
новенькие находки, движки от гироскопа


Будьте осторожны, циферблат наверняка покрыт СПД (Год как-бы намекает). Мажется, летит всюду. Проверьте дозиком.

спасибо за информацию!

мастер
Группа: Участники
Сообщений: 990
Добавлено: 20-10-2015 22:23
Эти двигатели не от гироскопа.
Если шкала авиагоризонта АГД-1 1965-го года выпуска, то она не радиоактивна.

знающий
Группа: Участники
Сообщений: 320
Добавлено: 20-10-2015 22:42
Эти двигатели не от гироскопа.
Если шкала авиагоризонта АГД-1 1965-го года выпуска, то она не радиоактивна.

ни каких маркировок не было корпус был разбитый.

гигант мысли
Группа: Участники
Сообщений: 6778
Добавлено: 21-10-2015 13:34
Причем по-умному сделаны в том плане, что не стали вместе с проводниками на подложке формировать и резисторы, как у нас обычно делалось...

Как это не стали? А на первой фотке слева и на фотах 2 и 3?

Вы абсолютно правы, ув. lalka , на фото абсолютно четко видны резисторы со следами лазерной подгонки. Это глядя на платки, я "размечтался о прошлом". Свою трудовую деятельность начинал как раз с производства гибридок на основе ситалла, Поликора и 22ХС. И одной из самых болевых точек было напыление или вжигание резисторов, вернее, чтобы при их формировании удельное сопротивление попало в золотую середину. Т.е., если оно будет завышено, это практически неисправимый брак - завышенный номинал подгонкой не уменьшишь. Если слишком занижено, то при подгонке за счет уменьшения ширины резистора можно было уменьшить его мощность со всеми вытекающими последствиями. И если по какой-то причине на конечном этапе, когда все навесные эл-ты смонтированы, "вырисовывался" резистор, ушедший за допуск вверх, исправить ничего было нельзя. Вот мы и мечтали о том, что неплохо-бы было менять резисторы как конденсаторы или транзисторы ...

Гость
Добавлено: 22-10-2015 00:36
Если шкала авиагоризонта АГД-1 1965-го года выпуска, то она не радиоактивна.

Лучше перебьдеть, чем не добьдеть. Советую первое, что сделать положить это в полиэтиленовый пакет. Второе, проверте самым примитивним способом, положите на ночь в темное место и посмотрите потом в темноте светится ли шкала. Третье, пока не нашли дозиметр, дойдите до первого приемного пункта металла и попросите приемщика проверить на вшивость вашу безделушку. Все приемки без исключения оборудованы довольно сносными дозиметрами.
П.С если все плохо, то тряпка с мылом вам в помощь. Также ищите старый пылесос уплотняете приемный фильтр ватой с марлей и все место работы тщательно пылесосите. Пылесос думаю потом лучше отправить на покой.

мастер
Группа: Участники
Сообщений: 804
Добавлено: 24-10-2015 15:52
Продолжаем рыться в наших "пещерах Алладина"
Хорошо поработали кое-чьи кусачки и отвертки:

Пластина с шестифазной нагрузкой. Резисторы С5-36В 56 Ом 100Вт соединены попарно с общим сопротивлением в 20 Ом.


гигант мысли
Группа: Участники
Сообщений: 6778
Добавлено: 24-10-2015 16:26
А резисторы С5-36 все на 56Ом или есть в этом сгустке другие?

мастер
Группа: Участники
Сообщений: 804
Добавлено: 24-10-2015 16:39
Все на 56, это 6-ти фазная нагрузка была в агрегате управления 6-ти фазным шаговым двигателем. Там они с отводом, отвод на сорока омах,и зацеплены попарно в параллель. Можно пластину распилить пополам, будет два комплекта по 6 шт. Ставим отвод на 48 Ом, цепляем в параллель и получаем шикарную 8-ми омную нагрузку для наладки усилков. Что наверное и сделаю

мастер
Группа: Участники
Сообщений: 804
Добавлено: 25-10-2015 09:14
Есть кучка ПЭВ-50-22 Ом, много ПЭВ-7,5-200 Ом и, точно не уверен, ПЭВ-75-750 Ом
Уточнение. ПЭВ-75-750 Ом есть, с десяток могу скрутить, а вот ПЭВ-50-22 куда-то запропастились.
Также есть ПЭВ-25-2,4к - 62шт, ПЭВ-20-510 Ом - 33шт и ПЭВ-20-1,1к - 7шт.

зашел на огонёк
Группа: Участники
Сообщений: 8
Добавлено: 25-10-2015 21:40
Продолжаем рыться в наших "пещерах Алладина"
Хорошо поработали кое-чьи кусачки и отвертки:


Остатки самописцев :) Трансформаторы хорошие. А, интересно, разъёмы можно пустить в дело?

гигант мысли
Группа: Участники
Сообщений: 6778
Добавлено: 25-10-2015 22:44
Трансформаторы на самом деле аккуратные. А сечение железа не замеряете, ув. zip?

зашел на огонёк
Группа: Участники
Сообщений: 8
Добавлено: 25-10-2015 23:02
По памяти - около 5кв.см.

мастер
Группа: Участники
Сообщений: 804
Добавлено: 26-10-2015 02:37
Ув. Александр , информацию по трансам от самописцев поместил в ветку трансформаторов

гигант мысли
Группа: Участники
Сообщений: 6778
Добавлено: 26-10-2015 10:33
Спасибо Алексей , посмотрю...

мастер
Группа: Участники
Сообщений: 773
Добавлено: 26-10-2015 18:40
Находки за выходные дни.

гигант мысли
Группа: Участники
Сообщений: 6778
Добавлено: 26-10-2015 22:51
На 3-м фото тороид неплохой...
А на 1-м фото во 2-м ряду - что за канитель?

мастер
Группа: Участники
Сообщений: 868
Добавлено: 26-10-2015 23:44
Какой то интересный прибор ночного видения. Может он рабочий

вошел во вкус
Группа: Участники
Сообщений: 242
Добавлено: 26-10-2015 23:57
Какой то интересный прибор ночного видения. Может он рабочий

Обычный ПНВ-57 и скорее всего рабочий. Железобетонная конструкция.

мастер
Группа: Участники
Сообщений: 773
Добавлено: 27-10-2015 20:55
Сегодняшние находки.

гигант мысли
Группа: Участники
Сообщений: 5744
Добавлено: 27-10-2015 22:34
Ух ты, первый раз вижу в деле ив-15!
Интересно, что это было за изделие...

мастер
Группа: Участники
Сообщений: 773
Добавлено: 27-10-2015 22:58
Ух ты, первый раз вижу в деле ив-15!
Интересно, что это было за изделие...

даже не знаю что за изделие было. кто то вывез на свалку куба три телевизеононго радиоборохла среди его нашел этот блок индикаций.

мастер
Группа: Участники
Сообщений: 804
Добавлено: 28-10-2015 16:39
Сходил в гараж за картошкой

гигант мысли
Группа: Участники
Сообщений: 6778
Добавлено: 28-10-2015 16:49
Алексей , знаю, кто ищет подобные...Адрес дать или самому нужны?

мастер
Группа: Участники
Сообщений: 804
Добавлено: 28-10-2015 16:55
Такая корова и самому нужна, я как раз на такой-же макетке один девайс делал. Видимо, я и кто-то в одном магазине брал макетки

гигант мысли
Группа: Участники
Сообщений: 6778
Добавлено: 28-10-2015 17:00
Такая корова и самому нужна, я как раз на такой-же макетке один девайс делал. Видимо, я и кто-то в одном магазине брал макетки

Ясно. Штуки полезные...

мастер
Группа: Участники
Сообщений: 773
Добавлено: 28-10-2015 17:53
Сегодня заехал на туже свалку шасси от ламповых тв уже уперли остальное все на месте осталось.

гигант мысли
Группа: Участники
Сообщений: 5744
Добавлено: 28-10-2015 18:22
Кстати у вас там случайно не завалялись платы от советских калькуляторов?
Пользователь 1Ж24Б во всю разыскивает К145ИК3П и 4П, можно на платах...

мастер
Группа: Участники
Сообщений: 773
Добавлено: 28-10-2015 19:04
Кстати у вас там случайно не завалялись платы от советских калькуляторов?
Пользователь 1Ж24Б во всю разыскивает К145ИК3П и 4П, можно на платах...

тут есть одна плата от калькулятора К145ХК1П и 3П И 4П.

гигант мысли
Группа: Участники
Сообщений: 5744
Добавлено: 28-10-2015 19:11
ХК3п и 4п или ИК3п и 4п?

гигант мысли
Группа: Участники
Сообщений: 6778
Добавлено: 28-10-2015 19:54
Сходил в гараж за картошкой

А я вот такими пользовался. Разобрал несколько стендов, там на этих монтажках были смонтированы блоки питания -


мастер
Группа: Участники
Сообщений: 773
Добавлено: 28-10-2015 21:20
ХК3п и 4п или ИК3п и 4п?



мастер
Группа: Участники
Сообщений: 804
Добавлено: 29-10-2015 13:33
Еще кое-что. Классные 20-ти позиционные переключатели. Сняты с древнего термокомпаратора.

знающий
Группа: Участники
Сообщений: 320
Добавлено: 29-10-2015 16:29
Свежие находки.




гроссмейстер
Группа: Участники
Сообщений: 1120
Добавлено: 29-10-2015 16:43
ХК3п и 4п или ИК3п и 4п?


ХК. Это плата от Искры-210

мастер
Группа: Участники
Сообщений: 537
Добавлено: 30-10-2015 08:21
Кстати у вас там случайно не завалялись платы от советских калькуляторов?
Пользователь 1Ж24Б во всю разыскивает К145ИК3П и 4П, можно на платах...


В разделе "групповые фото", на последней странице, выложено фото группы К145, не такие не?
http://ipic.su/img/img7/fs/P1070594.1443110035.jpg

гигант мысли
Группа: Участники
Сообщений: 5744
Добавлено: 30-10-2015 11:53
Так у вас там на фото тоже ХК3П и 4П, а не ИК...

вошел во вкус
Группа: Участники
Сообщений: 176
Добавлено: 02-11-2015 16:54
Уже отобранное , отделённые от посторонних включений в виде пустых коробочек, проводов и радиаторов.




Как отфотаю остальное будет продолжение.


мастер
Группа: Участники
Сообщений: 773
Добавлено: 05-11-2015 17:01
Сегодня коробки мокрые быле в снегу.

гигант мысли
Группа: Участники
Сообщений: 6778
Добавлено: 05-11-2015 17:07
Я балдею от Вашей свалки! 2Т602-е, прям в упаковках, получше магазина! ...Да еще и аурум!...

Гость
Добавлено: 05-11-2015 23:32
Я балдею от Вашей свалки!

Тут вот какая штука Александр. Вам неслыханно повезло, что вы все таки не коллекционер, т.к про это дело ну просто замечательно, написал Александр Перебаскин.
Его цитата: Не забывайте, что как только вы умрете (а это неизбежно и, возможно, уже скоро), родственники с огромным облегчением выкинут вашу "коллекцию" на помойку. Так пусть хоть какая-то польза от неё будет.
Вы, же не думайте всерьез, что на всех предприятиях где идет утилизация-оптимизация все кладовщики тупо безграмотные и незнающие цену Au.
Из своего опыта овладением разного рода штучками-дручками скажу, что до 40% процентов мне достается, именно по причине кончины хозяина и получения этого, от его "добрых" родственников.

Гость
Добавлено: 05-11-2015 23:41
Колбасник в этой жизни понимает...
Мне лично понравилось отсюда .
Если коллекция более не греет душу, от неё нужно избавляться.
Только не разом, а столь же последовательно и щепетильно, как и собиралась - искать людей, которым оно нужно, продавать по рыночным ценам, или просто поштучно на аукцион. Это займёт долгие месяцы, но будет справедливо к наследию, обществу, себе и собственной семье.
Можно еще подарить кому-то, но вряд-ли подаренное оптом будет достойно цениться. Однако, избавляться нужно обязательно: вещи, особенно коллекционные, должны находиться у людей, которым они нужны.
А вот собирать ненужный stuff вообще не стоит. В особенности пластинки, которые ни слушать не будешь, ни продать некому. Правда, если у вас собственный большой частный дом и у вас такой фетиш, всё возможно, но обычно это превращается в hoarding.

гигант мысли
Группа: Участники
Сообщений: 6778
Добавлено: 05-11-2015 23:45
Верно Вы все написали, ув. Robiton...
По этой причине перестал делать фотографии, т.к. они тоже когда-нибудь окажутся на свалке...

гроссмейстер
Группа: Участники
Сообщений: 1009
Добавлено: 05-11-2015 23:54
Злые Вы. Мягко говоря.
Тут мыслишь хотя бы до пенсии дожить, чтобы появилось время отфоткать, описать, выложить на сайт.....
А Вы - сразу в морг.....

магистр
Группа: Участники
Сообщений: 1411
Добавлено: 05-11-2015 23:55
Вы, же не думайте всерьез, что на всех предприятиях где идет утилизация-оптимизация все кладовщики тупо безграмотные и незнающие цену Au.

Ошибаетесь, очень сильно.

Я уже как-то писал, несколько лет назад, на предыдущей работе мой начальник пытался выбросить на помойку пять штук "Электроники-60" со всем содержимым, потому что место в складе занимают.
Когда я их забирал, он искренне удивился, а нафига мне они. Я тоже удивился, тому что он удивился. Такой вот получился парадокс удивлений.

При этом всем на заводе не было ни одной ЭТО-шки, потому что их целенаправленно ломали на Ag. Ага, а цилиндрические не менее хорошие К52-1 выбрасывали в мусор. И вполне себе свежих годов, после испытаний плат на вибро и термо. Вместе с платами. Правда, иногда снимали микросхемы. Но К52-1- никогда.

Однажды мне надоело выбирать их и платы с ними из остатков еды и другого не менее неприятного мусора, собрал всех, включая начальника, и провел лекцию о том, что К52 это тоже самое что и ЭТО-шки, и их даже по сути и разбирать-то не надо, но мне они нужны как детали, и ни к чему так их вот в мусор кидать.

Мне сказали, что я дурак и ничего не понимаю в ЭТО-шках и серебре. Но выбрасывать перестали. Отдавали просто так.

Такие вот парадоксы.

гигант мысли
Группа: Участники
Сообщений: 6778
Добавлено: 06-11-2015 00:06
Злые Вы. Мягко говоря.
Тут мыслишь хотя бы до пенсии дожить, чтобы появилось время отфоткать, описать, выложить на сайт.....
А Вы - сразу в морг.....

Да я не о фотографиях всяких "железок"... Имел ввиду личные фотографии ...

гроссмейстер
Группа: Участники
Сообщений: 1009
Добавлено: 06-11-2015 00:11
Да я не только Вам, но и Выше высказавшимся....
Понятно что денег на музей нет и не будет, хотя материала не на один музей хватит.
Да и про то что все мы там будем тоже возражений нет.
Но и обобщать из серии "сдохни сейчас" или "перестань hoarding" не надо....

Гость
Добавлено: 06-11-2015 00:17
Ошибаетесь, очень сильно.

Как же вам повезло с начальником. Но все таки начальник - это не кладовщик. А вот, кладовщику это знать по статусу необходимо. В моей жизни первый кладовщик в принципе догадывался для чего, я у него выпрашиваю всякую "прелесть", а вот второй уже Скруджем оказался и сам протоптал тропинку до хомячих норок.

магистр
Группа: Участники
Сообщений: 1411
Добавлено: 06-11-2015 00:35
Как же вам повезло с начальником.

Мне вообще тогда с заводом повезло.

При смене статуса из ФГУП в ОАО, новый начальник службы безопасности...упразднил аффинажный отдел, и назначил его руководителя...ответственным за порядок на территории (главный дворником, как все говорили). Человек расстроился, ну и уволился.

Апогеем было списание в металлолом сейфов аффинажного отдела (вместе с отделом. Комната была нужна в аренду). Опечатанных, со всем что в них было. Пришлось срочно выкупать. ....Коробку с реохордами пытались в медь определить, там ее несколько кг было. Меди, тоесть. Еле отбил. Медь- вещь многим людям нужная.

После этого я понял, что в России возможно все. Чтобы не быть голословным,-предприятие- завод "Экран", г. Самара. (не путать с НИИ "Экран", у них все нормально обстоит с этим, более чем. Соседнее здание, однако).

гигант мысли
Группа: Участники
Сообщений: 5744
Добавлено: 06-11-2015 01:54
А вот, кладовщику это знать по статусу необходимо.

Может и необходимо, но у меня на прошлой работе имел место такой факт: со склада производства женщины-сотрудницы склада вывозили на мусор целые телеги новых деталей с приемкой, среди которых мы с коллегой наскребли порядка 6 кг (!!!) новых сборок Б18-11, несколько десятков К52-1 разных номиналов, не менее полутора сотен 2Т803 и подобных. Вот вам и кладовщики...

Гость
Добавлено: 06-11-2015 05:30
Вывозили на мусор целые телеги новых деталей...

Если это правда, то страшно представить сколько у тебя дома подобного добра запасено (: Главное теперь не упустить его.

мастер
Группа: Участники
Сообщений: 501
Добавлено: 06-11-2015 08:43
На частной фирмочке, где я работал, решили избавиться от неликвидов на складе. Ничего золотосодержащего там не было - были импортные микроконтроллеры прошлых лет, БСИТы и подобная пластмассовая мелочевка. К кладовщице сходил - можно ли себе получить, раз на выброс? - Не положено, иди к замдиректору, пиши служебную. Сходил, написал, хочу получить со склада неликвиды. Искренне не понимает, чего мне от него надо. Пытаюсь объяснить. Пишет резолюцию - мол, продать по остаточной стоимости этому козлу... В общем, плюнул на этих дураков и на пластмасски, так всё и вывезли куда-то с отходами производства.

мастер
Группа: Участники
Сообщений: 627
Добавлено: 06-11-2015 11:24
Хоть в этой теме про это писать и не по теме)) Но всё же 90е научили ко всему относится рачительно)) Очень сильно помогали выживать списанные в утиль некоторые комплексы в которых было достаточное количество того самого что ценица во все времена))Когда потом уже жизнь наладилась а приобретенная в 90х привычка запасать осталась с тех пор поднакопились достаточные запасы того самого ну вернее радиодеталей нужной консистенции, редкие отложены в коллекцию а измеряемые сотнями и даже тысячами лежат на черный день а может даже и на пенсию)) Пусть лежат пока есть достаток а если не пригодятся ну что ж пусть потом их выбросят на свалку а кто нибудь их найдет сфотает и выложит и может быть даже на этом форуме

вошел во вкус
Группа: Участники
Сообщений: 133
Добавлено: 06-11-2015 14:42
На частной фирмочке, где я работал, решили избавиться от неликвидов на складе. Ничего золотосодержащего там не было - были импортные микроконтроллеры прошлых лет, БСИТы и подобная пластмассовая мелочевка. К кладовщице сходил - можно ли себе получить, раз на выброс? - Не положено, иди к замдиректору, пиши служебную. Сходил, написал, хочу получить со склада неликвиды. Искренне не понимает, чего мне от него надо. Пытаюсь объяснить. Пишет резолюцию - мол, продать по остаточной стоимости этому козлу... В общем, плюнул на этих дураков и на пластмасски, так всё и вывезли куда-то с отходами производства.

Я как то брал со склада по остаточной стоимости 1 копейка.
А Вы интересовались какая у них остаточная стоимость?
Им отчитаться нужно куда делось, а раз вывезли на свалку, документ есть и вопросов ни у кого не будет.
Так что делайте выводы.

гигант мысли
Группа: Участники
Сообщений: 5744
Добавлено: 06-11-2015 15:44

Если это правда, то страшно представить сколько у тебя дома подобного добра запасено (: Главное теперь не упустить его.

Написанное мной - правда. Причем что интересно: ликвидировались в основном конденсаторы, причем преимущественно пленка и бумага, все с ВП.
К сожалению, по ряду причин помимо того, о чем я писал выше, забрать удалось не так уж и много - может сотню-полторы разных К73 и К40У и т.п. Это все уже давно продано аудиофилам

мастер
Группа: Участники
Сообщений: 773
Добавлено: 11-11-2015 23:08
Сегодня нашел разбитый бомжами калькулятор.

вошел во вкус
Группа: Участники
Сообщений: 133
Добавлено: 12-11-2015 14:26
Договорись с бомжами, пусть собирают и тебе продают за недорого, думаю стакана водки им за счастье хватит.

мастер
Группа: Участники
Сообщений: 773
Добавлено: 15-11-2015 20:00
Сегодня.

гигант мысли
Группа: Участники
Сообщений: 6778
Добавлено: 15-11-2015 20:13
Электрокардиограф, рН-метр... Какая-то больница следы заметает... ...

главный по тарелочкам
Группа: Участники
Сообщений: 2186
Добавлено: 15-11-2015 22:44

Кусок САУ-(согласующего антенного устройства) радиостанции Р-159..жаль остального не досталось..

гигант мысли
Группа: Участники
Сообщений: 5744
Добавлено: 15-11-2015 23:35
ГТ906
Отличные находки!
Планируете ли разбирать рН-метр и кардиограф? Очень интересна посмотреть на начинку.
И еще мне интересно, что это за такой сложный внутри и еще и набитый кондерами К52 (еще надо заметить, с очень оригинальными креплениями к плате) дисковый ТА? На бытовой как-то не тянет. Для органов что ли?

мастер
Группа: Участники
Сообщений: 773
Добавлено: 16-11-2015 00:51
ГТ906
Отличные находки!
Планируете ли разбирать рН-метр и кардиограф? Очень интересна посмотреть на начинку.
И еще мне интересно, что это за такой сложный внутри и еще и набитый кондерами К52 (еще надо заметить, с очень оригинальными креплениями к плате) дисковый ТА? На бытовой как-то не тянет. Для органов что ли?

это ТЕЛЕФОН П-171Д СПЕЦСВЯЗИ

гигант мысли
Группа: Участники
Сообщений: 6778
Добавлено: 16-11-2015 01:04

И еще мне интересно, что это за такой сложный внутри и еще и набитый кондерами К52 (еще надо заметить, с очень оригинальными креплениями к плате) дисковый ТА? На бытовой как-то не тянет. Для органов что ли?

Александр , в точку ...

зашел на огонёк
Группа: Участники
Сообщений: 1
Добавлено: 16-11-2015 16:57
Отличный форум вдохновил на поиски...
Мои летние находки...








Гость
Добавлено: 16-11-2015 21:16
Отличный форум вдохновил на поиски...
Мои летние находки...

Скорее весенние подснежники))) Вон Мать-и-мачеха только зацвела...
2 (второе и четвертое фото - это от зомбоящиков платы. Четвёртое фото (последнее) можно посмотреть в теме Металлолом Робина. Это декодер.

вошел во вкус
Группа: Участники
Сообщений: 233
Добавлено: 17-11-2015 17:47

Скорее весенние подснежники))) Вон Мать-и-мачеха только зацвела...
2 (второе и четвертое фото - это от зомбоящиков платы. Четвёртое фото (последнее) можно посмотреть в теме Металлолом Робина. Это декодер.

Верно на фото 2, Ч/Б Юность 405.

гигант мысли
Группа: Участники
Сообщений: 5744
Добавлено: 18-11-2015 19:11
Источничек


мастер
Группа: Участники
Сообщений: 773
Добавлено: 22-11-2015 19:43
Сегодня.

гигант мысли
Группа: Участники
Сообщений: 5744
Добавлено: 22-11-2015 22:31
Такой вопрос: а заиметь с ваших плат японских микрух в коллекцию реально?

гигант мысли
Группа: Участники
Сообщений: 5744
Добавлено: 27-11-2015 08:45
Разъемчики и СВЧатинка

мастер
Группа: Участники
Сообщений: 537
Добавлено: 27-11-2015 16:07
Ко мне свалка сама приходит с таким:



А я из этого перевожу в такое:




мастер
Группа: Участники
Сообщений: 956
Добавлено: 27-11-2015 16:27
круглый-датчик дыма пожарной сигнализации?

мастер
Группа: Участники
Сообщений: 537
Добавлено: 27-11-2015 19:36
круглый-датчик дыма пожарной сигнализации?


Не, пьезики от телефонов.


пришел поспрашивать
Группа: Участники
Сообщений: 22
Добавлено: 28-11-2015 13:12
круглый-датчик дыма пожарной сигнализации?


Не, пьезики от телефонов.


вопрос был о этом
это дымовой датчик

знающий
Группа: Участники
Сообщений: 443
Добавлено: 28-11-2015 19:20










NEC pinwriter P2 Япония 1989 г. Не выбросил и не разломал в своё время просто случайно. Более того, как принёс, так засунул "в дальний угол" и он прямо в том пакете и лежал годы.

вошел во вкус
Группа: Участники
Сообщений: 242
Добавлено: 28-11-2015 19:48
Примерно с того же времени лежит у меня матричный принтер Epson LX-800, который я купил по случаю в одном колхозе в комплекте с компьютером Корвет. Они его купили хрен знает зачем, для понту наверное, но так и не использовали. Комп давно уже сгинул в пучине времени. а вот принтер потом немного использовал уже с нормальными компами дома, а потом засунул его в пакет, так и лежит как минимум лет 20 нетронутый.

мастер
Группа: Участники
Сообщений: 773
Добавлено: 29-11-2015 13:15
Вчерашние находки.

гигант мысли
Группа: Участники
Сообщений: 5744
Добавлено: 29-11-2015 17:30
Хм, какой интересный прибор!
Нет ли на нем бирки, чтобы понять, что это?
И еще: если будете разбирать, отснимите пожалуйста фотоприемник

пришел поспрашивать
Группа: Участники
Сообщений: 17
Добавлено: 29-11-2015 18:21
Какой то спектрофотометр.

мастер
Группа: Участники
Сообщений: 804
Добавлено: 30-11-2015 15:45
На днях шарился по подвалу, искал что-то. В знакомом месте смотрю, ящик появился , а там:

Из трех ваттметров предварительно живой только один, у двух попалены диапазоны напряжений от 150В и выше. Миллиамперметр подпаленый, вольтметр предварительно живой. Но это мелочи, самый ценный прибор здесь В3-55, третьим будет. Но он требует ремонта, судя по всему вылетел один стабилитрон в двухполярном стабилизаторе. Почему судя по всему, эта неисправность с ее характерным признаком уже на одном агрегате была. Доберусь до него, будет три близнеца в моей технарской лаборатории.

мастер
Группа: Участники
Сообщений: 637
Добавлено: 30-11-2015 22:07
Сегодня.[/url]

Эта штука залитая ..но здесь есть рассковыряныые срисованные схемы ...




а вот интересно,что в той черной пластмассовой коробочке?

мастер
Группа: Участники
Сообщений: 773
Добавлено: 02-12-2015 16:52
находки.

знающий
Группа: Участники
Сообщений: 320
Добавлено: 07-12-2015 21:07
поднимем темку


мастер
Группа: Участники
Сообщений: 773
Добавлено: 07-12-2015 21:17
находки.

гигант мысли
Группа: Участники
Сообщений: 5744
Добавлено: 07-12-2015 22:04
Ох, жестко же лазер раздербанили...

Не могли бы померить следующие габариты?


И сразу вопрос: также не продаете, только обмен на радиоприемники?
Если так, не могли бы вы конкретнее обозначить, что именно вам нужно, может найду что на том же авито...

гроссмейстер
Группа: Участники
Сообщений: 1009
Добавлено: 10-12-2015 21:57
Ой, Вы открыли нам глаза ;-)

мастер
Группа: Участники
Сообщений: 773
Добавлено: 13-12-2015 17:00
находки.

знающий
Группа: Участники
Сообщений: 443
Добавлено: 13-12-2015 17:06
Спасибо за очередные фото. А что за чёрная коробочка "Опасно Газ"?

вошел во вкус
Группа: Участники
Сообщений: 242
Добавлено: 13-12-2015 17:26
Я смотрю там в правом нижнем углу плата электроники от газового котла и даже, если не ошибаюсь, это от Бош Юниор. Обычно их не выбрасывают, а ремонтируют.

мастер
Группа: Участники
Сообщений: 773
Добавлено: 13-12-2015 17:26
Спасибо за очередные фото. А что за чёрная коробочка "Опасно Газ"?

Сигнализатор загазованности сзбо-1

вошел во вкус
Группа: Участники
Сообщений: 242
Добавлено: 13-12-2015 17:33
Я смотрю там в правом нижнем углу плата электроники от газового котла и даже, если не ошибаюсь, это от Бош Юниор. Обычно их не выбрасывают, а ремонтируют.



Картинка

мастер
Группа: Участники
Сообщений: 773
Добавлено: 13-12-2015 17:34
Я смотрю там в правом нижнем углу плата электроники от газового котла и даже, если не ошибаюсь, это от Бош Юниор. Обычно их не выбрасывают, а ремонтируют.


это блок от стиралки индизит.
от газовых котлов тоже иногда нахожу платы даже рабочие попадаются
я их тоже ремонтирую.

гигант мысли
Группа: Участники
Сообщений: 6778
Добавлено: 13-12-2015 17:39
Да, находки интересные....
Только что-то меня на первом фото наручники смущают ...

вошел во вкус
Группа: Участники
Сообщений: 242
Добавлено: 13-12-2015 17:40
это блок от стиралки индизит.
от газовых котлов тоже иногда нахожу платы даже рабочие попадаются
я их тоже ремонтирую.

Спорить не буду, хотя немного похожа. Я не слишком в них разбираюсь, просто пришлось в прошлом году с ней немного повозиться после грозы.

Напишите пожалуйста мне на ivn1950@mail.ru У меня к вам будет просьба.

гигант мысли
Группа: Участники
Сообщений: 5744
Добавлено: 20-12-2015 00:52
Интересное поделие.
Гибкая двухсторонняя плата на алюминиевом основании, некоторые элементы бескорпусные...

мастер
Группа: Участники
Сообщений: 639
Добавлено: 21-12-2015 15:06
Похоже на блок коммутации внешних реле и светодиодов. Коммутаторы эти, насколько помню, с общим эмиттером. Ну и на входе регистры, чтобы писать туда какие каналы включать. Беспорпусные смотрятся тут как-то неуместно на мой взгляд.

гигант мысли
Группа: Участники
Сообщений: 5744
Добавлено: 21-12-2015 15:16
Скорее блок управления p-i-n диодами, тк эти микры кт13 именно для этого и предназначены

гигант мысли
Группа: Участники
Сообщений: 6778
Добавлено: 21-12-2015 15:18
Беспорпусные смотрятся тут как-то неуместно на мой взгляд.

Вы правы, ув. LEON ... И даже дело несколько в другом - на плате присутствуют бескорпусные транзисторы...Допустим, тампоном или кисточкой в случае протирки, да и пальцами, можно спокойно оборвать выводы этих самих транзисторов. Как-то конструкция до конца не продумана. Ну, только если эта плата не помещалась в какой-нибудь герметичный отсек...

мастер
Группа: Участники
Сообщений: 773
Добавлено: 21-12-2015 18:10
Находки.

гигант мысли
Группа: Участники
Сообщений: 6778
Добавлено: 21-12-2015 19:44
Трансы неплохие...Только интересно, почему их два?

магистр
Группа: Участники
Сообщений: 1411
Добавлено: 22-12-2015 10:23
Например, потому что один из них используется как дроссель (ближний к передней панели). Решение конечно убогое, но имеет право на жизнь. Тем более, что у него вроде как обмотки соединены последовательно и отходит только 2 провода к плате.

пришел поспрашивать
Группа: Участники
Сообщений: 40
Добавлено: 22-12-2015 22:46
Это блок абонентский от системы диспетчеризации лифтов. Второй трансформатор - на 99 процентов- линейный. Для согласования линии связи.

Гость
Добавлено: 23-12-2015 16:39
Вот чертята, не даёте никак успокоится душе моей, вобщем морозец приударил и решил прогулятся, бомжи даже в холод неустанно дербанят все что попадается, оставляя крохи...
То немногое, что попалось за пару выходных. Остатки железной дороги конечно не в тему, но там двигатель, вроде изготовители иностранцы, а помехоподавляющий флажок советский, 84 года выпуска...


мастер
Группа: Участники
Сообщений: 537
Добавлено: 23-12-2015 19:15

То немногое, что попалось за пару выходных.


Больно похоже ваше ваше немногое, не со свалки, а с загашника вынуто. Или у вас в упаковке на свалку несут? Все больно чистенькое, новое, без следов эксплуатации. Как будто только распаковано.



вошел во вкус
Группа: Участники
Сообщений: 176
Добавлено: 23-12-2015 19:45
Вадим , Железная дорога , очень крутая фирмы "Пико" ГДР , там в локомотиве пассик наверное порвался который с двигателя на колёсную пару идёт. Там он с перекрутом идёт. У самого в детстве такая ЖД была , очень хорошие воспоминания остались.

Гость
Добавлено: 23-12-2015 20:03
Вы правы, РОСы были в упаковках, по пути неудержался раскрутил один, картонки были рваные, выбросил, пока рвал бечевку некоторые поцарапал. А игрушки так и лежали штабелем возле мусорки, динамики были сняты с раздербаненых теликов, плату сбоку не сдернули, и свп был отломан. Память была рассыпана в снегу около магазина, ополоснул в чистейшей ангарской воде, и поверте никаких следов апосля почти не остается. от монитора остались куски и сам экранчик. А еще была наколупана цельная коробка мелких динамиков, с какого-то сервиса выкинули телики, брал молоточек и долбил пустые уже ящики, достал динамиков на магнитики, и это не все фотки, материнки к примеру ваще брать не стал... Глядите чего ваще реально остается апосля бомжей, но это вам конечно неинтересно. Мало того если вы читаете тему, то знали бы, что это не с городской свалки и платы не с тех помоек где железяки валяются годами в грязи, мне такое к счастью недоступно Изъявите желание сфотаю и раздолбанные динамики



Гость
Добавлено: 23-12-2015 20:09
Вадим , Железная дорога , очень крутая фирмы "Пико" ГДР , там в локомотиве пассик наверное порвался который с двигателя на колёсную пару идёт. Там он с перекрутом идёт. У самого в детстве такая ЖД была , очень хорошие воспоминания остались.
У меня была в детстве железная дорога, но она совсем не похожа на эту. И еще на вал двигателя оказывается насажена игла хрен знает от чего и фиг знает для чего, думал это вал такой длинный иначе бы все сдернул для аутоентичности. Там была еще одна дорога, китайческая но без машинок...

Гость
Добавлено: 24-12-2015 20:06
Вадим , Железная дорога , очень крутая фирмы "Пико" ГДР , там в локомотиве пассик наверное порвался который с двигателя на колёсную пару идёт. Там он с перекрутом идёт.
Теперь подумываю, избавится от этой дороги либо попробовать восстановить ее. Такого исполнения этой дороги нашел единственное фото, и то неполный вариант. Итак отсутсвует блок питания, его графическое изображение есть на обратной стороне коробки, но вот как выглядел локомотив ума не приложу. Там остался движок, несколько колеснх пар и тяжелый груз. БП, стоит 2000р, на авито всего одно предложение, блин если столько же стоит и локомотив, призадумаешься, не моя тема. Может поделитесь ссылкой на комплектный вариант???

мастер
Группа: Участники
Сообщений: 713
Добавлено: 24-12-2015 23:39
БП, стоит 2000р,

Блок питания не паровоз.можно и самому спаять.Где то в старых журналах,не помню точно,моделист или ют,была схемка,не помн точно как там было сделано,но не сложная.Там было управление потенциометром,в среднем положении 0,в право или лево менялась полярность и напряжение в зависимости от угла поворота.На мой взгляд очень удобно.Жаль что у меня в детстве железной дороги не было.

Гость
Добавлено: 27-12-2015 18:18
Вот чёта никак не прёт меня фотать на мусорках, но некоторым видимо важнее натурпродукт, а не сам факт находок. Иногда буду фотать на местах.
Вобщем ящик оказался большим и тяжелым, я с ним поступил по варварски о чём конечно сожалею, хоть что то от него сохраню, остальное раздолбят бомжи...




знающий
Группа: Участники
Сообщений: 320
Добавлено: 29-12-2015 14:55
Детальки
[url=http://itmages.ru/image/view/3353396/58f13af0][/URL]

знающий
Группа: Участники
Сообщений: 320
Добавлено: 29-12-2015 14:56
[url=http://itmages.ru/image/view/3353407/8d3289a4]



[/URL]

мастер
Группа: Участники
Сообщений: 773
Добавлено: 29-12-2015 22:31
Предновогодние находки.

магистр
Группа: Участники
Сообщений: 1411
Добавлено: 30-12-2015 12:15
Детальки

"Детальки" можно смело переносить в тему "Авионика", данные модули, в частности, широко применяются в АБСУ (автоматическая бортовая система управления) ТУ-154.

Гость
Добавлено: 03-01-2016 21:02
Нужно тему переименовать в поиск алмазов. А то слово свалка режет нежный слух у некоторых посетителей. А некоторые от гнутых ножек и паяных деталек вабще впадают в ступор. А хдеж их новых то взять в нашем захолустье???
Ну их недоверчивых ценителей прИкрасного. В общем насобирал себе подарков на ужасной полянке.

магистр тайных сил
Группа: Участники
Сообщений: 1808
Добавлено: 03-01-2016 21:39
Вадим а можете по подробней сфотать плату с солнце подобным индикатором.Которая на самсунге лежит.Хочется поближе на нее посмотреть.

Гость
Добавлено: 03-01-2016 22:09
Я тоже вначале подумал, что это цельнолитой индикатор. Надеюсь вы не расстроились))

магистр тайных сил
Группа: Участники
Сообщений: 1808
Добавлено: 03-01-2016 22:19
Вадим Спасибо.Плата от видика.Я думал что от АС-5.1

мастер
Группа: Участники
Сообщений: 773
Добавлено: 03-01-2016 23:06
Плата от видика Samsung SVR-131 индикатор зеленого цвета.

мастер
Группа: Участники
Сообщений: 773
Добавлено: 06-01-2016 10:33
новогодние находки.

главный по тарелочкам
Группа: Участники
Сообщений: 2542
Добавлено: 06-01-2016 11:34
Пятая фотография - останки БПС6-1. Вижу, брезгливый народ у вас там пошёл, бросается подобными останками

мастер
Группа: Участники
Сообщений: 804
Добавлено: 06-01-2016 11:48
Пятая фотография - останки БПС6-1. Вижу, брезгливый народ у вас там пошёл, бросается подобными останками

Такими вещами тут Denis-XKM интересуется, наверняка заберет

гигант мысли
Группа: Участники
Сообщений: 5744
Добавлено: 06-01-2016 14:19
Не представляю, что должна быть за свалка, раз на ней валяются платы с невыдранным драгметом... Если только на закрытой территории...

мастер
Группа: Участники
Сообщений: 542
Добавлено: 06-01-2016 20:40
Просто есть места, где нет этих зверей, раздирающих всё и вся.

главный по тарелочкам
Группа: Участники
Сообщений: 2542
Добавлено: 06-01-2016 21:47
В моём городе таковых мест точно нет.

мастер
Группа: Участники
Сообщений: 773
Добавлено: 06-01-2016 22:23
В моём городе таковых мест точно нет.

вы просто не были в этих местах хот раз два заглянте может что то интересное будет.

гигант мысли
Группа: Участники
Сообщений: 5744
Добавлено: 07-01-2016 00:16
Ну так и скажите прямо, что речь про свалки на территориях предприятий, военных частей и объектов, а также завалы на брошенных объектах. В таких местах конечно еще много чего вкусного можно откопать.

магистр
Группа: Участники
Сообщений: 1411
Добавлено: 07-01-2016 03:14
Да не скажите. Это капля в море для миллионного города. Например, для моего (г. Самара)- это так.
Тут недавно уважамый ГТ906 показал сдвоенный комплект р/ст Баклан. А у нас выбросили пару абсолютно новых РСБН Ось-1, в масле и со всеми паспортами. На рамах.
Так как за полгода покупателей на Ось-1 не нашлось, я это все аккуратно разобрал . В смысле Ось-1- на детали. Не на лом. (Ну кроме РЭС-9. Не люблю негерметичные реле,- бесполезный перевод ДМ, мое мнение...)

Гость
Добавлено: 07-01-2016 16:02
А вот мои свалки имеют другое название: "Пункт приема металлолома". Захожу, знакомлюсь с приемщиком, задаю вопросы и забираю интересное. Как правило, радиоэлектронику на пунктах не принимают и поставщики бросают свое добро прямо на территории.
... А у нас выбросили пару абсолютно новых РСБН Ось-1, в масле и со всеми паспортами. На рамах...

Не могу себе представить, размеры, или это бортовое оборудование?
Просто я изучал "Свод" РСБН-2, немного прихватил "Дорогу" РСБН-4 и довелось монтировать "Балку-АД" РСБН-6.

магистр
Группа: Участники
Сообщений: 1411
Добавлено: 07-01-2016 16:22
РСБН Ось-1- бортовое оборудование системы посадки. Пришло на смену РСБН-2. В моем случае (привезенное домой, конечно) все это выглядело так:


гигант мысли
Группа: Участники
Сообщений: 4411
Добавлено: 07-01-2016 17:46
Ось, это СП-68/ILS, а РСБН, для захода на посадку, использует сигналы ПРМГ.

Гость
Добавлено: 07-01-2016 22:27
Да уж. За 35 лет многое изменилось в системах РТО самолетовождения и посадки. Раньше РСБН обеспечивала навигацию в ближней зоне, а посадку, кроме приводов, обеспечивали КРМ-2 и ГРМ-2 + у диспетчера РП-2Ф. Если не ошибаюсь, система называлась СП-50

мастер
Группа: Участники
Сообщений: 804
Добавлено: 11-01-2016 13:06
Продолжаем раскопки на складе.

знающий
Группа: Участники
Сообщений: 320
Добавлено: 12-01-2016 21:15
Остатки автомагнитол и К52-1 с неизвестного блока




мастер
Группа: Участники
Сообщений: 773
Добавлено: 12-01-2016 21:24
На нижнем фото платы от'Урал-авто-2'

мастер
Группа: Участники
Сообщений: 773
Добавлено: 12-01-2016 21:27
на свалке.

знающий
Группа: Участники
Сообщений: 320
Добавлено: 12-01-2016 21:33
На нижнем фото платы от'Урал-авто-2'

верно

знающий
Группа: Участники
Сообщений: 320
Добавлено: 12-01-2016 21:37
ГТ906, а что внутри чемоданчика?

мастер
Группа: Участники
Сообщений: 773
Добавлено: 12-01-2016 21:50
Мои находки.

мастер
Группа: Участники
Сообщений: 773
Добавлено: 12-01-2016 22:04
ГТ906, а что внутри чемоданчика?



гигант мысли
Группа: Участники
Сообщений: 5744
Добавлено: 12-01-2016 22:11

А что за микросхема в керамике в неком таймере слева внизу?

мастер
Группа: Участники
Сообщений: 773
Добавлено: 13-01-2016 00:39
на микросхеме две строки верху написано 001 в низу 5-04-11.

гигант мысли
Группа: Участники
Сообщений: 5744
Добавлено: 13-01-2016 00:55
Эх, ее бы вскрыть и под микроскоп для опознания...

знающий
Группа: Участники
Сообщений: 320
Добавлено: 13-01-2016 16:04
зашел сегодня



вошел во вкус
Группа: Участники
Сообщений: 242
Добавлено: 13-01-2016 16:06
А ножик тоже на свалке нашел? :-)

знающий
Группа: Участники
Сообщений: 337
Добавлено: 13-01-2016 17:14
Что-то Тесловское

мастер
Группа: Участники
Сообщений: 627
Добавлено: 13-01-2016 17:33
Что-то Тесловское

Платы от фотосчитывателя перфоленты FS-1500
в них разьёмы "правельные" ТАН

знающий
Группа: Участники
Сообщений: 320
Добавлено: 13-01-2016 17:48
А ножик тоже на свалке нашел? :-)

да

главный по тарелочкам
Группа: Участники
Сообщений: 2542
Добавлено: 13-01-2016 20:20
Платы от фотосчитывателя перфоленты FS-1500

В том, что довелось чистить, маломощные транзисторы были в пластмассовых корпусах. Сам считыватель по весу как хорошая гиря - со стола просто так не смахнуть.

мастер
Группа: Участники
Сообщений: 627
Добавлено: 14-01-2016 09:53
Платы от фотосчитывателя перфоленты FS-1500

В том, что довелось чистить, маломощные транзисторы были в пластмассовых корпусах. Сам считыватель по весу как хорошая гиря - со стола просто так не смахнуть.

Тесловские фотосчитыватели типа FS-1500 мне в своё время душу вымотали нет они сами по себе то хорошие но не были расчитаны на такое количество перфоленты(гоняли километрами) и особенно брака её))бумагой прорезались в бронзовых лентопротяжках канавки по несколько миллиметров а затем когда стали гнать через эти фотосчитыватели инфу зашифрованную на той же перфоленты через Советские для проводной связи модемы(это такие ящики весом килограммов 30)вот тогда то и вымотали они мне душу ну не приспособлены наши телефонные линии в то время были для таких целей да и модемы оставляли желать лучшего.
Ух накипело))))я их потом с особым остервенением ломал это было уже в 90х когда надобность во всей этой байде отпала, кажись кое какие запчасти от тех эфэсов должны валяца))призьмы точно недавно видал, а а сами фотоэлементы даже тут как то давно выкладывал

гигант мысли
Группа: Участники
Сообщений: 5744
Добавлено: 14-01-2016 11:44
Ячеечка

гигант мысли
Группа: Участники
Сообщений: 5744
Добавлено: 20-01-2016 19:26
Пара мелких платок:

знающий
Группа: Участники
Сообщений: 320
Добавлено: 21-01-2016 18:03





мастер
Группа: Участники
Сообщений: 627
Добавлено: 22-01-2016 17:30
Аккуратно рядом с мусорным баком лежали, прошел бы мимо привлек на часах значок трназистора))забрал, микруха стоит там К-264ГФ1
1982год, не удивлюсь если часы рабочие, потом проверю

гигант мысли
Группа: Участники
Сообщений: 5744
Добавлено: 22-01-2016 17:47
А вскрыть и отфоткать можете?

мастер
Группа: Участники
Сообщений: 554
Добавлено: 22-01-2016 18:01
Пара мелких платок:
От Р4-37/38 кажется

мастер
Группа: Участники
Сообщений: 773
Добавлено: 24-01-2016 13:39

вошел во вкус
Группа: Участники
Сообщений: 242
Добавлено: 24-01-2016 14:00
А я когда-то долго искал и с большим трудом нашел станину от микроскопа для того, что бы настольный сверлильный станок сделать для печатных плат. А тут народ уже почти целые микроскопы на свалку отправляет. :-)

мастер
Группа: Участники
Сообщений: 773
Добавлено: 24-01-2016 14:13
Прибор выкинули кучя документаций с ним все не от него.

гигант мысли
Группа: Участники
Сообщений: 6778
Добавлено: 24-01-2016 14:16
А часы "Электроника 8" раньше встраивали в кухонный мебельный гарнитур, был такой в 80-е годы прошлого столетия...

гроссмейстер
Группа: Участники
Сообщений: 1120
Добавлено: 24-01-2016 14:36
Да, электроника 8 - очень хорошие часы.

гигант мысли
Группа: Участники
Сообщений: 6778
Добавлено: 24-01-2016 14:47
Да, электроника 8 - очень хорошие часы.

У товарища в гараже до сих пор работают, а мебель давно развалилась
...

гигант мысли
Группа: Участники
Сообщений: 5744
Добавлено: 24-01-2016 17:46
Офигеть! Целый кассово-платежный терминал с сенсорным монитором, картоприемником и тд! Мне бы такие свалки...

мастер
Группа: Участники
Сообщений: 627
Добавлено: 25-01-2016 12:17
А вскрыть и отфоткать можете?

саму микруху вскрыть не смогу))
кстате часы совершенно рабочие
пока фотал уронил со стола а они всё равно тикают


гигант мысли
Группа: Участники
Сообщений: 5744
Добавлено: 27-01-2016 02:08
Некое изделие с довольно интересной начинкой - тут и микросхема счетчика-генератора 176ие5, и ключи 561кт3, и пачка ОУ...



Что за бука О на разъемах - опытные?

мастер
Группа: Участники
Сообщений: 627
Добавлено: 27-01-2016 09:18
Это какая то странная буква 0 скорее значек какой то. Помница конденсаторы типа ЭТо кто то выкладывал там такой же значок стоял точно уже не помню но кажись что то на счет металла было типа отсутствуют ценные)))) надо поискать ту тему.

магистр
Группа: Участники
Сообщений: 1411
Добавлено: 27-01-2016 10:22
Насчет металла- ага, мое объяснение было и касалось оно конденсаторов К52-2 и К52-5.
А буква на разъеме- и правда, значок какой-то. Потому как, например, в радиокомпасе АРК-15М конца 70-х они вполне себе стоЯт без всяких "опытных"...

гигант мысли
Группа: Участники
Сообщений: 5744
Добавлено: 27-01-2016 12:35
Блок релейной автоматики?


магистр
Группа: Участники
Сообщений: 1411
Добавлено: 27-01-2016 12:50
Не, непохоже. Слишком хорошее исполнение, да и разъём нехарактерен.
От чего-нить наземно-военно-питательного. Например, от какой-нить стационарной радиостанции. Или радара. Или большой ЭВМ, но вот РТСы для них нехарактерны.

гигант мысли
Группа: Участники
Сообщений: 6778
Добавлено: 27-01-2016 12:58
Блок релейной автоматики?


А держатели предохранителей такие же, как у старой-старой станционной аппаратуры связи.Когда калиброванная проволочка перегорает, выскакивает подпружиненная "пипочка", визуально видно, какой предохранитель сгорел. Удобно, лишний раз прозванивать не надо.

мастер
Группа: Участники
Сообщений: 542
Добавлено: 27-01-2016 19:38


Слева две платы - интегратор от прибора А566, не так давно упоминал в "опознайте прибор".

вошел во вкус
Группа: Участники
Сообщений: 154
Добавлено: 27-01-2016 21:08
Не, непохоже. Слишком хорошее исполнение, да и разъём нехарактерен.
От чего-нить наземно-военно-питательного. Например, от какой-нить стационарной радиостанции. Или радара. Или большой ЭВМ, но вот РТСы для них нехарактерны.

Довольно странное сочетание комплектующих, очень крутые реле и вшивоватые, грубо говоря предохранители. Возможно подпружинивание повышает скорострельность...

магистр
Группа: Участники
Сообщений: 1411
Добавлено: 27-01-2016 21:15
Удобство эксплуатации и обслуживания, не более того. Легко увидеть, легко заменить.

знающий
Группа: Участники
Сообщений: 320
Добавлено: 28-01-2016 16:24
Находки





гигант мысли
Группа: Участники
Сообщений: 5744
Добавлено: 28-01-2016 19:45
Платки
Нечасто удается увидеть 1тс609 в деле...


гигант мысли
Группа: Участники
Сообщений: 6778
Добавлено: 28-01-2016 21:36
Находки


Не пойму - что это?

магистр
Группа: Участники
Сообщений: 1307
Добавлено: 28-01-2016 21:38
Ртутный выключатель

гигант мысли
Группа: Участники
Сообщений: 6778
Добавлено: 28-01-2016 21:46
Ртутный выключатель

Спасибо Владимир . Что-то в последнее время стараюсь в дом такие штуки не таскать...Хотя еще остался набор ртутных лабораторных термометров, никак не унесу от греха подальше...Не я грохну, так дети-внуки...

гигант мысли
Группа: Участники
Сообщений: 5744
Добавлено: 29-01-2016 14:05
Насадка для душа
Уже была вскрытой и с явно чем-то извлеченным оттуда...(может уз излучатель или катушка?)

гигант мысли
Группа: Участники
Сообщений: 4411
Добавлено: 29-01-2016 15:42
А держатели предохранителей такие же, как у старой-старой станционной аппаратуры связи.Когда калиброванная проволочка перегорает, выскакивает подпружиненная "пипочка

Проволочка перегорает, пружинка тянет шток вперед, в сторону контактов, замыкая контактную пару сигнализации срабатывания, пипочка более не видна. Был у меня боец-мудак, открыл крышку и понажимал таких целый ряд.

мастер
Группа: Участники
Сообщений: 627
Добавлено: 29-01-2016 16:38
Ртутный выключатель

Спасибо Владимир . Что-то в последнее время стараюсь в дом такие штуки не таскать...Хотя еще остался набор ртутных лабораторных термометров, никак не унесу от греха подальше...Не я грохну, так дети-внуки...

А я так до сих пор не избавлюсь от дверного квартирного звонка, там подобный ртутный переключатель стоит, так и продолжает блям-блям делать))
фото внутренностей тут на форуме где то есть того звонка

Гость
Добавлено: 29-01-2016 19:51
Ув. lalka, я вот тоже вам встречную просьбу задам. А низзя эту штуку поподробнее отфотожопить. Такие вещи, по определению должны буквенный децимал иметь, т.к делались изначально как причуда некого конструктора, на неком номерном заводе, у которого от всяких "ракет-шмакет" крышу ветром унесло за ракетой.

мастер
Группа: Участники
Сообщений: 536
Добавлено: 30-01-2016 10:21
В этой теме впервые. Отношение к свалкам нормальное. А вот как это за бугром: http://www.newstube.ru/media/bolivijskij-podrostok-delaet-robotov-iz-musora

гигант мысли
Группа: Участники
Сообщений: 5744
Добавлено: 30-01-2016 14:01
Ув. lalka, я вот тоже вам встречную просьбу задам. А низзя эту штуку поподробнее отфотожопить.

К сожалению, изделие уже разобрано, все ненужное выброшено...

Еще кучка старой фигни

мастер
Группа: Участники
Сообщений: 773
Добавлено: 31-01-2016 12:56

главный по тарелочкам
Группа: Участники
Сообщений: 2474
Добавлено: 31-01-2016 14:00
ГТ906, можно в подробностях пофоткать прибор Р5-13 для темы измериловки?

Заранее спасибо!

мастер
Группа: Участники
Сообщений: 713
Добавлено: 31-01-2016 14:03
Ламповая штуковина в центре-остатки школьного демонстрационого СВЧ генератора.

гигант мысли
Группа: Участники
Сообщений: 5744
Добавлено: 01-02-2016 11:45
Что-то, связанное с питанием из середины 70-ых
К сожалению, уже частично раздербаненное.




магистр тайных сил
Группа: Участники
Сообщений: 1557
Добавлено: 01-02-2016 12:08
Что-то, связанное с питанием из середины 70-ых

А под фланцем, что за транзистор ?

гигант мысли
Группа: Участники
Сообщений: 5744
Добавлено: 01-02-2016 12:19
Там был то ли 808-ой, то ли 809-ый.

магистр
Группа: Участники
Сообщений: 1411
Добавлено: 01-02-2016 16:32
Что-то, связанное с питанием из середины 70-ых

Кто-то очень мелкими кусочками разбирает и выбрасывает оснастку КУНГа системы питания АСУ командного пункта управления (КУНГ собственно ЭВМ АСУ- отдельная автомашина) . Это может растянуться очень надолго, там много разнообразного оборудования

знающий
Группа: Участники
Сообщений: 320
Добавлено: 01-02-2016 19:26





гигант мысли
Группа: Участники
Сообщений: 5744
Добавлено: 01-02-2016 21:41
А можете крупно сфоткать плату с лампой игд5, желательно с обоих сторон?

Гость
Добавлено: 01-02-2016 22:45
Чета, как-то с фантазией на имена у сарапульцев туговато. Рация УРАЛ-Р согласно ИВхх, тоже их детище.

П.С Хотя сейчас карту посмотрел, Сарапул - это Урал.

знающий
Группа: Участники
Сообщений: 320
Добавлено: 02-02-2016 12:27
А можете крупно сфоткать плату с лампой игд5, желательно с обоих сторон?




гигант мысли
Группа: Участники
Сообщений: 5744
Добавлено: 02-02-2016 14:35
Хм, все равно не понимаю: если эта лампа используется просто как УФ осветитель, то зачем такие навороты?.. Или все эти ОУ к лампе отношения не имеют, а просто расположены на общей с ней плате?

пришел поспрашивать
Группа: Участники
Сообщений: 82
Добавлено: 02-02-2016 16:13
Хм, все равно не понимаю: если эта лампа используется просто как УФ осветитель, то зачем такие навороты?.. Или все эти ОУ к лампе отношения не имеют, а просто расположены на общей с ней плате?


Похоже, что нижняя часть с диодами и транзистором - это питание лампы, а верхняя часть с ОУ это скорее всего усилитель-формирователь сигнала с датчика который находится в той серой штуковине покрытой налетом с двумя круглыми темными окошками в верху справа. Если посмотреть на фото с дорожками, то видно, что от него идет дорожка на 3 вывод ОУ если не ошибаюсь. Вот только сам датчик на фото не попал. Скорее всего светодиод какой нибудь.

З.Ы. Сдается мне, что это датчик купюры или ее подлинности. Лампа светится и если отраженный сигнал от купюры попал на датчик, то значит, что купюра есть или подлинная.

знающий
Группа: Участники
Сообщений: 320
Добавлено: 02-02-2016 17:28


гигант мысли
Группа: Участники
Сообщений: 5744
Добавлено: 02-02-2016 18:04
Вот оно как! я все думал, есть там фотодиод или нету, не мог разглядеть на фото за коррозией
Теперь все ясно. Спасибо!

пришел поспрашивать
Группа: Участники
Сообщений: 68
Добавлено: 03-02-2016 23:13
Эта лампа с горячим катодом, что ли? При всей своей миниатюрности.

гигант мысли
Группа: Участники
Сообщений: 5744
Добавлено: 03-02-2016 23:44
Эта лампа с горячим катодом, что ли? При всей своей миниатюрности.

Да, именно так: http://155la3.ru/igd5u.htm

гигант мысли
Группа: Участники
Сообщений: 5744
Добавлено: 03-02-2016 23:45
Платочка с реле:

пришел поспрашивать
Группа: Участники
Сообщений: 68
Добавлено: 04-02-2016 01:13
Да, именно так: http://155la3.ru/igd5u.htm

Там-то я и увидел в ней горячий катод. Удивился: смысл в нём? Может, с ним спектр требуемый получается. Может, хотели напряжение зажигания уменьшить при том же расстоянии между электродами.

гигант мысли
Группа: Участники
Сообщений: 5744
Добавлено: 04-02-2016 01:24
Смотрю, липосакцию жира с этой платки сделали.

Если вы про разъем, то его выдрали до меня...

гигант мысли
Группа: Участники
Сообщений: 5744
Добавлено: 04-02-2016 01:25
Может, с ним спектр требуемый получается. Может, хотели напряжение зажигания уменьшить при том же расстоянии между электродами.

Без этикетки/паспорта или хотя бы справочных данных мы вряд ли это узнаем, а их к сожалению нигде нету.

мастер
Группа: Участники
Сообщений: 773
Добавлено: 04-02-2016 20:31

магистр тайных сил
Группа: Участники
Сообщений: 1808
Добавлено: 04-02-2016 21:42
ГТ906 Устройство с трубкой похоже остатки радиостанции НЕВА-М на 224 серии микросхемах.

http://rw6ase.narod.ru/00/prper/niwa_m.html

мастер
Группа: Участники
Сообщений: 773
Добавлено: 04-02-2016 22:32

мастер
Группа: Участники
Сообщений: 773
Добавлено: 04-02-2016 22:36
ГТ906 Устройство с трубкой похоже остатки радиостанции НЕВА-М на 224 серии микросхемах.

http://rw6ase.narod.ru/00/prper/niwa_m.html

Да она самая есть НИВА-М

гигант мысли
Группа: Участники
Сообщений: 5744
Добавлено: 05-02-2016 17:56
Странный блочок - стоят ВВ столбы, но сам блочок явно не высоковольтный.


Странный способ установки реле РЭС-15. Почему нельзя было просто запаять - не понимаю...

Гость
Добавлено: 05-02-2016 22:51
Почему нельзя было просто запаять - не понимаю...

Очевдно, из-за полусферической формы выводной части. Такую форму с технологической точки надежнее притопить в нише, чем удерживать проводниками.
В материаловединии есть дохрена понятий свойств проводника и один из параметров этих свойств гласит.
Предел прочности при растяжении и относительное удлинение перед разрывом. Где при жесткой спайке каждый из 5ти выводов этого реле становиться в зону риска на микро растяжение.

магистр
Группа: Участники
Сообщений: 1411
Добавлено: 06-02-2016 01:48
Да ни хрена. Не стОит искать кошку в темной комнате, особенно если ее там нет,- все гораздо проще.
С одной стороны- вибростойкость. С другой- можно было бы, да и многие производители так делают, ага- большой секрет- через "технологическую оснастку"(вертикальный/горизонтальный держатель),- но так дороже. На эти самые копейки этой самой оснастки. Поэтому- всё так.

гигант мысли
Группа: Участники
Сообщений: 5744
Добавлено: 06-02-2016 14:55
Еще некая старая шняжка с тиристорами 2У101И, транзисторами МП26 и диодами.

мастер
Группа: Участники
Сообщений: 536
Добавлено: 06-02-2016 17:57
Подобрал на пешеходном переходе. Думаю,отвалилось от джипа предколхоза.

А где антенный штырь отвалился? Про противовесы уж молчу...

мастер
Группа: Участники
Сообщений: 773
Добавлено: 06-02-2016 20:37
Подобрал на пешеходном переходе. Думаю,отвалилось от джипа предколхоза.
А где антенный штырь отвалился? Про противовесы уж молчу...


это болгарская антенна от радиостанции Лен Б и то не авто А стационарного комплекта.

мастер
Группа: Участники
Сообщений: 773
Добавлено: 06-02-2016 20:41
Сегодня. интересно клавиатура от чего.

гроссмейстер
Группа: Участники
Сообщений: 1120
Добавлено: 06-02-2016 20:45
О, Искра 2240М и клава от АГАТа.

А что у Искры внутри?

гигант мысли
Группа: Участники
Сообщений: 5744
Добавлено: 06-02-2016 21:21
Интересная Искра!
ГТ906, сделаете фотообзор ее начинки?

гроссмейстер
Группа: Участники
Сообщений: 1009
Добавлено: 06-02-2016 21:23
Клаву бы прикупил, если не очень дорого....

вошел во вкус
Группа: Участники
Сообщений: 207
Добавлено: 06-02-2016 21:50
Подобрал на пешеходном переходе. Думаю,отвалилось от джипа предколхоза.
А где антенный штырь отвалился? Про противовесы уж молчу...


это болгарская антенна от радиостанции Лен Б и то не авто А стационарного комплекта.


Потверждаю,головка из стационарной антеной ЛЕН Б либо РТ21-1.Там в низу должно быть три дырки резбой М8 на 120 градуса друг прямо друга для протививесов.



Мобильный вариант выглядит так.
https://istatic.bazar.bg/photosbazar/a9/large/a95d7602e13cec9d2db999baa1bdd940.jpg

мастер
Группа: Участники
Сообщений: 773
Добавлено: 06-02-2016 22:25
Интересная Искра!
ГТ906, сделаете фотообзор ее начинки?


Фото обзор выложил в раздел Калькуляторы.

мастер
Группа: Участники
Сообщений: 773
Добавлено: 06-02-2016 22:25
О, Искра 2240М и клава от АГАТа.

А что у Искры внутри?

Фото обзор выложил в раздел Калькуляторы.

магистр тайных сил
Группа: Участники
Сообщений: 1557
Добавлено: 06-02-2016 22:56


Странный способ установки реле РЭС-15. Почему нельзя было просто запаять - не понимаю...

Способ установки реле РЭС-15 такой же, как и транзисторов.
Корпус приклеен, выводы имеют некоторую степень подвижности.
Вызвано это, наверное, особыми требованиями к такого вида аппаратуре. Она должна быть вибро и ударо-устойчива, и по требованиям ТУ , должна выдерживать повторяющиеся удары с ускорением до 100 g, и однократные удару, с ускорением до 1000 g.

Гость
Добавлено: 07-02-2016 17:51
А у нас, как обычно, все попроще, беднеют нонче свалочки...

гигант мысли
Группа: Участники
Сообщений: 5744
Добавлено: 07-02-2016 17:59
Еще некие блочочки:


И их же вариация, но с другим конденсатором:

вошел во вкус
Группа: Участники
Сообщений: 242
Добавлено: 07-02-2016 19:22
А у нас, как обычно, все попроще, беднеют нонче свалочки...

Грех вам жаловаться. У нас вообще и такого нет.

мастер
Группа: Участники
Сообщений: 773
Добавлено: 09-02-2016 21:57
импорт.

знающий
Группа: Участники
Сообщений: 345
Добавлено: 10-02-2016 18:00
Сегодня. интересно клавиатура от чего.


ув. ГТ906, не продаете случайно клавиатуру от Агата? на почту отписывался несколько дней назад

мастер
Группа: Участники
Сообщений: 773
Добавлено: 14-02-2016 12:00
ВСЕ вещи целые не раздербенены просто пока времени нет
если кому что нужно звоните на скайп там это быстро все решается.
логин скайпа UA9LGX.

мастер
Группа: Участники
Сообщений: 773
Добавлено: 14-02-2016 21:52
сегодняшний улов.

знающий
Группа: Участники
Сообщений: 369
Добавлено: 14-02-2016 22:00
Платы похожи на те, которые были в установке подгонки резисторов для ГИС. Если это так, то среди них должна быть плата с К580ВМ80 и памятью.

главный по тарелочкам
Группа: Участники
Сообщений: 2186
Добавлено: 14-02-2016 22:39
Да...Ангара-1..да еще и многоканальная..круто.Не дерибаньте-продайте страждущему радиолюбителю-такая вещь не должна кануть в лету..

администратор
Группа: Администраторы
Сообщений: 8045
Добавлено: 15-02-2016 09:18
Почистил слегка тему от флуда. Как достучаться до ГТ906 ответ дан, пользуйтесь.

гигант мысли
Группа: Участники
Сообщений: 5744
Добавлено: 24-02-2016 19:00
Мелкие платки и похоже плата от частотомера:


знающий
Группа: Участники
Сообщений: 320
Добавлено: 27-02-2016 23:12
Поднимем

знающий
Группа: Участники
Сообщений: 320
Добавлено: 27-02-2016 23:12

мастер
Группа: Участники
Сообщений: 773
Добавлено: 28-02-2016 19:59
сегодняшний улов.

знающий
Группа: Участники
Сообщений: 446
Добавлено: 29-02-2016 01:29
Умирают радиолюбители...а их детишки и женушки лихо выбрасывают на помойку все что накоплено за многие годы...
Огромная куча КМ-ок и другого добра явственно об этого свидетельствуют.

вошел во вкус
Группа: Участники
Сообщений: 242
Добавлено: 29-02-2016 08:06
Да уж, улов действительно богатый в полном смысле этого слова.

гигант мысли
Группа: Участники
Сообщений: 7902
Добавлено: 29-02-2016 09:11
Уваж. Slowolitus прав - ощущение как наследство от недавно умершего.. Грустно.. Еще более грустно, что само государство (теперь наверно можна сказать - общество..) - еще со времен "светлого будущего" вот таким образом выбрасывало и выбрасывает куда больше...

магистр
Группа: Участники
Сообщений: 1411
Добавлено: 29-02-2016 12:59
Вообще, судя по фотографиям, выбрасывали "старый хлам" и "списанное барахло" (по мнению выбрасывающих) из ремонтной заводской лаборатории. Не думаю, что рядовому радиолюбителю нужен эксплозиметр или кислородомер в его повседневной практике


мастер
Группа: Участники
Сообщений: 773
Добавлено: 29-02-2016 22:07
Вообще, судя по фотографиям, выбрасывали "старый хлам" и "списанное барахло" (по мнению выбрасывающих) из ремонтной заводской лаборатории. Не думаю, что рядовому радиолюбителю нужен эксплозиметр или кислородомер в его повседневной практике
эксплозиметр и кислородомер эти приборы найдены другой куче.


знающий
Группа: Участники
Сообщений: 369
Добавлено: 29-02-2016 22:14
Не думаю, что рядовому радиолюбителю нужен эксплозиметр или кислородомер в его повседневной практике

Аквариумисты кислородомер используют, для измерения содержания воздуха в воде аквариума (правда, тот, что я у них видел, выглядел по-другому слегка).

мастер
Группа: Участники
Сообщений: 773
Добавлено: 01-03-2016 21:47

гигант мысли
Группа: Участники
Сообщений: 5744
Добавлено: 02-03-2016 13:45
Довольно крупный и насыщенный блочок


гигант мысли
Группа: Участники
Сообщений: 5744
Добавлено: 03-03-2016 15:41
Еще блочок

Гость
Добавлено: 04-03-2016 14:45
Некада в последнее время выбиратся к милым сердцу местам. Зато, однако, выставили рядышком вот такую прелесть, еле доволок заразу...

гигант мысли
Группа: Участники
Сообщений: 5744
Добавлено: 04-03-2016 18:34
Предположительно от какого-то БП.



Экспортные СП5?

мастер
Группа: Участники
Сообщений: 554
Добавлено: 04-03-2016 20:22
Ну да, от пищащих Б5-50 например

гигант мысли
Группа: Участники
Сообщений: 5744
Добавлено: 09-03-2016 02:10
Вот такая платочка:

магистр тайных сил
Группа: Участники
Сообщений: 1557
Добавлено: 09-03-2016 09:30
Вот такая платочка:

Интересные зеленые КМ6 в правом нижнем углу. Что на них написано ?
Нельзя ли выпаять.

гигант мысли
Группа: Участники
Сообщений: 7902
Добавлено: 09-03-2016 09:52
подстроечный резистор - в центре этой самопалки - очень "удобен" для подстройки.

гигант мысли
Группа: Участники
Сообщений: 5744
Добавлено: 09-03-2016 13:57
Да, ув. Bob, вы правы: это действительно интересные КМки - ОСКМ-6С, где С - со слов Клапауция - для работы в среде водорода.


гигант мысли
Группа: Участники
Сообщений: 5744
Добавлено: 11-03-2016 18:16
Еще блочок и шняжки на керамике:


знающий
Группа: Участники
Сообщений: 320
Добавлено: 12-03-2016 19:40




гигант мысли
Группа: Участники
Сообщений: 6778
Добавлено: 12-03-2016 19:44
А вот интересно, ув. cuper , что за зеленые трансформаторы на последнем фото? Который поменьше, возможно дроссель?

знающий
Группа: Участники
Сообщений: 320
Добавлено: 12-03-2016 22:20
А вот интересно, ув. cuper , что за зеленые трансформаторы на последнем фото? Который поменьше, возможно дроссель?
нет тоже трансформатор

гигант мысли
Группа: Участники
Сообщений: 6778
Добавлено: 12-03-2016 23:13
А на главный вопрос Вы не ответили :"что за зеленые трансформаторы"... Или нет никаких надписей на них?

мастер
Группа: Участники
Сообщений: 804
Добавлено: 13-03-2016 13:36
Мелкий визуально очень похож на трансформатор И24.702.159 от В7-20, но это не он. Имеются отличия по расположению выводов и ширине магнитопровода.

знающий
Группа: Участники
Сообщений: 320
Добавлено: 13-03-2016 16:32
А на главный вопрос Вы не ответили :"что за зеленые трансформаторы"... Или нет никаких надписей на них?

вот

знающий
Группа: Участники
Сообщений: 320
Добавлено: 13-03-2016 16:33
Сегодня. Платы от видеотест-2м



знающий
Группа: Участники
Сообщений: 320
Добавлено: 13-03-2016 16:43





гигант мысли
Группа: Участники
Сообщений: 6778
Добавлено: 13-03-2016 17:35
Спасибо, ув. cuper , за такой ракурс фото "зеленых" трансов...Судя по децималу ЕЭ...(если правильно понял стилизованное написание буквы "Е" большого) - это разработка ГНИПИ, а вот децимал К2... маленького мне не знаком...

мастер
Группа: Участники
Сообщений: 804
Добавлено: 13-03-2016 18:31
Это не К2, это криво нанесено И24.702.131, почти как И24.702.159 от В7-20.

гигант мысли
Группа: Участники
Сообщений: 6778
Добавлено: 13-03-2016 18:59
Это не К2, это криво нанесено И24.702.131, почти как И24.702.159 от В7-20.

Согласен, Алексей, что это "И". Внимательно посмотрел, просто не прописана или стерлась вторая "палочка" у "И"... .
Алексей , а у Вас "под рукой" нет схемы на этот транс"? Что-то не получилось быстро найти, все куда-то по ссылкам пересылают...

знающий
Группа: Участники
Сообщений: 320
Добавлено: 13-03-2016 21:13
Это не К2, это криво нанесено И24.702.131, почти как И24.702.159 от В7-20.

Согласен, Алексей, что это "И". Внимательно посмотрел, просто не прописана или стерлась вторая "палочка" у "И"... .
Алексей , а у Вас "под рукой" нет схемы на этот транс"? Что-то не получилось быстро найти, все куда-то по ссылкам пересылают...
могу написать какие напряжения на нем, но позже

гигант мысли
Группа: Участники
Сообщений: 6778
Добавлено: 13-03-2016 21:17
Хорошо.

пришел поспрашивать
Группа: Участники
Сообщений: 39
Добавлено: 14-03-2016 00:09
Здравствуйте Уважаемые Форумчане.
Зарегистрировался на вашем форуме, буквально вчера, после того как в инете наткнулся на данную тему.

Немного предисловия, сам я не радиолюбитель,от слова совсем, настолько ,что мне не знакомы названия деталей и от сюда просьба, пожалуйста не пинайте сильно.

В жизни увлекаюсь коллекционированием предметов старины и истории нашей страны, вещи и предметы приобретаю у знакомых и "поставщиков", ещё одним из серьёзных источников приобретения является свалка, на коей встречаются также и предметы по теме радиоэлектроники. Оставлять на погибель данные приборы и детали жалко, подбираю и пока складирую в гараже.

Попробую показать некоторые находки.

пришел поспрашивать
Группа: Участники
Сообщений: 30
Добавлено: 14-03-2016 01:09
Оставлять на погибель данные приборы и детали жалко, подбираю и пока складирую в гараже.

Попробую показать некоторые находки.

Правильное решение!

пришел поспрашивать
Группа: Участники
Сообщений: 39
Добавлено: 14-03-2016 01:14
Не получается загрузить фото.

Подскажите пожалуйста, кАк это сделать.

Видимо Файлы более 200 КВ,( на других форумах без проблем грузятся)

???

гигант мысли
Группа: Участники
Сообщений: 6778
Добавлено: 14-03-2016 01:29
Хостинг "ITmages"...

пришел поспрашивать
Группа: Участники
Сообщений: 39
Добавлено: 14-03-2016 01:57
Журналы "Радио" http://itmages.ru/image/view/3997365/62465119

пришел поспрашивать
Группа: Участники
Сообщений: 39
Добавлено: 14-03-2016 02:08
Рекорд.

http://itmages.ru/image/view/3997390/4fb4347c
http://itmages.ru/image/view/3997389/1db61e06
http://itmages.ru/image/view/3997387/771e5be1

мастер
Группа: Участники
Сообщений: 790
Добавлено: 14-03-2016 02:15
Капитан555, На счет как загружать фотки, гляньте вот сюда (подробная инструкция) -
http://offtop.ru/dustyattic/v1_299553_2.php

пришел поспрашивать
Группа: Участники
Сообщений: 30
Добавлено: 14-03-2016 10:05
На хостинге после загрузки картинок: получить ссылки на изображение -> BB код эскиз. Вставить его сюда.








гигант мысли
Группа: Участники
Сообщений: 6778
Добавлено: 14-03-2016 10:37
Спасибо, ув. eka , за фото "Рекорда"! Был такой в юности, на нем начинал "шарманить"...Только вроде-бы там в районе селена стояли клавиши переключения диапазонов...Или ошибаюсь? Меняете, продаете? Или просто показали?

пришел поспрашивать
Группа: Участники
Сообщений: 39
Добавлено: 14-03-2016 11:55
Спасибо Ув. "ека" ,за то ,что показали мои находки.

Рекорд был подобран мною осенью на свалке, собирал по частям.

Отдельно валялась крышка, отдельно задняя панель-картонка, отдельно диск для пластинок.
Самое обидное ,что перекопал всю кучу мусора, но переднюю декоративную панель так и не нашёл.

К сожалению не получается освоить хостинг для загрузки фото, буду учится грузить фото с него.

По поводу продажи рекорда- я не против, но права продавать на форуме пока не имею.

пришел поспрашивать
Группа: Участники
Сообщений: 39
Добавлено: 14-03-2016 12:09
Тренажёр стрелковый.
Найден на свалке. Работоспособность не известна, да и собственно говоря принцип действия не понятен.


, ,

,,,,, , ,

гигант мысли
Группа: Участники
Сообщений: 7902
Добавлено: 14-03-2016 12:39
крышки снимите и сфотографируйте внутренности.

пришел поспрашивать
Группа: Участники
Сообщений: 39
Добавлено: 14-03-2016 14:59
крышки снимите и сфотографируйте внутренности.


Крышку снять с Рекорда ? Или с тренажёра?

Попозже сделаю, обязательно.

пришел поспрашивать
Группа: Участники
Сообщений: 39
Добавлено: 14-03-2016 15:04
Найдены на свалке:

Микрофон (???) и эл.бритва "Харькив".

Работоспособность не известна.

Эл.бритва без провода

, , ,

, ,

вошел во вкус
Группа: Участники
Сообщений: 242
Добавлено: 14-03-2016 15:12
Найдены на свалке:

Микрофон (???) и эл.бритва "Харькив".

Работоспособность не известна.

Эл.бритва без провода


Такие микрофоны можно было только машиной раздавить, что бы он не работал. А в остальном это вечная штука, хотя и звезд с неба такой микрофон естественно не хватал. Но им комплектовались бОльшая часть советских магнитофонов раннего периода выпуска.

пришел поспрашивать
Группа: Участники
Сообщений: 39
Добавлено: 14-03-2016 15:38
Внутренности тренажёра для стрельбы.

, , ,



, , ,
, ,

знающий
Группа: Участники
Сообщений: 320
Добавлено: 14-03-2016 19:30
Хорошо.

Ув. alex1959 вот напряжения на "зеленом трансе": две обмотки по 29в, одна 6,8в и одна 16в. Если интересует пишите на мыло

знающий
Группа: Участники
Сообщений: 320
Добавлено: 14-03-2016 19:32
находочки

знающий
Группа: Участники
Сообщений: 320
Добавлено: 14-03-2016 19:33
продолжаем..




гигант мысли
Группа: Участники
Сообщений: 7902
Добавлено: 14-03-2016 20:37
находочки



а какого года выпуска та голубая КМка что у вас в кучке?

гигант мысли
Группа: Участники
Сообщений: 6778
Добавлено: 14-03-2016 21:03
Спасибо, ув. cuper за замеры напряжений на трансе...
...Там у Вас в коробочке транзисторы то ли ГТ402, то ли ГТ404....
На соседнем форуме давно такие ищут...

знающий
Группа: Участники
Сообщений: 320
Добавлено: 14-03-2016 22:17
находочки



а какого года выпуска та голубая КМка что у вас в кучке?

года на ней нет, написано
5
0,033
зеленая и оранжевая точка в углу

пришел поспрашивать
Группа: Участники
Сообщений: 39
Добавлено: 14-03-2016 22:46
Журналы "Радио" найдены пару лет назад.

Состояние: от 3-- до 4+

В количестве 40 штук.

Разные года от 1969-го до 1984-го

, ,

, , ,

, ,

, ,

гигант мысли
Группа: Участники
Сообщений: 7902
Добавлено: 15-03-2016 12:39
года на ней нет

странно.. Точки - Н30 группа ТКЕ

гигант мысли
Группа: Участники
Сообщений: 5744
Добавлено: 15-03-2016 15:19
Некие ГУНы:

Гость
Добавлено: 15-03-2016 21:26
Ув. Капитан555, думаю вам, как реставратору старины это будет полезно.
Электробритва ХАРЬКОВ



гигант мысли
Группа: Участники
Сообщений: 5744
Добавлено: 19-03-2016 12:49
Разные платки:

мастер
Группа: Участники
Сообщений: 773
Добавлено: 20-03-2016 12:02
находки.

гигант мысли
Группа: Участники
Сообщений: 6778
Добавлено: 20-03-2016 12:15
580ВВ55 часто ищут ...

мастер
Группа: Участники
Сообщений: 773
Добавлено: 20-03-2016 12:29
580ВВ55 часто ищут ...

да редкая оставлю е коллекцию.

мастер
Группа: Участники
Сообщений: 773
Добавлено: 20-03-2016 12:50
продолжаем.

гигант мысли
Группа: Участники
Сообщений: 6778
Добавлено: 20-03-2016 12:54
Ув. ГТ906 , а что там за чёрный цилиндр просматривается справа на первых двух фото?

мастер
Группа: Участники
Сообщений: 773
Добавлено: 20-03-2016 13:21
Ув. ГТ906 , а что там за чёрный цилиндр просматривается справа на первых двух фото?

даже не знаю что в этих цилиндрах к ним просто подходили шланги верхней части тоже что то было под оргстеклом обдувалос кулером
но уже до меня снято было я только снял платы остальное осталос
на прежнем месте.

гигант мысли
Группа: Участники
Сообщений: 4878
Добавлено: 20-03-2016 13:47
Видел конструкцию озонатора для автомобиля в интернете, думаю здесь также. По центру трубы и вдоль нее идет провод на который подается отрицательное высокое напряжение. В один конец трубы качается воздух, в трубе высоким напряжением озонируется и с другого конца выходит озонированный воздух.

гигант мысли
Группа: Участники
Сообщений: 5744
Добавлено: 20-03-2016 14:22
находки...

Подозреваю, что почти все это - части одного прибора/блока. Может кто сможет опознать?

мастер
Группа: Участники
Сообщений: 773
Добавлено: 20-03-2016 15:56
продолжаем. в куче выброшенного банковского нашел два прибора.

гигант мысли
Группа: Участники
Сообщений: 6778
Добавлено: 20-03-2016 16:02
А деньги в терминале были или выпотрошили и выбросили?

мастер
Группа: Участники
Сообщений: 773
Добавлено: 20-03-2016 16:09
А деньги в терминале были или выпотрошили и выбросили?

там только железки и пиналы бели.

пришел поспрашивать
Группа: Участники
Сообщений: 17
Добавлено: 20-03-2016 18:04
находки...

Подозреваю, что почти все это - части одного прибора/блока. Может кто сможет опознать?


На первом фото платы электрокардиографа. В понедельник могу написать модель.

гигант мысли
Группа: Участники
Сообщений: 5744
Добавлено: 20-03-2016 18:16
Спасибо за ответ!
Вот на этой фотке https://itmages.ru/image/view/4025375/a4f3f717 на верхней плате слева есть ГИС на керамической платке. Можете сделать крупные фотки?

мастер
Группа: Участники
Сообщений: 637
Добавлено: 21-03-2016 00:31

Ув. ГТ906 , а что там за чёрный цилиндр просматривается справа на первых двух фото?


продолжаем.
[/url]


Ув alex1959 ...вопрос был по этой металлической трубе?
Это разрядная камера, внутри находятся нержавеющие электроды (пластины) и учавствуют в получении озона ( аллотропная модификация кислорода).
Тоже интересно было посмотреть на устройство внутри..но раз нет ..и суда нет
вообще эту штуку недёшево продают ...за бу 130 тыр просят.

гигант мысли
Группа: Участники
Сообщений: 6778
Добавлено: 21-03-2016 00:38
Спасибо, ув. koltsun ... Только что-то цена неадекватная ...

пришел поспрашивать
Группа: Участники
Сообщений: 39
Добавлено: 21-03-2016 11:32
Внутренности найденного Рекорда.

Не комплект.

, , ,



,

гигант мысли
Группа: Участники
Сообщений: 5744
Добавлено: 21-03-2016 16:45
Некий блок УЧ-01:

главный по тарелочкам
Группа: Участники
Сообщений: 2542
Добавлено: 21-03-2016 19:27
Блок индикация на ВЛИ от советского магнитофона (?) на базе К553УД2 и К1534ххх. Может и живой

От чего он ? Стоял на каркасе слева, справа привод, в каждом канале по микросхеме К157ХП3. Поиск сейчас показал, что скорее всего "Маяк-233".

магистр
Группа: Участники
Сообщений: 1411
Добавлено: 21-03-2016 19:36
Блок индикации - от Маяка-233, точно

ВЧ блок УЧ-01- умножитель частоты

мастер
Группа: Участники
Сообщений: 542
Добавлено: 21-03-2016 19:45
Сомнения меня берут. Ибо владею Маяком-233. Детали по-другому расположены, разъёмы другие, на индикаторе по 3 прямоугольничка на сегмент. Хотя, может разных лет выпуска.

магистр
Группа: Участники
Сообщений: 1411
Добавлено: 21-03-2016 19:49
А если так: http://rw6ase.narod.ru/00/mg_ks/majak233s08.jpg, то очень даже похоже. И, возможно,- действительно разных лет...

гигант мысли
Группа: Участники
Сообщений: 4878
Добавлено: 21-03-2016 19:50
По моему вроде в Маяке-232 был, в инете пишут что 2.746.009 от Маяк-240

магистр
Группа: Участники
Сообщений: 1411
Добавлено: 21-03-2016 19:51
А кстати, да, от него: http://proelectr.ru/wp-content/uploads/2014/12/majak240s03.jpg


Гость
Добавлено: 21-03-2016 20:03
Это тот нечастый случай когда у фотоаппарата бывают сбиты настройки, а понимаю это уже когда вывожу на большой экран . Поэтому эти фотки, я так и оставляю в своем архиве чисто с познавательной целью на будущее.
ув. Чёрный сталкер конечно прав. Он самый 233й. Это мой первый магнитофон в 1988году купленный батей по очень настойчивой просьбе (практически с ревом)

Сразу оговорюсь этот агрегат немой.

магистр
Группа: Участники
Сообщений: 1411
Добавлено: 21-03-2016 20:09
А вот и нет. Я сам так думал, а надо было пробить плату по децималу. Разъемы-то разные у 233-го и 240-го
Все смотрели на индикаторы. А про разъемы забыли...

мастер
Группа: Участники
Сообщений: 542
Добавлено: 21-03-2016 20:14
У меня где-то конца 87 - начала 88го года.


Гость
Добавлено: 21-03-2016 20:21
Все смотрели на индикаторы. А про разъемы забыли...

В точку сказано.

Надо же такую очевидную (в моем случае фобийную) надпись пропустил. Ладно, что бы как-то реабилитироваться напишу, что болит голова весь день и согласно номеру такая плата стояла Иссык-Куль МПК-101-1С показанную ув. vodoley с сайта "РТ-20"

мастер
Группа: Участники
Сообщений: 536
Добавлено: 21-03-2016 20:53
Он самый 233й.

Подтверждаю.Недавно утилизировал.Особенность платы индикации-наличие полевого тр-ра VT1.Схем с этим вариантом не нашел. Плата 2.746.001 185 изм.5, № блока 1847, ТУ №10. 12.88.

мастер
Группа: Участники
Сообщений: 790
Добавлено: 21-03-2016 22:05
... согласно номеру такая плата стояла Иссык-Куль МПК-101-1С показанную ув. vodoley

Так и есть!
Вот фотки индикатора из бобинника "Иссык-Куль МПК-101-1С"


гигант мысли
Группа: Участники
Сообщений: 5744
Добавлено: 22-03-2016 00:10

ВЧ блок УЧ-01- умножитель частоты

Думаете? Просто умножение частоты обычно имеет смысл применять на больших частотах, а этот блок на СВЧ ну никак не тянет...

магистр
Группа: Участники
Сообщений: 1411
Добавлено: 22-03-2016 07:39
Да необязательно СВЧ. Например, во всем известном частотомере Ч3-54 умножитель с 5 до 50 МГц есть отдельный блок.

гигант мысли
Группа: Участники
Сообщений: 5744
Добавлено: 22-03-2016 10:45
Хламец


Киты Мастер кит (если нужны, пишите на почту, договоримся):

гигант мысли
Группа: Участники
Сообщений: 6778
Добавлено: 22-03-2016 15:03
Александр , по КИТам...
"Детектор приближения" название видно, остальные плохо просматриваются...Вообщем, интересны ...

гигант мысли
Группа: Участники
Сообщений: 5744
Добавлено: 23-03-2016 15:36
Светодиодики симпатичные

мастер
Группа: Участники
Сообщений: 773
Добавлено: 23-03-2016 19:23
Сегодня.

гигант мысли
Группа: Участники
Сообщений: 5744
Добавлено: 24-03-2016 00:58
Крупные платы с тонной жирной цифровухи похожи на начинку оборудования для магистрального интернета или телекома.

гигант мысли
Группа: Участники
Сообщений: 5744
Добавлено: 25-03-2016 02:09
Вышепоказанная платка со светодиодами была снята с вот такой панели. Смущают надписи - панель от чего-то типографского что ли?


магистр
Группа: Участники
Сообщений: 1411
Добавлено: 25-03-2016 11:38
Не, обычный скоростной рулонный принтер, формата А0, производства начала/середины 80-х. Кажись, польский.
Я такой разбирал и у меня была точно такая же плата со светодиодами.
В принтере, кроме "многожелеза" (около 100кг), из полезного весьма немного- светодиоды, переключатели (на панели на фото) и силовые позолоченные (правда польские, но это неважно, если не на лом) разъемы. Лучше наших по качеству, хотя и пластиковые.

гигант мысли
Группа: Участники
Сообщений: 5744
Добавлено: 25-03-2016 18:48
ВЧ фигня

магистр
Группа: Участники
Сообщений: 1307
Добавлено: 25-03-2016 21:05
Нашелся странный выключатель

В процессе поиска выяснилось,что это тангента от германского танкового ларингофона времен 2МВ.

Источник

гигант мысли
Группа: Участники
Сообщений: 5744
Добавлено: 26-03-2016 17:25
Платка с тонной реле:

мастер
Группа: Участники
Сообщений: 804
Добавлено: 26-03-2016 18:20
Очевидно эта плата от Б5-47

главный по тарелочкам
Группа: Участники
Сообщений: 2186
Добавлено: 26-03-2016 20:42




главный по тарелочкам
Группа: Участники
Сообщений: 2186
Добавлено: 26-03-2016 20:43





главный по тарелочкам
Группа: Участники
Сообщений: 2186
Добавлено: 26-03-2016 20:44




главный по тарелочкам
Группа: Участники
Сообщений: 2186
Добавлено: 26-03-2016 20:45




главный по тарелочкам
Группа: Участники
Сообщений: 2186
Добавлено: 26-03-2016 20:46




главный по тарелочкам
Группа: Участники
Сообщений: 2186
Добавлено: 26-03-2016 20:46




Всё..перенес..

пришел поспрашивать
Группа: Участники
Сообщений: 55
Добавлено: 26-03-2016 20:56
приветствую Виталий, с меня больше как читающий чем пишущий , но от коментов удержатся не смог , зачетное местечко , и клапана газовые и топливнфе насосы , да много чего там нужного

с уважением Лев

главный по тарелочкам
Группа: Участники
Сообщений: 2186
Добавлено: 26-03-2016 21:00
Да,зачетных вещей там очень много...недавно я пропустил подвоз немеренного количества авионики..буквально из пресса вытаскивал измерительные приборы,датчики..В это место нужно ездить очень часто.

главный по тарелочкам
Группа: Участники
Сообщений: 2542
Добавлено: 26-03-2016 21:26
Заметил останки советской техники - Электроника-60, терминалы, перфоратор ПЛ-150М, ещё что-то...

гигант мысли
Группа: Участники
Сообщений: 5744
Добавлено: 27-03-2016 20:58
Вот такой еще блочочек

Гость
Добавлено: 27-03-2016 22:03
Платка с тонной реле:


Стояла в Б5-49


161стр.Измериловка - фотографии, модификации, производство и т.п. Ч3-35

гигант мысли
Группа: Участники
Сообщений: 5744
Добавлено: 29-03-2016 19:25


мастер
Группа: Участники
Сообщений: 554
Добавлено: 29-03-2016 22:27
Что-то очень похоже на кросс от Я2Р-74 (ну или из той оперы), но могу ошибаться.

гигант мысли
Группа: Участники
Сообщений: 5744
Добавлено: 31-03-2016 12:03
Вроде с какого-то вольтметра...

магистр
Группа: Участники
Сообщений: 1411
Добавлено: 01-04-2016 02:26
Установка для поверки вольтметров В1-хх ?! Может, ошибаюсь, конечно...

гигант мысли
Группа: Участники
Сообщений: 5744
Добавлено: 02-04-2016 13:49
Переговорное устройство?


Показались интересными Интеграловские микросхемы.

вошел во вкус
Группа: Участники
Сообщений: 242
Добавлено: 02-04-2016 14:44
Да, это конечное устройство от переговорной системы. COMMAX известная фирма в этой области.

пришел поспрашивать
Группа: Участники
Сообщений: 13
Добавлено: 02-04-2016 23:00
В металлолом сдали .Стояли(около десятка) в силовых щитах.


Картинка

гигант мысли
Группа: Участники
Сообщений: 6778
Добавлено: 03-04-2016 01:32
Итальяшка однако...
Ув. r3aaa , а размеры какие у них?

гигант мысли
Группа: Участники
Сообщений: 4878
Добавлено: 03-04-2016 10:47
Здесь http://www.itelcond.it/index.php/2013-01-11-14-04-21/2013-01-11-14-06-05/2013-01-11-22-32-20/serie-ayx-hr указано два габарита L=147mm Ф=76мм и L=107mm Ф=90мм. В ламповый усилитель два последовательно поставить, будет 5000мкФ 500В, фильтр хороший получится. Только зашунтировать каждый надо резистором на 20кОм 4Вт (максимальный ток утечки 10мА) при 400В на выпрямителе (200В на каждом конденсаторе).

гигант мысли
Группа: Участники
Сообщений: 6778
Добавлено: 03-04-2016 11:02
В ламповый усилитель два последовательно поставить, будет 5000мкФ 500В, фильтр хороший получится.

Да я о том же, Вячеслав , о фильтрах подумал... 5000,0 мкФ даже много...Усилитель выключишь, а он еще играет с пол-минуты ...Есть у меня такой экземпляр, переборщил с емкостями.
И спасибо за ссылку!

гигант мысли
Группа: Участники
Сообщений: 4878
Добавлено: 03-04-2016 11:38
Усилитель выключишь, а он еще играет с пол-минуты

Можно при выключении контактами реле от того же реле задержки включения (а при такой емкости оно нужно) заблокировать вход

гигант мысли
Группа: Участники
Сообщений: 6778
Добавлено: 03-04-2016 11:58
В последних усилителях так и делаю, а вот что раньше сделаны, лень вскрывать и дорабатывать ...

гигант мысли
Группа: Участники
Сообщений: 5744
Добавлено: 03-04-2016 16:37
Что-то определенно связанное со связью, но что?...


пришел поспрашивать
Группа: Участники
Сообщений: 19
Добавлено: 03-04-2016 17:18
Это радио удлинитель телефонного канала (радиотелефон) по маркировке на "шоколадке" (выходной усилитель) можно определить частотный диапазон.

пришел поспрашивать
Группа: Участники
Сообщений: 39
Добавлено: 03-04-2016 18:10
Находка прошлых лет, телевизор чёрно-белого изображения "Кварц"

Работоспособность не известна.

, ,


, ,


пришел поспрашивать
Группа: Участники
Сообщений: 39
Добавлено: 03-04-2016 18:28
Радиоприемник принесли "безразличные люди".

Работоспособность не известна.

, , ,

мастер
Группа: Участники
Сообщений: 773
Добавлено: 03-04-2016 18:37

гигант мысли
Группа: Участники
Сообщений: 6778
Добавлено: 03-04-2016 18:46
Ув. ГТ906 , как-то стало неуютно и неинформативно эти фото смотреть, хотя есть интересные вещи... Не в обиду, хоть бутылки-пакеты убрать бы, закрывающие то, ради чего фото сделаны ...

мастер
Группа: Участники
Сообщений: 773
Добавлено: 03-04-2016 18:52

мастер
Группа: Участники
Сообщений: 773
Добавлено: 03-04-2016 19:03
Ув. ГТ906 , как-то стало неуютно и неинформативно эти фото смотреть, хотя есть интересные вещи... Не в обиду, хоть бутылки-пакеты убрать бы, закрывающие то, ради чего фото сделаны ...

просто трогать не стал.

мастер
Группа: Участники
Сообщений: 773
Добавлено: 03-04-2016 19:12
блок защиты.

гигант мысли
Группа: Участники
Сообщений: 6778
Добавлено: 03-04-2016 19:12
А что там у Вас на предыдущих фото за осциллоскоп? На задней панели никаких бирок нет?

мастер
Группа: Участники
Сообщений: 804
Добавлено: 03-04-2016 19:17
Это ОМЛ-3 или ОМЛ-3М

вошел во вкус
Группа: Участники
Сообщений: 176
Добавлено: 03-04-2016 19:18
ГТ906 Блок защиты от трех фазного рубильника, собранный с рубильником единым изделием , с автоматическим отключением.
Блок защиты внутри залит компаундом , вот это поворот по крайней мере блок который был у Меня намертво залит

мастер
Группа: Участники
Сообщений: 773
Добавлено: 03-04-2016 19:19
А что там у Вас на предыдущих фото за осциллоскоп? На задней панели никаких бирок нет?

Осциллограф омл-3м

гигант мысли
Группа: Участники
Сообщений: 6778
Добавлено: 03-04-2016 19:24
Спасибо, понятно, что ОМЛ-3М.... Интересует еще год выпуска, может на задней стенке...

мастер
Группа: Участники
Сообщений: 773
Добавлено: 03-04-2016 20:07
Спасибо, понятно, что ОМЛ-3М.... Интересует еще год выпуска, может на задней стенке...


даты выпуска нету.


вошел во вкус
Группа: Участники
Сообщений: 233
Добавлено: 03-04-2016 23:41
ГТ906 Блок защиты от трех фазного рубильника, собранный с рубильником единым изделием , с автоматическим отключением.
Блок защиты внутри залит компаундом , вот это поворот по крайней мере блок который был у Меня намертво залит

Такие рубильники принято называть автоматическими выключателями .
Данный блок от серии автоматов А3790 старых выпусков. Залитых не встречал, обычно они только жирно покрыты крепким лаком.

гигант мысли
Группа: Участники
Сообщений: 5744
Добавлено: 06-04-2016 12:28
Платочки...

гигант мысли
Группа: Участники
Сообщений: 6778
Добавлено: 06-04-2016 15:20
Не на свалке, в гараже, что, собственно, одно и то же :
Блок питания, от температуры корпус повело...Включил - 12,7В есть без нагрузки :

Похоже, антенный усилитель. Транс по высоте всего 20 мм, выдает в районе 13 В :

И ТВ-2Ш-2, этот точно пригодится...

гигант мысли
Группа: Участники
Сообщений: 4878
Добавлено: 06-04-2016 18:21
Похоже, антенный усилитель. Транс по высоте всего 20 мм, выдает в районе 13 В :

Недавно среди старых журналов нашел тетрадный листок со схемой антенного усилителя УТ-1-12, который рисовал ещё мой отец (видать с паспорта). Сейчас увидев это фото решил восстановить схему. Кстати не про эти транзисторы с точками спрашивали?
Картинка

мастер
Группа: Участники
Сообщений: 956
Добавлено: 06-04-2016 19:08
От чего антенна,и на какой диапазон?

вошел во вкус
Группа: Участники
Сообщений: 176
Добавлено: 06-04-2016 19:15
Главный колбасист , Антенна (часть антенны) от радара кругового обзора комплекса (предположительно) С-75 или С-125

гигант мысли
Группа: Участники
Сообщений: 6778
Добавлено: 06-04-2016 21:16
Недавно среди старых журналов нашел тетрадный листок со схемой антенного усилителя УТ-1-12, который рисовал ещё мой отец (видать с паспорта). Сейчас увидев это фото решил восстановить схему. Кстати не про эти транзисторы с точками спрашивали?

Спасибо Вячеслав , у Вас, как обычно, есть схема ...
Да, как раз про такие транзисторы и спрашивал...И почти угадал, память не сильно подвела. Но Вы схемой все подтвердили...

администратор
Группа: Администраторы
Сообщений: 8045
Добавлено: 06-04-2016 21:43
От чего антенна,и на какой диапазон?

По мне так обычная телевизионная антенна МВ (волновой канал) / ДМВ (логопериодическая).

мастер
Группа: Участники
Сообщений: 956
Добавлено: 06-04-2016 22:45
Не,не,че то военное было.Хотя по размерам вполне возможно,принимала бы канал 4-6.МВ.

пришел поспрашивать
Группа: Участники
Сообщений: 20
Добавлено: 06-04-2016 22:45
От чего антенна,и на какой диапазон?

По мне так обычная телевизионная антенна МВ (волновой канал) / ДМВ (логопериодическая).


Для определения диапазона необходим измерительный прибор типа линейка.

А в чем заключается логопериодичность?


гигант мысли
Группа: Участники
Сообщений: 4411
Добавлено: 06-04-2016 23:09
Элемент антенны РЛС П-12 или П-18

мастер
Группа: Участники
Сообщений: 956
Добавлено: 06-04-2016 23:33
измерительным прибором типа линейка померял когда то,потом пытался вставить в программу Ммана,но лень одолела,так результат и не получил.Все равно без толку валяется.Ставил на трубу,при работе в диапазоне 2х метров результат неудовлетворительный,сколько не крути по кругу.По сравнению с джейкой.

гигант мысли
Группа: Участники
Сообщений: 6778
Добавлено: 06-04-2016 23:38
По сравнению с джейкой.

А это что???

мастер
Группа: Участники
Сообщений: 956
Добавлено: 06-04-2016 23:38
измерительным прибором типа линейка померял когда то,потом пытался вставить в программу Ммана,но лень одолела,так результат и не получил.Все равно без толку валяется.Ставил на трубу,при работе в диапазоне 2х метров результат неудовлетворительный,сколько не крути по кругу.По сравнению с джейкой.
Элемент антенны РЛС П-12 или П-18

Да,похожа.

мастер
Группа: Участники
Сообщений: 956
Добавлено: 06-04-2016 23:40
По сравнению с джейкой.

А это что???

три четверти,ненаправленная.

вошел во вкус
Группа: Участники
Сообщений: 176
Добавлено: 07-04-2016 06:33
Вот такой блочёк попался: Очень похоже , что авионика , год выпуска 1963. В качестве диодов Д1-Д4 и Д5-Д8 использованы транзисторы П13

знающий
Группа: Участники
Сообщений: 446
Добавлено: 07-04-2016 06:36
Denis-XKM На фото толи диоды в транзисторных корпусах толи транзисторы с откусанным выводом. Интересно было бы рассмотреть детальнее.

вошел во вкус
Группа: Участники
Сообщений: 176
Добавлено: 07-04-2016 06:40
Маркировка на корпусе того , что в транзисторном корпусе "П13"

знающий
Группа: Участники
Сообщений: 446
Добавлено: 07-04-2016 06:43
расточительно однако было в далеком 63 годы использовать драгоценные транзисторы в качестве диодов...

мастер
Группа: Участники
Сообщений: 956
Добавлено: 07-04-2016 09:43
У меня тоже такое сопротивление подстроечное валяется,то же было что то авиационное.Они не упоминаются в нете нигде,вытеснили их полностью малогабаритные в корпусе.
з.ы. Нечто новое узнал для себя,раньше радиолокация ассоциировалась с большими тарелками,оказывается и в метровом диапазоне что то было.

гигант мысли
Группа: Участники
Сообщений: 4411
Добавлено: 07-04-2016 10:13
Вот такой блочёк попался: Очень похоже , что авионика , год выпуска 1963. В качестве диодов Д1-Д4 и Д5-Д8 использованы транзисторы П13

УПТ с обозначением Д-7, из автопилота АП-755 ЗУР В-755. Существовала вероятно непродолжительное время, чуть позже на том месте диоды Д223. Диоды(транзисторы) используются в схеме управляемых ограничителей.
Картинка

гигант мысли
Группа: Участники
Сообщений: 5744
Добавлено: 07-04-2016 11:49
Еще разное:

вошел во вкус
Группа: Участники
Сообщений: 176
Добавлено: 07-04-2016 17:23
Pedro , Просто браво , опознать довольно редкий блок при этом приведя снимок из документации . В чём секрет ?

мастер
Группа: Участники
Сообщений: 956
Добавлено: 07-04-2016 22:00
Pedro , Просто браво , опознать довольно редкий блок при этом приведя снимок из документации . В чём секрет ?



гигант мысли
Группа: Участники
Сообщений: 5744
Добавлено: 08-04-2016 12:18
Все, что осталось от Фотокоординатографа закрытого типа - «Минск-2005»



Помогите опознать необычный логотип на КМках:

главный по тарелочкам
Группа: Участники
Сообщений: 2186
Добавлено: 08-04-2016 12:21
Иркутский радиан

пришел поспрашивать
Группа: Участники
Сообщений: 82
Добавлено: 08-04-2016 12:29
Ящик с микросхемами. Несколько кг. Есть паяные, есть не паяные.



В основном TTL различных серий.

гигант мысли
Группа: Участники
Сообщений: 6778
Добавлено: 08-04-2016 13:11
Все, что осталось от Фотокоординатографа закрытого типа - «Минск-2005»


Александр , если панельки такие, как на моих фото, отложите штуки 3-4, плис...

гигант мысли
Группа: Участники
Сообщений: 5744
Добавлено: 08-04-2016 13:17
Не, там панельки пл31а-п для ГРИ типа ИН-12. 20шт.
Если кому надо - пишите на почту

гигант мысли
Группа: Участники
Сообщений: 6778
Добавлено: 08-04-2016 14:18
Ясно... Тогда отбой...

Гость
Добавлено: 08-04-2016 16:29
Саша, тебе нужны панельки под реле?
Что-то похожее было на работе, посмотрю.

гигант мысли
Группа: Участники
Сообщений: 6778
Добавлено: 08-04-2016 16:35
Да Боря, пара штук...Эти реле включают высокое, задержка... Конечно, можно другую релюшку поставить, но в шасси была лишняя дырка для лампы, вот её и заткнул ...

главный по тарелочкам
Группа: Участники
Сообщений: 2542
Добавлено: 08-04-2016 21:39
Все, что осталось от Фотокоординатографа закрытого типа - «Минск-2005»

Машина для изготовления фотошаблонов печатных плат. Интересно, а сохранились ли где координатографы с ручным/автоматическим приводом каретки с очень острым резцом для удаления красного покрытия на плёнке ? Они большие (побольше 1*1 метр), стол вроде из стекла.

гигант мысли
Группа: Участники
Сообщений: 6778
Добавлено: 08-04-2016 23:21
У нас был координатограф КПА-1200...

мастер
Группа: Участники
Сообщений: 773
Добавлено: 10-04-2016 11:48
Находки.

гигант мысли
Группа: Участники
Сообщений: 6778
Добавлено: 10-04-2016 12:15
Блок НЧ Я4С-68 был у меня в составе анализатора спектра, кажется, СК4-56...

мастер
Группа: Участники
Сообщений: 627
Добавлено: 13-04-2016 13:23
Ящик с журналами Юнный техник и среди них справочник
а также какой то экситон

гигант мысли
Группа: Участники
Сообщений: 5744
Добавлено: 13-04-2016 14:33
А полностью этот Экси-тон включая начинку отснять сможете?

мастер
Группа: Участники
Сообщений: 627
Добавлено: 13-04-2016 15:46
Да я сразу когда раскурочил бегло сфотал перефотывать уже наверное не получица))
если эти фото устроят в фотике остались)))


гигант мысли
Группа: Участники
Сообщений: 7902
Добавлено: 13-04-2016 15:50

я уже на форуме ломовиков писал - господа, чуть придержите лошадей и сфоткайте перед тем как рвать и терзать добычу...

мастер
Группа: Участники
Сообщений: 627
Добавлено: 13-04-2016 15:52
да там особливо такого ничего и нет)))

вошел во вкус
Группа: Участники
Сообщений: 242
Добавлено: 13-04-2016 15:54
да там особливо такого ничего и нет)))

Этт точно! Обыкновенная приставка к телефону конца 80-х начала 90-х годов скорее всего.

гигант мысли
Группа: Участники
Сообщений: 5744
Добавлено: 13-04-2016 19:09
Платка с 3 дБ 90град мостами диапазона 1,5-2,2 ГГц с проходной мощностью до 100вт



(Продаю. Если есть интерес, пишите на почту в профиле)

зашел на огонёк
Группа: Участники
Сообщений: 1
Добавлено: 14-04-2016 19:37
Весенние находки радуют )
Найдено на месте зимней добычи цветных металлов, снег растаял, а платы остались )

Картинка

мастер
Группа: Участники
Сообщений: 627
Добавлено: 15-04-2016 11:41
да там особливо такого ничего и нет)))

Щаз решил заглянуть в БП от того самого Экситона он даже поинтереснее))) будет.


гигант мысли
Группа: Участники
Сообщений: 5744
Добавлено: 18-04-2016 02:44
Плата с пачкой 146АА5А. Интересно, что это могло быть и откуда?

гигант мысли
Группа: Участники
Сообщений: 5744
Добавлено: 19-04-2016 12:24
Ячейка некого усилителя на 2П905:

гигант мысли
Группа: Участники
Сообщений: 6778
Добавлено: 22-04-2016 04:47
Среди компьютерных причандалов, нашлась вот такая "акустика", откуда она?

мастер
Группа: Участники
Сообщений: 627
Добавлено: 22-04-2016 08:50
ды вестимо откуда от ЖК телеков, мониторов

гигант мысли
Группа: Участники
Сообщений: 5744
Добавлено: 22-04-2016 13:00
Остатки источников

пришел поспрашивать
Группа: Участники
Сообщений: 39
Добавлено: 23-04-2016 00:31
Находки сезона 2016.
Радиоприемник "Агидель". Работоспособность не известна.

, , ,

гигант мысли
Группа: Участники
Сообщений: 6778
Добавлено: 23-04-2016 05:25
Слегка поправлю - это магнитофон-приставка, как на лицевой панели и написано ...

вошел во вкус
Группа: Участники
Сообщений: 242
Добавлено: 23-04-2016 09:18
Слегка поправлю - это магнитофон-приставка, как на лицевой панели и написано ...

В стереоварианте это действительно приставка, а в моноварианте вполне самостоятельный магнитофон. Был у меня такой до недавнего времени. Лежал себе в коробочке 20 с лишним лет и хлеба не просил.

пришел поспрашивать
Группа: Участники
Сообщений: 39
Добавлено: 23-04-2016 11:43
Спасибо за поправку.
Действительно магнитофон.
Выложил фото магнитофона вместо фото радиоприёмника.Много фоток. Путаешься.

мастер
Группа: Участники
Сообщений: 956
Добавлено: 23-04-2016 12:47
Был у меня такой до недавнего времени

Так это не тот самый? был до недавнего времени и отправился на свалку?

вошел во вкус
Группа: Участники
Сообщений: 242
Добавлено: 23-04-2016 12:54
Был у меня такой до недавнего времени

Так это не тот самый? был до недавнего времени и отправился на свалку?

Да нет, тот был практически новый в полном комплекте и был отправлен счастливому коллекционеру. Надеюсь он его на свалку не отправит. :-)

пришел поспрашивать
Группа: Участники
Сообщений: 39
Добавлено: 23-04-2016 22:59
Очередная находка.

Радиоприёмник "Лира".

,

главный по тарелочкам
Группа: Участники
Сообщений: 2186
Добавлено: 26-04-2016 09:40
находки



главный по тарелочкам
Группа: Участники
Сообщений: 2186
Добавлено: 26-04-2016 09:43




гигант мысли
Группа: Участники
Сообщений: 6778
Добавлено: 26-04-2016 09:49
Да, ув. Thin , неплохой улов релюшек... Да и кенотрон интересный. А вот что за маленькие лампочки накаливания в картонных планках на 1-м фото?

вошел во вкус
Группа: Участники
Сообщений: 242
Добавлено: 26-04-2016 09:49
находки
[url=http://itmages.ru/image/view/4193463/02df9fe0]

Там лампочки случайно не на 6 вольт 21 св.? Внешне очень похожи. Мне такие на диапроектор нужны. Внук давно просит найти, а в магазинах их нет и не было.

главный по тарелочкам
Группа: Участники
Сообщений: 2186
Добавлено: 26-04-2016 09:55
все на работе лежит-не помню рабочее напряжение ламп-позже скажу...самые маленькие лампочки СМ-28,да и средние тоже 28вольт..все самолетное в общем

гигант мысли
Группа: Участники
Сообщений: 6778
Добавлено: 26-04-2016 10:08
Спасибо, ув. Thin , по лампочкам ясно...

главный по тарелочкам
Группа: Участники
Сообщений: 2186
Добавлено: 26-04-2016 10:16
Да не за что...самое дорогое для меня это пол-коробки индикаторов ИН-1,для меня это дефицит(используются в блоке 1-0М радиоприемника Р-678)

гигант мысли
Группа: Участники
Сообщений: 8494
Добавлено: 26-04-2016 11:06
находки

Недурные у вас свалки, однако!
ВИ1-5/20 можно как-то выменять или купить?

гигант мысли
Группа: Участники
Сообщений: 5744
Добавлено: 26-04-2016 11:59
Я так понимаю, это все ЗИП от чего-то радиопередающего.
Где применялись эти ВИ1, расскажите пожалуйста?

мастер
Группа: Участники
Сообщений: 637
Добавлено: 26-04-2016 14:01
находки


Там лампочки случайно не на 6 вольт 21 св.? Внешне очень похожи. Мне такие на диапроектор нужны. Внук давно просит найти, а в магазинах их нет и не было.

А переделать на светодиод 1-3 Вт? И безопасно и не греется так
типа такой

вошел во вкус
Группа: Участники
Сообщений: 242
Добавлено: 26-04-2016 14:14
А переделать на светодиод 1-3 Вт? И безопасно и не греется так
типа такой
[/url]

Тогда придется переделывать всю конструкцию, что бы отъюстировать лампочку для равномерного освещения экрана.

пришел поспрашивать
Группа: Участники
Сообщений: 39
Добавлено: 28-04-2016 20:49
Руководство по эксплуатации Ч/Б телевизора Янтарь 346.

,

гигант мысли
Группа: Участники
Сообщений: 5744
Добавлено: 28-04-2016 23:30
Кроватки УК3-1:


(Продаю. Кому нужны - пишите на почту в профиле)

пришел поспрашивать
Группа: Участники
Сообщений: 14
Добавлено: 29-04-2016 08:52
находки
[url=http://itmages.ru/image/view/4193463/02df9fe0]

Там лампочки случайно не на 6 вольт 21 св.? Внешне очень похожи. Мне такие на диапроектор нужны. Внук давно просит найти, а в магазинах их нет и не было.

Здравствуйте. Совершенно случайно имеется ОДНА такая лампочка.
si-maltcev@ya.ru

мастер
Группа: Участники
Сообщений: 773
Добавлено: 30-04-2016 22:50
Сегодня.

мастер
Группа: Участники
Сообщений: 773
Добавлено: 30-04-2016 22:58
монитор не знаю от чего он.

гигант мысли
Группа: Участники
Сообщений: 5744
Добавлено: 01-05-2016 00:09


главный по тарелочкам
Группа: Участники
Сообщений: 2186
Добавлено: 01-05-2016 00:13
Там лампочки случайно не на 6 вольт 21 св.? Внешне очень похожи. Мне такие на диапроектор нужны. Внук давно просит найти, а в магазинах их нет и не было.

посмотрел напряжение ламп-28 вольт 25 и 15 Ватт...

вошел во вкус
Группа: Участники
Сообщений: 242
Добавлено: 01-05-2016 08:15
посмотрел напряжение ламп-28 вольт 25 и 15 Ватт...

Вопрос решен с помощью камрада madmis. Спасибо ему большое.

Гость
Добавлено: 01-05-2016 10:51
монитор не знаю от чего он.

Похож на монитор от системы пром. телевидения Новгородской "Волны"

пришел поспрашивать
Группа: Участники
Сообщений: 38
Добавлено: 02-05-2016 15:22
Да,монитор от системы видеонаблюдения типа ПТУ-ХХ.
У нас на работе такой есть.

вошел во вкус
Группа: Участники
Сообщений: 176
Добавлено: 02-05-2016 18:03
Из ранее найденного , только сейчас смог добраться:

главный по тарелочкам
Группа: Участники
Сообщений: 2186
Добавлено: 02-05-2016 18:37
Вай какой хороший лампа 1п24б,1ж29б,1ж17-18б небось?

гигант мысли
Группа: Участники
Сообщений: 6778
Добавлено: 02-05-2016 20:42
Из ранее найденного , только сейчас смог добраться:

Фото бесподобное, замечательное! Конкретику нельзя подбросить?

пришел поспрашивать
Группа: Участники
Сообщений: 39
Добавлено: 02-05-2016 20:54
Фотоаппарат.
Мыльница.


, ,

гигант мысли
Группа: Участники
Сообщений: 5744
Добавлено: 03-05-2016 00:30
Из ранее найденного , только сейчас смог добраться:

Неплохая подборка!
Списочек был бы интересен, вдруг там что-то редкое есть в коллекцию...

вошел во вкус
Группа: Участники
Сообщений: 176
Добавлено: 03-05-2016 06:10
Сами решайте: редкое или нет:
ФТ
0,1 мкф х200В (7)
6800Пф х200В (2)
2200Пф х200В (1)

Лампы:
6Д6А-В (1)
6П37Н-В (4)
6П30Б (8)
6П30Б-Р (2)
6Н16Б-В (4)
6Н28Б-В (19)
6С7Б-В (10)
6Х7Б-В (18)
6Ж1Б-В (9)
6Ж2Б-В (10)
6Ж2Б (4)
6Ж5Б-В (4)
6Ж10Б-В (2)
1Ж29Б (12)
СГ5Б-В (3)
СГ202Б (4)
ТГ1Б-В (5)

Thin, Есть такая лампа!

мастер
Группа: Участники
Сообщений: 773
Добавлено: 03-05-2016 10:24
монитор не знаю от чего он.

Похож на монитор от системы пром. телевидения Новгородской "Волны"

Спасибо. монитор в выключил не работает заменил предохранитель сетевой час работает.

мастер
Группа: Участники
Сообщений: 790
Добавлено: 04-05-2016 06:55
Попались две небольшие но увесистые платы, 1980-го года выпуска.
Похоже от какой-то тяжёлой радиостанции.




пришел поспрашивать
Группа: Участники
Сообщений: 41
Добавлено: 04-05-2016 08:39
От Пальмы

вошел во вкус
Группа: Участники
Сообщений: 242
Добавлено: 04-05-2016 10:12
От Пальмы

Как вариант может быть и от старого 3-канального Гранита.

мастер
Группа: Участники
Сообщений: 790
Добавлено: 04-05-2016 14:13
AlexM, Владимир RA9SZ, Спасибо! Действительно с фотографиями начинки Пальмы - полное совпадение!

1) - http://forum.cxem.net/index.php?app=core&module=attach&section=attach&attach_rel_module=post&attach_id=262525
2) - http://vrtp.ru/index.php?showtopic=22694


мастер
Группа: Участники
Сообщений: 773
Добавлено: 05-05-2016 00:09
монетаприемник с таксофона.


мастер
Группа: Участники
Сообщений: 773
Добавлено: 05-05-2016 00:22

гигант мысли
Группа: Участники
Сообщений: 5744
Добавлено: 05-05-2016 01:20
монетаприемник с таксофона.

А разве он не просто по принципу механического взвешивания работает? Зачем ему процессор? Или это плата в целом всего таксофона?

пришел поспрашивать
Группа: Участники
Сообщений: 37
Добавлено: 05-05-2016 20:19



Странная плата, все детали с ромбами - транзисторы 2Т630, 2Т316, резисторы 2С-33Н, конденсатор ниобиевый., а исполнение какое-то ширпотребовское. И логика в пластике, хоть и с ромбами и треугольниками...

вошел во вкус
Группа: Участники
Сообщений: 176
Добавлено: 05-05-2016 21:04
uh9lab , Ваш блок стоит в одной из модификаций РТА-80

пришел поспрашивать
Группа: Участники
Сообщений: 39
Добавлено: 05-05-2016 23:27
ГТ906, В 90-е годы СГУ (сигнально-говорящие установки)для автомобилей ДПС стоили просто неподЪёмных денег.
И цветные плексы были в дефиците (раскалывались) и сами проблесковые маячки (сгорали).

Мне бы попались обязательно бы взял. Продать всегда можно, спросите кому? Например ностальгирующим бывшим работникам милиции ,да и так найдутся любители.

пришел поспрашивать
Группа: Участники
Сообщений: 37
Добавлено: 06-05-2016 05:35
Ваш блок стоит в одной из модификаций РТА-80

Спасибо, не догадался бы никогда, что это от телетайпа. А детали с ВП, видимо, объясняются 92м годом - "лепила из того, что было..."

магистр
Группа: Участники
Сообщений: 1411
Добавлено: 06-05-2016 06:15
А детали с ВП, видимо, объясняются 92м годом - "лепила из того, что было..."



Исполнение как из "Ж",- вот что объясняется датой выпуска.

А комплектующие с ВП (в том числе и 155 и 561 серии без буквы "К"),- его штатная комплектация, объясняемая тем, что телетайпом пользовались не только гражданские. Пластик- логичное удешевление, т.к. работать ему изначально предполагалось сугубо в помещениях (или в отапливаемых аппаратных КУНГов), а не "в полях".

Я просто их и ремонтировал, и ломал...

пришел поспрашивать
Группа: Участники
Сообщений: 39
Добавлено: 06-05-2016 23:00
Запчасти для автомобилей.
,

пришел поспрашивать
Группа: Участники
Сообщений: 37
Добавлено: 07-05-2016 08:21
Приборка от "Запорожца", ЗАЗ-968М.

пришел поспрашивать
Группа: Участники
Сообщений: 39
Добавлено: 07-05-2016 12:50
Да, спасибо.
Мне известно.
Положу в гараже, может когда нибудь, кому нибудь и пригодится.

пришел поспрашивать
Группа: Участники
Сообщений: 22
Добавлено: 09-05-2016 12:48
Не совсем, но практически со свалки. Даже можно сказать - со свалки истории.

вошел во вкус
Группа: Участники
Сообщений: 176
Добавлено: 09-05-2016 16:47
Покатодасе , Это антенна типа метёлка ?

Гость
Добавлено: 09-05-2016 18:38
Очччень давно встречал такие и в качестве антенны и в качестве молниезащиты. В основании был изолятор и метелка фиксировалась свинцом.

пришел поспрашивать
Группа: Участники
Сообщений: 22
Добавлено: 09-05-2016 21:13
Да, это антенна "метелка". Гугл выдаст тонну картинок. По косвенным признакам - изделие годов 50-х, не позднее. По-моему, самая частая конструкция антенны в радиолюбительских брошюрках тех лет. Пучок паялся чем бог подаст, а фиксировался в изоляторе обязательно ВАРОМ. Это как синяя изолента :)
С недавним Днем радио всех, кстати.

мастер
Группа: Участники
Сообщений: 773
Добавлено: 09-05-2016 22:21
находки.

пришел поспрашивать
Группа: Участники
Сообщений: 39
Добавлено: 10-05-2016 00:20
Находки.
Вроде и не нужно. А всё равно тащишь.

, , , ,

главный по тарелочкам
Группа: Участники
Сообщений: 2186
Добавлено: 10-05-2016 17:24



главный по тарелочкам
Группа: Участники
Сообщений: 2186
Добавлено: 10-05-2016 17:26



главный по тарелочкам
Группа: Участники
Сообщений: 2186
Добавлено: 10-05-2016 17:27



главный по тарелочкам
Группа: Участники
Сообщений: 2186
Добавлено: 10-05-2016 17:29



главный по тарелочкам
Группа: Участники
Сообщений: 2186
Добавлено: 10-05-2016 17:30




главный по тарелочкам
Группа: Участники
Сообщений: 2186
Добавлено: 10-05-2016 17:32


вошел во вкус
Группа: Участники
Сообщений: 242
Добавлено: 10-05-2016 18:16
Комплект Комара впечатляет. Это тоже на свалку выбросили?

главный по тарелочкам
Группа: Участники
Сообщений: 2186
Добавлено: 10-05-2016 18:38
да..все это должно было ехать на городскую свалку и было вовремя вынуто из контейнера

вошел во вкус
Группа: Участники
Сообщений: 176
Добавлено: 10-05-2016 19:08
Thin, На последних фото сменная кассета самописца состояния полёта с МИГ-23

Гость
Добавлено: 11-05-2016 01:20
Thin, На последних фото сменная кассета самописца состояния полёта с МИГ-23

В той части, где я заполучил свой экземпляр, МИГами и не пахло, т.е. эти самописцы в ВВС не редкость

вошел во вкус
Группа: Участники
Сообщений: 176
Добавлено: 11-05-2016 17:13
Из ранее найденного:

гигант мысли
Группа: Участники
Сообщений: 5744
Добавлено: 11-05-2016 17:27
Шикарные находки, особенно клистрон и модуль свч понравились!
Старые американские явно серьезные платы - это у нас вообще мега раритет!

Можете рассказать, что на последних двух фотках?

вошел во вкус
Группа: Участники
Сообщений: 176
Добавлено: 11-05-2016 17:32
lalka , Американские платы судя по всему явионика.
Собирал целенаправленно.
Что на последних фото , честно не знаю. Попалось уже вскрытым , это один и тот-же модуль с двух сторон.

магистр
Группа: Участники
Сообщений: 1411
Добавлено: 11-05-2016 18:51
Можете рассказать, что на последних двух фотках?

Кусок КВ-приёмника "Бурун"
Вот например от него синтезатор (фото не мои, с аналогичной темы про опознание на CQHAM.RU):

мастер
Группа: Участники
Сообщений: 773
Добавлено: 11-05-2016 20:00

пришел поспрашивать
Группа: Участники
Сообщений: 55
Добавлено: 12-05-2016 03:14
Можете рассказать, что на последних двух фотках?

Кусок КВ-приёмника "Бурун"
Вот например от него синтезатор (фото не мои, с аналогичной темы про опознание на CQHAM.RU):



Дим привет , на фото синтезатор от "Кварка" Р-603 ,и если можно ссылку на тему с cqham , можно и на почту levnov2906@mail.ru
с уважением Лев

магистр
Группа: Участники
Сообщений: 1411
Добавлено: 12-05-2016 07:31
Лев, спасибо за подсказку !
Ссылка на тему вот:
http://www.cqham.ru/forum/showthread.php?7191-%CE%EF%EE%E7%ED%E0%F2%FC-%E4%E5%F2%E0%EB%FC-%E1%EB%EE%EA-%E8%E7%E4%E5%EB%E8%E5/page45
но ей уже почти 8 лет...
...интересно, а у Вас есть фото внутренностей Р-603...интересный аппарат...

гигант мысли
Группа: Участники
Сообщений: 5744
Добавлено: 12-05-2016 12:04
Платка

гигант мысли
Группа: Участники
Сообщений: 5744
Добавлено: 13-05-2016 13:47
Уже частично раздербаненный некий источник питания:



мастер
Группа: Участники
Сообщений: 627
Добавлено: 13-05-2016 16:09
уж больно этот блочек мне напомнил некую аппаратуру ЗАС
хотя могу и ошибаца, много времени утекло

гигант мысли
Группа: Участники
Сообщений: 5744
Добавлено: 13-05-2016 16:43
Тоже бы не отказался узнать, откуда это

мастер
Группа: Участники
Сообщений: 567
Добавлено: 13-05-2016 23:16
некий источник питания:

А зачем что-то (номер, индекс) закрашено на фото?

гигант мысли
Группа: Участники
Сообщений: 5744
Добавлено: 13-05-2016 23:25
Вроде как тут не рекомендуется выкладывать фотки номеров, шифров и тд военки. Это конечно явное старье, но мало ли...

мастер
Группа: Участники
Сообщений: 790
Добавлено: 14-05-2016 00:29
Вроде как тут не рекомендуется выкладывать фотки номеров, шифров и тд военки.

lalka, ну Вы даёте!
Да здесь уважаемый scAvenger , в своей персональной теме, уже давно всё "спалил"! - http://offtop.ru/dustyattic/v1_688143_20.php

пришел поспрашивать
Группа: Участники
Сообщений: 55
Добавлено: 14-05-2016 09:43






Дим есть конечно кое что ,это то что досталось в зип к приемникам ,

пришел поспрашивать
Группа: Участники
Сообщений: 46
Добавлено: 14-05-2016 10:47
какая красивая и дорогая технике...кмки уже повыкусывали варвары

гигант мысли
Группа: Участники
Сообщений: 5744
Добавлено: 14-05-2016 10:58
Хорошие платки и приемники!
С радостью бы заимел в коллекцию н174пс3 и 174пс1 в керамике

Что за микросхемы вот на этой плате в середине?

пришел поспрашивать
Группа: Участники
Сообщений: 55
Добавлено: 14-05-2016 11:02
какая красивая и дорогая технике...кмки уже повыкусывали варвары

ну не без этого , то что раздестроили ладно , вч часть досталась целой , второй приемник не комплектный (отсутсвовал синтезатор целиком) блок который достался выкушеным оказался без платы регистров ,это было самое печальное


я глубоко извиняюсь что залез в чужую тему , ув администрация : на ваше усмотрение конечно , или в профильную или потрите , заранее благодарен , с уважением Лев

пришел поспрашивать
Группа: Участники
Сообщений: 55
Добавлено: 14-05-2016 11:08
Хорошие платки и приемники!
С радостью бы заимел в коллекцию н174пс3 и 174пс1 в керамике

Что за микросхемы вот на этой плате в середине?

блок покупался не для дербана , а под восстановление , про ПС спросите здесь http://radiokot.ru/forum/viewtopic.php?f=51&t=109964 человек разобрал комплектный буруновский синтез

гигант мысли
Группа: Участники
Сообщений: 5744
Добавлено: 14-05-2016 11:25
Понятно.
Посмотрите насчет микросхемок, что я обозначил на фото. Что за тип?

магистр
Группа: Участники
Сообщений: 1411
Добавлено: 14-05-2016 15:57
Дим есть конечно кое что ,это то что досталось в зип к приемникам ,

Про Р-603.
Я, в общем-то, не особо любитель связной аппаратуры (мое хобби- УМЗЧ и около них). НО,- вот здесь сделал бы исключение. Такая техника- очень высокого класса, как исполнения, так и схемотехнических решений.

И, если бы не покупка осциллографа С9-9, очень постарался бы "выпросить" (здесь не очень приветствуется слово "купить") себе один комплект. Даже без КМ-ок. Их отсутствие,- это не проблема, имхо. (Восстановил бы. Отстроил. Поставил на полку. Иногда бы включал,- к вопросу "а зачем")
Что за микросхемы вот на этой плате в середине?


Рискну предположить, 526ПС1.

пришел поспрашивать
Группа: Участники
Сообщений: 39
Добавлено: 14-05-2016 20:14
Находки.
, , , , ,

гигант мысли
Группа: Участники
Сообщений: 5744
Добавлено: 14-05-2016 21:00
Еще частично раздербаненный некий источник питания:

пришел поспрашивать
Группа: Участники
Сообщений: 55
Добавлено: 15-05-2016 07:11
Понятно.
Посмотрите насчет микросхемок, что я обозначил на фото. Что за тип?



Дмитрий был прав 526пс1

мастер
Группа: Участники
Сообщений: 773
Добавлено: 15-05-2016 22:13
Находки.

гигант мысли
Группа: Участники
Сообщений: 4878
Добавлено: 15-05-2016 22:26
Находки.

На левом фото две нижние платы слева и на правом фото платы от радиолы "Илга-301-стерео"

мастер
Группа: Участники
Сообщений: 773
Добавлено: 15-05-2016 22:38
Находки.

На левом фото две нижние платы слева и на правом фото платы от радиолы "Илга-301-стерео"

да была "Илга-301-стерео" на вид как новоя бомжи расколотили взяли трансформатор мне пришлос сне скрутит платы.

гигант мысли
Группа: Участники
Сообщений: 5744
Добавлено: 16-05-2016 01:48
Куда интереснее, от чего платы на первых трех фото.
И за что керамические микры на них...

магистр
Группа: Участники
Сообщений: 1411
Добавлено: 16-05-2016 08:08
Дисплейная станция ИЗОТ-7925.

гроссмейстер
Группа: Участники
Сообщений: 1009
Добавлено: 16-05-2016 10:06
А эти Изотовские платки можно как-то выкупить?

магистр
Группа: Участники
Сообщений: 1411
Добавлено: 16-05-2016 10:37
если кому что нужно звоните на скайп там это быстро все решается.
логин скайпа UA9LGX.

Как-то так...

мастер
Группа: Участники
Сообщений: 627
Добавлено: 16-05-2016 17:16
Нашол в коробке которая должна была уйти на свалку
Старинный и видать частопользуемый да так что аж протектор стерся)) переключатель 2КПН с длинющим номерным обозначением
Газотрон со свалки уже выпаянный из летающего))) блока



гигант мысли
Группа: Участники
Сообщений: 5744
Добавлено: 16-05-2016 17:37
Это не газотрон, а стабилитрон:
http://istok2.com/scan/2445_1.jpg

мастер
Группа: Участники
Сообщений: 627
Добавлено: 16-05-2016 17:47
А в простонародье газотрон
газ есть? есть))
конечно же это стабилитрон Но с газом))

гигант мысли
Группа: Участники
Сообщений: 5744
Добавлено: 16-05-2016 18:24
Не путайте понятия газотрон и стабилитрон (в данном случае газонаполненный).
Невежество в технических дисциплинах простонародьем оправдывать нельзя.

мастер
Группа: Участники
Сообщений: 627
Добавлено: 16-05-2016 18:56
Учту

вошел во вкус
Группа: Участники
Сообщений: 176
Добавлено: 16-05-2016 19:42
TURBO Ваш номерной переключатель жутко похож на изделие которое ставилось внутрь штурвала самолёта

пришел поспрашивать
Группа: Участники
Сообщений: 39
Добавлено: 16-05-2016 23:59
Хлам.

. , , ,

мастер
Группа: Участники
Сообщений: 627
Добавлено: 17-05-2016 08:46
TURBO Ваш номерной переключатель жутко похож на изделие которое ставилось внутрь штурвала самолёта

Возможно) ибо хлам был найден предположительно в том месте где базировалась ещё в СССР часть связанная с ПВО у них там были самолеты-перехвачики
Части той уже нет её объединили-укрупнили и перевели в другое место.

мастер
Группа: Участники
Сообщений: 773
Добавлено: 17-05-2016 15:59

мастер
Группа: Участники
Сообщений: 804
Добавлено: 17-05-2016 16:38
Вот "нехорошие люди", целый Спектрум выкинули

мастер
Группа: Участники
Сообщений: 637
Добавлено: 17-05-2016 18:00
Вот "нехорошие люди", целый Спектрум выкинули

...и прибор для измерения тока в розетке

гигант мысли
Группа: Участники
Сообщений: 5744
Добавлено: 17-05-2016 22:45
Некий источник питания, к сожалению уже с выдранными драг деталями, с маркировкой БУП ЕС-7921-00/Н000 и незнакомой мне эмблемой завода.




Что интересно, часть деталей экспортные.
Где применялся - не знаю...

мастер
Группа: Участники
Сообщений: 888
Добавлено: 17-05-2016 22:55
Где применялся - не знаю...
Как следует из маркировки, применялся в устройстве группового управления ЕС-7921-00 дисплейной станцией в составе ЕС ЭВМ:
http://www.ngpedia.ru/id552172p3.html

пришел поспрашивать
Группа: Участники
Сообщений: 39
Добавлено: 17-05-2016 23:09
Остатки проблесковых маячков.
+ ещё.


вошел во вкус
Группа: Участники
Сообщений: 176
Добавлено: 18-05-2016 04:31
Капитан555 Чёрное ЭПУ и шасси с ламповыми панельками это остатки электрофона Юность

пришел поспрашивать
Группа: Участники
Сообщений: 39
Добавлено: 18-05-2016 12:52
Denis-ХКМ спасибо.
Буду знать. Я ведь не радиолюбитель. Я просто подбираю визуально пригодные предметы.Эти предметы потом отдаются (иногда продаются) знакомым, обмениваются и т.д. Жалко видеть как гибнут вещи.

Поскольку на форуме новичок, хочу спросить: А как открыть тему обмена? Нужно ли иметь какое то количество сообщений для этого?

мастер
Группа: Участники
Сообщений: 804
Добавлено: 18-05-2016 13:13
...и прибор для измерения тока в розетке

Это амперметр от очень "маленьких" токовых клещей Ц90. Лежат на работе такие, с ручками по полметра, только с амперметрами до 600А

гигант мысли
Группа: Участники
Сообщений: 5744
Добавлено: 18-05-2016 18:49
Какая-то очень злая самодельщина и просто мусорок



гигант мысли
Группа: Участники
Сообщений: 6778
Добавлено: 18-05-2016 23:05
Да уж.... Наляпано....
Но если эта штуковина работала, то можно скидку автору сделать. Видимо, важен был не сам процесс, а результат...

магистр
Группа: Участники
Сообщений: 1411
Добавлено: 19-05-2016 07:15
Какая-то очень злая самодельщина

А что за микросхема от AD ?! Возможно, поможет в понимании, для чего это все...там надписи около разъёмов: "30МГц", "48МГц",- может устройство для ТВ ?!

пришел поспрашивать
Группа: Участники
Сообщений: 30
Добавлено: 19-05-2016 09:37
Как ни странно, ЦАП (AD9731).

магистр
Группа: Участники
Сообщений: 1411
Добавлено: 19-05-2016 11:13
Насколько я понимаю, у него частотный диапазон до 65 МГц. Возможно, действительно что-то для кабельного ТВ. Макет, типа...

гигант мысли
Группа: Участники
Сообщений: 5744
Добавлено: 19-05-2016 11:27
Полагаю, что это какой-то синтезатор частот или что-то типа.
Там и правда стоит ЦАП на 170 Мегавыборок и рядом с его выходом бирочка "72МГц". Ну и с обратной стороны еще пачка наклеек около разъемов с разными частотами...

гигант мысли
Группа: Участники
Сообщений: 5744
Добавлено: 21-05-2016 11:51
Блочок

мастер
Группа: Участники
Сообщений: 773
Добавлено: 22-05-2016 21:56

Кучя оргтехники немного плат нашел.

знающий
Группа: Участники
Сообщений: 369
Добавлено: 22-05-2016 22:04
"72МГц".

Это что-то на радиолюбительский диапазон 144 МГц.

мастер
Группа: Участники
Сообщений: 773
Добавлено: 22-05-2016 22:17

администратор
Группа: Администраторы
Сообщений: 8045
Добавлено: 23-05-2016 09:08
Плата на железной подложке с индикаторами - бывшие часы "Сова", они же "Сатир".


вошел во вкус
Группа: Участники
Сообщений: 176
Добавлено: 23-05-2016 10:38
ГТ906 , Группа плат с контурами р.с. Лён. ещё засветились платы от pH-метр лабораторный рН-150 https://mmt.zp.ua/shop/med-uchrezhdeniyam/lab/raznoe_lab/good_2557.html

вошел во вкус
Группа: Участники
Сообщений: 176
Добавлено: 23-05-2016 10:38
ГТ906 , Группа плат с контурами р.с. Лён. ещё засветились платы от pH-метр лабораторный рН-150 https://mmt.zp.ua/shop/med-uchrezhdeniyam/lab/raznoe_lab/good_2557.html

мастер
Группа: Участники
Сообщений: 627
Добавлено: 23-05-2016 11:00

А это платки от переносного(12в) цветного телевизора Электроника Ц-432Д
кинеском 25см( у меня был с сенсорным переключателем каналов)потом квасисенсорные стали делать, довольно редкие микрухи в блоке видеоусилителей воон под теми тремя радиаторами К278УИ2
и особенно там наворочен БП а вот последующие аналогичные телики уже попроще в схемотехническом варианте стали выпускать
http://rw6ase.narod.ru/00/twc1/elektronika_c432.html

гигант мысли
Группа: Участники
Сообщений: 5744
Добавлено: 23-05-2016 15:52
Плата из мини АТС LG:

мастер
Группа: Участники
Сообщений: 773
Добавлено: 24-05-2016 11:42
Плата на железной подложке с индикаторами - бывшие часы "Сова", они же "Сатир".


Да это были часики "Сова", то что разбитый корпус там же был.

гроссмейстер
Группа: Участники
Сообщений: 1120
Добавлено: 24-05-2016 11:48
они же "Сатир".


Я думал, что это Фавн :)

администратор
Группа: Администраторы
Сообщений: 8045
Добавлено: 24-05-2016 12:03
они же "Сатир".


Я думал, что это Фавн :)

Да хрен их, рогатых, разберет. Возможно и Фавн. Мои часы в гараже лежат, вот фото из интернета.


мастер
Группа: Участники
Сообщений: 888
Добавлено: 24-05-2016 17:04
Мои часы в гараже лежат
Как известно, гараж иногда почти та же свалка:



мастер
Группа: Участники
Сообщений: 888
Добавлено: 24-05-2016 17:10

мастер
Группа: Участники
Сообщений: 888
Добавлено: 24-05-2016 17:12
Военный бесперебойник:

гроссмейстер
Группа: Участники
Сообщений: 1009
Добавлено: 24-05-2016 17:14
Как известно, гараж иногда почти та же свалка:

Не продадите болгарский модемчик?

мастер
Группа: Участники
Сообщений: 888
Добавлено: 24-05-2016 17:15
Бренные останки чего-то Тесловского:

Интересно, кем они были при жизни?

мастер
Группа: Участники
Сообщений: 888
Добавлено: 24-05-2016 17:18
Разрозненные платы:

мастер
Группа: Участники
Сообщений: 888
Добавлено: 24-05-2016 17:24
Не продадите болгарский модемчик?
Ответил на почту.

зашел на огонёк
Группа: Участники
Сообщений: 5
Добавлено: 24-05-2016 19:53
ingOK. что это за приборчик с восемью разъёмами?

мастер
Группа: Участники
Сообщений: 888
Добавлено: 24-05-2016 20:17
А кто его знает. Предполагаю, что это 10Base-5 хаб.

администратор
Группа: Администраторы
Сообщений: 8045
Добавлено: 24-05-2016 20:18
Мои часы в гараже лежат
Как известно, гараж иногда почти та же свалка:...

Я бы так не говорил. Гараж (он же Дача) - последние прибежище электронной души, перед тем, как попасть в Ад или Рай. Естественно электронный.

мастер
Группа: Участники
Сообщений: 888
Добавлено: 24-05-2016 20:26
Гараж (он же Дача) - последние прибежище электронной души, перед тем, как попасть в Ад или Рай. Естественно электронный.
Ну, в смысле судьбы попавших туда предметов, Вы конечно правы.

гигант мысли
Группа: Участники
Сообщений: 7902
Добавлено: 25-05-2016 00:10
Я сегодня был в своем гараже - поджарился на солнце в этой консервной избушке, розбирая с братом старый форд чтоб место не занимал.. Увы, с огорчением отметил, что в таких парилках металл ржавеет лучше чем на дворе.. Так что гараж - это как у кого и где...

гигант мысли
Группа: Участники
Сообщений: 5744
Добавлено: 25-05-2016 11:26
Плата вроде как от мед оборудования.
На пустом месте был крупный несколько-разрядный (сейчас уже не помню точно, тк выпаял его еще давно) семисегментный ВЛИ.

мастер
Группа: Участники
Сообщений: 627
Добавлено: 26-05-2016 10:21
Если бы не знак качества и не цена и не экспортный вариант а ещё и 30-летний юбилей у этой ЭКМУ в этом году то наверное бы и не подобрал её. И работает как новая))хотя внутри видны следы нещадной эксплуатации))
Качество на высоте!!


пришел поспрашивать
Группа: Участники
Сообщений: 30
Добавлено: 26-05-2016 16:32
А где же фото ножей этой чудо-кофемолки? Хотелось бы увидеть!

мастер
Группа: Участники
Сообщений: 627
Добавлено: 26-05-2016 17:16
Только тот нож который там стоял, другого нету)) Я пользоваться не собираюсь этим аппаратом, сфотал, разобрал поглазел на внутренности как там мотор поживает)) собрал и в гараж а потом скорее всего опять туда откуда и взял))хотя рабочая жалко может для рубки и молотьбы чего технического пригодица))

гигант мысли
Группа: Участники
Сообщений: 6778
Добавлено: 26-05-2016 17:45
Аналогичными кофемолками размельчаю семечки из пакетиков для рыбалки ...Уже 2 штуки угробил...

мастер
Группа: Участники
Сообщений: 627
Добавлено: 26-05-2016 18:10
А этой видимо сахарную пудру делали в годы дефицита ибо внутри обмотка статора вся в карамели видать пудра поплавилась))

гигант мысли
Группа: Участники
Сообщений: 6778
Добавлено: 26-05-2016 19:16
Да, от таких вещей они быстро загибаются... Начинает, как правило, с трудом проворачиваться ротор и гореть статорная обмотка, увы ...

мастер
Группа: Участники
Сообщений: 773
Добавлено: 29-05-2016 11:13

мастер
Группа: Участники
Сообщений: 637
Добавлено: 29-05-2016 20:03
А где же фото ножей этой чудо-кофемолки? Хотелось бы увидеть!

В таких штуках нож только называется ножом ...
на самом деле это металлическая пластина разбивает продукт посредством большой скорости .
Я подобной тоже пользуюсь ... 2 кг кофе в месяц перерабатывает уже много лет

Ножи используют в кухонных приборах для измельчения мягких продуктов - зелени , мяса ..
У меня есть подобный прибор из СССР внешне как кофемолка ,только больше и мощщнее ..там стоят ножи

главный по тарелочкам
Группа: Участники
Сообщений: 2542
Добавлено: 29-05-2016 20:27
Знакомы агрегат - очень долго мололи орехи, сахар и кофе. Так и не сломалась до утилизации.

гроссмейстер
Группа: Участники
Сообщений: 1120
Добавлено: 29-05-2016 20:31


Какие интересные блоки.

вошел во вкус
Группа: Участники
Сообщений: 176
Добавлено: 30-05-2016 06:14
Вот то-же из ранее найденного:




гигант мысли
Группа: Участники
Сообщений: 6778
Добавлено: 01-06-2016 11:28
Не со свалки, со стеллажа на работе...
Блочок от позиционера спутниковой тарелки:


мастер
Группа: Участники
Сообщений: 501
Добавлено: 01-06-2016 11:32


Какие интересные блоки.


По превью похожи на смартфоны и поэтому вызывают ассоциацию с "советским Ифоном"))
http://www.3dnews.ru/588325

Гость
Добавлено: 01-06-2016 19:09
Да уж, мне строго настрого запретили таскать домой металлолом


Неудержался и откусил несколько кондючков с телевизионных плат...

мастер
Группа: Участники
Сообщений: 773
Добавлено: 04-06-2016 22:43
Сегодняшний улов.

гигант мысли
Группа: Участники
Сообщений: 7902
Добавлено: 04-06-2016 23:24
некоторые платы и экранированый модуль - от В7-16.

пришел поспрашивать
Группа: Участники
Сообщений: 39
Добавлено: 05-06-2016 09:20
Находки.
,,,

мастер
Группа: Участники
Сообщений: 773
Добавлено: 05-06-2016 10:06
Находки.

Плато от стиралки ARDO.

гигант мысли
Группа: Участники
Сообщений: 4878
Добавлено: 05-06-2016 10:16
Сегодняшний улов.

Похожее было в частотомере то ли Ф5137, то ли Ф5041

мастер
Группа: Участники
Сообщений: 537
Добавлено: 05-06-2016 13:53
Принесли на утилизацию усилители от самописцев разных годов, можно сказать нашел на свалке.
Почувствуйте разницу:


70е годы


80е годы


90е годы

мастер
Группа: Участники
Сообщений: 804
Добавлено: 05-06-2016 14:34
Причем в них неизменно находились транзисторы КТ903Б и симпатичные трансформаторы:

мастер
Группа: Участники
Сообщений: 537
Добавлено: 05-06-2016 18:21
Причем в них неизменно находились транзисторы КТ903Б и симпатичные трансформаторы:


Причем неходовыми, однозначно в утиль.

мастер
Группа: Участники
Сообщений: 713
Добавлено: 05-06-2016 22:11
Причем неходовыми, однозначно в утиль

По мне так вполне годные трансы,несколько раз их использовал для разных поделок как и радиаторы.А на плате что на верхней фотке в экранированной коробочке четыре полевика КП302,тоже пригодятся.

гигант мысли
Группа: Участники
Сообщений: 5744
Добавлено: 05-06-2016 23:06
Принесли на утилизацию усилители от самописцев разных годов, можно сказать нашел на свалке.

80е годы

Что за ОУ установлены?

мастер
Группа: Участники
Сообщений: 804
Добавлено: 06-06-2016 02:23
140УД1. В утиль. А КТ903Б может и неходовые, но пару месяцев назад у меня купили 4шт для ремонта какого-то советского усилителя. К тому же гугль говорит, что вполне ходовые они.

мастер
Группа: Участники
Сообщений: 537
Добавлено: 06-06-2016 08:01
140УД1. В утиль. А КТ903Б может и неходовые, но пару месяцев назад у меня купили 4шт для ремонта какого-то советского усилителя. К тому же гугль говорит, что вполне ходовые они.


У меня их скопилось килограмма 1,5 отдам по цене меди, возьмешь? Есть новые и бу, все исправны.



мастер
Группа: Участники
Сообщений: 537
Добавлено: 06-06-2016 08:08
Причем неходовыми, однозначно в утиль

По мне так вполне годные трансы,несколько раз их использовал для разных поделок как и радиаторы.А на плате что на верхней фотке в экранированной коробочке четыре полевика КП302,тоже пригодятся.


Так я и оставил пару штук, на всякий пожарный (трансов). А так хранить - места не наберешься, тем более есть и получше трансики для поделок. Я выкладывал фото в теме "групповые фото". Полевиков новых хватает, а эти запаяны под корпус и приклеены к плате эпоксидкой. "Хороши" они будут после демонтажа.

мастер
Группа: Участники
Сообщений: 804
Добавлено: 06-06-2016 10:20

У меня их скопилось килограмма 1,5 отдам по цене меди, возьмешь? Есть новые и бу, все исправны.

Ага, возьму Пересыл в Приморье дороже будет Да и лежали просто, пришли спросить, есть ли такие. Были, прозвонил, продал. Жалоб нету. А так спецом собирать, не не надо.Для меня в этих усилителях самое ценное - это трансформаторы. Для мелких поделок с двуполярным питанием в самый раз.Те же ИОН-ы делать

пришел поспрашивать
Группа: Участники
Сообщений: 39
Добавлено: 07-06-2016 00:53
Найден пару дней назад, водогрейный котёл "Эленберг", 80 литров объём,внешне комплектен.
Проверить на герметичность,проверить исправность водонагревательного элемента ииииии.....

, ,

вошел во вкус
Группа: Участники
Сообщений: 127
Добавлено: 07-06-2016 17:22
СМ-ка



вошел во вкус
Группа: Участники
Сообщений: 176
Добавлено: 07-06-2016 17:52
DedalНе надо не кого вводить в заблуждение , у Вас Искра-1030М , почти комплектная , только входного фильтра с вентилятором нету.

гигант мысли
Группа: Участники
Сообщений: 5744
Добавлено: 09-06-2016 12:03
Весьма солидный сетевой фильтр:

вошел во вкус
Группа: Участники
Сообщений: 176
Добавлено: 11-06-2016 18:56
По своему шикарная находка (сделанная не Мной, но переданная Мне) :


гигант мысли
Группа: Участники
Сообщений: 5744
Добавлено: 11-06-2016 19:28
Интересно, от чего они...
Интересный логотип на импульсных трансформаторах...

мастер
Группа: Участники
Сообщений: 773
Добавлено: 11-06-2016 22:13
Сегодняшний улов.

мастер
Группа: Участники
Сообщений: 773
Добавлено: 11-06-2016 22:25

гигант мысли
Группа: Участники
Сообщений: 5744
Добавлено: 11-06-2016 22:34
Интересные платы с "петелькой". От чего они, не известно?

Посмотрите пожалуйста, что за микросхемы в металле стоят на этой плате:

?

мастер
Группа: Участники
Сообщений: 773
Добавлено: 11-06-2016 23:11
микросхемы в металле стоят на плате: К101КТ1А И К124КТ1

гигант мысли
Группа: Участники
Сообщений: 4878
Добавлено: 11-06-2016 23:45
Меня удивляет, (К)140УД1, куда только не лепили, она же не удобная в применении и параметры посредственные (мое мнение), но тем не менее применялась очень широко, в чем фишка?

магистр
Группа: Участники
Сообщений: 1411
Добавлено: 12-06-2016 00:58
Интересные платы с "петелькой". От чего они, не известно?

Что-то от первых ЭВМ СМ, если не ошибаюсь... Были такие, "на борту" 155 серия и блокировочные конденсаторы МБМ. Из интересного- пара вот таких плат и 2 платы коммутации в таком же форм-факторе на очень "правильных" РЭС-22

Меня удивляет, (К)140УД1, куда только не лепили, она же не удобная в применении и параметры посредственные (мое мнение), но тем не менее применялась очень широко, в чем фишка?

Для своего времени достаточно неплохой ОУ широкого применения. И дешевый в производстве, что немаловажно . "Чудесных характеристик" в него изначально и не планировалось вкладывать...

вошел во вкус
Группа: Участники
Сообщений: 176
Добавлено: 12-06-2016 18:34
ГТ906 http://storage9.static.itmages.ru/i/16/0611/s_1465668549_6478020_2dcf048f9b.jpg
Для того , что-бы сказать от чего плата нужен номер , которой в углу.
Такой-же конструктив имеют платы для станков ЧПУ.

магистр
Группа: Участники
Сообщений: 1411
Добавлено: 12-06-2016 19:39
Эта плата точно, 100% НЕ от ЧПУ. Точно такую же вытащил из вычислительного шкафа в заводском ИВЦ лет 10 назад... Не помню названия, только- конкретно эта стояла в некотором шкафе- "кубе" с синими алюминиевыми стенками, сам "куб" около 1мх1м...Еще было 2 шкафа, те уже стандартные высотой 2м ...

вошел во вкус
Группа: Участники
Сообщений: 176
Добавлено: 12-06-2016 19:51
Чёрный сталкер , Наверное из такой штуки вытащили (в правом углу стоит на торце)
Так , вот куда должна идти плата сфотанная ГТ906, можно определить по маркировке , либо стойка ЧПУ (например 2с22) либо расширение функций СМ-ЭВМ.

магистр
Группа: Участники
Сообщений: 1411
Добавлено: 12-06-2016 20:16
Нет, не из такой. Абсолютно. Стойку СМ, как на фотографии, как базовую так и сменные блоки, ни с чем не спутаешь...

К тому же там нет разъемов РППГ2-48, в моем случае были они и "под накрутку"

Один квадратный шкаф и 2 (3 кажется) "прямоугольно-высоких" шкафа, алюминиевый остов и светло-синие боковые крышки, никаких закругленных углов...Может и не СМ...

Тоже оттуда, и это не ЧПУ...

гигант мысли
Группа: Участники
Сообщений: 4411
Добавлено: 13-06-2016 17:19

Один квадратный шкаф и 2 (3 кажется) "прямоугольно-высоких" шкафа, алюминиевый остов и светло-синие боковые крышки, никаких закругленных углов...Может и не СМ...

цвета АСВТ-М

магистр
Группа: Участники
Сообщений: 1411
Добавлено: 13-06-2016 21:18
цвета АСВТ-М

По фотографиям внешнего вида из интернета- да, от нее на все 100%.

пришел поспрашивать
Группа: Участники
Сообщений: 39
Добавлено: 14-06-2016 23:38
Вчерашние находки.
Блок батареек, вилка интересная, БП 10-12
Лампы 1965-1969 годов.


пришел поспрашивать
Группа: Участники
Сообщений: 39
Добавлено: 18-06-2016 15:27
Находки 17.06.2016 г.
Остатки сотового телефона Нокия Нсерия и крышка от другого тел.
Два слайдера Нокия.
И... короче какая то запчасть.


,, ,,, ,,

,,,

пришел поспрашивать
Группа: Участники
Сообщений: 20
Добавлено: 18-06-2016 17:31


И... короче какая то запчасть.


Накопитель на жёстких магнитных дисках или НЖМД (англ. hard (magnetic) disk drive, HDD, HMDD), жёсткий диск, в компьютерном сленге «винчестер» — запоминающее устройство (устройство хранения информации) произвольного доступа, основанное на принципе магнитной записи. Является основным накопителем данных в большинстве компьютеров.

пришел поспрашивать
Группа: Участники
Сообщений: 82
Добавлено: 18-06-2016 18:17

Накопитель на жёстких магнитных дисках или НЖМД (англ. hard (magnetic) disk drive, HDD, HMDD), жёсткий диск, в компьютерном сленге «винчестер» — запоминающее устройство (устройство хранения информации) произвольного доступа, основанное на принципе магнитной записи. Является основным накопителем данных в большинстве компьютеров.


Похоже на "глючную" партию когда появлялась "муха цц" и емкость в 0 после ошибок устанавливалась. В свое время пару десятков похожих дисков реанимировал и доверие к сегейтам пропало. Хотя на счет партии могу ошибаться

мастер
Группа: Участники
Сообщений: 804
Добавлено: 19-06-2016 08:35
сигейтам с 10-й по 12-ю серии место в принципе там, где данный экземпляр найден.

магистр
Группа: Участники
Сообщений: 1307
Добавлено: 19-06-2016 08:50
Заступлюсь за десятых рыб.
Смена технологии,системы команд,etc началась с 7200.11

мастер
Группа: Участники
Сообщений: 804
Добавлено: 19-06-2016 10:04
Что не мешало им активно дохнуть. Последней нормальной сигой была 9-я серия, 400-ка до сих пор у меня живая. Правда, греется жутко, зараза. А так сигейты обхожу 10-й дорогой. Хотя кому как повезем, у многих знакомых трудятся и ничего, но уже после 12-й серии. А у меня осадочек остался.

пришел поспрашивать
Группа: Участники
Сообщений: 39
Добавлено: 19-06-2016 14:02
Для более положительных эмоций, вот такие доки:

,, ,,

гигант мысли
Группа: Участники
Сообщений: 6778
Добавлено: 19-06-2016 18:06
Неплохо бы, ув. Капитан555, это отсканировать и разместить в предназначенной для таких бумаженций теме:
http://kxk.ru/dustyattic/v1_911155__.php

мастер
Группа: Участники
Сообщений: 542
Добавлено: 19-06-2016 18:16
Случайно нашёл. Похоже, некая ферритовая память, аналог "куба".


мастер
Группа: Участники
Сообщений: 773
Добавлено: 19-06-2016 22:35
Находки.

гигант мысли
Группа: Участники
Сообщений: 6778
Добавлено: 20-06-2016 05:45
А во 2-м ряду 2-е фото - что за приборчик? Фото мутное, не читаются надписи...

мастер
Группа: Участники
Сообщений: 773
Добавлено: 20-06-2016 20:25
А во 2-м ряду 2-е фото - что за приборчик? Фото мутное, не читаются надписи...


Прибор кабельщика-спайщика ПКС

гигант мысли
Группа: Участники
Сообщений: 6778
Добавлено: 20-06-2016 22:38
В тему , интересен ...Он металлолом или фунциклирует?

пришел поспрашивать
Группа: Участники
Сообщений: 16
Добавлено: 21-06-2016 10:44
Какая-то память.

гигант мысли
Группа: Участники
Сообщений: 5744
Добавлено: 21-06-2016 11:53
Блок ферритовой памяти от Д3-28.

пришел поспрашивать
Группа: Участники
Сообщений: 16
Добавлено: 21-06-2016 12:29
Блок ферритовой памяти от Д3-28.

Ого! Спасибо !

мастер
Группа: Участники
Сообщений: 773
Добавлено: 22-06-2016 22:29
В тему , интересен ...Он металлолом или фунциклирует?


после бомжей что будет фунциклируат.

мастер
Группа: Участники
Сообщений: 773
Добавлено: 22-06-2016 22:33
Сегодня нашел разбитый Калькулятор.

гигант мысли
Группа: Участники
Сообщений: 5744
Добавлено: 22-06-2016 23:53
Хорошая находка! Сейчас такие микросхемы редкость...

мастер
Группа: Участники
Сообщений: 773
Добавлено: 26-06-2016 13:26
Вчерашние находки. кокой то прибор интернете по ему не чего не нашел.


мастер
Группа: Участники
Сообщений: 773
Добавлено: 26-06-2016 13:48

гигант мысли
Группа: Участники
Сообщений: 6778
Добавлено: 26-06-2016 14:06
Да, поиск выдает БПЖ как Блок Подачи Жидкости ...

гигант мысли
Группа: Участники
Сообщений: 5744
Добавлено: 27-06-2016 02:05
Платка, панелька для ГМИ-5 и мега линейка светодиодов со схемами управления:





пришел поспрашивать
Группа: Участники
Сообщений: 82
Добавлено: 27-06-2016 08:20
мега линейка светодиодов со схемами управления:
это от копировального аппарата должна быть

мастер
Группа: Участники
Сообщений: 713
Добавлено: 27-06-2016 22:33
Да, поиск выдает БПЖ как Блок Подачи Жидкости

Видимо это он и есть.Там ещё на передней панели надпись"элюент"-это имеет отношение к хромотографии и трубочки там тоненькие похожие на провода.

гигант мысли
Группа: Участники
Сообщений: 5744
Добавлено: 28-06-2016 14:05
Довольно старый (1957г) спиртовой термометр с на удивление крупным резервуаром со спиртом и узком диапазоном измеряемой температуры.
Для чего такой крупный резервуар - вообще не понимаю...

вошел во вкус
Группа: Участники
Сообщений: 242
Добавлено: 28-06-2016 14:24

Для чего такой крупный резервуар - вообще не понимаю...

А вот для того, что бы у него как раз и был такой узкий диапазон измерения.

знающий
Группа: Участники
Сообщений: 320
Добавлено: 03-07-2016 16:46
пока был в бане.

знающий
Группа: Участники
Сообщений: 320
Добавлено: 03-07-2016 16:47

знающий
Группа: Участники
Сообщений: 320
Добавлено: 03-07-2016 16:51





знающий
Группа: Участники
Сообщений: 320
Добавлено: 03-07-2016 16:52




знающий
Группа: Участники
Сообщений: 320
Добавлено: 03-07-2016 16:55






гигант мысли
Группа: Участники
Сообщений: 5744
Добавлено: 03-07-2016 17:00
Зеленые платы, набитые цифровухой - интересная находка!
Не расскажете, от чего это?

знающий
Группа: Участники
Сообщений: 320
Добавлено: 03-07-2016 17:02
Зеленые платы, набитые цифровухой - интересная находка!
Не расскажете, от чего это?

предположительно что то связанное с сотовой связью...

магистр
Группа: Участники
Сообщений: 1411
Добавлено: 04-07-2016 10:59
Аппаратура уплотнения телефонных каналов, проводной интернет через телефон и иже с ними.

На правой плате, разъёмы экранированные 2шт., расположенные под углом,- для приёмопередатчиков под оптический кабель с интерфейсом USB

гигант мысли
Группа: Участники
Сообщений: 4411
Добавлено: 04-07-2016 11:15
Это не соты, это провода и оборрудование MSAN от компании АЛС и ТЕК
http://www.alstec.ru/node/131

мастер
Группа: Участники
Сообщений: 773
Добавлено: 05-07-2016 00:03

гроссмейстер
Группа: Участники
Сообщений: 1120
Добавлено: 05-07-2016 00:40
Похоже на кассовый аппарат ОКА-500 и часы-сова

гигант мысли
Группа: Участники
Сообщений: 6778
Добавлено: 05-07-2016 11:34
Ув. ГТ906 , а омметр (2-й ряд 2-е фото) название и год выпуска имеют? Может что есть на обратной стороне? Понравился...

гигант мысли
Группа: Участники
Сообщений: 4411
Добавлено: 05-07-2016 11:44
вся эта информация приведена под стеклом стрелочного указателя

гигант мысли
Группа: Участники
Сообщений: 6778
Добавлено: 05-07-2016 12:21
Да, ув.Pedro , что-то я поспешил с вопросом...Подумалось, что надписи на шкале относятся к головке... Потом нашел в сети:
"ММВ - малогабаритный мост Уитстона (Витстона) омметр"...

мастер
Группа: Участники
Сообщений: 773
Добавлено: 05-07-2016 13:06
Ув. ГТ906 , а омметр (2-й ряд 2-е фото) название и год выпуска имеют? Может что есть на обратной стороне? Понравился...


под стеклом написано 1МВ 1974Год.

знающий
Группа: Участники
Сообщений: 320
Добавлено: 05-07-2016 15:46




знающий
Группа: Участники
Сообщений: 320
Добавлено: 05-07-2016 15:51

знающий
Группа: Участники
Сообщений: 382
Добавлено: 06-07-2016 18:20
В принципе ничего интересного, но доильные аппараты не часто попадаются


Пользуясь случаем, спрошу что за элементы F11 - F14, F201-202 в левом нижнем углу с четырехсторонней пайкой, похожие на конденсаторы. Может проходные конденсаторы?

гигант мысли
Группа: Участники
Сообщений: 5744
Добавлено: 06-07-2016 19:06
что за элементы F11 - F14, F201-202 в левом нижнем углу с четырехсторонней пайкой, похожие на конденсаторы. Может проходные конденсаторы?

По сути они и есть, то в современном чип исполнении.

гигант мысли
Группа: Участники
Сообщений: 5744
Добавлено: 06-07-2016 19:25
Кучка разного хламца


мастер
Группа: Участники
Сообщений: 627
Добавлено: 07-07-2016 16:46
Валялся копир Рикон на свалке
Я с него несколько плат выдрал)
Какая то то ли матрица то ли ПЗС на красивых ногах)
оптика наглухо приклеена к плате ломать чото жалко

гигант мысли
Группа: Участники
Сообщений: 5744
Добавлено: 07-07-2016 16:59
Там ЛПЗС стоит вот в таком стиле:
http://155la3.ru/mn8051.htm
http://155la3.ru/upd3597cy.htm
http://155la3.ru/upd3799cy.htm

знающий
Группа: Участники
Сообщений: 320
Добавлено: 07-07-2016 17:43
еще чутка




знающий
Группа: Участники
Сообщений: 320
Добавлено: 07-07-2016 17:44




знающий
Группа: Участники
Сообщений: 320
Добавлено: 07-07-2016 17:45



гигант мысли
Группа: Участники
Сообщений: 5744
Добавлено: 07-07-2016 18:19
ТУшки что ли разбираете?
Впервые вижу индикаторы категории ОСМ.

пришел поспрашивать
Группа: Участники
Сообщений: 55
Добавлено: 07-07-2016 20:28
а можно фото обратной стороны фланцевого крепления вентилятора , заранее благодарен , с уважением Лев

знающий
Группа: Участники
Сообщений: 320
Добавлено: 07-07-2016 20:53
ТУшки что ли разбираете?
Впервые вижу индикаторы категории ОСМ.

у нас это не редкость. бывают..

знающий
Группа: Участники
Сообщений: 320
Добавлено: 07-07-2016 21:13
а можно фото обратной стороны фланцевого крепления вентилятора , заранее благодарен , с уважением Лев





знающий
Группа: Участники
Сообщений: 320
Добавлено: 07-07-2016 21:14


мастер
Группа: Участники
Сообщений: 542
Добавлено: 07-07-2016 21:36
0,7ая ЭВка. Мелочь, а приятно.

пришел поспрашивать
Группа: Участники
Сообщений: 55
Добавлено: 07-07-2016 21:52
спасибо за фото

главный по тарелочкам
Группа: Участники
Сообщений: 2474
Добавлено: 07-07-2016 21:53
0,7ая ЭВка. Мелочь, а приятно.

А что с ней делать-то?.. 400 Гц...

администратор
Группа: Администраторы
Сообщений: 8045
Добавлено: 07-07-2016 22:08
0,7ая ЭВка. Мелочь, а приятно.

А что с ней делать-то?.. 400 Гц...

Сделать простейший преобразователь и запустить. Благо сейчас элементная база позволяет это сделать достаточно просто.

мастер
Группа: Участники
Сообщений: 542
Добавлено: 08-07-2016 00:10
У меня парк ЭВок. ЭВ-0.7, 0.63ЭВ-1.4 с родными питальниками (27В постоянки в трёхфазку) и ЭВ-5.6. Питаю от простого частотника на 6 корпусах м/с и 6 транзах.

знающий
Группа: Участники
Сообщений: 320
Добавлено: 08-07-2016 09:16
богатая платка

мастер
Группа: Участники
Сообщений: 868
Добавлено: 08-07-2016 11:13
богатая платка

Это ранний "корвет" ?

знающий
Группа: Участники
Сообщений: 320
Добавлено: 08-07-2016 14:44
богатая платка

Это ранний "корвет" ?

не могу сказать

мастер
Группа: Участники
Сообщений: 790
Добавлено: 08-07-2016 16:55
богатая платка

cuper, Фото - просто ужас! Ну невидно же почти нихрена! Что там за микросхемы?
Вы бы не издевались над людьми, а навели бы немного резкости в своей камере! Тем более что такая платка заслуживает хороших фото!

гигант мысли
Группа: Участники
Сообщений: 5744
Добавлено: 08-07-2016 19:01
Пультик

знающий
Группа: Участники
Сообщений: 320
Добавлено: 08-07-2016 23:18
новое



знающий
Группа: Участники
Сообщений: 320
Добавлено: 08-07-2016 23:19




магистр тайных сил
Группа: Участники
Сообщений: 1808
Добавлено: 09-07-2016 00:29
богатая платка

cuper, Фото - просто ужас! Ну невидно же почти нихрена! Что там за микросхемы?
Вы бы не издевались над людьми, а навели бы немного резкости в своей камере! Тем более что такая платка заслуживает хороших фото!


Присоединяюсь.

Похоже на мобильник.0,2МПксл.


знающий
Группа: Участники
Сообщений: 320
Добавлено: 09-07-2016 08:35
богатая платка

cuper, Фото - просто ужас! Ну невидно же почти нихрена! Что там за микросхемы?
Вы бы не издевались над людьми, а навели бы немного резкости в своей камере! Тем более что такая платка заслуживает хороших фото!


Присоединяюсь.

Похоже на мобильник.0,2МПксл.


Действительно на телефон. Фотографировал в спешке и перефоткать уже не могу

гигант мысли
Группа: Участники
Сообщений: 5744
Добавлено: 09-07-2016 18:40
ВЧ нагрузка, платка с импортом и солидная коробка - корпус от какого-то блока...

мастер
Группа: Участники
Сообщений: 773
Добавлено: 10-07-2016 12:01
Вчерашние находки.

знающий
Группа: Участники
Сообщений: 369
Добавлено: 10-07-2016 12:15
Вчерашние находки.

Силовая плата от китайского сварочного аппарата на 160 ампер
Да и блок цветности очень похож на советский от телевизоров 4УСЦТ, если бы не был сплошь на чешских деталях

гигант мысли
Группа: Участники
Сообщений: 4411
Добавлено: 10-07-2016 12:16
корпус от какого-то блока...

Моркая говорилка,список того, что должно быть в корпусе.



Ага, преобразователь от "Логарифма". Видимо какой-то "шпион вернулся с холода".

гигант мысли
Группа: Участники
Сообщений: 5744
Добавлено: 11-07-2016 16:33
Радиатор с транзисторами:


И вот такой блочок:

гигант мысли
Группа: Участники
Сообщений: 4411
Добавлено: 11-07-2016 16:59
Радиатор с транзисторами:

это крышка от этой коробки, хороший амплифаер был.
корпус от какого-то блока...


пришел поспрашивать
Группа: Участники
Сообщений: 83
Добавлено: 11-07-2016 20:34
А что такое "ЛОГАРИФМ" ? Инет молчит.какой то преобразователь по типу "шнура" или " шептала"?

знающий
Группа: Участники
Сообщений: 320
Добавлено: 12-07-2016 23:13




знающий
Группа: Участники
Сообщений: 345
Добавлено: 13-07-2016 02:07
в коробке платка от Электроники-60 замечена. вероятно блок ПЗУ/программатор МС3404

мастер
Группа: Участники
Сообщений: 773
Добавлено: 13-07-2016 15:51
Сегодня похоже почистили склад телеателье вывезли на свалку полною телегу. там было много трансформаторов металлисты все выгребли.


мастер
Группа: Участники
Сообщений: 773
Добавлено: 13-07-2016 16:11
По сортировал детальки.

мастер
Группа: Участники
Сообщений: 773
Добавлено: 15-07-2016 12:23
заехал ещо раз туда но трактор все уже спихал.
видео https://www.youtube.com/watch?v=Umc1P8xrVrk&feature=youtu.be

гигант мысли
Группа: Участники
Сообщений: 5744
Добавлено: 15-07-2016 17:01
827ИД1 (на платке справа в углу) продаете?

мастер
Группа: Участники
Сообщений: 773
Добавлено: 15-07-2016 22:08
827ИД1 (на платке справа в углу) продаете?

не продаю.

мастер
Группа: Участники
Сообщений: 773
Добавлено: 16-07-2016 22:11
платы.

вошел во вкус
Группа: Участники
Сообщений: 176
Добавлено: 17-07-2016 02:23
ГТ906 , Это всё платы от калькулятора.

гигант мысли
Группа: Участники
Сообщений: 5744
Добавлено: 17-07-2016 02:53
Причем от явно старого и импортного. Судя по лампам - европейского.

мастер
Группа: Участники
Сообщений: 790
Добавлено: 17-07-2016 05:27
ГТ906 , Это всё платы от калькулятора.

Причем от явно старого и импортного. Судя по лампам - европейского.


http://www.calcuseum.com/desk_14860.html
http://www.soemtron.org/soemtron220gallery105669.html

гигант мысли
Группа: Участники
Сообщений: 4411
Добавлено: 17-07-2016 14:39
платы.

Board 4 - Arithmetic unit E Register,he PCB is date coded 17/73, marked 05-220-7004-3 0h on the component side,
Некоторое количество транзисторов, маркированных как 121Д. На Зоемтроновской схеме, правда восстановленной, транзисторы обозначены как GS121

мастер
Группа: Участники
Сообщений: 773
Добавлено: 18-07-2016 22:45

мастер
Группа: Участники
Сообщений: 773
Добавлено: 21-07-2016 13:02

гигант мысли
Группа: Участники
Сообщений: 4878
Добавлено: 21-07-2016 14:14
С1-117- класс!, да и терабайтники Seagate похоже от видеорегистратора, может быть еще целые

гигант мысли
Группа: Участники
Сообщений: 5744
Добавлено: 21-07-2016 14:21
Хорошая блин свалка, раз такие приборы выбрасывают в целом виде...

гигант мысли
Группа: Участники
Сообщений: 6778
Добавлено: 22-07-2016 08:56
Ув. ГТ906 , а С1-117 не включали?

гигант мысли
Группа: Участники
Сообщений: 5744
Добавлено: 25-07-2016 19:48
Рамка с мощными транзисторами явно от чего-то серьезного:


И некий ВЧ самопал или макет:

Гость
Добавлено: 25-07-2016 20:24
С1-117- класс!, да и терабайтники Seagate похоже от видеорегистратора, может быть еще целые

Ох уж эти жестянки, если упал - пищи пропало. а вот новые в корпусе USB терпят падения

гигант мысли
Группа: Участники
Сообщений: 5744
Добавлено: 27-07-2016 16:31
Горка ячеек с мощными транзисторами. Платки уже были кем-то откручены.

гигант мысли
Группа: Участники
Сообщений: 6778
Добавлено: 27-07-2016 17:33
За последние 2 года у нас на барахолке цена на КТ825/827 выросла в 2 раза... ...Иногда приходится их брать по работе.

мастер
Группа: Участники
Сообщений: 773
Добавлено: 27-07-2016 17:59
Ув. ГТ906 , а С1-117 не включали?

ВКЛЮЧАЛ рабочий надо оси выправлять.

гигант мысли
Группа: Участники
Сообщений: 5744
Добавлено: 27-07-2016 19:00
Уж не от чего-то быстро и недолго летающего эти железки?

гигант мысли
Группа: Участники
Сообщений: 6778
Добавлено: 27-07-2016 21:49
Ув. ГТ906 , а С1-117 не включали?

ВКЛЮЧАЛ рабочий надо оси выправлять.

Вот и замечательно! У меня много связано с этим прибором - от получения документации, освоения выпуска микросборок к нему и производством самих С1-117...В 80-х их параллельно выпускали Минск и Махачкала... Если не затруднит, сделайте фото задней стенки с зав. номером и годом выпуска, ув. ГТ906 ...

магистр
Группа: Участники
Сообщений: 1411
Добавлено: 28-07-2016 04:25
Уж не от чего-то быстро и недолго летающего эти железки?

Неа. Недолго летающему дополнительный обдув не нужен
А вот зад от теплопеленгатора- запросто. В бытность работы на некотором предприятии выдел похожее аутентичное. Но модель не скажу. И вообще, могу ошибаться.

гигант мысли
Группа: Участники
Сообщений: 6778
Добавлено: 28-07-2016 22:07
Сегодня принесли...

гигант мысли
Группа: Участники
Сообщений: 5744
Добавлено: 29-07-2016 02:15
Выше показывал ячейки с мощными транзисторами с уже снятыми платками, а вот - с еще не снятыми, хотя все же подербаненными на золото.

вариант 1:


вариант 2:

гигант мысли
Группа: Участники
Сообщений: 6778
Добавлено: 29-07-2016 07:23
Стабилизаторы напряжения? Очень компактные...

гигант мысли
Группа: Участники
Сообщений: 5744
Добавлено: 30-07-2016 01:42
Стабилизаторы напряжения?

Да, похоже на то.

И вот вариант 3 - самый свежий:

гигант мысли
Группа: Участники
Сообщений: 6778
Добавлено: 30-07-2016 02:47
Александр , правильно понимаю, что судя по транзисторам (КТ825 и КТ827), стабилизаторы есть по "плюсу" и по "минусу"? Если еще их "не пристроили" , попрошу у Вас по штучке отложить, до лучших времен (в смысле пересыла)...

гигант мысли
Группа: Участники
Сообщений: 6778
Добавлено: 30-07-2016 03:01
Если не затруднит, сделайте фото задней стенки с зав. номером и годом выпуска, ув. ГТ906 ...

Ув. ГТ906 , как с моей просьбой сделать фото? Получится-нет?

гигант мысли
Группа: Участники
Сообщений: 5744
Добавлено: 31-07-2016 02:10
Если еще их "не пристроили" , попрошу у Вас по штучке отложить, до лучших времен (в смысле пересыла)...

К сожалению, все это не мое - изделия ушли на алюминий и драгмет коллеге по работе. Я лишь снимки сделал...

гигант мысли
Группа: Участники
Сообщений: 6778
Добавлено: 31-07-2016 02:13
Ясно...Житейские дела ...

магистр
Группа: Участники
Сообщений: 1411
Добавлено: 31-07-2016 18:44
Внесу свои "пять копеек" в "свалочную тему"
Свалки, они как известно, бывают разные...Вот например пойдешь утром на работу, мусор по пути выбрасывать, и находишь разное:




Бывает, правда, несколько интересней:


А бывают свалки совсем иного порядка...огороженные забором с контрольно-следовой полосой, камерами, вооружённой охраной и весьма нерегулярными патрулями..просто за нахождение на территории можно в лучшем случае словить неслабых люлей, ну или предупредительный выстрел в зад, и вовсе не солью ...Тут уж все зависит от наглости. Или наличия денег и соответствующих знакомств. Или, по старой русской традиции, где-то рядом с проходной есть "народная дырка"...Но там совсем всё по-другому. Например так:



...правда, и на таких свалках иногда попадается продукция бытового назначения. Например, счётчики денег. Но выглядит всё это тоже неплохо (модель одна и та же, различие- в месяце !!! выпуска).


мастер
Группа: Участники
Сообщений: 773
Добавлено: 01-08-2016 11:29
Вчерашни находки.

мастер
Группа: Участники
Сообщений: 773
Добавлено: 01-08-2016 11:44
Если не затруднит, сделайте фото задней стенки с зав. номером и годом выпуска, ув. ГТ906 ...

Ув. ГТ906 , как с моей просьбой сделать фото? Получится-нет?


гигант мысли
Группа: Участники
Сообщений: 6778
Добавлено: 01-08-2016 11:51
Спасибо, ув.ГТ906 . Как и ожидал, прибор из "ранних", под номером 0775, из первой тысячи...

гигант мысли
Группа: Участники
Сообщений: 6778
Добавлено: 02-08-2016 06:36
Чистили склад...
- здесь приглянулся клеммник с разноцветными клавишами...
- платы от телефонной станции, может, РЭС-9 пригодятся...Черный налет - сажа после пожара ...

гигант мысли
Группа: Участники
Сообщений: 4878
Добавлено: 02-08-2016 14:05
Чистили склад...
- здесь приглянулся клеммник с разноцветными клавишами...

Похоже это звуковой усилитель класса D. Интересно что-за микросхема многовыводная в центре и под радиаторами что?

знающий
Группа: Участники
Сообщений: 382
Добавлено: 02-08-2016 14:12
Похоже это звуковой усилитель класса D. Интересно что-за микросхема многовыводная в центре и под радиаторами что?

Под радиаторами походу микросхемы ШИМ на 5+1 канал, за ними дроссели. Очень похожие платы видел в DVD плеерах и ресиверах.

гигант мысли
Группа: Участники
Сообщений: 6778
Добавлено: 02-08-2016 14:25
Открутил радиатор, вот:

гигант мысли
Группа: Участники
Сообщений: 4878
Добавлено: 02-08-2016 14:53
Точно импульсный усилитель. Каждая микросхема под радиатором STA505 это выходной усилитель 50+50W. Можно ещё узнать какая микросхема квадратная ниже радиаторов рядом с кварцевым генератором стоит? (на фото неразборчиво)

гигант мысли
Группа: Участники
Сообщений: 6778
Добавлено: 02-08-2016 21:27
Вячеслав , завтра сделаю, плата на работе.

гигант мысли
Группа: Участники
Сообщений: 6778
Добавлено: 03-08-2016 09:54
Вячеслав , ловите :

гигант мысли
Группа: Участники
Сообщений: 5086
Добавлено: 03-08-2016 14:20
Вячеслав, ловите

PS9702B + STA505 это попытка сделать D-усилитель немного качественнее. Но не совсем удачная. Pulsus вроде даже разорилась.
На мой взгляд вся беда в том, что разработчики Pulsus не понимали до конца, что они делают и для кого. Неправильное позиционирование своего места на рынке. Да что говорить про Pulsus, когда даже зубры типа TI тоже ошибаются в подобных расчетах. Лет 10-15 назад казалось, что с D-усилителями все ясно; увеличивай разрядность и частоту семплирования и качество будет возрастать линейно. Это, конечно, верно, но до определенного предела, который давно уже пройден. Сегодня пришло осознание того, что казавшиеся второстепенными моменты, на самом деле очень важны. И главный момент это размер рынка под качественный D-усилитель. А рынок этот небольшой и гиганты не могут там прокормиться при существующей модели развития. А у мелкоты не хватает широты кругозора и возможностей для решения чисто технических проблем связанных с построением качественного D-усилителя, тем более, что это связано с существенным изменением сложившейся парадигмы. Изменение парадигмы дело медленное и скорее коллективное, так что нескольким мелким компаниям оно не под силу. Что мы и видим. Разоряются или с трудом сводят концы с концами.

знающий
Группа: Участники
Сообщений: 320
Добавлено: 06-08-2016 21:01
принесли вот такие платы со свалки, сказали от мед. оборудования




знающий
Группа: Участники
Сообщений: 320
Добавлено: 06-08-2016 21:02




знающий
Группа: Участники
Сообщений: 320
Добавлено: 06-08-2016 21:03




пришел поспрашивать
Группа: Участники
Сообщений: 37
Добавлено: 07-08-2016 19:10
Неопознанный ПК лежал с монитором-"колокольчиком", МС-6501. Металлический корпус, но внутри не XT-совместимая система, как думалось по двум дисководам, а нечто на КР580ВМ80А (хотя самого процессора нет). Явно заводского исполнения, разъёмы отечественные, провода МГТФ, БП импульсный, но как-то всё несерьезно и небрежно.











Интересный резонатор на 12МГц в углу платы, в стеклянном корпусе.

вошел во вкус
Группа: Участники
Сообщений: 242
Добавлено: 07-08-2016 21:06
Что-то он мне напоминает компьютер КОРВЕТ, по крайней мере компоновка вроде такая же была. С двумя дисководами по 362кб.

Был он у меня когда-то в начале 90-х годов. Сам он конечно давно сгинул в пучине годов, а вот матричный принтер от него Epson LX-800 до сих пор лежит на полке. Выкинуть его рука не поднимается. :-)

пришел поспрашивать
Группа: Участники
Сообщений: 37
Добавлено: 08-08-2016 05:43
Да, про "Корвет 8020" во вторую очередь подумал, но у того "мозги" были в клавиатуре, а в корпусе только блок дисководов и БП. А здесь, насколько понимаю, все на одной плате, внутри корпуса.

знающий
Группа: Участники
Сообщений: 345
Добавлено: 08-08-2016 06:35
интересно, разъемы IN/OUT случайно не кривое подобие МИДИ? наличие ВВ51 как бы намекает на возможность. а вообще может имеет смысл вставить проц и включить его? (ВМ80, ВМ85 или Z80 можно вполне по разводке определить). наверняка там какой то монитор прошит и напишет свое название

PS: ну это точно не Корвет 80xx и даже не похожее на него. возможно какой-то очередной кооперативный прототип

пришел поспрашивать
Группа: Участники
Сообщений: 30
Добавлено: 08-08-2016 09:58
ВГ-шка, РУ-шки... может, это что-то Спектрум-подобное?

знающий
Группа: Участники
Сообщений: 345
Добавлено: 08-08-2016 14:50
для прошивки спектрума РФ2 слишком мало будет) вторая РФ-ка там и вовсе знакогенератор похоже, судя по надписи. скорее это на своеобразный вариант "Специалиста" или Радио-86РК смахивает

Гость
Добавлено: 08-08-2016 23:13
Чистили склад...
- здесь приглянулся клеммник с разноцветными клавишами...

Похоже это звуковой усилитель класса D. Интересно что-за микросхема многовыводная в центре и под радиаторами что?


Разбирал такой - что-то 508 было - даже даташит находил. Технически 4 МОП полумоста в корпусе с драйверами и термозащитой (возможно включение 2мя мостами). И ШИМила их большая многоногая микруха ниже, на которую видимо приходили аналоговые сигналы. С клеммниками аккуратнее - они вогнаны в отверстия очень плотно - с нагревом выдрать мне не удалось - поплыли. Надо пилить плату на "островки" по 1-2 вывода и снимать аккуратно частями.

гигант мысли
Группа: Участники
Сообщений: 5086
Добавлено: 09-08-2016 00:00
Технически 4 МОП полумоста в корпусе с драйверами и термозащитой (возможно включение 2мя мостами). И ШИМила их большая многоногая микруха ниже, на которую видимо приходили аналоговые сигналы.

Схема у этой штуки типовая и неинтересная. Все согласно даташитам. Действительно, самая ценная часть это клеммники.

мастер
Группа: Участники
Сообщений: 773
Добавлено: 09-08-2016 14:54
вот выходные припер плат со свалки,


мастер
Группа: Участники
Сообщений: 773
Добавлено: 09-08-2016 21:22

гигант мысли
Группа: Участники
Сообщений: 4411
Добавлено: 09-08-2016 23:18
Вот это бомжи! моторизованные, как немцы в 41-м.
Только удивительно, на вентилятор не позарились, меди мало или сталь не та.

Гость
Добавлено: 10-08-2016 17:52

Часто нахожу платы вот в таком состоянии, на поверхности видны разводы. Чем их смыть??? Не одно стандартное моющее средство не берет эту заразу...

администратор
Группа: Администраторы
Сообщений: 8045
Добавлено: 10-08-2016 18:07

Часто нахожу платы вот в таком состоянии, на поверхности видны разводы. Чем их смыть??? Не одно стандартное моющее средство не берет эту заразу...

Я отмываю ацетоном.

администратор
Группа: Администраторы
Сообщений: 8045
Добавлено: 10-08-2016 18:08

Часто нахожу платы вот в таком состоянии, на поверхности видны разводы. Чем их смыть??? Не одно стандартное моющее средство не берет эту заразу...

Я отмываю ацетоном.

гроссмейстер
Группа: Участники
Сообщений: 1120
Добавлено: 10-08-2016 19:59
Можно попробовать средством для мытья стекол. В нем композиция спиртов.

вошел во вкус
Группа: Участники
Сообщений: 276
Добавлено: 10-08-2016 20:29
Большинство бытовых моющих средств - щёлочь разной степени pH
А отложения на плате - соли металлов. Для их удаления нужна кислая среда.
Попробуйте уксус или разбавленную до 7% солянку (она в продаже 15 и 20 %)
Бывают и кислотные бытовые очистители, смотреть с pH менее 5

магистр тайных сил
Группа: Участники
Сообщений: 1557
Добавлено: 11-08-2016 11:35

Интересный прибор. Впервые вижу применение вентилятора ДВО-1-400


Что это, генератор СВЧ ?

гигант мысли
Группа: Участники
Сообщений: 4411
Добавлено: 11-08-2016 12:15
это высокочастотная нагрузка с охлаждением, в отводе детектор 6Д16Д. По сути, это измеритель импульсной мощости в дециметровом диапазоне.

пришел поспрашивать
Группа: Участники
Сообщений: 41
Добавлено: 11-08-2016 17:37
вот выходные припер плат со свалки,


блоки от радиостанции Баклан

магистр
Группа: Участники
Сообщений: 1411
Добавлено: 11-08-2016 20:22
Точнее говоря, блок синтезатора частоты

знающий
Группа: Участники
Сообщений: 320
Добавлено: 11-08-2016 23:35
немного добра




знающий
Группа: Участники
Сообщений: 320
Добавлено: 11-08-2016 23:35




мастер
Группа: Участники
Сообщений: 790
Добавлено: 12-08-2016 07:46
вот выходные припер плат со свалки,

блоки от радиостанции Баклан

Да.. те наши свалки на которые я могу пробраться - куда скромнее представленных выше!
Но и у меня иногда бывают небольшие приятные сюрпризы!
Вот улов с одной из последних "экспедиций": кучка всякого разного, среди которого попалось и несколько интересных "экспонатов".


Экспонат - №1)
Плата индикации от ЭКВМ "Искра-110". (1975 год)


Экспонат - №2)
Некий загадочный герметичный "бочёнок", с маркировкой "П140-2" . Интересно что Гугл ничего о бочёнке подсказать не смог, наверное деталька действительно не частая. Жаль что "бочёнок" попался в единственном экземпляре, а то бы уже один вскрыл чтобы самому глянуть чё там внутри!



администратор
Группа: Администраторы
Сообщений: 8045
Добавлено: 12-08-2016 08:54

Некий загадочный герметичный "бочёнок", с маркировкой "П140-2" . Интересно что Гугл ничего о бочёнке подсказать не смог, наверное деталька действительно не частая. Жаль что "бочёнок" попался в единственном экземпляре, а то бы уже один вскрыл чтобы самому глянуть чё там внутри!



На 99% там внутри банальный трансформатор. Мультиметр Вам в помощь.

магистр тайных сил
Группа: Участники
Сообщений: 1557
Добавлено: 12-08-2016 09:34

Некий загадочный герметичный "бочёнок",


Логотип интересный. Наверняка какой-нибудь Волжский авиационный
завод в Рыбинске или Самаре

гигант мысли
Группа: Участники
Сообщений: 4411
Добавлено: 12-08-2016 16:41
Некий загадочный герметичный "бочёнок", с маркировкой "П140-2"
Не одного Вас занимает этот вопрос .
Происхождение скорее всего какая-то аппаартура передачи данных.

мастер
Группа: Участники
Сообщений: 790
Добавлено: 12-08-2016 17:30
mretro, Bob, Pedro, - Спасибо!
Я как только взял "бочёнок" в руки, то сразу было ощущение что это какое-то "моточное изделие"! Удивила только необычная как для таких изделий маркировка, и тщательность изготовления напоминающая известные военные "изделия повышенной ответственности".

А логотип и в правду вызывает "водные ассоциации"! ) Похоже на стилизированный кораблик с тремя парусами.
Такого кажется нету даже в каталоге уважаемого kolbasNIC-а.

Ну а по приведённой уважаемым Pedro ссылке, автор действительно как там написано - "фотографировал паяльником"!
Не разобрать ни маркировки ни децимала ни логотипа! Хотя кажется логотип отличается от того что на моём.

Гость
Добавлено: 13-08-2016 00:56
Я не буду тягаться с нашим военным экспертом (Pedro) по происхождению неких и всяких не известностей из области радиэлектроники.
Но вот именно этот латунный экран (меня уверяли на 100%) стоял на быстролетающем сигарообразном аппарате. Я его и сфотографировал только из-за того, что этот индекс у меня только в единственном экземпляре, если не считать точно такого-же трансформатора, что показывал ув.коллекционер.
И таки да, внутри был трансформатор.

ув. vodoley ,а можно еще одну фоточку ЭКВМ "Искра-110"с номерком в углу платы.

мастер
Группа: Участники
Сообщений: 790
Добавлено: 13-08-2016 02:02
Наверняка какой-нибудь Волжский авиационный
завод в Рыбинске или Самаре

Но вот именно этот латунный экран (меня уверяли на 100%) стоял на быстролетающем сигарообразном аппарате.

Вот не зря ув. Bob "интуитивно" упомянул авиазаводы!
По сокращенному запросу "Трансформатор РЮ4", Гугл выдал ссылку на вот такую книжечку - http://aviadocs.com/RLE/Yak-40/CD1/Albomi/Yak_40_AS_kn_2.pdf

ув. vodoley ,а можно еще одну фоточку ЭКВМ "Искра-110"с номерком в углу платы.

Robiton, на здоровье! - http://itmages.ru/image/view/4725655/04b4ccfd

гигант мысли
Группа: Участники
Сообщений: 4878
Добавлено: 13-08-2016 09:53
По сокращенному запросу "Трансформатор РЮ4", Гугл выдал ссылку на вот такую книжечку - http://aviadocs.com/RLE/Yak-40/CD1/Albomi/Yak_40_AS_kn_2.pdf

Думаю этот документ ошибочен, при визуальном поиске не найден никакой трансформатор с индексом РЮ4ххххх, а при поиске встроенном в Acrobat Reader выдает "Р104"...

Гость
Добавлено: 13-08-2016 23:55
ув. vodoley ,а можно еще одну фоточку ЭКВМ "Искра-110"с номерком в углу платы.

Robiton, на здоровье! - http://itmages.ru/image/view/4725655/04b4ccfd


Спасибо!
Так для информации выговорюсь. У меня уже картинка в архиве вырисовываеться, что с 1Ц3.031.ХХХ по 1Ц3.051.ХХХ все было отведено под Искру. Еще пару сотен децимальчиков и будет совсем Gut.

магистр
Группа: Участники
Сообщений: 1411
Добавлено: 14-08-2016 01:27

Очень похоже на кусок пульта управления от электроэрозионного станка.

мастер
Группа: Участники
Сообщений: 773
Добавлено: 14-08-2016 12:56
Вчерашний улов содержимое 3х сумок.

гигант мысли
Группа: Участники
Сообщений: 5744
Добавлено: 14-08-2016 14:23
Эх, 201ПН1 было бы крайне интересно вскрыть...

мастер
Группа: Участники
Сообщений: 773
Добавлено: 14-08-2016 16:02

гигант мысли
Группа: Участники
Сообщений: 4878
Добавлено: 14-08-2016 17:18
Эх, 201ПН1 было бы крайне интересно вскрыть...

Сейчас просматриваю фото и захотел тоже про прозекторскую написать, спустился вниз, а Вы раньше меня просмотрели их
Светодиодные матрицы класс! и где такие свалки бывают, да ещё где и мамки с процами?

знающий
Группа: Участники
Сообщений: 345
Добавлено: 15-08-2016 03:49
Вчерашний улов содержимое 3х сумок.


на 2,3,4 фотографиях хорошие платы - от Искры-226. на фото 5 похоже на плату от одного из вариантов терминала ВТА2000

мастер
Группа: Участники
Сообщений: 773
Добавлено: 21-08-2016 12:23
Вчерашний улов содержимое 2х сумок.

мастер
Группа: Участники
Сообщений: 773
Добавлено: 21-08-2016 12:32
часть рассортировал.

гигант мысли
Группа: Участники
Сообщений: 6778
Добавлено: 21-08-2016 17:34
А что это за приборчик рядом с мегомметром на предпоследнем фото? Дозиметр?

вошел во вкус
Группа: Участники
Сообщений: 242
Добавлено: 21-08-2016 17:44
А что это за приборчик рядом с мегомметром на предпоследнем фото? Дозиметр?

По-моему это измеритель мощности излучения.

мастер
Группа: Участники
Сообщений: 810
Добавлено: 21-08-2016 17:45
Это не свалка а какойто бесплатный радио магазин.Все есть и реле и транзисторы резисторы.Мегер вообще бомба.Заменяет три старых мегера.
Интересно сколько сей час стоит реле РЭС8 новое с завода.Наверно с НДС-ом долларов 10 ???

Предположу что мкР/С.Микро Рентген на секунду.

гигант мысли
Группа: Участники
Сообщений: 4878
Добавлено: 21-08-2016 18:33
ДРГ3-01 - сцинтилляционный дозиметр. Дозиметры типа ДРГЗ-01, ДРГЗ-04 позволяют проводить измерения мощности экспозиционной дозы импульсного рентгеновского излучения при длительности импульса не менее 0,5 мкс.

гигант мысли
Группа: Участники
Сообщений: 5744
Добавлено: 23-08-2016 00:35
Пожалуй один из самых странных блоков, который я когда-либо видел.
Может кто встречал и знает, что это и откуда?


вошел во вкус
Группа: Участники
Сообщений: 233
Добавлено: 23-08-2016 02:37
Похоже на блок задания нелинейных коэффициентов от аналоговой ЭВМ.

магистр
Группа: Участники
Сообщений: 1411
Добавлено: 23-08-2016 20:12
Так и есть. Вся его ценность- в прецезионных резисторах.

мастер
Группа: Участники
Сообщений: 810
Добавлено: 23-08-2016 21:48
Кролики это не только ценный мех...
Кроме резисторов "цветняк" и ШР-чик на заднем плане выглядывает.

знающий
Группа: Участники
Сообщений: 345
Добавлено: 24-08-2016 09:41
кому что, а мне тут например отличная коммутационная матрица приглянулась)

гигант мысли
Группа: Участники
Сообщений: 5744
Добавлено: 25-08-2016 00:30
Некая уже частично раздербаненная платка со штампом "МАКЕТ":

гроссмейстер
Группа: Участники
Сообщений: 1009
Добавлено: 25-08-2016 14:35
Неопознанный ПК лежал с монитором-"колокольчиком", МС-6501. Металлический корпус, но внутри не XT-совместимая система, как думалось по двум дисководам, а нечто на КР580ВМ80А (хотя самого процессора нет). Явно заводского исполнения, разъёмы отечественные, провода МГТФ, БП импульсный, но как-то всё несерьезно и небрежно.


А шильдика у этого Микрона нет?

пришел поспрашивать
Группа: Участники
Сообщений: 37
Добавлено: 26-08-2016 07:05
Нет, только под дисководами надпись карандашом 4013.

пришел поспрашивать
Группа: Участники
Сообщений: 37
Добавлено: 27-08-2016 19:26

А это же блок питания/управления от гиротеодолита:


мастер
Группа: Участники
Сообщений: 773
Добавлено: 28-08-2016 20:42
кучка приборов уже неделю загарают на свалке.

мастер
Группа: Участники
Сообщений: 773
Добавлено: 28-08-2016 20:54
Вчерашний улов содержимое 3х сумок.

гигант мысли
Группа: Участники
Сообщений: 4878
Добавлено: 28-08-2016 21:42

В правом верхнем углу плата от мегаомметра ЭС0202

главный по тарелочкам
Группа: Участники
Сообщений: 2542
Добавлено: 28-08-2016 23:24
Вчерашний улов содержимое 3х сумок.

Мда... в институте ремонтировали прибор, понадобилась пара КТ803, едва нашли на рынке. Ещё бы чуть, и продавец их бы утилизировал.

мастер
Группа: Участники
Сообщений: 804
Добавлено: 29-08-2016 02:20
Опасно просто так раскидываться нормальными элементами

А вообще с вашей свалки можно обеспечить радиодеталями не один десяток кружков радиоэлектроники

вошел во вкус
Группа: Участники
Сообщений: 167
Добавлено: 30-08-2016 16:44
Это надо было в советское время,обеспечивать. Сколько лет ,такие кучи деталей,без дела провалялись!

гигант мысли
Группа: Участники
Сообщений: 4411
Добавлено: 30-08-2016 17:36
Вчерашний улов содержимое 3х сумок.

какая-то вещица с надписью РЭП-87, можно ее поподробнее сфотографировать?

мастер
Группа: Участники
Сообщений: 804
Добавлено: 31-08-2016 06:34
Это надо было в советское время,обеспечивать. Сколько лет ,такие кучи деталей,без дела провалялись!

Да многое и сейчас бы пригодилось, мы с коллегой по разным щелям собираем запчасти для кружка в техникуме. Вот в этом году начнем, посмотрим, что получится.

мастер
Группа: Участники
Сообщений: 536
Добавлено: 31-08-2016 08:01
блок питания/управления от гиротеодолита

Не вижу связи между приборами,кроме изготовителя.Основное назначение теодолита-работа в поле (горах).Питание автономное. Есчо можно им гвозди забивать.

гигант мысли
Группа: Участники
Сообщений: 4411
Добавлено: 31-08-2016 10:50
Связь такая, источник питания нужен для питания гиромотора и следящей системы гиротеодолита. Правильно сказано, питание автономное, поэтому в блоке питания трехфазный преобразователь 400 Гц, к тому же с термостатированным задающим генератором. Хорошая вещь для экспериментов, когда требуются 3X400 Гц.
вспомнились практические занятия по гравиметрии.

гигант мысли
Группа: Участники
Сообщений: 5086
Добавлено: 31-08-2016 11:49
вспомнились практические занятия по гравиметрии.

Круто, Рашит.
Но я бы добавил градуса. Например: "Вспомнились практические занятия по левитации" или "Вспомнились практические занятия по деритринитации".

мастер
Группа: Участники
Сообщений: 536
Добавлено: 31-08-2016 18:43
И на каком осле возили батареи и етот блок? . Прибор явно для лаборатории-все элементы управления не имеют брызго/пыле защиты.
Извиняюсь-прибор эксплуатируется в шахтах и тоннелях.

мастер
Группа: Участники
Сообщений: 810
Добавлено: 01-09-2016 17:26
Вчерашний улов содержимое 3х сумок.

какая-то вещица с надписью РЭП-87, можно ее поподробнее сфотографировать?


Присоединяюсь к вопросу про РЭП Скорее всего какоето нестандартное реле.
ГТ906 а потенциометры что не забрали ???Тоже неплохая вещь.
Причем там лежат УПИП в них еще магазин сопротвлений есть.Не только потенциометр как у ПП63.

Да со старыми транзисторами типа 803 и 808 скоро вобще будет туго...
Хоть и мало но они "содержат" да и корпуса медные потом сдают.

Нормальные элементы нужно сдать в специальную утилизацию.Или самому утилизировать.Иначе ртуть попадет в воду и будет много лет травить тех кто ее пьет.А потом спрашивают почему мы болеем.
В домашних условиях при малом количестве ртуть можно нейтрализовать перемешав с порошком серы.




гигант мысли
Группа: Участники
Сообщений: 4878
Добавлено: 01-09-2016 17:51
Раньше у нас в тепловой лаборатории при разбитии ртутного термометра, разлитую ртуть собирали залив её хлорным железом (вроде как оно нейтрализует испарение), потом собиралась смесь в банку из под хлорного железа.

мастер
Группа: Участники
Сообщений: 810
Добавлено: 01-09-2016 20:43
Да это тоже вариант.Он более подходит когда ртуть разлилась.
Если она в емкости просто акуратно крошим корпус в емкости с сермым порошком.НО лучше сдадь елемент целым на утилизацию.

зашел на огонёк
Группа: Участники
Сообщений: 1
Добавлено: 01-09-2016 22:06
Вчерашний улов содержимое 3х сумок.

какая-то вещица с надписью РЭП-87, можно ее поподробнее сфотографировать?

Очень похоже на реле РЭП-8Т, авиация.

мастер
Группа: Участники
Сообщений: 773
Добавлено: 04-09-2016 21:50
Вчерашний улов содержимое 1 и сумки.

гигант мысли
Группа: Участники
Сообщений: 6778
Добавлено: 04-09-2016 22:09
На последнем фото какой-то микроскоп?
Ув. ГТ906, если можно, сделайте крупным планом фото головки прибора УПИП-60М (2-е фото).

гигант мысли
Группа: Участники
Сообщений: 4878
Добавлено: 04-09-2016 22:42
На последнем фото какой-то микроскоп?

В середине, возле подложки написано Р11У42 и серийный номер.

пришел поспрашивать
Группа: Участники
Сообщений: 37
Добавлено: 05-09-2016 06:55
На последнем фото какой-то микроскоп?

Обычный "Биолам", пр-во ЛОМО. Выпускается практически без изменений десятки лет, сейчас под названием "Микмед".

пришел поспрашивать
Группа: Участники
Сообщений: 83
Добавлено: 05-09-2016 10:23
А что такое "ЛОГАРИФМ" ? Инет молчит.какой то преобразователь по типу "шнура" или " шептала"?

Оказалось что это изделие для штирлицев "Радиостанция спецслужб СССР. 1974г. " Здесь посмотрел. http://www.oldradio.cqham.ru/secret/Logarifm.html Странно что на свалке. Вот оно какое "Изделие Логарифм."


гигант мысли
Группа: Участники
Сообщений: 6778
Добавлено: 05-09-2016 10:31
На последнем фото какой-то микроскоп?

Обычный "Биолам", пр-во ЛОМО. Выпускается практически без изменений десятки лет, сейчас под названием "Микмед".

Спасибо, ув. uh9lab .

мастер
Группа: Участники
Сообщений: 773
Добавлено: 05-09-2016 21:45
На последнем фото какой-то микроскоп?
Ув. ГТ906, если можно, сделайте крупным планом фото головки прибора УПИП-60М (2-е фото).



гигант мысли
Группа: Участники
Сообщений: 6778
Добавлено: 06-09-2016 07:43
Спасибо, ув. ГТ906 , интересный гальванометр.Вот что пишут:
"Конструкция гальванометра М274/1 содержит неподвижную катушку с током и подвижный магнит.
Гальванометр М274/1 з такой конструкцией отличается большей простотой и отсутствием проблемы подведения тока к подвижной катушке"
Жаль, что угол отклонения стрелки маловат, а то бы пришлось у Вас его попросить ...

мастер
Группа: Участники
Сообщений: 810
Добавлено: 06-09-2016 10:31
"Маловат" потому что он не предназначен для измерения тока.
А служит для точного указания его отсуствия.
Его основная характеристика это ток при котором стрелка отклонится на одно деление.
В данном случае 4.5*10-7.А/дел.
Есть самостоятельный прибор М2031/2.1 у него эта величина
1.0*10-7А/дел.
Т.е. при протекании через него такого малого тока стрелка должна отклониться от нуля на одно деление.

ГТ.906 а реле с маркировкой "РЕП" можно тоже более подробно пофотографировать.
На форуме есть тема и коллекционеры редких реле.

гигант мысли
Группа: Участники
Сообщений: 5744
Добавлено: 08-09-2016 19:30
Прецизионный ВВ делитель напряжения.
Построен на резисторах С2-29В-2. Верхнее плечо 20 х 499к, нижнее 1 х 499к.


гигант мысли
Группа: Участники
Сообщений: 5744
Добавлено: 10-09-2016 19:27
Остатки чего-то лампового:




мастер
Группа: Участники
Сообщений: 773
Добавлено: 11-09-2016 20:21
Вчерашний улов.

магистр тайных сил
Группа: Участники
Сообщений: 1808
Добавлено: 11-09-2016 21:02
Хороший улов уважаемый ГТ906 .Впрочем как всегда.Там у вас кажется радиоприёмник АЭЛИТА РП-215.У Харченко на сайте этой модели нет.Есть только РП-216.Интересно внутренности посмотреть.

мастер
Группа: Участники
Сообщений: 773
Добавлено: 11-09-2016 21:44

гигант мысли
Группа: Участники
Сообщений: 8494
Добавлено: 14-09-2016 16:32

Некий загадочный герметичный "бочёнок",
...
Логотип интересный. Наверняка какой-нибудь Волжский авиационный
завод в Рыбинске или Самаре

Вроде бы питерский НИИ электротехнических устройств.

мастер
Группа: Участники
Сообщений: 810
Добавлено: 14-09-2016 16:56
Интерестно такие приборы делают прямо на этих же заводах отдельные цеха или по их заказу разрабатывают и делают прециализированные предприятия изготавливающие электронику.

мастер
Группа: Участники
Сообщений: 773
Добавлено: 18-09-2016 19:23
Вчерашний улов содержимое 3х сумок.


мастер
Группа: Участники
Сообщений: 542
Добавлено: 18-09-2016 19:38
Хотел бы я платку с 1806ВМ2.

мастер
Группа: Участники
Сообщений: 810
Добавлено: 18-09-2016 21:48
С такой свалкой и при самостоятельной переработке и на работу ходить не нужно.

гигант мысли
Группа: Участники
Сообщений: 5744
Добавлено: 18-09-2016 23:01
Хотел бы я платку с 1806ВМ2.

Интересно, от чего она?
Часть микрух гражданские, часть ВП, пара вообще ОСМ

гигант мысли
Группа: Участники
Сообщений: 4411
Добавлено: 19-09-2016 10:46
Интересно, от чего она?Часть микрух гражданские, часть ВП, пара вообще ОСМ
Это от аппаратуры высокочастотной защиты ЛЭП.
Свердловск город большой, на начало 90-х, что было то и ставили, бо основной спрос упал, а привычки остались.

мастер
Группа: Участники
Сообщений: 773
Добавлено: 25-09-2016 20:12
Вчерашний улов содержимое 2 х сумок.

пришел поспрашивать
Группа: Участники
Сообщений: 30
Добавлено: 26-09-2016 02:25


Эх, ОМЛ... Хорошая находка :) Когда-нибудь сбудется моя мечта и у меня такой появится.

гигант мысли
Группа: Участники
Сообщений: 6778
Добавлено: 26-09-2016 05:30
Вчерашний улов содержимое 2 х сумок.

Есть такой 8-ми битный микроконтроллер АТ89С52 24РС :

Вот 7-ми сегментные индикаторы хороши...Судя по спичечному коробку, цифры сантиметров 10-ть... Интересно, цвет свечения какой...

мастер
Группа: Участники
Сообщений: 810
Добавлено: 26-09-2016 20:20
Судя по кварцу и батареям резервного питания и точкам это часы скорее всего совмещенными с термометрами.А корпус был ?

пришел поспрашивать
Группа: Участники
Сообщений: 83
Добавлено: 27-09-2016 10:41
Интересный милитаризованный радиоприемник на снимках, никогда не встречал. Что то среднее между ишимами и интегралом. Кто может подскажет ?

гигант мысли
Группа: Участники
Сообщений: 4411
Добавлено: 27-09-2016 10:45
Интересный милитаризованный радиоприемник на снимках, никогда не встречал
радиоприемник Интеграл

пришел поспрашивать
Группа: Участники
Сообщений: 83
Добавлено: 27-09-2016 22:06
Спасибо. Он и есть. Кто то сильно изуродовал неплохую вещь.

мастер
Группа: Участники
Сообщений: 773
Добавлено: 27-09-2016 22:07
Вчерашний улов содержимое 2 х сумок.

Есть такой 8-ми битный микроконтроллер АТ89С52 24РС :

Вот 7-ми сегментные индикаторы хороши...Судя по спичечному коробку, цифры сантиметров 10-ть... Интересно, цвет свечения какой...


вот одни часы запустил взял б.п от двд шки.


мастер
Группа: Участники
Сообщений: 810
Добавлено: 27-09-2016 22:45
Эсли идут и все нормально непонятна причина утилизации...
Кто знает что за часы такие киньте ссылку на целый екземпляр.

гигант мысли
Группа: Участники
Сообщений: 6778
Добавлено: 27-09-2016 23:12
вот одни часы запустил взял б.п от двд шки.

Ну что сказать, прекрасно! И цифры большие...

мастер
Группа: Участники
Сообщений: 773
Добавлено: 28-09-2016 00:24
Эсли идут и все нормально непонятна причина утилизации...
Кто знает что за часы такие киньте ссылку на целый екземпляр.

причин могут разные быт либо сдох блок питания или закрылся офис.

что за часы сам не знаю досалес бес корпусов просто нашел три платы одна поломана была.

гигант мысли
Группа: Участники
Сообщений: 5744
Добавлено: 01-10-2016 12:27
Пара импортных платок. Одна японская, вроде вроде немецкая...


главный по тарелочкам
Группа: Участники
Сообщений: 2542
Добавлено: 02-10-2016 16:15
Пульт от ДВК

Был взят из-за кнопок ПКБ9-1

гигант мысли
Группа: Участники
Сообщений: 5744
Добавлено: 04-10-2016 15:28
К сожалению уже почти пустой, полагаю, что измерительный, усилитель мощности НЧ модели 2706 крайне солидной в области звука фирмы bruel & kjaer, Дания.




гигант мысли
Группа: Участники
Сообщений: 4878
Добавлено: 04-10-2016 16:43
Применялся в комплексе для исследования вибрации
https://www.atecorp.com/ATECorp/media/pdfs/data-sheets/Bruel-Kajaer-2706_Datasheet.pdf
http://www.ebay.com/itm/BRUEL-KJAER-TYPE-2706-POWER-AMPLIFIER-/231856744892
http://picclick.ca/Bruel-Kjaer-Type-2706-Power-Amplifier-311691866929.html
http://file.scirp.org/Html/14-7701058_40030.htm
Жалко, скорее всего транс на медь пустили, а радиаторы на алюминий
Его можно было в качестве усилителя использовать: 75VA (3 Ом) 10 Гц - 20 кГц +-0,5дБ, 2 Гц - 50кГц +-3дБ, КНИ 0,5%

гигант мысли
Группа: Участники
Сообщений: 5744
Добавлено: 04-10-2016 17:01
Не то слово, как жалко...

гигант мысли
Группа: Участники
Сообщений: 5744
Добавлено: 05-10-2016 18:59
Блок для установки в него других блоков и пристегнутый к нему источник питания модели 2627AV фирмы Endevco, США, вторая половина 70-ых.





мастер
Группа: Участники
Сообщений: 773
Добавлено: 05-10-2016 20:39
Сегодняшний улов.

гигант мысли
Группа: Участники
Сообщений: 6778
Добавлено: 05-10-2016 20:41
PARLAMENT уже был пустой? ...
На 5-м фото микросхемки классные!

гигант мысли
Группа: Участники
Сообщений: 5744
Добавлено: 07-10-2016 12:16
Книжечка


мастер
Группа: Участники
Сообщений: 773
Добавлено: 10-10-2016 19:45
улов содержимое 2 х сумок.
]

гигант мысли
Группа: Участники
Сообщений: 5744
Добавлено: 10-10-2016 22:21
Было бы интересно узнать, что за довольно сложная цифровая плата с ВЛИ...

Гость
Добавлено: 10-10-2016 23:10
По моему это экспозиметр-реле времени для цветной фотопечати было.

гигант мысли
Группа: Участники
Сообщений: 5744
Добавлено: 11-10-2016 12:30
Пара шняжек

Гость
Добавлено: 12-10-2016 02:30
По моему это экспозиметр-реле времени для цветной фотопечати было.

Так точно! "Оптимак ЦФ".

гигант мысли
Группа: Участники
Сообщений: 5744
Добавлено: 14-10-2016 12:12
Остатки некого немецкого прибора 70-ых годов. В толстостенном металлическом цилиндре находится цилиндрический магнит на ленточных пружинах, перемещающийся по оси мимо двух катушек.
Полагаю, что это был прибор для изменения массы или вибраций.


мастер
Группа: Участники
Сообщений: 773
Добавлено: 14-10-2016 17:23
Находки сегодня два мешка плат большинство телевизионное.

гигант мысли
Группа: Участники
Сообщений: 5744
Добавлено: 14-10-2016 17:28
Любопытно, никогда не слышал о КР1441ВИ1...

гигант мысли
Группа: Участники
Сообщений: 4878
Добавлено: 14-10-2016 19:12
Странно, КМОП аналог КР1006ВИ1, аналоги AS7555, ICL7555, KS555, LM7555, LMC555, TS555, UPD555

Гость
Добавлено: 14-10-2016 19:17

Оптрон поменян на наш, или так изначально было??


администратор
Группа: Администраторы
Сообщений: 8045
Добавлено: 14-10-2016 19:35

Оптрон поменян на наш, или так изначально было??


Платка явно китайского производства, а у них можно было встретить компоненты из любой части мира, в том числе и из СССР было их немало.

Гость
Добавлено: 14-10-2016 19:48
Это платка из управления светодиодной бегущей строкой.
На неделе сделаю фото части табло.
Куча бескорпусных светодиодов на платах + матрица из красных сферических линз.

магистр тайных сил
Группа: Участники
Сообщений: 1808
Добавлено: 15-10-2016 00:35
Похоже это от ВЭЛС 51ТЦ-495.


Гость
Добавлено: 15-10-2016 00:56



Ну вот ты и попался "Смоленский аналитприбор" . Индекс ИБЯЛ, можно закрывать.

Гость
Добавлено: 15-10-2016 01:35
Похоже это от ВЭЛС 51ТЦ-495

Порылся в архиве и не нашел плату МДУ-1. этОоо очень,очень подозрительно. Обычно такие платы через меня проходят частенько и я их стараюсь сохранить в архиве для последующих фотоманипуляций.
Зато нашел плату фотоприемника в ред.№3А. Тут как говорят,"почувствуй разницу". Микросхема упакована в керамику, да и фотоприемник другой. Кстати, а кто он или, что он?
ФП-1 ред.№3А
имеем КС1056УП1
фотоприемник?


П.С Извиняюсь, произошла Очепятка. Все таки одно фото на данный момент нашлось.
И эта плата тоже немного отредактирована.
МДУ-1 ред.№2б (буква Б)
имеется КС1560ХА2


Из этих фото уже ничего не выжать. Смотрим на дату фото. Это очень печально, что я тогда многим деталям не придавал значения.

магистр тайных сил
Группа: Участники
Сообщений: 1808
Добавлено: 15-10-2016 02:00
Ув. RobitonУ вас на фото КС1054ХА3 и КС1566ХЛ2 .Такие платы как на фото только у ВЭЛС были.

мастер
Группа: Участники
Сообщений: 773
Добавлено: 16-10-2016 12:07
Вчерашний улов содержимое 3 х сумок.

мастер
Группа: Участники
Сообщений: 773
Добавлено: 16-10-2016 12:13

магистр тайных сил
Группа: Участники
Сообщений: 1808
Добавлено: 16-10-2016 13:24
Уважаемый ГТ906можете по чётче и по крупнее снять микросхемы

TL494 с треугольным логотипом с третей и шестой платы.


главный по тарелочкам
Группа: Участники
Сообщений: 2542
Добавлено: 16-10-2016 15:55
Часть плат выше от ЧПУ что ли ? Стоят КР1801ВП1. А могла бы попасться и плата с микросборкой памяти ЦМД

мастер
Группа: Участники
Сообщений: 810
Добавлено: 16-10-2016 16:05
Что за прибор ???Импортный новый с шнурами и техописанием.

гигант мысли
Группа: Участники
Сообщений: 4878
Добавлено: 16-10-2016 16:42
"The model T477W bonding meter is a precision instrument using digital techniques to identify the integrity of electrical connections by measuring and displaying small values of resistance (less than 2 ohms)."
"Измерительный прибор заземления модели T477W - точный инструмент, используя цифровые методы, чтобы идентифицировать надежность электрических соединений, измеряет и показывает маленькие значения сопротивления (меньше чем 2 ома)."
По сути миллиомметр, имеет пределы 2-20-200-2000 миллиом

вошел во вкус
Группа: Участники
Сообщений: 242
Добавлено: 16-10-2016 16:42
Вчерашний улов содержимое 3 х сумок.

Это какой же, мягко сказать, неумный человек даже патефон на свалку отправил!

мастер
Группа: Участники
Сообщений: 639
Добавлено: 16-10-2016 16:47
А Вы обратите внимание на окружение патефона. Фон как бы намекает на основные интересы населения в целом, какие уж там патефоны.

мастер
Группа: Участники
Сообщений: 810
Добавлено: 16-10-2016 17:07
"The model T477W bonding meter is a precision instrument using digital techniques to identify the integrity of electrical connections by measuring and displaying small values of resistance (less than 2 ohms)."
"Измерительный прибор заземления модели T477W - точный инструмент, используя цифровые методы, чтобы идентифицировать надежность электрических соединений, измеряет и показывает маленькие значения сопротивления (меньше чем 2 ома)."
По сути миллиомметр, имеет пределы 2-20-200-2000 миллиом


Хрен с ним с тем патифоном кто это такой прибор выкинул да еще в полной комплектации???

главный по тарелочкам
Группа: Участники
Сообщений: 2186
Добавлено: 16-10-2016 17:19



главный по тарелочкам
Группа: Участники
Сообщений: 2186
Добавлено: 16-10-2016 17:21




главный по тарелочкам
Группа: Участники
Сообщений: 2186
Добавлено: 16-10-2016 17:23




гигант мысли
Группа: Участники
Сообщений: 5744
Добавлено: 16-10-2016 18:00

Хрен с ним с тем патифоном кто это такой прибор выкинул да еще в полной комплектации???

А меня куда больше удивляет, когда выкидывают платы с тонной драгмета... Это где такие свалки то находятся?..

гигант мысли
Группа: Участники
Сообщений: 5744
Добавлено: 16-10-2016 18:02
Ув. Thin, а пару ГИС 276ФЕ2 у вас как-то возможно заиметь? Есть интерес к вскрытию и публикации тут на форуме

главный по тарелочкам
Группа: Участники
Сообщений: 2186
Добавлено: 16-10-2016 18:06
Я в общем то не против,только надо их выпаять для начала

гигант мысли
Группа: Участники
Сообщений: 5744
Добавлено: 16-10-2016 18:19
Ну не горит, как вам будет удобнее
Напишите мне на почту в профиле, как извлечете пару-тройку данных ГИС. Спасибо заранее!

мастер
Группа: Участники
Сообщений: 790
Добавлено: 16-10-2016 18:19
Часть плат выше от ЧПУ что ли ? Стоят КР1801ВП1.

Так это и есть стандартный комплект системы "НЦ-31" - https://www.olx... platy-novye-chpu-nts31-polnyy-komplekt
http://erabiz.com/market/img/?s=1&f=686&i=3966503_1_238069.jpg

А меня куда больше удивляет, когда выкидывают платы с тонной драгмета...

А меня наоборот, сильно удивило что вышеупомянутые платы, на "золотоносной" свалке ГТ906, и вдруг оказались уже кем-то "обезжиренными"! Это для его краёв - и вправду "уму не постижимо"!

мастер
Группа: Участники
Сообщений: 580
Добавлено: 16-10-2016 22:56
Нашёл недавно платы от старой стиральной машины ничего удивительного кроме одного резистора МЛТ-2 с керамическими трубками на ножках
Хотя производство швейцарское в кантоне Цуг ,откуда взялся этот резюк в схеме непонятно они никогда не применяли советские компоненты.






гигант мысли
Группа: Участники
Сообщений: 7902
Добавлено: 17-10-2016 05:05
если нету следов ремонта и установки этого резистора, значит все же этот резистор поставили при сборке всего изделия. А значит утверждение, что совковые компоненты не применялись, уже имеет исключение из относительного утверждения.

магистр
Группа: Участники
Сообщений: 1411
Добавлено: 17-10-2016 08:25
А если его аккуратно поменяли ?!
Или, даже не совсем чтобы поменяли неисправный- а просто заменили. Большей мощности, например поставили. Или номинал изменили. Керамические трубки использовали от родного резистора.
Плата односторонняя, и это не отечественный "одноразовый" гетинакс. При грамотном подходе следов пайки заметно не будет.
Если присмотреться, он не особо-то на этой плате помещается.

гигант мысли
Группа: Участники
Сообщений: 8494
Добавлено: 17-10-2016 11:55
У меня тоже будет просьба к уважаемому ГТ906 отснять микросхемку получше, с этойплаты:


572ПА-?

И, чистое любопытство, но всё же - что скрыто под радиатором на плате с Ирбисами?

гигант мысли
Группа: Участники
Сообщений: 5744
Добавлено: 17-10-2016 12:04

И, чистое любопытство, но всё же - что скрыто под радиатором на плате с Ирбисами?

Хех, хороший вопрос! У меня он тоже в голове крутится
Может там ГИС какая необычная или тупо диодный мостик...

главный по тарелочкам
Группа: Участники
Сообщений: 2186
Добавлено: 17-10-2016 17:09



мастер
Группа: Участники
Сообщений: 773
Добавлено: 17-10-2016 18:48
У меня тоже будет просьба к уважаемому ГТ906 отснять микросхемку получше, с этойплаты:


572ПА-?

И, чистое любопытство, но всё же - что скрыто под радиатором на плате с Ирбисами?


гигант мысли
Группа: Участники
Сообщений: 6778
Добавлено: 17-10-2016 18:58

А что это было, ув. Thin? Вроде как изоляторы - что-то высоковольтное? И феррит громадный...

мастер
Группа: Участники
Сообщений: 773
Добавлено: 17-10-2016 19:47
Уважаемый ГТ906можете по чётче и по крупнее снять микросхемы

TL494 с треугольным логотипом с третей и шестой платы.



главный по тарелочкам
Группа: Участники
Сообщений: 2186
Добавлено: 17-10-2016 20:56
Не совсем высоковольтное-антенные изоляторы,а ферритовое кольцо 10ВЧ-симетрирующий трансформатор диапазона 20-60МГц 1кВт от Р-161


мастер
Группа: Участники
Сообщений: 840
Добавлено: 17-10-2016 21:07

Thin
А нельзя ли у Вас эти два реле заполучить, или хотя бы одно?

магистр тайных сил
Группа: Участники
Сообщений: 1808
Добавлено: 17-10-2016 22:25
Уважаемый ГТ906можете по чётче и по крупнее снять микросхемы

TL494 с треугольным логотипом с третей и шестой платы.




Спасибо уважаемый ГТ906за фото имс. Интересно чей логотип?.Корпуса похожи на СНГ-шные.

гигант мысли
Группа: Участники
Сообщений: 8494
Добавлено: 18-10-2016 15:50
У меня тоже будет просьба к уважаемому ГТ906 отснять микросхемку получше,


Спасибо!
ПА2 всё-таки. Мне казалось, что нечто менее обычное там

гигант мысли
Группа: Участники
Сообщений: 6778
Добавлено: 19-10-2016 15:56
Преобразователь напряжения ~220В на +/-60В. Не со свалки, но состояние свалочное, хоть до сих пор и работает:


мастер
Группа: Участники
Сообщений: 810
Добавлено: 20-10-2016 04:14
Спасибо уважаемый ГТ906за фото имс. Интересно чей логотип?.Корпуса похожи на СНГ-шные.


Предположу может ГДР.

мастер
Группа: Участники
Сообщений: 773
Добавлено: 20-10-2016 18:34
Сегодня разбомжованый тв Кварц61тц310дп. цветмет ободрали км ки на месте.

гигант мысли
Группа: Участники
Сообщений: 4878
Добавлено: 20-10-2016 18:51
Ув. ГТ906, я написал Вам на почту насчет омметра T477W, нет ответа, посмотрите может в спам попало.

мастер
Группа: Участники
Сообщений: 773
Добавлено: 20-10-2016 19:43
Ув. ГТ906, я написал Вам на почту насчет омметра T477W, нет ответа, посмотрите может в спам попало.


У омметра T477W, был не исправный блок питания заменил предохранитель прибор ожил.


мастер
Группа: Участники
Сообщений: 773
Добавлено: 23-10-2016 19:43
Вчерашний улов.

знающий
Группа: Участники
Сообщений: 320
Добавлено: 23-10-2016 22:01
в нужное время в нужном месте...




знающий
Группа: Участники
Сообщений: 320
Добавлено: 23-10-2016 22:02




знающий
Группа: Участники
Сообщений: 320
Добавлено: 23-10-2016 22:03




знающий
Группа: Участники
Сообщений: 320
Добавлено: 23-10-2016 22:04




знающий
Группа: Участники
Сообщений: 369
Добавлено: 23-10-2016 22:36
Потрясающий редуктор с дифференциальными передачами и весь на шарикоподшипниках! Интересно, что это было "при жизни". Часть какого-нибудь суммирующего устройства?

знающий
Группа: Участники
Сообщений: 320
Добавлено: 23-10-2016 22:47
Потрясающий редуктор с дифференциальными передачами и весь на шарикоподшипниках! Интересно, что это было "при жизни". Часть какого-нибудь суммирующего устройства?

происхождение не известно, достался как есть.

гроссмейстер
Группа: Участники
Сообщений: 1009
Добавлено: 23-10-2016 23:48
А жесткий диск продается?

гигант мысли
Группа: Участники
Сообщений: 6778
Добавлено: 24-10-2016 00:02
Потрясающий редуктор с дифференциальными передачами и весь на шарикоподшипниках! Интересно, что это было "при жизни". Часть какого-нибудь суммирующего устройства?

Да, хороший...Сейчас как раз переделываю намоточный станочек и тоже обратил внимание на этот механизм с кучей шестерёнок и подшипников
...

гигант мысли
Группа: Участники
Сообщений: 5744
Добавлено: 24-10-2016 03:07
Ох, это же наш, полностью (ну почти, кроме двух микрух вроде как) отечественный жесткий диск! Еще и не копаный на драг!
Великолепная находка!

(Сразу несколько новых для себя микросхем на нем открыл - К1102ПД1, К1102АП16, К174УВ5)

пришел поспрашивать
Группа: Участники
Сообщений: 14
Добавлено: 24-10-2016 06:35
Потрясающий редуктор с дифференциальными передачами и весь на шарикоподшипниках! Интересно, что это было "при жизни". Часть какого-нибудь суммирующего устройства?

Похоже на часть вычислителя звездно-солнечного ориентатора БЦ-63.

знающий
Группа: Участники
Сообщений: 320
Добавлено: 24-10-2016 08:11
А жесткий диск продается?

Жёсткий уже ушел

гроссмейстер
Группа: Участники
Сообщений: 1009
Добавлено: 24-10-2016 11:50
Ох, это же наш, полностью (ну почти, кроме двух микрух вроде как)

Угу, еще там чужое двигло ну и еще по мелочи...

мастер
Группа: Участники
Сообщений: 773
Добавлено: 25-10-2016 20:13
Сегодня по дороге кювете.

мастер
Группа: Участники
Сообщений: 810
Добавлено: 25-10-2016 21:21
КВ СВ ДВ УКВ приемник какойто или тюнер? Что за модель?

А на сколько мегабайт винчестер ???

знающий
Группа: Участники
Сообщений: 369
Добавлено: 25-10-2016 23:13
Кстати да, очень интересный радиоприемник. Не помню такого, чтобы рядом на панели была и шкала на ВЛИ и индикация частоты (ну ладно, пусть это часы). А для автомагнитолы мордочка широковата. И это не портативный приемник, в портативные ВЛИ со жрущим накалом не ставились.
---
Хотя нет. Для автомобильного радиоприемника ширина мордочки как раз. И три кнопки - ДВ, СВ, УКВ. Это что-то вроде Тонар РП-201. Какая-то модификация. Может быть, 202
---
Это Тонар РП-303 http://rw6ase.narod.ru/00/awto/tonar_rp303.html

И у него не индикация частоты, а часы

гигант мысли
Группа: Участники
Сообщений: 5744
Добавлено: 26-10-2016 17:26
Блочок


знающий
Группа: Участники
Сообщений: 320
Добавлено: 27-10-2016 23:52
Не зря заехал.




знающий
Группа: Участники
Сообщений: 320
Добавлено: 27-10-2016 23:52



гигант мысли
Группа: Участники
Сообщений: 6778
Добавлено: 28-10-2016 00:40
Разбомбили офис ...

знающий
Группа: Участники
Сообщений: 320
Добавлено: 29-10-2016 19:07
Шел мимо помойки.




знающий
Группа: Участники
Сообщений: 320
Добавлено: 29-10-2016 19:07




знающий
Группа: Участники
Сообщений: 320
Добавлено: 29-10-2016 19:08




знающий
Группа: Участники
Сообщений: 345
Добавлено: 29-10-2016 19:50
вот это шикарная находка

гигант мысли
Группа: Участники
Сообщений: 6778
Добавлено: 29-10-2016 22:53
А что за транс там, ув. cuper, какой-то ТПП?

знающий
Группа: Участники
Сообщений: 320
Добавлено: 29-10-2016 22:56
А что за транс там, ув. cuper, какой-то ТПП?
да ТПП-296

гигант мысли
Группа: Участники
Сообщений: 6778
Добавлено: 29-10-2016 23:01
Хороший транс, вот его данные:
ТПП296 - 127/220 110.0 1.08 10.0 10.0 10.0 10.0 2.65 2.65 2.44
После "1,08", напряжения вторичных обмоток (10 В), а ток 2,65 А...

знающий
Группа: Участники
Сообщений: 320
Добавлено: 29-10-2016 23:16
Хороший транс, вот его данные:
ТПП296 - 127/220 110.0 1.08 10.0 10.0 10.0 10.0 2.65 2.65 2.44
После "1,08", напряжения вторичных обмоток (10 В), а ток 2,65 А...

для лабораторного блока самое то, но в разбор пока не пойдет эта машинка.

гигант мысли
Группа: Участники
Сообщений: 6778
Добавлено: 29-10-2016 23:20
для лабораторного блока самое то, но в разбор пока не пойдет эта машинка.

Да... И сделать его регулируемым по напряжению...

гигант мысли
Группа: Участники
Сообщений: 5744
Добавлено: 30-10-2016 03:32
вот это шикарная находка

А кто-нибудь хоть расскажет, что это такое?

мастер
Группа: Участники
Сообщений: 542
Добавлено: 30-10-2016 03:45
Орион-128 и какой-то мощный питальник.

У меня ТПП297 на столе валяется, тоже с "помойки", а точнее, с выброшенной АВСки.

гигант мысли
Группа: Участники
Сообщений: 6778
Добавлено: 30-10-2016 08:09
У ТПП297 несколько другие значения напряжений и токов...Вот :
ТПП297 127/220 110.0 1.08 9.93 9.93 20.0 20.0 5.05 5.05 1.53

пришел поспрашивать
Группа: Участники
Сообщений: 83
Добавлено: 30-10-2016 10:31
Орион-128 и какой-то мощный питальник.

У меня ТПП297 на столе валяется, тоже с "помойки", а точнее, с выброшенной АВСки.

А что такое АВС - изделие Одесского "Нептуна" ?

гигант мысли
Группа: Участники
Сообщений: 5744
Добавлено: 05-11-2016 03:50
Вот такая ВЧ нагрузка попалась:

мастер
Группа: Участники
Сообщений: 542
Добавлено: 05-11-2016 16:33
А что такое АВС - изделие Одесского "Нептуна" ?


Аппаратура Высокочастотной Связи. Передача телеметрии по подстанциям через провода ЛЭП. Стоечка мне досталась когда-то. Только год назад окончательно разобрал, и это с 12го года.

мастер
Группа: Участники
Сообщений: 580
Добавлено: 06-11-2016 12:47



мастер
Группа: Участники
Сообщений: 773
Добавлено: 06-11-2016 20:50
Вчерашний улов.

пришел поспрашивать
Группа: Участники
Сообщений: 83
Добавлено: 06-11-2016 20:51
Да, авс сильная штука. До сих пор массово в энергетике работают. Одно и трехканальные. КТ 944А в оконечном усилителе нигде дешевле 5000 рублей не встречались.

знающий
Группа: Участники
Сообщений: 320
Добавлено: 06-11-2016 21:24
Ув. ГТ906 а что внутри ингалятора?

мастер
Группа: Участники
Сообщений: 773
Добавлено: 06-11-2016 21:42
Ув. ГТ906 а что внутри ингалятора?



знающий
Группа: Участники
Сообщений: 320
Добавлено: 06-11-2016 23:07
ГТ906 спасибо

Гость
Добавлено: 07-11-2016 01:09
Я думал он посерьезнее, а тут почти как "китайцы". Видел какой-то универсальный УЗ генератор ватт на 200 - там навернуто быыыыыло....

гигант мысли
Группа: Участники
Сообщений: 5744
Добавлено: 07-11-2016 03:03
Остатки неких платок.
Ручечки кажутся уж больно знакомыми...


магистр
Группа: Участники
Сообщений: 1411
Добавлено: 07-11-2016 10:22
Ручки похожи на такие же от ЭВМ "Электроника-100/25".

Гость
Добавлено: 09-11-2016 00:37
Я думал он посерьезнее, а тут почти как "китайцы"

Китайцам думаю, тут до них еще долго с..раться. Эти ребята не пальцем деланные.
Научно-производственное предприятие “Салют”
Продукция так сказать, для "мирных целей."

мастер
Группа: Участники
Сообщений: 810
Добавлено: 09-11-2016 03:47
Нормальный качественый монтаж.У китайцев проводки бы на клею держались и вообще.
А зачем там что то "наварачивать" как я понимаю это генератор ультразвука.Колеблющаяся пластинка в емкости с водой вызывает вылет с поверхности очень мелких капелек жидкости.

Ячейка с РПУ-0 забавная.Первый раз такое вижу.

мастер
Группа: Участники
Сообщений: 713
Добавлено: 09-11-2016 20:43
Ручки похожи на такие же от ЭВМ "Электроника-100/25"

Тоже встречал очень похожие платки от оборудования с такими же ручками и разъёмами.Только начинка ещё попроще-нечто вроде логики на транзисторах и релюхах.Тоже обратил внимание на ручки.На некоторых даже были характерные для ЭВМ обозначения,например И-хх.Но таких было мало,возможно поставили вместо поломанных.А вот в ЭВМ обозначение блоков всегда было выдавлено на ручках.Само оборудование к ЭВМ отношение не имело,хотя и работало под её управлением.

гигант мысли
Группа: Участники
Сообщений: 5744
Добавлено: 10-11-2016 19:01
Некая плата из ГДР:

магистр
Группа: Участники
Сообщений: 1411
Добавлено: 11-11-2016 09:59
"Некая платка",- очень похоже на "кусок" блока управления камерой климатических испытаний.

гигант мысли
Группа: Участники
Сообщений: 5744
Добавлено: 13-11-2016 02:27
Вот такая вот штука:

мастер
Группа: Участники
Сообщений: 773
Добавлено: 13-11-2016 20:49
Сегодняшний улов.

знающий
Группа: Участники
Сообщений: 320
Добавлено: 15-11-2016 22:28
Интересно от чего эта полукруглая плата?




знающий
Группа: Участники
Сообщений: 320
Добавлено: 15-11-2016 22:28



гигант мысли
Группа: Участники
Сообщений: 5086
Добавлено: 15-11-2016 23:50
Интересно от чего эта полукруглая плата?

Классические полужопия. Сложенные как на снимке, образуют полную жопу.

гигант мысли
Группа: Участники
Сообщений: 6778
Добавлено: 16-11-2016 02:21
!

мастер
Группа: Участники
Сообщений: 537
Добавлено: 17-11-2016 23:59
Сегодня принесли, вроде видик:





вошел во вкус
Группа: Участники
Сообщений: 144
Добавлено: 18-11-2016 00:10
Да было такое чудо техники http://rw6ase.narod.ru/00/wideo/elektronika_wm12.html
Много их полегло на поле боя за 46-50. А я вот свои 3шт. храню, они мне душу греют.

Гость
Добавлено: 20-11-2016 01:58
А я вот свои 3шт. храню, они мне душу греют.


А вы бывший Robin ?

Я что-то вам писал - не отвечаете на емейл.

У меня один - когда-то в ранней юности собирал из 3х накрутил ему САР так, что писал и воспроизводил, но только сам и собой записанные кассеты, чужие не приемлил. Оказалось потом, что поддыхал двигатель ВВ - но было поздно - САР была перекручена (без понимания её работы) на 273,5+/-33,7 градуса.

Но храню, надеюсь как-нибудь собраться и настроить, после Э-501-Видео естественно

мастер
Группа: Участники
Сообщений: 537
Добавлено: 21-11-2016 12:09
Ну, такой раздербан хранить незачем, отдельные элементы можно использовать.
Вот еще на кабелях висело:






гигант мысли
Группа: Участники
Сообщений: 5744
Добавлено: 21-11-2016 12:57
Интересно, что такое фвгс-5 и 6? Интернет ничего не знает...

гигант мысли
Группа: Участники
Сообщений: 4411
Добавлено: 21-11-2016 13:15
http://shop.tcnti.ru/Catalog/DocInfo/252019

гигант мысли
Группа: Участники
Сообщений: 8494
Добавлено: 21-11-2016 13:20
Интересно, что такое фвгс-5 и 6? Интернет ничего не знает...

Судя по объявлению, некие запчасти от видеомагнитофона "Топаз" (ВМ-18?)

мастер
Группа: Участники
Сообщений: 537
Добавлено: 21-11-2016 13:57
Интернет гласит: "видеоголовки стирания"

Мне из этих деталек понравился газорезистор ГЗР-2Б, можно попробовать сделать из него гигрометр.

вошел во вкус
Группа: Участники
Сообщений: 144
Добавлено: 21-11-2016 13:58
А вы бывший Robin ?

Ну да, давно хотел собаку поменять. Форум радиотехнический поэтому и привязал (прошлый ник) к названию прибора.Да и кроме этого форума старый ник нигде больше не был, так что немного потерял. Сообщения и статус это дело наживное, главное здоровье в наше время.
А насчет сообщения от вас Володя, что сказать. Последнее с вами общение у меня от 3.11.2016. Проверил спам тоже пусто. Попробуйте еще раз. С некоторыми участниками сессии такое бывало, что связь не всегда корректно устанавливалась. Я не программист и на такие интимные темы ответа не знаю, почему так бывает.
На всякий случай повторю 500-501@mail.ru

мастер
Группа: Участники
Сообщений: 773
Добавлено: 22-11-2016 20:23
Сегодня.

вошел во вкус
Группа: Участники
Сообщений: 144
Добавлено: 22-11-2016 21:59
Нех....во девки пляшут, по четыре(пять) штук в ряд.
Ув. ГТ906, А можно для приличия и контрастности на него поплевать т.к сказать для четкости картинки. В моей фото коллекции нет такого. Ну и номер платки если не затруднит вас.

гигант мысли
Группа: Участники
Сообщений: 6778
Добавлено: 22-11-2016 22:24
Ув. ГТ906 , на первом фото "чьих кровей" будут желтенькие электролиты? И что за радиоэлементы цилиндрической формы с цифрами от 1 до 12 на торце?

гигант мысли
Группа: Участники
Сообщений: 4878
Добавлено: 22-11-2016 22:43
Из серии "не солидно сделано"


мастер
Группа: Участники
Сообщений: 713
Добавлено: 22-11-2016 23:19
Из серии "не солидно сделано"

Что то их много и чернота внутри.Может просто повзрывались?

знающий
Группа: Участники
Сообщений: 369
Добавлено: 22-11-2016 23:53
Обычное дело, подпалился, надоело ему в бухгалтерской машинке дебет с кредитом считать :)

гигант мысли
Группа: Участники
Сообщений: 6778
Добавлено: 23-11-2016 00:11
Да вряд ли подпалился...Наверняка это дефекты при заливке, к примеру, пузырёк воздуха остался...

мастер
Группа: Участники
Сообщений: 810
Добавлено: 23-11-2016 13:53
Это ячейка с калькулятора весом около 20 Кг.Название забыл.
Самое ценное там индикаторы ИН-8.

А драгов становится все меньше.Бабочку "раздраглили" (бабочка (профсленг) перееключатель точек с прибора КСП-4(1-я фотография 3 ряд))Хотя возможно и оставшиеся контакты чем то покрыты.Как правило на заводах их еще поворовали в "лихие 90-е"

вошел во вкус
Группа: Участники
Сообщений: 176
Добавлено: 23-11-2016 16:10
Оператор,Калькулятор "Электроника ДД" http://www.leningrad.su/museum/show_calc.php?n=496

гигант мысли
Группа: Участники
Сообщений: 5744
Добавлено: 23-11-2016 16:22
Эх, а ведь раритет то реальный!

мастер
Группа: Участники
Сообщений: 627
Добавлено: 23-11-2016 16:42
Сегодня на своей)) свалке нашел какие то блоки на них микрухи 224
наверное бывшая радиостанция Лён



мастер
Группа: Участники
Сообщений: 537
Добавлено: 23-11-2016 17:37
Не, на ЛЕН не похоже.

мастер
Группа: Участники
Сообщений: 773
Добавлено: 23-11-2016 20:05
Не, на ЛЕН не похоже.

Это воронежская радиостанция Лён-в

мастер
Группа: Участники
Сообщений: 537
Добавлено: 23-11-2016 20:27
Значит мне не попадалась такая модель.

гигант мысли
Группа: Участники
Сообщений: 5744
Добавлено: 26-11-2016 00:56
Некая платочка:


И просто чутка разного:

гигант мысли
Группа: Участники
Сообщений: 6778
Добавлено: 26-11-2016 03:35
Что за "зверь" 10ВК-101Б, в комплект какого прибора входил?

гигант мысли
Группа: Участники
Сообщений: 5744
Добавлено: 26-11-2016 10:34
Вентиль коаксиальный. Куда входил - не знаю.

гигант мысли
Группа: Участники
Сообщений: 6778
Добавлено: 26-11-2016 12:40
Да что-то данных на него в сети не нашёл...

гигант мысли
Группа: Участники
Сообщений: 5744
Добавлено: 27-11-2016 19:18
Остатки каких-то панелей:

мастер
Группа: Участники
Сообщений: 810
Добавлено: 27-11-2016 19:23
А я как раз два разъема "папы" в эту субботу купил.
Такого типа.Единое информационное поле существует.
Т.к. были мысли раздобыть для них и ответные части.

гигант мысли
Группа: Участники
Сообщений: 6778
Добавлено: 29-11-2016 13:33
Не на свалке, на дальней полке... Выпрямитель от блока питания. Полезная находка, воткну куда-нибудь:

Вот от такого блока питания:

гигант мысли
Группа: Участники
Сообщений: 5744
Добавлено: 29-11-2016 19:09
Некие двусторонние гибкие платы на алюминиевом основании.

Чистые:


И собранная. Маркировка крупных микросхем была затерта.

гигант мысли
Группа: Участники
Сообщений: 6778
Добавлено: 29-11-2016 20:07
Некие двусторонние гибкие платы на алюминиевом основании.
Чистые:

Обычно такие гибкие платы использовались в качестве "материнок".Суть в следующем: в жестком основании (в Вашем случае алюминий) делались прорези, соизмеримые с толщиной вставляемых плат с ламелями, которые как раз и контактировали с ламелями "материнок".Последние генераторы Г4-158 выпускались с такими гибкими "материнками". Была большая экономия на дорогостоящих разъёмах, но качество страдало, увы... Помнится, много было рекламаций по поводу пропадания контактов. Эту "канитель" придумали на заводе им. Фрунзе (г. Горький), так кажется, они были калькодержателями Г4-158.

гигант мысли
Группа: Участники
Сообщений: 5744
Добавлено: 30-11-2016 16:51
Кучка всякой древней ВЧ-СВЧ фигни. По мере разбора буду выкладывать фотки отдельных экземпляров в соответствующие темы.


мастер
Группа: Участники
Сообщений: 773
Добавлено: 04-12-2016 16:38
Вчерашний улов.

гигант мысли
Группа: Участники
Сообщений: 6778
Добавлено: 04-12-2016 16:43
А сквозь сумки ничего не видно ...

мастер
Группа: Участники
Сообщений: 773
Добавлено: 04-12-2016 16:59
А сквозь сумки ничего не видно ...

Следующий раз возьму прозрачные сумки.

гигант мысли
Группа: Участники
Сообщений: 6778
Добавлено: 04-12-2016 17:31
Да нет, получилось так, что Вы еще не загрузили все фото, были только сумки, а я написал... Так что все хоккей!

мастер
Группа: Участники
Сообщений: 773
Добавлено: 04-12-2016 17:35
Да нет, получилось так, что Вы еще не загрузили все фото, были только сумки, а я написал... Так что все хоккей!

Да про сумки пошутил,

гигант мысли
Группа: Участники
Сообщений: 5744
Добавлено: 04-12-2016 18:06
На 11-ом фото определенно вкусная и интересная плата. Похоже, что родом из IBM.

гигант мысли
Группа: Участники
Сообщений: 7902
Добавлено: 04-12-2016 19:25
да, что то похоже на IBM memory board

мастер
Группа: Участники
Сообщений: 773
Добавлено: 04-12-2016 19:53
В нашел центре города возле крупногабаритного контейнера стояло три коробки набиты разными платами и проводами.


гигант мысли
Группа: Участники
Сообщений: 6778
Добавлено: 04-12-2016 20:07
Кто-то серьёзно клепал блочки питания...

мастер
Группа: Участники
Сообщений: 773
Добавлено: 04-12-2016 20:13
Кто-то серьёзно клепал блочки питания...

Кто-то блочки питания на медь пустил корпусов десятка два было.

знающий
Группа: Участники
Сообщений: 345
Добавлено: 05-12-2016 01:29
Вчерашний улов.


это платы от музыкального синтезатора Юность-21

гигант мысли
Группа: Участники
Сообщений: 5744
Добавлено: 05-12-2016 18:43
Вот такие блочки:

Гость
Добавлено: 06-12-2016 00:02
Хорошая штука. Если водится лишнии я-б поменялся-б на что-нибудь.

гигант мысли
Группа: Участники
Сообщений: 5744
Добавлено: 06-12-2016 00:08
Не вопрос. Пишите на почту. У вас как раз блочок вскрытый для меня отложен и вроде что-то еще

гигант мысли
Группа: Участники
Сообщений: 5744
Добавлено: 08-12-2016 17:07
Частично раздербаненный усилитель УПД1-03:


И вот такая неизвестная платка:

гигант мысли
Группа: Участники
Сообщений: 5744
Добавлено: 13-12-2016 16:57
Некий пульт.
Одна кнопка разбита, внутри все предельно просто. Кнопки ПК8.


знающий
Группа: Участники
Сообщений: 345
Добавлено: 13-12-2016 18:41
жаль что неизвестно от чего. а то ищется "пульт оператора" от ИИСЭ2М, неизвестного облика. разъем такой же как тут. производства ВЗЭТ. если нет срочности, пока не разбирайте)
возможно оно к этому => http://s58.radikal.ru/i160/1411/d2/d12c10844aa0.jpg (фото на запрещенном здесь радикале, но не моё, а первоисточник там)

гигант мысли
Группа: Участники
Сообщений: 5744
Добавлено: 13-12-2016 19:08
Сотни две-три + пересылка и он ваш. В любом случае планировал выставлять на коте. Пишите на почту, если что

гигант мысли
Группа: Участники
Сообщений: 6778
Добавлено: 13-12-2016 20:36
Вчерашний улов.

А что за бинокль, ув. ГТ906 ? Скольки кратный?

гигант мысли
Группа: Участники
Сообщений: 5744
Добавлено: 14-12-2016 14:52
Может кто знает, что это могло быть?
Трогать не стал, кто знает, что там прокачивалось по трубкам...


Гость
Добавлено: 14-12-2016 22:54
Смахивает на схему подогрева через проводящую пленку на стекле, а вот внутри могло течь что угодно....

мастер
Группа: Участники
Сообщений: 773
Добавлено: 15-12-2016 19:35
Вчерашний улов.

главный по тарелочкам
Группа: Участники
Сообщений: 2542
Добавлено: 15-12-2016 20:07
Первые фотографии - что это ?

главный по тарелочкам
Группа: Участники
Сообщений: 2186
Добавлено: 15-12-2016 20:18
какой-то авиационный гирокомпас..хотя могу и ошибаться..

мастер
Группа: Участники
Сообщений: 773
Добавлено: 15-12-2016 20:25
Первые фотографии - что это ?

даже не знаю что это было кинескоп был разбитый.

мастер
Группа: Участники
Сообщений: 888
Добавлено: 15-12-2016 20:51
Первые фотографии - что это ?

Похоже, индикатор бортовой РЛС воздушной обстановки с Ил-76:


магистр
Группа: Участники
Сообщений: 1411
Добавлено: 15-12-2016 20:54
Да, это индикатор рлс. Кинескоп- суперортикон.

вошел во вкус
Группа: Участники
Сообщений: 233
Добавлено: 15-12-2016 20:57
Первые фотографии - что это ?

даже не знаю что это было кинескоп был разбитый.

А трубка с электромагнитным отклонением луча. См. катушку с индексом АВ4.791.018

мастер
Группа: Участники
Сообщений: 888
Добавлено: 15-12-2016 20:59
суперортикон.


Вроде, суперортикон это передающая а не индикаторная ЭЛТ, а здесь чистый индикатор РЛС, а не телекамера?

мастер
Группа: Участники
Сообщений: 542
Добавлено: 15-12-2016 22:45
18 или 23ЛМ-какая-то была скорее всего.

мастер
Группа: Участники
Сообщений: 888
Добавлено: 16-12-2016 00:01
А точнее - 13ЛМ6В. Вот он, родимый, попался: Индикатор 2НВ-4 из состава РПСН-3

мастер
Группа: Участники
Сообщений: 694
Добавлено: 16-12-2016 01:43
Вот я на распутье...
То ли в тему про калькуляторы...?

А ладно, раз на свалке, то на свалке.


гигант мысли
Группа: Участники
Сообщений: 5744
Добавлено: 17-12-2016 02:09
Блок БУ1-13.
Интересно, чей на нем логотип?


гигант мысли
Группа: Участники
Сообщений: 6778
Добавлено: 17-12-2016 08:18

Арифмометр ВК-1 производился в городе Пенза на заводе «Счетмаш» в 1950-1960.

Гость
Добавлено: 17-12-2016 11:58
Вчерашний улов.




А нельзя-ли у вас как-то заполучить данное устройство или хотя-б отклоняющую систему отдельно ?

Устройство нужно исключительно для восстановления схем - потому механические части конструкции не нужны.

мастер
Группа: Участники
Сообщений: 888
Добавлено: 17-12-2016 13:02

Кстати, на сайте Сергея Фролова выставлен экземпляр ВК-1, немного отличающийся корпусом. Плюс, там он без части кнопок, а тут все на месте.

гигант мысли
Группа: Участники
Сообщений: 6778
Добавлено: 17-12-2016 15:50
Интересно, у С.Фролова такая информация - "Механический калькулятор, Год выпуска: ..1960..1976..",
но встречал другую (выше писал) - "производился в городе Пенза на заводе «Счетмаш» в 1950-1960."..... Что-то сильно года выпуска разнятся ...



гигант мысли
Группа: Участники
Сообщений: 6778
Добавлено: 17-12-2016 19:49
А что здесь поймешь, кроме резисторов С5-5.....Ну, и видимо, м/схемы 224-й серии...

пришел поспрашивать
Группа: Участники
Сообщений: 85
Добавлено: 17-12-2016 20:32
Вот и я говорю,знать бы,какие они интересны-нужные 224или ещё какие.

гигант мысли
Группа: Участники
Сообщений: 5744
Добавлено: 17-12-2016 21:09
А вот пульты повкуснее
Если кто может опознать - буду благодарен!




гигант мысли
Группа: Участники
Сообщений: 6778
Добавлено: 17-12-2016 21:12
Вот и я говорю,знать бы,какие они интересны-нужные 224или ещё какие.

Это же Ваши пакетики? Так раскройте их, сфоткайте транзисторы, м/схемы, чтобы видны были надписи... А иначе выложенные фото просто не имеют смысла ...

пришел поспрашивать
Группа: Участники
Сообщений: 85
Добавлено: 17-12-2016 21:34
Мои,искал з/ч на бСлаву,нашел ,,коробку,,с этими.вот и спросил интересные- нужные есть? или живодерам отдать.проще пяток другой серий-цифр здесь написать,чем это все,мне сфотать на мой глючный фотопарат.

гигант мысли
Группа: Участники
Сообщений: 6778
Добавлено: 18-12-2016 01:09
Вы что, вопрос не поняли?
Как можно определить, нужное-нет, не зная что там.....
Кот в мешке...

пришел поспрашивать
Группа: Участники
Сообщений: 85
Добавлено: 18-12-2016 16:20
Просто я не думаю,что список редких ширпотребовских МК времен СССР будет больше 10 ка названий,за исключением конечно каких нибудь ВП.

гигант мысли
Группа: Участники
Сообщений: 4878
Добавлено: 18-12-2016 16:24
Разговор ни о чем. Смысл было спрашивать "на глазок", если кроме С5-5 и К224УР3 ничего не видно?

пришел поспрашивать
Группа: Участники
Сообщений: 85
Добавлено: 18-12-2016 21:41
Пластик к273гс1,к237ха5,к2ус371,к237ун1 к2жа371 к237ха1(ха2)в композите к224ен1 к2ус247 223ур3 224ха1б. черные 174пс1 174ун7 ха10 аф5 ха1м 157уд2 ул1а 514ид2 547кп1а 561кп2 кр142ен2б 561кт3 547кп1а кр573рф5

гигант мысли
Группа: Участники
Сообщений: 5744
Добавлено: 19-12-2016 13:48
Остатки корзины от чего-то серьезного вычислительного
Есть подозрение, что все показанные выше пульты были комплектом к данному блоку.
Если кто может опознать, буду благодарен!







пришел поспрашивать
Группа: Участники
Сообщений: 85
Добавлено: 19-12-2016 13:48
Пластик к273гс1,к237ха5,к2ус371,к237ун1 к2жа371 к237ха1(ха2)в композите к224ен1 к2ус247 223ур3 224ха1б. черные 174пс1 174ун7 ха10 аф5 ха1м 157уд2 ул1а 514ид2 547кп1а 561кп2 кр142ен2б 561кт3 547кп1а кр573рф5

Что,Ни кто не скажет?

магистр
Группа: Участники
Сообщений: 1411
Добавлено: 19-12-2016 15:43
Если кто может опознать, буду благодарен!

Некоторое время назад (почти год) имел я возможность разбирать очень аутентичную штуковину. Только без пульта,- его не было. (Ну то есть может он где-то и был, а вот у меня не было). Устройство представляло собой некий контроллер управления ЧПУ-станком опытной разработки для нужд АвтоВАЗа. К нему прилагалась еще одна секция, вроде бы платы ввода/вывода с опторазвязкой. А может частотник. Увы, мне тоже все это досталось уже без плат...(но зато вместе с остатками станка)

А что за измериловка на заднем плане ?!


гигант мысли
Группа: Участники
Сообщений: 5744
Добавлено: 19-12-2016 16:00
Т.е вы хотите сказать, что все показанное есть "некий контроллер управления ЧПУ-станком"?

На заднем плане Измеритель флюктуаций ИФ-1201СА:

магистр
Группа: Участники
Сообщений: 1411
Добавлено: 19-12-2016 16:37
Я думаю, все намного проще. Это универсальный контроллер, который может в том числе, управлять станком с ЧПУ. Или автоматизированной линией контроля параметров микросборок. Задачу определяет память программ. Т.е., что в него запишешь, то он и будет делать.

На заднем плане Измеритель флюктуаций ИФ-1201СА:

Фундаментальное изделие.

мастер
Группа: Участники
Сообщений: 790
Добавлено: 19-12-2016 17:03
На заднем плане Измеритель флюктуаций ИФ-1201СА:

Это где такие аккуратные "свалки" находюЦЦо??
А если серьёзно, то ув. lalka, Вам бы выкладывать свои фото-вопросы в соответствующей ветке: - "Опознаем - прибор, блок, субблок, плату"
А то такими снимками в несоответствующей им "свалочной" теме, вы только лишний раз "нервируете и дезориентируете" "широкую общественность"!


гигант мысли
Группа: Участники
Сообщений: 5744
Добавлено: 19-12-2016 17:38

Это где такие аккуратные "свалки" находюЦЦо??

Пульты и остатки корзины - это действительно со свалки (просто со свалки на работе), а вот про прибор спросили дополнительно, вот я тут и ответил. Прибор ясное дело не на свалке...

мастер
Группа: Участники
Сообщений: 888
Добавлено: 19-12-2016 18:40
Что,Ни кто не скажет?
А что тут скажешь? Массовые микросхемы советского периода. Интерес такие м/с могут представлять только если среди них попадутся необычные производители, ранние года выпуска или необычные варианты корпуса. Вам же предлагали выложить подробные фото.

Просто я не думаю,что список редких ширпотребовских МК времен СССР будет больше 10 ка названий
Ошибаетесь. Такого списка не существует. Для примера того, что может попасться редкого среди обычных советских ширпотребовских м/с почитайте сайт уважаемого Клапауция, он очень увлекательно пишет.

или живодерам отдать
Можно и отдать, если возьмут. Как правило, им такие м/с не интересны.

мастер
Группа: Участники
Сообщений: 810
Добавлено: 19-12-2016 20:33
Странно что самые практичные для дома елементы (вентиляторы ВН2)
Не сняли а выкинули вместе с корпусом.

Если "свалка на работе" то ето скорее всего крупный завод где есть отделы по списанию в задачи которых входит "раздрагливать" изделия перед вывозом в металлолом.Можно у них спросить или походить по цехам может еще где то живые такие блоки работают.

Чайниковый вопрос флюктуация это чего такое ?

гигант мысли
Группа: Участники
Сообщений: 4878
Добавлено: 19-12-2016 22:41
Чайниковый вопрос флюктуация это чего такое ?


Или попроще, хаотичные отклонения от какого-либо уровня напряжения (тока, частоты)

гигант мысли
Группа: Участники
Сообщений: 5744
Добавлено: 20-12-2016 02:08
Странно что самые практичные для дома елементы (вентиляторы ВН2)
Не сняли а выкинули вместе с корпусом.

Так разъемы золотые оставили, а вы говорите вентиляторы

мастер
Группа: Участники
Сообщений: 790
Добавлено: 22-12-2016 16:28
__ Подводя итоги сезона. __
Мои основные находки за осень и начало зимы.
Как не странно, но во время моих "экспедиций" ещё случаются "приятные моменты".
Находки конечно куда более скромные чем те что представлены в теме выше, но в последнее время даже такие, они у нас уже БОЛЬШАЯ радость, и удача! )





пришел поспрашивать
Группа: Участники
Сообщений: 94
Добавлено: 22-12-2016 20:50
Парадный ремень офицера оказался на свалке?

мастер
Группа: Участники
Сообщений: 790
Добавлено: 22-12-2016 22:21
Парадный ремень офицера оказался на свалке?

toleng, а почему Вас это удивляет?
На свалках ещё и не такие "раритеты" валяются! Это я ещё далеко не всё показываю из того что мне попадалось, а в основном только что по теме нашего форума.
Ну а то что доводилось видеть у "хозяев свалок" бомжей - то даже не поверите если расскажу!

пришел поспрашивать
Группа: Участники
Сообщений: 94
Добавлено: 22-12-2016 23:15
Я не о раритетности, я о совести выбросившего ...

магистр
Группа: Участники
Сообщений: 1411
Добавлено: 22-12-2016 23:31
Ну а то что доводилось видеть у "хозяев свалок" бомжей - то даже не поверите если расскажу!

Ну почему не поверим... Вполне себе.Ящик новых реле РЭС-7. 23кг весом. Давно это было...

...в середине "нулевых" у нас на одной из кафедр института (СГАУ, г.Самара), выбрасывали всякий хлам с подвала. Ну как выбрасывали,- все это формально надо было сдать на дм по списанию. С этим было строго. Почти... Подвал периодически затопляло, а когда не затопляли, его в поисках пропитания и защиты посещали местные крысы, которых травили в столовой и общежитиях. И с тем и с другим боролись, иногда даже успешно.

Моя генеральная задача, за некоторое количество "окончательно сгнившего" , состояла все это отсортировать и подготовить к процессу "в последний путь".
Основную массу барахла составлял ЗИП к ЕС ЭВМ, не помню какой именно,- ТЭЗы на м/с 500 серии с очень правильными разъемами СНП. "Сгнившими полностью" с моей лёгкой руки оказались питатели и блоки ОЗУ в полном составе с микросхемами 565ру3. Остальное, увы, пришлось отдать. Но суть не в том.

И среди всего этого, слегка пованивающего крысиным пометом оборудования, так сказать, лежал ящик. Полностью забитый тряпками и болтами. За годы лежания "в сложных условиях" все это превратилось в единую массу. Тяжелую. Грузить ее в мусорный грузовик было очень неудобно. В общем, довёз меня грузовик до дома, а мусор повез дальше на свалку.

А тут выходные. И решил я навестить свалку. Местный свалочный народ за денежку, малую и не очень, собирал для меня электронику. Ну насколько разбирались,- настолько и собирали.
Приехал в общем я туда, и узрел ранее погруженный мною хлам с подвала, ну и куда же без него- тот самый ящик. Правда уже пустой. Почти. То что оттуда вывалилось, я сначала принял за кусок говна с алюминием. Стало интересно, как же так. Оказалось это не гавно, а цельное новое реле РЭС-7 в упаковке. По крайней мере так когда-то было. Ну я к местным обитателям, оказалось, они этот ящик заботливо выпотрошили, а остальные реле очистили и приготовили сдать "на люминь". Пришлось покупать. По весу вышло 23кг.

Эти самые РЭС-7 лежали там почти неделю. Почему запомнился именно вес ?!- не каждый день такие "находки" случаются. Своими руками грузил ведь Изделием их назвать было сложно- корпус почти весь сгнил... Такая вот история "без фотографий"

Я не о раритетности, я о совести выбросившего ...

Не стоит так драматизировать. Выбрасывали мусор с какой-нибудь в/ч. Делали уборку, смахнули не глядя все что лежало в ящиках стола,- так бывает. Ремень вполне мог быть к тому времени списан.

гигант мысли
Группа: Участники
Сообщений: 6778
Добавлено: 23-12-2016 07:09
Парадный ремень офицера оказался на свалке?

Как раз живой пример... Вчера несли выбрасывать... Сердце кровью облилось... Дембельский, 22-х летней давности...Забрал...


мастер
Группа: Участники
Сообщений: 810
Добавлено: 23-12-2016 21:31
Есть еще более расшиты.Как шутят в нете мото-швейные войска.
Вообще это от традиций части зависит.В одних увольнялись в запас в новой форме в других наоборот.В старой подчеркивая неуважение ко всему военному форма должна быть выгоревшей без пуговец.Погоны срезались пришивались на две ниточки и по получению военбилета отрывались.

Если я не ощибаюсь то в РЭС7 слонячее содержание драга.
Сейчас бы такой бомж мог бухать целый год за такую коробку реле.Если бы конечно его не кинули и не купили всю коробку за бутылку водки.

vodoley
А что за зеленый цилиндрический блочок на фотографии ?Все опознал кроме него.

мастер
Группа: Участники
Сообщений: 790
Добавлено: 23-12-2016 22:48
А что за зеленый цилиндрический блочок на фотографии ?Все опознал кроме него.

Если речь о том что на фото №5 и 6, то это "2РВМ" - http://ipic.su/img/img7/fs/PA070018.1482518748.jpg


пришел поспрашивать
Группа: Участники
Сообщений: 94
Добавлено: 23-12-2016 23:37
Как раз живой пример... Вчера несли выбрасывать... Сердце кровью облилось... Дембельский, 22-х летней давности...Забрал...


Можно ведь найти более достойное применение своей солдатской форме(внук):



гигант мысли
Группа: Участники
Сообщений: 6778
Добавлено: 24-12-2016 09:06
Ремень тоже есть, слегка натер пастой ГОИ :

мастер
Группа: Участники
Сообщений: 810
Добавлено: 24-12-2016 19:04
А что за зеленый цилиндрический блочок на фотографии ?Все опознал кроме него.

Если речь о том что на фото №5 и 6, то это "2РВМ" - http://ipic.su/img/img7/fs/PA070018.1482518748.jpg


Да именно это изделие.Мне встречалось подобное но в другом корпусе с часовым механизмом.

гигант мысли
Группа: Участники
Сообщений: 5744
Добавлено: 25-12-2016 03:28
Пожалуй один из самых необычных приборов такого типа, что я видел.
Немецкий.
Самое необычное в нем - коммутация цепей осуществляется с помощью ртутных замыкателей, кроватки с которыми приводятся в наклонное положение с помощью системы толкателей и всякой хитрой механики








мастер
Группа: Участники
Сообщений: 810
Добавлено: 26-12-2016 04:24
Кроме дасищъ фантастищъ сказать нечего.Жалко что под разборку пощел.

гигант мысли
Группа: Участники
Сообщений: 5744
Добавлено: 28-12-2016 16:14
РТ-049-А:

гигант мысли
Группа: Участники
Сообщений: 6778
Добавлено: 28-12-2016 16:26
ВеСЧь! (для меня )...

мастер
Группа: Участники
Сообщений: 627
Добавлено: 28-12-2016 16:35
Пожалуй один из самых необычных приборов такого типа, что я видел.
Немецкий.
Самое необычное в нем - коммутация цепей осуществляется с помощью ртутных замыкателей, кроватки с которыми приводятся в наклонное положение с помощью системы толкателей и всякой хитрой механики


У меня дома дверной звонок заводского производств уже лет тридцать, классическое)) блям-блям делает безукоризненно с помощью ртутного замыкателя, правда замыкатель приводится в наклонное положение с помощью электромагнита.

вошел во вкус
Группа: Участники
Сообщений: 178
Добавлено: 28-12-2016 18:23
РТ-049-А:


Впервые вижу применение этого потенциометра не в фотоэкспонометре!

мастер
Группа: Участники
Сообщений: 810
Добавлено: 28-12-2016 21:28
В ранем варианте на радио лампах потенциометр вообще был большой.
На карболите тут уже заменили.

Тут не идет речь о том что ртутные комутаторы не надежны.
И Ваш звонок будет звонить пока сонце не потухнет.
Просто очень необычноая реализация сигнализации в наших приборахподобного типа та же функция реализована более простым способом.
Там скорее приводкоторый их наклоняет раньше выйдет из строя.

гигант мысли
Группа: Участники
Сообщений: 5744
Добавлено: 29-12-2016 00:22
Просто некая платка:

гигант мысли
Группа: Участники
Сообщений: 5744
Добавлено: 30-12-2016 12:47
Остатки корзины, платы из которой я показывал в теме по опознанию.



Ячейка, в которой был просто большой трансформатор для этой корзины. Удивительно, но даже тут поставили позолоченный разъем.


мастер
Группа: Участники
Сообщений: 773
Добавлено: 01-01-2017 21:43
Новогодние подарки.

мастер
Группа: Участники
Сообщений: 810
Добавлено: 01-01-2017 21:50
Нормальненький такой подорок.Приборы приемники рация...
А что за прбор привален с двумя тумблерами и красным индикатором ???

мастер
Группа: Участники
Сообщений: 810
Добавлено: 01-01-2017 21:53
Остатки корзины, платы из которой я показывал в теме по опознанию.
Ячейка, в которой был просто большой трансформатор для этой корзины. Удивительно, но даже тут поставили позолоченный разъем.



Тут как раз нужен хороший контакт.Ток по 5 вольтах не малый что бы не грелись при окислении.

мастер
Группа: Участники
Сообщений: 773
Добавлено: 01-01-2017 22:19

магистр тайных сил
Группа: Участники
Сообщений: 1808
Добавлено: 01-01-2017 22:40
Заметил плату от СОКОЛА-308 с укв блоком на К2ЖА242 и ещё подобный блочёк отдельно похоже на той-же микросхеме. Интересно присутствует ли на микросхемах буква Е.(К2ЖА242Е)


мастер
Группа: Участники
Сообщений: 773
Добавлено: 01-01-2017 22:50
Заметил плату от СОКОЛА-308 с укв блоком на К2ЖА242 и ещё подобный блочёк отдельно похоже на той-же микросхеме. Интересно присутствует ли на микросхемах буква Е.(К2ЖА242Е)


просто К2ЖА242

магистр тайных сил
Группа: Участники
Сообщений: 1808
Добавлено: 01-01-2017 22:51
Спасибо.

вошел во вкус
Группа: Участники
Сообщений: 242
Добавлено: 01-01-2017 23:21
Новогодние подарки.

Нехилый такой подаруночек от деда Мороза! :-)

Правда из всей этой груды лично мне был бы интересен только приемник Казахстан. Нельзя ли на внутренности глянуть?

Ну и, может быть, приемник Кварц-408 для моей небольшой коллекции.

Гость
Добавлено: 02-01-2017 01:02

Остатки концентратора "Автонабор-24"

мастер
Группа: Участники
Сообщений: 810
Добавлено: 02-01-2017 05:21
Интерестный блочок СУФ-42.Может зрительная память подводит но логотипа такого в нашей коллекции нет.
Тему нужно переименововать в запчасти со свалки многие находки можно выгодно продать для ремонта.

вошел во вкус
Группа: Участники
Сообщений: 144
Добавлено: 02-01-2017 20:14

А можно этот блок со всех сторон сфотографировать?

знающий
Группа: Участники
Сообщений: 443
Добавлено: 03-01-2017 01:00
Новогодние подарки.

Р/ст Урожай

мастер
Группа: Участники
Сообщений: 810
Добавлено: 03-01-2017 03:02
Гугл может и врать но по описанию это только сигнализатор уровня дозиметр отдельная история.
http://fryazino.pro/product/avtomaticheskij-signalizator-urovnja-suf-42/

вошел во вкус
Группа: Участники
Сообщений: 176
Добавлено: 03-01-2017 04:01
Внутренности радиоприёмника УС-4П (или его модификаций):

знающий
Группа: Участники
Сообщений: 443
Добавлено: 03-01-2017 10:00
Гугл может и врать но по описанию это только сигнализатор уровня дозиметр отдельная история.

Вы правы, я применил упрощённое "народное" значение термина. Надеюсь, меня чуточку оправдывает то, что все "дозиметры бытовые" производства СССР на самом деле были измерителями мощностями дозы, радиометрами и т.п. Я согласен, что лучше правильно формулировать, но как-то так получается.

Гость
Добавлено: 03-01-2017 15:19

Дозиметр. Ставится на выходе из зоны, например на атомной электростанции.

На атомных станциях такой приблуды небыло

мастер
Группа: Участники
Сообщений: 773
Добавлено: 03-01-2017 16:09

Дозиметр. Ставится на выходе из зоны, например на атомной электростанции.

На атомных станциях такой приблуды небыло


СИГНАЛИЗАТОР УРОВНЯ АВТОМАТИЧЕСКИЙ предназначен для световой сигнализации достижения уровнем осадка или активного ила заданного значения, определенного глубиной погружения датчика и выдачи управляющих команд на включение исполнительных механизмов. Используется для работы во вторичных и третичных отстойниках систем водоочистки водопроводно-канализационных хозяйств и предприятий химической, нефтеперерабатывающей , нефтехимической промышленности.

гигант мысли
Группа: Участники
Сообщений: 4411
Добавлено: 03-01-2017 16:11
http://www.ngpedia.ru/pic/107R3LC2A5J8f6E0X0360060077950.png

мастер
Группа: Участники
Сообщений: 888
Добавлено: 04-01-2017 16:16
приемник Кварц-408 для моей небольшой коллекции.

А Кварц РП-209 Вам в коллекцию не нужен?

знающий
Группа: Участники
Сообщений: 443
Добавлено: 04-01-2017 16:25


СИГНАЛИЗАТОР УРОВНЯ АВТОМАТИЧЕСКИЙ предназначен для световой сигнализации достижения уровнем осадка или активного ила заданного значения, определенного глубиной погружения датчика и выдачи управляющих команд на включение исполнительных механизмов. Используется для работы во вторичных и третичных отстойниках систем водоочистки водопроводно-канализационных хозяйств и предприятий химической, нефтеперерабатывающей , нефтехимической промышленности.


Ошибся я.

вошел во вкус
Группа: Участники
Сообщений: 144
Добавлено: 04-01-2017 19:10
Ув. ГТ906 что планируйте сделать с внутренностями этого ноутбука.

Дело в том, что я приобрёл дополнительный жёсткий диск на свой ноутбук и мне нужна металлическая пластинка на которую он крепиться в нише компьютера. Естественно за приемлемую цену т.к. ни один сервисный центр в моем городе не имеет таких мудреных комплектующих.
На фото я показал как эта железка крепится. Думаю у всех ACER она идентичная.


гигант мысли
Группа: Участники
Сообщений: 6778
Добавлено: 04-01-2017 20:45
Ув. ГТ906 что планируйте сделать с внутренностями этого ноутбука.

Тоже нужен ноут, в хлам убитый, только TOSHIBA SATELLIT L300-23C...
Лишний раз написал, может быть, где-нибудь, на Рублёвской свалке найдётся ...

мастер
Группа: Участники
Сообщений: 773
Добавлено: 04-01-2017 22:54
Сегодняшний улов.
[/url' target='_blank' class='insurl'> [url=https://itmages.ru/image/view/5347201/34cd4a73] 8b]

мастер
Группа: Участники
Сообщений: 773
Добавлено: 04-01-2017 22:58
Ув. ГТ906 что планируйте сделать с внутренностями этого ноутбука.

Тоже нужен ноут, в хлам убитый, только TOSHIBA SATELLIT L300-23C...
Лишний раз написал, может быть, где-нибудь, на Рублёвской свалке найдётся ...

кокой то есть TOSHIBA посмотрю.

мастер
Группа: Участники
Сообщений: 773
Добавлено: 04-01-2017 22:59
Ув. ГТ906 что планируйте сделать с внутренностями этого ноутбука.

Дело в том, что я приобрёл дополнительный жёсткий диск на свой ноутбук и мне нужна металлическая пластинка на которую он крепиться в нише компьютера. Естественно за приемлемую цену т.к. ни один сервисный центр в моем городе не имеет таких мудреных комплектующих.
На фото я показал как эта железка крепится. Думаю у всех ACER она идентичная.



посмотрю.

гигант мысли
Группа: Участники
Сообщений: 6778
Добавлено: 05-01-2017 00:25
кокой то есть TOSHIBA посмотрю.

Надеюсь на "смотрины"......

гигант мысли
Группа: Участники
Сообщений: 7902
Добавлено: 05-01-2017 05:56
Нашел по сути на мусоре.. Брр - лет 35 подобным не занимался.. Пока единичный случай... Благо обстановка с вывозом мусора в моем городе способствует успевать замечать что то новое на большой куче...

- Краснодарский логотип говорит об изначальном варианте чего то телефонного (возможно коммутатора) под названием АТК-6У, переделанного в явное охранное устройство:





из этого оставил себе трансформатор и конечно реле, из за которых собственно я и потянул это с мусорника...

Это видимо вид в оригинале (лучших фото не нагуглил):

гигант мысли
Группа: Участники
Сообщений: 6778
Добавлено: 05-01-2017 10:07
Да, последние фото сильно сжаты, не рассмотреть...

Гость
Добавлено: 06-01-2017 19:49
Интересно - кому-нибудь с ГТ906 удавалось связаться - или позиция у человка такая что н как поменяться иль купить найденное им нет возможности. Просто там среди прочего Р-311 - мне-б от него шкалу (диск) если она цела.

пришел поспрашивать
Группа: Участники
Сообщений: 37
Добавлено: 06-01-2017 20:09
В skype общался без проблем, нормальный живой человек.

мастер
Группа: Участники
Сообщений: 810
Добавлено: 06-01-2017 20:15
С такой свалкой можно и на работу не ходить.Смысла сидеть на всем этом как собака на сене нет.

Гость
Добавлено: 06-01-2017 20:45
В skype общался без проблем, нормальный живой человек.


Для меня скайп - некоторая проблема - мне-б письменно. (Я не глухонемой) А так я ему и на Емейл и тут писал - реакции - 0

Ну вот моя находка : Свалка та непростая, но восноовном там мебель выкидывают, да вот в некоторых ящиках тумбочек скрываются артефакты. Вот такой "Хороший" БП :









Явно куда-то ставился в перевернутом виде о чем ручки характерные, для извлечения приспособленные, говорят.

Он имеет какую-то историческую/практическую ценность или можно утилизировать на ЭТО -> ДРМ и трансформатор - на более полезное применение.

гигант мысли
Группа: Участники
Сообщений: 5744
Добавлено: 06-01-2017 21:42
Интересно - кому-нибудь с ГТ906 удавалось связаться - или позиция у человка такая что н как поменяться иль купить найденное им нет возможности.

Я пытался связаться и вроде как уже рассказывал тут об этом. Хотел обменять/купить часть остатков от твердотельного мед. лазера, что он на свалке откопал. Списывался через почту, он ответил и начал пытаться перейти в скайп. Скайпа у меня нету и нет желания его заводить, о чем я разумеется сказал. В итоге пока пытался хотя бы о чем-то договориться на почте (а он явно намерено отвечал по несколько дней), лазер он успешно разбомбил... Что любопытно в тот момент в этой теме еще пара человек писали, что с этим человеком контактировать по делу невозможно и высказывали мнение, что он по-быстрому сливает найденное на драг и цветмет, с чем лично я, честно говоря, полностью согласен.

администратор
Группа: Администраторы
Сообщений: 8045
Добавлено: 06-01-2017 21:53
Интересно - кому-нибудь с ГТ906 удавалось связаться - или позиция у человка такая что н как поменяться иль купить найденное им нет возможности. Просто там среди прочего Р-311 - мне-б от него шкалу (диск) если она цела.

Я общался с ним по мейлу. Вполне нормальный, адекватный человек, без закидонов. Адрес его есть в этой теме, он его написал, ищите.
Сам он не обязан писать кому-либо по каждой хотелке. Если Вам нужно, так Вы и должны сами подсуетиться и ему написать по этому поводу. Я написал по той позиции, которая меня заинтересовала и мы произвели взаимовыгодный обмен. Быстро и без всяких проблем.

мастер
Группа: Участники
Сообщений: 773
Добавлено: 06-01-2017 21:55
Сегодня.

главный по тарелочкам
Группа: Участники
Сообщений: 2186
Добавлено: 06-01-2017 22:24
Вот такой "Хороший" БП :Он имеет какую-то историческую/практическую ценность или можно утилизировать на ЭТО -> ДРМ и трансформатор - на более полезное применение.

Такой блок питания возможно использовался в какой то из старых версий приборов 4-0 или им подобных для рпу Р-678 "БРУСНИКА"..Децимал ЦЛ говорит именно об этом..да и внешний вид как две капли воды похож,например на блок 6.01

гигант мысли
Группа: Участники
Сообщений: 6778
Добавлено: 06-01-2017 22:33

Похоже, под радиатором П4... А ниже, с симпатичной звездой, П201-П202... Я бы не разбирал такой БП, сделан на совесть...

Гость
Добавлено: 07-01-2017 02:52
А куда его применить, без Р-678

знающий
Группа: Участники
Сообщений: 320
Добавлено: 07-01-2017 21:06





знающий
Группа: Участники
Сообщений: 320
Добавлено: 07-01-2017 21:06



гигант мысли
Группа: Участники
Сообщений: 6778
Добавлено: 07-01-2017 21:18
Работают аль нет?

гигант мысли
Группа: Участники
Сообщений: 6778
Добавлено: 07-01-2017 21:32


На родное сразу не обратил внимание, последнее сообщение на странице было... Махачкалинский приборостроительный завод... Пару ручек от такого осталось... А какой примерно год? Задней стенки вроде нет, по элементам посмотреть бы...

вошел во вкус
Группа: Участники
Сообщений: 144
Добавлено: 07-01-2017 23:23
Ребят, ну вы реально издеваетесь или как? Просто выложить фото из принципа "выложил и ладно, а там пусть сами разбираются" - это неправильный подход. Например у меня есть такие торсионные весы и мне бы хотелось ваше фото объединить с моими, дабы сравнить их. Но фото некоторых господ просто меня, мягко говоря взбешивает. Вы нас не уважаете, так уважайте тех, кто ваши фото через 100 лет смотреть будет. Ведь реально вас будущие поколения х...я ми будут обкладывать по полной. Кому хочется в гробу переворачиваться? Никому!!! Не получилось фото ну и к лешему не выкладывайте его. У нас публика терпеливая - подождём лучшего ФОТО!

знающий
Группа: Участники
Сообщений: 320
Добавлено: 08-01-2017 19:10
Работают аль нет?

работают но правильно ли вопрос

знающий
Группа: Участники
Сообщений: 320
Добавлено: 08-01-2017 19:12


На родное сразу не обратил внимание, последнее сообщение на странице было... Махачкалинский приборостроительный завод... Пару ручек от такого осталось... А какой примерно год? Задней стенки вроде нет, по элементам посмотреть бы...

судя по деталям 74 год


знающий
Группа: Участники
Сообщений: 320
Добавлено: 08-01-2017 19:13
фото лучшего качество




знающий
Группа: Участники
Сообщений: 320
Добавлено: 08-01-2017 19:15


и новое


гигант мысли
Группа: Участники
Сообщений: 5744
Добавлено: 08-01-2017 20:34



Полная разборка планируется? В мед технике обычно много симпатичных деталек

знающий
Группа: Участники
Сообщений: 320
Добавлено: 08-01-2017 21:09



Полная разборка планируется? В мед технике обычно много симпатичных деталек

Кое что уже ушло в разбор, фото плат выложу позже. Остальное пока ждёт своей учестифф

гигант мысли
Группа: Участники
Сообщений: 6778
Добавлено: 08-01-2017 22:00
А какой примерно год? Задней стенки вроде нет, по элементам посмотреть бы...

судя по деталям 74 год

Спасибо, ув. сuper...

Гость
Добавлено: 09-01-2017 23:31

Кое что уже ушло в разбор, фото плат выложу позже. Остальное пока ждёт своей учестифф


Присоединяюсь к просьбе - иногда очень оригинальные вещи в таких приборах водятся.

пришел поспрашивать
Группа: Участники
Сообщений: 85
Добавлено: 10-01-2017 01:03
1 микрофона аднака,2 мотора-Вы их знаете,3 мотора с авиа какой та-начала 2000х, когда грачев пилил, военну авиатехнику на востоке= нашол в ломе распиле авиалямения стояли в паре,на редукторе.

вошел во вкус
Группа: Участники
Сообщений: 242
Добавлено: 10-01-2017 07:42
3 мотора с авиа какой та-начала 2000х, когда грачев пилил, военну авиатехнику на востоке=

Пашу мерседеса еще в 1996 году, если не ошибаюсь из МО выпиннули. Так что в начале 2000-х он никак не мог авиатехнику пилить.

знающий
Группа: Участники
Сообщений: 320
Добавлено: 11-01-2017 11:42
продолжим..




знающий
Группа: Участники
Сообщений: 320
Добавлено: 11-01-2017 11:43




знающий
Группа: Участники
Сообщений: 320
Добавлено: 11-01-2017 11:45
первый прибор разобран





знающий
Группа: Участники
Сообщений: 320
Добавлено: 11-01-2017 11:48





знающий
Группа: Участники
Сообщений: 320
Добавлено: 11-01-2017 11:49





знающий
Группа: Участники
Сообщений: 320
Добавлено: 11-01-2017 11:51
Гемоглобинометр





знающий
Группа: Участники
Сообщений: 320
Добавлено: 11-01-2017 11:51


знающий
Группа: Участники
Сообщений: 320
Добавлено: 11-01-2017 11:53
И напоследок головка от неизвестного прибора




пришел поспрашивать
Группа: Участники
Сообщений: 39
Добавлено: 11-01-2017 15:39
По габаритам и конструктиву похожа на головку от иономера ЭВ-74
Но там градуировка шкалы другая.

Тоже, кстати, был найден на помойке одного НИИ несколько лет назад.

главный по тарелочкам
Группа: Участники
Сообщений: 2186
Добавлено: 11-01-2017 16:28
Кум нашел на свалке

мастер
Группа: Участники
Сообщений: 888
Добавлено: 11-01-2017 17:38
Пусть не на свалке, а в собственном гараже, но кто сказал, что это хуже?
Вот такой чемоданчик:




мастер
Группа: Участники
Сообщений: 888
Добавлено: 11-01-2017 17:40




мастер
Группа: Участники
Сообщений: 888
Добавлено: 11-01-2017 17:41




мастер
Группа: Участники
Сообщений: 888
Добавлено: 11-01-2017 17:41




мастер
Группа: Участники
Сообщений: 888
Добавлено: 11-01-2017 17:42




мастер
Группа: Участники
Сообщений: 888
Добавлено: 11-01-2017 17:43




мастер
Группа: Участники
Сообщений: 888
Добавлено: 11-01-2017 17:44




мастер
Группа: Участники
Сообщений: 888
Добавлено: 11-01-2017 17:45




мастер
Группа: Участники
Сообщений: 888
Добавлено: 11-01-2017 17:50
И напоследок, отдельно от чемодана, близнецы-братья Э421 и Э8021:

мастер
Группа: Участники
Сообщений: 888
Добавлено: 11-01-2017 17:52
Правда, они не совсем уж близнецы. Если Э421 сзади весьма прост

то Э8021 устроен чуток похитрее:


Блин снял кожух с Э421, оказалось, точно близнецы.

И спрашивается, нафига было делать два практически одинаковых прибора с разными наименованиями?

знающий
Группа: Участники
Сообщений: 369
Добавлено: 11-01-2017 20:20
Кум нашел на свалке

ОСК-2ЦЛ - это не название самой зрительной трубы. Это название всего комплекса, оптической скамьи, к которой эта автоколлимационная зрительная труба была принадлежностью.

главный по тарелочкам
Группа: Участники
Сообщений: 2186
Добавлено: 11-01-2017 20:30
еще находки..




главный по тарелочкам
Группа: Участники
Сообщений: 2186
Добавлено: 11-01-2017 20:33





мастер
Группа: Участники
Сообщений: 810
Добавлено: 11-01-2017 20:37
Интерестно с чего эт такие ячейки ?
Моя любимая релюха
http://savepic.net/8836248.htm
Да еще с кронштейном для крепления.

мастер
Группа: Участники
Сообщений: 888
Добавлено: 11-01-2017 20:56
Интерестно с чего эт такие ячейки ?

Это Вы про какие фото?

пришел поспрашивать
Группа: Участники
Сообщений: 17
Добавлено: 12-01-2017 13:57
Thin, вторая, четвёртая и шестая фото - платы от "поющих" блоков питания Б5-46.....Б5-50.

мастер
Группа: Участники
Сообщений: 810
Добавлено: 12-01-2017 22:09
Интерестно с чего эт такие ячейки ?

Это Вы про какие фото?

Ваши фотографии с той и этой страницы.
А релюха тоже с из измериловки ?

мастер
Группа: Участники
Сообщений: 888
Добавлено: 12-01-2017 22:24
Всё это не из измериловки. Платы, релюха, 2Т803А, 2Т903Б, 2Т602б, индикаторы - из аппаратуры перезаписи полетной информации "Обзор-МС". Если весной, когда потеплеет, мне удастся перебороть свою лень, могу провести фотосессию разборки её передвижного собрата "Обзор-МП". Те, кто с ними работал, думаю уже узнали характерный чемодан из-под кассет БК-2.
А вот откуда транзисторы П306А/П701А и 2Т825В, точно не знаю, но по обстоятельствам, при которых они ко мне попали, предполагаю, что из чего-то летающего быстро, но недолго.

Гость
Добавлено: 13-01-2017 00:36
продолжим..



Интересно, а что в белом цилиндре - диафрагменный насос ?

Хорошие клапаны, стойкие к агрессивным средам - вот только применять их в домашнем хозяйстве зная, что, через них могло протикать как-то мне-б было-б боязно.

гигант мысли
Группа: Участники
Сообщений: 7902
Добавлено: 13-01-2017 05:42
Уваж. ingOK - у вас фото крайне интересные, но их размер оставляет желать лучшего, а все из за той же нелюбви что и в уваж. lalka - к "дополнительным параметрам" при загрузке: задача дешёвого фотохостинга - чтоб побольше людей на автоматизме пользовались их услугами, загружая фотографии в виде почтовых открыток. У вас явно фотографии неплохого качества, но все же интересно иметь возможность читать маркировку компонентов на платах. А для этого, нужно в своем фотохостинге "сейвпикнет", раскрывать дополнительные параметры при каждой загрузке, и выбирать пункт "не уменьшать изображение":





мастер
Группа: Участники
Сообщений: 888
Добавлено: 13-01-2017 12:12
Уважаемый drapieznik, спасибо за подсказку! Перезалил фото плат. Так лучше получилось?

гигант мысли
Группа: Участники
Сообщений: 5744
Добавлено: 13-01-2017 12:44
Ув. drapieznik, а я кстати говоря всегда снимаю эту галочку, просто на сэйвпике чтобы посмотреть изображение в полном размере надо его либо сохранить себе, либо нажать правой кнопкой и открыть отдельно именно изображение.

гигант мысли
Группа: Участники
Сообщений: 4411
Добавлено: 13-01-2017 15:51
либо нажать правой кнопкой и открыть отдельно именно изображение
При загрузке линков с савепик поменять расширение htm на jpg, и другим будет приятнее.


главный по тарелочкам
Группа: Участники
Сообщений: 2186
Добавлено: 13-01-2017 22:41








мастер
Группа: Участники
Сообщений: 773
Добавлено: 15-01-2017 12:35
Вчерашний улов.

мастер
Группа: Участники
Сообщений: 773
Добавлено: 15-01-2017 12:49

главный по тарелочкам
Группа: Участники
Сообщений: 2186
Добавлено: 15-01-2017 13:42





администратор
Группа: Администраторы
Сообщений: 8045
Добавлено: 15-01-2017 14:01
Класс! ТЭЗ-ы в ящике! Да еще какое количество! Неужели изделие было таким ненадежным?

магистр
Группа: Участники
Сообщений: 1411
Добавлено: 15-01-2017 14:06
ЗИП-овый ящик- вещь !!
Но, почему же ненадёжное ?!- просто ячейки как правило исчисляются сотнями, к тому же это может быть групповой ЗИП.

Гость
Добавлено: 15-01-2017 20:36


А можно чуть подробнее про эту штуковину - фото там - может разберете аккуратно ?

пришел поспрашивать
Группа: Участники
Сообщений: 32
Добавлено: 17-01-2017 13:56
извиняюсь за сообщение почти не по теме
в сообщениях
cuper Добавлено: 11-01-2017 11:42
и
ГТ906 Добавлено: 15-01-2017 12:35
те платы которые с конденсаторами wima и микросхемами LF
интересуют эти детали не для коллекции ,
для использования в самоделках
фото макетки https://yadi.sk/i/uUF6X0Pf39RA94 1,25Мб!
ценность wima в том что они термостабильны

знающий
Группа: Участники
Сообщений: 345
Добавлено: 17-01-2017 14:25
фото макетки


какая любопытная реализация)это в тему про самоделки подошло бы. а что это устройство? случайно не звуковое? вроде drone-шумелки например.

гигант мысли
Группа: Участники
Сообщений: 5744
Добавлено: 21-01-2017 12:03
Частично раздербаненный некий пульт:



магистр
Группа: Участники
Сообщений: 1411
Добавлено: 21-01-2017 13:40
Интересно, почему одно из напряжений именно 39в ?! Какой-нибудь электромагнитный клапан ?!...

знающий
Группа: Участники
Сообщений: 443
Добавлено: 21-01-2017 16:00
Частично раздербаненный некий пульт:
...

По радиодеталям дата производства - 01.88 или немного позже. Номер прибора - 00188. Интересное совпадение. Запросто это может быть "первый порядковый номер 88го года", что намекает на мелкосерийку. Что такое 674УУ05 - не знаю, но похоже, военное. Кстати, трансформатор имеет "400" или "50" в конце типа?

гигант мысли
Группа: Участники
Сообщений: 5744
Добавлено: 21-01-2017 18:50
Да, это военка.
Трансформатор на 400 Гц.

гигант мысли
Группа: Участники
Сообщений: 4411
Добавлено: 22-01-2017 02:20
Что такое 674УУ05 - не знаю,
внутренние обозначения лианозовского завода

гигант мысли
Группа: Участники
Сообщений: 5744
Добавлено: 22-01-2017 21:48
Нечто насыщенное весьма интересными импортными детальками


гигант мысли
Группа: Участники
Сообщений: 7902
Добавлено: 22-01-2017 22:08
надписи на них не прочесть, в чем интересность тогда?

гигант мысли
Группа: Участники
Сообщений: 6778
Добавлено: 22-01-2017 22:40
А мне электролиты приглянулись ...

магистр тайных сил
Группа: Участники
Сообщений: 1808
Добавлено: 22-01-2017 23:14
надписи на них не прочесть, в чем интересность тогда?

Нечто насыщенное импортным нечто при жёсткой экономии кбайтов. Вид из космоса.Такие фото просто издевательство.

гигант мысли
Группа: Участники
Сообщений: 5744
Добавлено: 22-01-2017 23:22
А неспособность правой кнопкой нажать на изображении "открыть изображение" или "сохранить изображение как" и увидеть его в нормальном размере, но зато бомбить и недовольствовать - это не издевательство?

вошел во вкус
Группа: Участники
Сообщений: 150
Добавлено: 22-01-2017 23:42
Нечто насыщенное весьма интересными импортными детальками

беленькие - электронные реле. Блок управления от какого нибудь насоса или иного подобного. Может даже от системы поддержания температуры в теплице.

магистр тайных сил
Группа: Участники
Сообщений: 1808
Добавлено: 22-01-2017 23:58
А неспособность правой кнопкой нажать на изображении "открыть изображение" или "сохранить изображение как" и увидеть его в нормальном размере, но зато бомбить и недовольствовать - это не издевательство?


Открыл.Кое что разглядел накрутив масштаб в опере до 500%.Через деревню большие Васюки добраться можно.
.Хотя может я дятел и до нормального изображения так и не сумел добраться.Сложный для меня хостинг оказался.

гигант мысли
Группа: Участники
Сообщений: 5744
Добавлено: 23-01-2017 02:15
Ну к сожалению зеркалку с макро объективом, штативом и лайтбоксом мне пока не завезли...

гигант мысли
Группа: Участники
Сообщений: 7902
Добавлено: 23-01-2017 05:45
Александр - я тоже не миллионер и уже 10 лет фотки щелкаю все более ничтожным камерофоном типа Sony-Еricsson K800 с его оптикой в 3.2 МПикселя, но меня удивляет что даже при открытии ваших фото в новой вкладке, что позволяет увеличить изображение в броузере (у меня Гугл Хром), - данные ваших фото - 2641х1709х24b при размере 647.8 кБ, а моих - 2048х1546х24b при размере 867.4 кБ. Тоесть разрешающая способность ваших фото явно больше моих (хотя 2641х1709 - явно нестандартная и тоже какая то подрезанная...), но размер меньше, что указывает на то, что их что то обрезает - либо фотохостинг, либо то чем вы эти фото делаете.
А вы продолжаете объяснять как пользоватся своим любимым сейвпикнетом...

Сложный для меня хостинг оказался.

его сложность - в непривычности. Уже десятилетия людей в нете приучили (приручили) что если на фото кликнуть левой кнопкой мыши - оно либо откроется в новом окне (вкладке) в большем размере, либо в том же окне в большем размере. На сейвпикнет сей процесс сделан так: кликаем на "превьюшке", - в другой вкладке (получаем при этом изображение примерно 860х560), на фотке правой кнопкой выбираем "открыть на другой вкладке изображение", где наконец, есть нормально кликабельное изображение.... Кроме того, сейвпикнет вводит в заблуждение своими - превьюшками, если их так можна назвать - снизу надпись "Увеличить" - большинство людей действуют по привычке: кликают левой на "превьюшке" сейвпикнета (либо пальцем на экране типа тачпад) и получают в итоге что то немного больше "превьюшки", с незнанием того, что нужно еще правой кнопкой пользоватся, контекстным меню, чтоб из изображения размера почти почтовой открытки, перейти на новую вкладку где нужно кликать уже привычной левой кнопкой мышки, чтоб его увеличить наконец..
А в результате, многие привычно действуют: кликнули на "превьюшку", получили "открытку", снова на ней кликнули - с надеждой что "открытка" станет больше, на весь экран, но в итоге получают меньше, ту же превьюшку но с меню ссылок...

мастер
Группа: Участники
Сообщений: 773
Добавлено: 25-01-2017 17:47
улов за выходные дни.

гигант мысли
Группа: Участники
Сообщений: 5744
Добавлено: 25-01-2017 19:25
Остатки некого, похоже промышленного, монитора:



мастер
Группа: Участники
Сообщений: 637
Добавлено: 25-01-2017 22:34
улов за выходные дни.

Это от гостиничных телевизоров

мастер
Группа: Участники
Сообщений: 810
Добавлено: 26-01-2017 04:48
ВЗА-4 зарядка АКБ ??? Внутрь бы глянуть.

мастер
Группа: Участники
Сообщений: 501
Добавлено: 26-01-2017 13:53
улов за выходные дни.

На нижней плате справа от 159нт1 -
К10-7 с приёмкой! Такого чуда ещё не видел...

главный по тарелочкам
Группа: Участники
Сообщений: 2259
Добавлено: 26-01-2017 14:01

На нижней плате справа от 159нт1 -
К10-7 с приёмкой! Такого чуда ещё не видел...

Там К10-7 нету. Это К21-7.

мастер
Группа: Участники
Сообщений: 501
Добавлено: 26-01-2017 15:46
Там К10-7 нету. Это К21-7.

Хм... А точно такие же по виду, но без краски, из двух белёсых половинок, стоявшие в бытовых магнитофонах 70-х гг - тоже К21-7?

главный по тарелочкам
Группа: Участники
Сообщений: 2259
Добавлено: 26-01-2017 15:52
Там К10-7 нету. Это К21-7.

Хм... А точно такие же по виду, но без краски, из двух белёсых половинок, стоявшие в бытовых магнитофонах 70-х гг - тоже К21-7?

Так точно. Но без покрытия краской. Они еще бывают красненькие и один раз видел синенькие.

мастер
Группа: Участники
Сообщений: 627
Добавлено: 26-01-2017 15:53
Несли на свалку копир старинный и вот эту коробочку попросил коробочку сказали если только всё заберешь тогда бери, пришлось всё забрать))






мастер
Группа: Участники
Сообщений: 501
Добавлено: 26-01-2017 15:55
Так точно. Но без покрытия краской. Они еще бывают красненькие и один раз видел синенькие.

Ясно... Всегда считал, что это К10-7 без "В"...

Гость
Добавлено: 26-01-2017 17:27
Несли на свалку копир старинный и вот эту коробочку попросил коробочку сказали если только всё заберешь тогда бери, пришлось всё забрать))
[url=http://savepic.net/8871052.htm]

В советские времена Алтай был единственным радиотелефоном на селе. Этот на современной элементной базе

вошел во вкус
Группа: Участники
Сообщений: 242
Добавлено: 26-01-2017 18:38
В советские времена Алтай был единственным радиотелефоном на селе.

Ну почему же, эта система в основном в больших городах применялась, а в селах больше радиостанции были с разными примочками, т.к. Алтай в подавляющем большинстве колхозам был просто не по карману.

Гость
Добавлено: 26-01-2017 22:12
В советские времена Алтай был единственным радиотелефоном на селе.

Ну почему же, эта система в основном в больших городах применялась, а в селах больше радиостанции были с разными примочками, т.к. Алтай в подавляющем большинстве колхозам был просто не по карману.

Ну дык чиновники всегда думали сначала о себе
а система разрабатывалась для села. По колхозам ездить доводилось не часто, но колхозники часто появлялись на моем трудовом пути с проблемами связи. Главная проблема (кроме чиновников) в те времена, да и сегодня-это специалисты. Вот и приходилось осваивать чужую технику. Кроме того, не забывайте про частотные проблемы, их тоже кто-то должен был решать. поэтому предпочитали "Лен-В"

знающий
Группа: Участники
Сообщений: 443
Добавлено: 27-01-2017 10:22
Обратите внимание, это не "обычный" Алтай АС-СП, а АС-СПК, из состава радиоудлиннителя "Карт-4", работающего через тот же "Центр". А у "колхозников" кроме болгарских и советских "Льнов" а также "Гранитов", был ещё и специально под них "заточенный" "Колос" на 300 МГц.

мастер
Группа: Участники
Сообщений: 627
Добавлено: 27-01-2017 10:40
Обратите внимание, это не "обычный" Алтай АС-СП, а АС-СПК, из состава радиоудлиннителя "Карт-4", работающего через тот же "Центр". А у "колхозников" кроме болгарских и советских "Льнов" а также "Гранитов", был ещё и специально под них "заточенный" "Колос" на 300 МГц.

Есть в коллекции нетронутый Гранит, платы от Льна, и теперь вот Алтай кстате последний очень хорошо сделан с учетом 90х годов
И всё это со свалки)))

мастер
Группа: Участники
Сообщений: 580
Добавлено: 27-01-2017 11:24
Вот такой древний селектор каналов от телевизора:






вошел во вкус
Группа: Участники
Сообщений: 150
Добавлено: 27-01-2017 21:02
Алтай имеет ЭМФ аж 4 штуки. А моя Вилия ни одного. Конструктив корпуса одинаковый. Ну и отличие в процессорной плате.

главный по тарелочкам
Группа: Участники
Сообщений: 2186
Добавлено: 28-01-2017 15:55





гигант мысли
Группа: Участники
Сообщений: 5744
Добавлено: 29-01-2017 02:09
Некий солидный сетевой фильтр с длинным названием тст000 0011.02. Логотип мне не знаком...


гигант мысли
Группа: Участники
Сообщений: 7902
Добавлено: 29-01-2017 03:05
несколько лет тому назад такой фильтр (с иным товарным знаком) видел и у львовских-диггеров. Автор фото назвал изделие как ТС1000.00П, хотя


там явно некоторые символы затерты немного и возможно там на самом деле ТСТ000.00П.




* фотографии взяты отсюда - https://explorer.lviv.ua/forum/index.php/topic,4579.100.html

мастер
Группа: Участники
Сообщений: 580
Добавлено: 29-01-2017 12:22







мастер
Группа: Участники
Сообщений: 810
Добавлено: 29-01-2017 12:48
Серъезный прибор вольты амперы косинус фи измерят да и еще в полном комплекте.Раритет.

улов за выходные дни.

На нижней плате справа от 159нт1 -
К10-7 с приёмкой! Такого чуда ещё не видел...


На зеленых конденсаторах логотип такойже как на вакуумном реле.широкопрофильное протизводство.

мастер
Группа: Участники
Сообщений: 773
Добавлено: 29-01-2017 22:39
Вчерашний улов.

гигант мысли
Группа: Участники
Сообщений: 6778
Добавлено: 02-02-2017 20:11



вошел во вкус
Группа: Участники
Сообщений: 144
Добавлено: 02-02-2017 22:31
Ув. alex1959 большое спасибо за трансформатор. В моей копилке на 4.708 он открыл счет. Скоро поиск будет сродни лоторее, бляха-муха.

гигант мысли
Группа: Участники
Сообщений: 6778
Добавлено: 02-02-2017 22:41
Да моего участия здесь мизер, ув. SEMIMASA , только фото показал ... А прибор-то при первом включении показал реальные признаки жизни...

вошел во вкус
Группа: Участники
Сообщений: 144
Добавлено: 02-02-2017 23:23
Компенсатор сети - это я понимаю на современный лад, что-то около этого? Такие ставят на ввод в дом или квартиру. Мой например, СНР1-0-10 меня уже спасал бессчетное количество раз. Почему бессчетное? Потому что только при моем присутствии он вырубал электронику раз 100, а сколько пока я наработе..??? Поэтому рекомендую всем. Мой сосед уже и холодильника лишился, а недавно и стиралка приказала долго жить. Во общем штука исключительно полезная для своего дома.

гигант мысли
Группа: Участники
Сообщений: 6778
Добавлено: 02-02-2017 23:47
Тоже так думаю, вроде этого...

пришел поспрашивать
Группа: Участники
Сообщений: 56
Добавлено: 03-02-2017 14:52
когда тупо отрубает элелектронику "тупую" - пол беды, а вот когда компьютер - страдает механическ4ий жесткий диск. имхо ИБП круче.

Гость
Добавлено: 03-02-2017 15:11
Алтай кстате последний очень хорошо сделан с учетом 90х годов

Мне довелось в 2002 устанавливать новую базовую станцию "Алтай" и абонентские комплекты. Они еще выпускались, хотя уже было ясно, что устанавливать их глупо. Кто-то хорошо распилил бабала на этой "программме телефонизации удаленных населенных пунктов", втюхал людям этих динозавров, хотя уже вовсю развивались мобильные сети 2 поколения.

гигант мысли
Группа: Участники
Сообщений: 6778
Добавлено: 03-02-2017 16:31
когда тупо отрубает элелектронику "тупую" - пол беды, а вот когда компьютер - страдает механическ4ий жесткий диск. имхо ИБП круче.

Пару лет назад в щитке в подъезде отвалился "ноль"...Погорел БП кухонной вытяжки, все включённые лампочки, вентилятор...Комп, телек, муз. центр, и прочее были включены через бесперебойники, и осталиь целы, сами бесперебойники погорели...Холодильник успели выключить. Так что такие вещи в доме нужны...



главный по тарелочкам
Группа: Участники
Сообщений: 2186
Добавлено: 03-02-2017 22:15
А для того чтобы не дохли безперебойники при "отгорании" нуля или от простого превышения 250 вольт-надо перед ними ставить реле напряжения...

гигант мысли
Группа: Участники
Сообщений: 5744
Добавлено: 04-02-2017 00:12
Нашерстил в мусоре...


главный по тарелочкам
Группа: Участники
Сообщений: 2542
Добавлено: 04-02-2017 00:26
744УД2-1 попала)

гигант мысли
Группа: Участники
Сообщений: 5086
Добавлено: 04-02-2017 00:44
Нашерстил в мусоре

Забавно. Все микросборки начинающиеся с 04 (04КН20, 04УП24, 04ФЕ14, 04ФН1, 04ФП15) не имеют никаких описаний, а 04ФЕ14 так даже и неизвестно нативное назначение.
Хорошие кандидаты на вскрытие.

гигант мысли
Группа: Участники
Сообщений: 5744
Добавлено: 04-02-2017 01:17
И они будут вскрыты, не сомневайтесь!

Ну за исключением 04ФЕ14 - я ее уже вскрывал и выкладывал тут

гигант мысли
Группа: Участники
Сообщений: 6778
Добавлено: 04-02-2017 02:01
А для того чтобы не дохли безперебойники при "отгорании" нуля или от простого превышения 250 вольт-надо перед ними ставить реле напряжения...

Если бы знать, где упадёшь...



вошел во вкус
Группа: Участники
Сообщений: 144
Добавлено: 04-02-2017 02:41
Где вы выдели бесперебойник для дома, который держит нагрузку 10Кв = 220в. за 10.000руб. А ноутбук в бесперебойнике не нуждается (ну по крайне мере у меня). Стабилизатор на то и стабилизатор, что держит на выходе 220 при отклонениях ~140-280. Холодильник на раз загнется уже при ~160в. Пробовали когда нибудь запустить компрессор при пониженном напряжении. И да в таких стабилизаторах есть байпас и отложенный старт на 5мин. именно для компрессорной техники. Конечно в идеале должны быть оба прибора в одной цепи. Где один отвечает за мягкую посадку "тупой" электроники, а другой отвечает за компьютер и все что с ним связано.

гигант мысли
Группа: Участники
Сообщений: 6778
Добавлено: 04-02-2017 10:47

Под платой ещё 2 этажа, на одном два больших транса (о них подробнее будет в теме "Трансформаторы и др. моточные изд."), а в самом низу 6 аккумуляторов на 12В. Хороший был бесперебойник! Но тяжеленный ...

Гость
Добавлено: 04-02-2017 12:26
Где вы выдели бесперебойник для дома, который держит нагрузку 10Кв = 220в. за 10.000руб.


Мне года 2 назад предлагали за 15кр правда, 10 (может и больше - не помню уже) кВА 3х фазный 380 с полным преобразованием без АКБ - размером - 3 2х камерных холодильника 1х1х2 метра где-то - в одном собственно бесперебойник, два других - аккумуляторные шкафы. Аккумуляторы к тому моменту уже сдали. Для меня деньги немаленькие, да и куда этого монстра под полтонны (без АКБ) ? Да - то понемногу батарею не нарастишь - 20х24В АКБ последовательно (2 стойки) = 480 вольт на инвертор. В результате по громили на цветнину...рублей 3000 наверное получили. Собран, кстати, по моему без процессоров - только на рассыпухе. Запомнилась одна из полок - где стояла куча дросселей на железе, мотанных медной шиной (толстой фольгой) во всю ширину каркаса. (1 виток - 1 слой)

мастер
Группа: Участники
Сообщений: 773
Добавлено: 05-02-2017 12:06
Вчерашний улов. разобрал мне не известный аппарат был без корпуса
на задней стенке телевизионный разъем скарт две корзины жирными платами.
фотографироват эту железяку не удалос просто фотоаппарат замерз.

мастер
Группа: Участники
Сообщений: 773
Добавлено: 05-02-2017 12:27

пришел поспрашивать
Группа: Участники
Сообщений: 17
Добавлено: 07-02-2017 11:49
Железная коробочка с кнопками - это вроде кв-конвертер к автомобильным радиоприемникам? Попадался такой раздербаненный.

главный по тарелочкам
Группа: Участники
Сообщений: 2186
Добавлено: 07-02-2017 20:05




нашлись в помойке абсолютно новые ремкабеля для Р-399


мастер
Группа: Участники
Сообщений: 637
Добавлено: 08-02-2017 14:09
Вчерашний улов. разобрал мне не известный аппарат был без корпуса
на задней стенке телевизионный разъем скарт две корзины жирными платами.
фотографироват эту железяку не удалос просто фотоаппарат замерз.

Возможно это был аппарат УЗИ Esaote AU-530
а СКАРТ для подключения видеомагнитофона.

гигант мысли
Группа: Участники
Сообщений: 6778
Добавлено: 08-02-2017 16:10

Радиатор интересный, "угловой"...

вошел во вкус
Группа: Участники
Сообщений: 144
Добавлено: 08-02-2017 16:30
Виталь, переключатель от "Вибратора", - раскуверкать его можно, ради интереса. И плата 8П, случаем не в паре была с ним?

мастер
Группа: Участники
Сообщений: 537
Добавлено: 10-02-2017 22:44
Находка, почти со свалки:



гигант мысли
Группа: Участники
Сообщений: 5744
Добавлено: 11-02-2017 01:26
Совсем по-мелочи:

гигант мысли
Группа: Участники
Сообщений: 6778
Добавлено: 11-02-2017 02:07
Интересно, что же выломали с платы, если ЕН-ка не тронута...
И плата выпрямителя хороша, можно в дело пустить.

вошел во вкус
Группа: Участники
Сообщений: 176
Добавлено: 12-02-2017 09:13
Вот такие потрошеные тушки:


Основные образцы из кучи потрошёнки , судя по всему внтрянка от Р-855 различных модификаций

Из интересного: М3В и М5В 2УС202,2ГФ201,2ФП201 И на другой: 04ХА020, 04ХА021,04ХА018,04ХА019

гигант мысли
Группа: Участники
Сообщений: 5744
Добавлено: 16-02-2017 14:36
Вижу 220-ые ГИС!
Если есть возможность выцепить у вас их, напишите мне на почту в профиле пожалуйста.

гигант мысли
Группа: Участники
Сообщений: 5744
Добавлено: 17-02-2017 18:51
Частично раздербаненный источник питания с военки:

вошел во вкус
Группа: Участники
Сообщений: 169
Добавлено: 17-02-2017 19:21
Наверняка обсуждалось про удаление лака с поверхности деталей.
Есть действенный способ?

гигант мысли
Группа: Участники
Сообщений: 7902
Добавлено: 17-02-2017 19:26
желтые конденсаторы бы поближе сфоткать - все же 1999й год...

гигант мысли
Группа: Участники
Сообщений: 6778
Добавлено: 17-02-2017 20:52
Не на свалке, но нашел... Зарядное устройство ДАНКО, интересно, для чего было?


гигант мысли
Группа: Участники
Сообщений: 4878
Добавлено: 17-02-2017 22:54
Вроде как от фотовспышек Электроника В5-21 и В5-24
https://www.avito.ru/moskva/fototehnika/fotovspyshka_v5-24_voronka_bochki_ramka_423894074

http://darudar.org/gift/5020422/

гигант мысли
Группа: Участники
Сообщений: 6778
Добавлено: 17-02-2017 23:17
Спасибо Вячеслав, оно. Про вспышку не было даже варианта ...

мастер
Группа: Участники
Сообщений: 956
Добавлено: 17-02-2017 23:31
Р-855 различных модификаций

Читали ихние параметры,чуть ли ни сто километров.смешно.
Почему сколько ни бился, тридцать метров разносишь,между
двумя,уже нет связи.Шум один.Да и что можно ждать от сверхрегенератора...
может кто обьяснит.А так хотелось использовать для настройки спутниковых
тарелок.Ни дождь ни снег не страшен.
з.ы. Предвижу вопрос, кварцы сразу поменял.

вошел во вкус
Группа: Участники
Сообщений: 242
Добавлено: 18-02-2017 00:07
Р-855 различных модификаций

Читали ихние параметры,чуть ли ни сто километров.смешно.

Ничего смешного тут нет. Просто эта станция аварийно-спасательная и предназначена она для связи экипажа потерпевшего крушение и находящегося на земле с самолетами, которые их ищут. А в таких условиях даже слабые станции чудеса дальности показывают. А для наземной связи их никто и не разрабатывал.

Почему сколько ни бился, тридцать метров разносишь,между
двумя,уже нет связи.Шум один.Да и что можно ждать от сверхрегенератора...
может кто обьяснит.А так хотелось использовать для настройки спутниковых
тарелок.Ни дождь ни снег не страшен.
з.ы. Предвижу вопрос, кварцы сразу поменял.

Между прочим, я такие станции тоже пробовал в наземных условиях и дальше примерно полукилометра мне тоже связаться не удалось. Испытания проводились на льду замерзшего Гусиного озера в Бурятии. А офицеры из соседнего авиаполка рассказывали мне, что они использовали такие станции для связи в колонне.

вошел во вкус
Группа: Участники
Сообщений: 144
Добавлено: 19-02-2017 01:08
Частично раздербаненный источник питания с военки

Звенья одной цепи. 36, 45, 48

гигант мысли
Группа: Участники
Сообщений: 5744
Добавлено: 22-02-2017 15:39
Некий странный блочок...

Гость
Добавлено: 22-02-2017 17:11
Р-855 различных модификаций

Читали ихние параметры,чуть ли ни сто километров.смешно.

Ничего смешного тут нет. Просто эта станция аварийно-спасательная и предназначена она для связи экипажа потерпевшего крушение и находящегося на земле с самолетами, которые их ищут. А в таких условиях даже слабые станции чудеса дальности показывают. А для наземной связи их никто и не разрабатывал. .......

Между прочим, я такие станции тоже пробовал в наземных условиях и дальше примерно полукилометра мне тоже связаться не удалось. Испытания проводились на льду замерзшего Гусиного озера в Бурятии. А офицеры из соседнего авиаполка рассказывали мне, что они использовали такие станции для связи в колонне.

Добавлю для ясности: 1) в этом диапазоне (121,5 мГц) доступна связь не только в пределах прямой видимости, но и через тропосферу;
2) простота конструкции связана с масс-габаритными проблемами и к тому-же, с потребным количеством. Ведь на каждом воздушном судне имеется комплект, а иногда и больше;
3) дальность связи 30м говорит о том, что р/ст неисправна;
ну и наконец основной режим для нее-это радиомаяк, по которому и ведется поиск.

гигант мысли
Группа: Участники
Сообщений: 6778
Добавлено: 22-02-2017 18:00
Некий странный блочок...

Настораживает обилие высоковольтных диодов 2Ц103А ...

вошел во вкус
Группа: Участники
Сообщений: 150
Добавлено: 22-02-2017 20:48
Некий странный блочок...



Умножитель от осциллографа какого.

гигант мысли
Группа: Участники
Сообщений: 5744
Добавлено: 23-02-2017 01:03
Нет, к измериловке этот блок точно отношения не имеет. Да и умножителем он быть не может, тк нету ВВ конденсаторов на нем...

гигант мысли
Группа: Участники
Сообщений: 6778
Добавлено: 23-02-2017 07:45
Согласен с ув. lalka ...

вошел во вкус
Группа: Участники
Сообщений: 150
Добавлено: 23-02-2017 21:04
Нет, к измериловке этот блок точно отношения не имеет. Да и умножителем он быть не может, тк нету ВВ конденсаторов на нем...


Тогда что там делаю несколько высоковольтных столбов на 2000в каждый?

пришел поспрашивать
Группа: Участники
Сообщений: 76
Добавлено: 23-02-2017 21:15
Тогда что там делаю несколько высоковольтных столбов на 2000в каждый?

И зачем три из них подключать к базе низковольтного транзистора ???

мастер
Группа: Участники
Сообщений: 713
Добавлено: 23-02-2017 23:59
Тогда что там делаю несколько высоковольтных столбов на 2000в каждый?

Как то раз встречал использование КЦ вместо цепочки диодов,своеобразный стабистор.Тоже удивлялся,зачем высоковольтный диод поставили.

мастер
Группа: Участники
Сообщений: 637
Добавлено: 24-02-2017 00:21
Тогда что там делаю несколько высоковольтных столбов на 2000в каждый?

Как то раз встречал использование КЦ вместо цепочки диодов,своеобразный стабистор.Тоже удивлялся,зачем высоковольтный диод поставили.

а почему видно, что 3 параллель ..стабилитроны никогда так не включают ..
даже если допустить, что генератор шума

Разрисовать схему .там мин 20 делов,
тогда будет понятнее .
Возможно 3х фазный выпрямитель ,
пороговый датчик какого-то источника напряжения..

вошел во вкус
Группа: Участники
Сообщений: 150
Добавлено: 24-02-2017 00:56
Тогда что там делаю несколько высоковольтных столбов на 2000в каждый?

Как то раз встречал использование КЦ вместо цепочки диодов,своеобразный стабистор.Тоже удивлялся,зачем высоковольтный диод поставили.


Ну прямое падение у 2ц103а - 9в. Так что вполне возможно. Может какой блок пороговой логики с релейным выходом. Слишком брутально выполнено.

гигант мысли
Группа: Участники
Сообщений: 5744
Добавлено: 24-02-2017 01:57
То, что сделано брутально - это неудивительно, тк блок с военки, а разработка наверняка годов 70-ых, если не раньше.
Схему срисовать уже не получится - блок уже раздербанен коллегой по работе на драгмет...

мастер
Группа: Участники
Сообщений: 888
Добавлено: 24-02-2017 10:50
Возможно 3х фазный выпрямитель

Очень похоже на то. Из того, что видно: D2, D4, D6 соединены анодами, а катод D6 соединён с анодом D5. Если предположить, что с обратной стороны платы D1, D3 и D5 соединены вместе своими катодами, а аноды D1 и D3 соединяются, соответственно, с катодами D2 и D4, то как раз схема Ларионова и получается.

гигант мысли
Группа: Участники
Сообщений: 5744
Добавлено: 27-02-2017 01:51
Любопытная штука
Похоже какие-то попытки конца 90-ых - самого начала 2000-ых сделать монитор для серьезных применений из преимущественно наших элементов.





- Помогите опознать ВЧ транзисторы с четвертого фото,
- ув. drapieznik, помня вашу прошлую просьбу сфотографировать конденсаторы, я уже сделал тут тоже самое Выложу их сейчас в соответствующей теме.

гигант мысли
Группа: Участники
Сообщений: 7902
Добавлено: 27-02-2017 05:27
вы бы измерили длину (макс) размаха по выводам, ширину выводов и диаметр корпуса (цвет точки, похоже что черная)...

Это явно мощные СВЧ транзисторы, возможно что то типа КТ913В
https://meshok.net/item/26826637_%D1%82%D1%80%D0%B0%D0%BD%D0%B7%D0%B8%D1%81%D1%82%D0%BE%D1%80_%D0%9A%D0%A2913%D0%92 - но судя по фото, у ваших транзисторов выводы шире.

или что типа КТ939
https://meshok.net/pic.php?id=53026558


нужны точные габаритные размеры (измерять желательно штангенциркулем)

гигант мысли
Группа: Участники
Сообщений: 5744
Добавлено: 27-02-2017 11:53
нужны точные габаритные размеры (измерять желательно штангенциркулем)

Диаметр крышки 7мм, полная высота 16мм, размах выводов 20мм, резьба вроде как М4, маркировка - вся крышка желтая, в середине черная точка.

гигант мысли
Группа: Участники
Сообщений: 4878
Добавлено: 27-02-2017 17:12
КТ913В черная тчк на розовой поверхности
КТ610А черная тчк на коричневой поверхности

Если за основу взять фото по ссылке на КТ939А, которое указал ув. drapeznik, там есть на розовой поверхности и на желтой поверхности, то это КТ913В
В этом корпусе есть транзисторы 2Т610А, Б, 2Т913А - В, 2Т916А, 2Т939А, КП908А, Б, КТ610А, Б, КТ916А, Б, КТ913А - В, КТ939А -В.
Но на 2Т610А, Б, 2Т913А - В, 2Т916А, 2Т939А, КП908А, Б у меня нет данных по маркировке точками (если таковая существует)

мастер
Группа: Участники
Сообщений: 773
Добавлено: 27-02-2017 22:01
Вчерашние находки.

знающий
Группа: Участники
Сообщений: 320
Добавлено: 11-03-2017 22:46
чутка импорта от наших китайских товарищей.




знающий
Группа: Участники
Сообщений: 320
Добавлено: 11-03-2017 22:47




знающий
Группа: Участники
Сообщений: 320
Добавлено: 11-03-2017 22:47




мастер
Группа: Участники
Сообщений: 773
Добавлено: 12-03-2017 10:46
Вчерашний улов.

Гость
Добавлено: 15-03-2017 09:52
Вчерашний улов.


А разжиться у вас останками актакомовских генераторов на каких-нибудь условиях не выйдет-ли ?

знающий
Группа: Участники
Сообщений: 345
Добавлено: 15-03-2017 11:30
..а я бы не прочь разжиться магистралью с кучей белых 86-контактных разъемов, на 8-м фото)

мастер
Группа: Участники
Сообщений: 773
Добавлено: 15-03-2017 11:43
Вчерашний улов.


А разжиться у вас останками актакомовских генераторов на каких-нибудь условиях не выйдет-ли ?


Прибор востановил похоже был новый на задней стенке вентилятор на лопастях даже пыли нет.
похоже перед выбросом в прибор просто уничтожили чем то в него ткнули на плате часть смд деталей оторвано было хорошо что вторая плата перепаял детали включил прибор ожил .

гигант мысли
Группа: Участники
Сообщений: 5744
Добавлено: 17-03-2017 12:22
Некое авто реле Ford:

гигант мысли
Группа: Участники
Сообщений: 7902
Добавлено: 17-03-2017 12:32
фордовское реле стеклоочистителей. Если кому интересно, у меня чуть побольше фотографий реле с овальным значком от форда

мастер
Группа: Участники
Сообщений: 888
Добавлено: 19-03-2017 20:34
Некий тестер банкнот из 90-х:

гигант мысли
Группа: Участники
Сообщений: 5744
Добавлено: 22-03-2017 19:46
Некая частично раздербаненная платка.
Залита лаком так, что детали если только молотком отбивать...

мастер
Группа: Участники
Сообщений: 773
Добавлено: 26-03-2017 21:46
Вчерашней поход на свалку.

мастер
Группа: Участники
Сообщений: 773
Добавлено: 26-03-2017 22:02
Находки.содержимое мешков на видео.https://youtu.be/u5Zf3beFDuE

знающий
Группа: Участники
Сообщений: 411
Добавлено: 26-03-2017 22:29
Вчерашней поход на свалку.


Цельная БЦВМ на ФТЯ и линиях задержки

гигант мысли
Группа: Участники
Сообщений: 4411
Добавлено: 26-03-2017 23:25
Цельная БЦВМ на ФТЯ и линиях задержки

Электронная записная книжка, под названием ЭКВМ "Вега".

гигант мысли
Группа: Участники
Сообщений: 5744
Добавлено: 27-03-2017 00:05
Даже остатки от нее настоящий раритет, не говоря уже о целой!

гигант мысли
Группа: Участники
Сообщений: 5744
Добавлено: 01-04-2017 20:27
Некий автомобильный блок, вроде как связанный с тормозами, 1989 года:

гигант мысли
Группа: Участники
Сообщений: 5744
Добавлено: 01-04-2017 20:50
И пара вот таких панелек с 3ЛС341 с какой-то нашей измериловки:

знающий
Группа: Участники
Сообщений: 411
Добавлено: 01-04-2017 20:57
Некий автомобильный блок, вроде как связанный с тормозами, 1989 года:

Антиюз

гигант мысли
Группа: Участники
Сообщений: 7902
Добавлено: 02-04-2017 00:45
Некий автомобильный блок, вроде как связанный с тормозами, 1989 года:


ABS, от фордов -
Сиерра или Скорпио
принципиальная схема однотипного ему 85GG 2С013 AG есть на 25 стр. файла

мастер
Группа: Участники
Сообщений: 773
Добавлено: 02-04-2017 21:27
Вчерашний улов.

пришел поспрашивать
Группа: Участники
Сообщений: 39
Добавлено: 02-04-2017 22:58

Обломки плат электронных ПРА для металлогалогенных ламп.

мастер
Группа: Участники
Сообщений: 627
Добавлено: 03-04-2017 13:49
В коробке от ножей-вилок валялось на мусорке

мастер
Группа: Участники
Сообщений: 773
Добавлено: 03-04-2017 17:47
блок,

гигант мысли
Группа: Участники
Сообщений: 5744
Добавлено: 03-04-2017 17:50
Любопытно: СВЧ + тепловой детектор движения?

мастер
Группа: Участники
Сообщений: 773
Добавлено: 08-04-2017 21:49
Сегодняшний улов.

гигант мысли
Группа: Участники
Сообщений: 5744
Добавлено: 08-04-2017 23:04
Кучка разного и некая платка:

главный по тарелочкам
Группа: Участники
Сообщений: 2542
Добавлено: 08-04-2017 23:07
Что за три цилиндра лежат ?

гигант мысли
Группа: Участники
Сообщений: 5744
Добавлено: 08-04-2017 23:17
Серого цвета? Это фильтры электро-механические. На днях выложу отдельно.

гигант мысли
Группа: Участники
Сообщений: 4411
Добавлено: 09-04-2017 01:02
некая платка

На плате указан тип блока питания, из которого эта плата, В240 от СМ-1800, сигналы управления питанием.

вошел во вкус
Группа: Участники
Сообщений: 169
Добавлено: 09-04-2017 17:31
Сегодняшний улов.

Ого! 514ПР1 дешифратор с памятью - только наслышан о нём. Хорошая у вас свалка. Можно в магазин дорогу забыть.
Кстати, если вдруг они не представляют для вас интереса - готов выменять на что нибудь.

главный по тарелочкам
Группа: Участники
Сообщений: 2186
Добавлено: 09-04-2017 18:10
Останки прибора В7-35...у меня такой есть в практически полной комплектации..

вошел во вкус
Группа: Участники
Сообщений: 151
Добавлено: 10-04-2017 00:06
Вопрос
И пара вот таких панелек с 3ЛС341 с какой-то нашей измериловки:

Ответ
Сижу и не понимаю...
Нашел вот такую вот переднюю панельку с надписью "Стенд Я4С-76".
Набираю в интернете "Я4С-76" и не вижу НИЧЕГО подобного...
Что же это за стенд такой, от которого эта панель?



гигант мысли
Группа: Участники
Сообщений: 5744
Добавлено: 10-04-2017 14:47
Панелька с мощными транзисторами, блочок и панель с пачкой тумблеров МТ1:



гигант мысли
Группа: Участники
Сообщений: 5744
Добавлено: 10-04-2017 19:27
И вот такая вот мега странная штука!



магистр
Группа: Участники
Сообщений: 1411
Добавлено: 10-04-2017 20:21
Чего же в ней такого странного ?! Пассивный вч распределитель. Такие в несколько ином, правда исполнении, массово встречаются на станциях постановки помех. К каждому выходу подключают свой полосовой фильтр и усилитель.

гигант мысли
Группа: Участники
Сообщений: 6778
Добавлено: 10-04-2017 21:38
Оччччень интересная штуковина...

гигант мысли
Группа: Участники
Сообщений: 5744
Добавлено: 11-04-2017 18:33
Некий задатчик времени (таймер? Реле времени?). Маркировки нет никакой.

вошел во вкус
Группа: Участники
Сообщений: 286
Добавлено: 11-04-2017 20:50
Интересно, что находится в ламповой панели? Внешне напоминает какой-то терморегулятор, если не присматриваться к надписям.

гигант мысли
Группа: Участники
Сообщений: 5744
Добавлено: 12-04-2017 00:51
Там электрометрическая лампа ЭМ-6.

вошел во вкус
Группа: Участники
Сообщений: 286
Добавлено: 12-04-2017 00:55
Довольно нетипичное применение весьма дефицитной лампы. Прежде я встречал подобные лампы в тераомметрах и вакууметрах. Видимо, это какое-то непростое реле времени, возможно, очень точное и стабильное, для ответственных применений.

гигант мысли
Группа: Участники
Сообщений: 5744
Добавлено: 12-04-2017 12:33
Блочок с военки.

гигант мысли
Группа: Участники
Сообщений: 6778
Добавлено: 14-04-2017 05:27
Нашлись в полузаброшенной кладовой... Высоковольтные блоки питания электрофотографических аппаратов БВ-9,0-1,5 :


мастер
Группа: Участники
Сообщений: 773
Добавлено: 15-04-2017 23:05
улов.

гигант мысли
Группа: Участники
Сообщений: 5744
Добавлено: 16-04-2017 19:58
Некий макет из 70-ых
Содержит нехилые LC-фильтры, несколько усилительных каскадов на 1Т311 и кольцевой смеситель. Корпус согнут и сварен из толстой латуни.




гигант мысли
Группа: Участники
Сообщений: 5744
Добавлено: 17-04-2017 12:35
Какая-то японская платка:


И наша плата с кучей реле РЭС-9 и 10:


Шильдик оригинально сделан:

магистр
Группа: Участники
Сообщений: 1411
Добавлено: 17-04-2017 14:16
И наша плата с кучей реле РЭС-9 и 10:

Советское видеонаблюдение Что-то из серии телевизионных установок ПТУ-60/61 и/или камер КТП-83/87 и иже с ними...

мастер
Группа: Участники
Сообщений: 773
Добавлено: 18-04-2017 22:18
Сегодняшний улов.

вошел во вкус
Группа: Участники
Сообщений: 144
Добавлено: 19-04-2017 11:03
Дорогой ГТ906 , я конечно понимаю, что у вас напрочь нету времени, что-то показать поподробнее (столько хлама надо разобрать) из того что вы находите. Но зачем же тогда создавать интригу и показывать то, что многие хотели бы увидеть поподробнее. Барьер-2М например. Не знаю,кто и как, а я с удовольствием бы посмотрел на, не куроченный прибор. Просто показывать внешний вид прибора - это нелогично. Вы бы хоть шильдик показывали или серийный номер. А так, вы делайте глупое занятие, как показать, то чего нет у других. У вас ведь есть тема, так и покажите нам его поподробнее. У меня например в последнее время просто гора всего, что можно показать, но я это пока просто не фоткаю (время, времчко). Т.к. понимаю, большинство оставшихся адептов сайта, те кто хочет получить знания а не содержание драгулек (хотя одно другому не мешает)

гигант мысли
Группа: Участники
Сообщений: 5744
Добавлено: 20-04-2017 01:46
Помогите опознать некий блок управления от какого-то промышленного оборудования. Есть предположение, что он мог иметь отношение к оборудованию по работе с фотошаблонами, фотопластинками и тп при изготовлении плат, гис или чего-то другого подобного...


вошел во вкус
Группа: Участники
Сообщений: 144
Добавлено: 20-04-2017 11:22
Эх, вот вы бы рядом шильдик интересный сфоткали. У меня для них даже отдельная папочка имеется. Что же за изделие делал завод с таким вычурным логотипом. Видна надпись "завод МЕТАЛЛОИЗДЕЛИЙ 4" и далее что-то "московское правление ....хххх"

Гость
Добавлено: 20-04-2017 11:38
Дорогой ГТ906 , я конечно понимаю, что у вас напрочь нету времени, что-то показать поподробнее (столько хлама надо разобрать) из того что вы находите. Но зачем же тогда создавать интригу и показывать то, что многие хотели бы увидеть поподробнее. Барьер-2М например. Не знаю,кто и как, а я с удовольствием бы посмотрел на, не куроченный прибор. Просто показывать внешний вид прибора - это нелогично. Вы бы хоть шильдик показывали или серийный номер. А так, вы делайте глупое занятие, как показать, то чего нет у других. У вас ведь есть тема, так и покажите нам его поподробнее. У меня например в последнее время просто гора всего, что можно показать, но я это пока просто не фоткаю (время, времчко). Т.к. понимаю, большинство оставшихся адептов сайта, те кто хочет получить знания а не содержание драгулек (хотя одно другому не мешает)


Пара барьеров имеется. могу на выходных сделать фото.

вошел во вкус
Группа: Участники
Сообщений: 144
Добавлено: 20-04-2017 11:52
Отлично! Ели оба абсолютно идентичные, то у второго только шильдик. Ну и как вы понимаете публика тут "притязательная" и поэтому для одних конденсаторы, для других децималы, а третьим элементарную базу подавай. Ну во общем вы услышали, а мы радостно кивнули.

ПЫ.СЫ. Слабо конечно вериться, но может у вас пачпарту к ним куда нибудь на сканер закатилось или коробочка от них. Так сказать для полной комплектации фотоархива.

Гость
Добавлено: 20-04-2017 12:06
Отлично! Ели оба абсолютно идентичные, то у второго только шильдик. Ну и как вы понимаете публика тут "притязательная" и поэтому для одних конденсаторы, для других децималы, а третьим элементарную базу подавай. Ну во общем вы услышали, а мы радостно кивнули.

ПЫ.СЫ. Слабо конечно вериться, но может у вас пачпарту к ним куда нибудь на сканер закатилось или коробочка от них. Так сказать для полной комплектации фотоархива.


К сожалению нет, паспорта, наверное в мусоре давно уже(Это все на списание идет, я их даже не брал, мне они были не интересны, но в таком случае заеду в пятницу, заберу парочку). Паспорта все таки гляну, хотя и очень вряд ли, хотя к визирам и радисам были..

гигант мысли
Группа: Участники
Сообщений: 5744
Добавлено: 20-04-2017 13:06
Что же за изделие делал завод с таким вычурным логотипом. Видна надпись "завод МЕТАЛЛОИЗДЕЛИЙ 4" и далее что-то "московское правление ....хххх"

Это просто сейф советский Таких до сих полно на всяких предприятиях и институтах.

Эх, вот вы бы рядом шильдик интересный сфоткали.

Если еще не вывезли, попробую зайти туда и сфоткать.

гигант мысли
Группа: Участники
Сообщений: 5744
Добавлено: 20-04-2017 13:57
Может заодно кто-нибудь сможет опознать вот такой предположительно промышленный контроллер? Внутри была гора плат в основном на 155 и 511 сериях. Их фото будут позднее. На шильдике была эмблема ЛЭМЗ в ромбе, сфоткать не получилось...


вошел во вкус
Группа: Участники
Сообщений: 144
Добавлено: 21-04-2017 09:47
Это просто сейф советский Таких до сих полно на всяких предприятиях и институтах.

О дорогой Александ, вы не поверите, но логотип завода сейфов был бы очень кстати. Может у кого сейчас какие мысли дурные в голову залезут,но у меня два сейфа (тоже с металлоприемки) и все без логотипов. Ведь производство сейфов это тоже наука, а непросто взял и сварил ящик.

магистр
Группа: Участники
Сообщений: 1411
Добавлено: 21-04-2017 14:56
Ведь производство сейфов это тоже наука, а непросто взял и сварил ящик.

Позволю уточнить. Не сейфов как таковых, а замочных систем. Ибо без замка сейф это просто тяжелый железный ящик. И вот его таки как раз- взял и сварил.

вошел во вкус
Группа: Участники
Сообщений: 130
Добавлено: 21-04-2017 16:32
TURBO, каждый такой моторчик (в коробке из-под вилок) - сейчас официально 100 баксов стоит!
ГТ906, у Вас там, прям электронный Клондайк, какая-то суперспецовая "свалка", можно магазин открывать. Вообще-то, больше на приёмку аффинажного предприятия смахивает.

Электролиты классные! Такая себе, батарейка на 6000 мкФ!! НЧ накопительный фильтр после выпрямителя 220 В какого-то мощного ИВЭП с ППЧ (инвертора)?!

мастер
Группа: Участники
Сообщений: 542
Добавлено: 21-04-2017 19:40
Конденсаторы, найденные в сущности, на помойке. Один уже показывал, вот группой. 19800мкф 400В.

гигант мысли
Группа: Участники
Сообщений: 5744
Добавлено: 21-04-2017 22:12
По некому блоку управления, показанному выше.
Фото начинки и плат крупно.
Начинка порадовала: аккуратный монтаж, заливка лаком, многие детали с ВП или даже ОС. Явно серьезное оборудование было.



Платы:



мастер
Группа: Участники
Сообщений: 554
Добавлено: 21-04-2017 23:30
По некому блоку управления, показанному выше.

Увидел платы и узнал. Находил такие же на свалке филиала Авангарда. Но тут у нас и ГИС делали и платы...
Если покопаться в гараже, то можно найти и пару этих игольчатых радиаторов и мостик диодный на уголке..

гигант мысли
Группа: Участники
Сообщений: 5744
Добавлено: 22-04-2017 11:29
Но тут у нас и ГИС делали и платы...

Аха, так и у нас тут тоже!
Значит мое предположение о том, что это часть от оборудования, связанного с фотопроцессами изготовления плат/подложек/гис и тд, оказалось верно

гигант мысли
Группа: Участники
Сообщений: 6778
Добавлено: 22-04-2017 11:57
Конденсаторы, найденные в сущности, на помойке. Один уже показывал, вот группой. 19800мкф 400В.


Ув. Electricman , конденсаторы меняете/продаёте?

мастер
Группа: Участники
Сообщений: 554
Добавлено: 22-04-2017 21:55
Значит мое предположение о том, что это часть от оборудования, связанного с фотопроцессами изготовления плат/подложек/гис и тд, оказалось верно

Значит верно Я саму коробку не видел, а платы все были, кроме той, что с множеством силовых транзисторов. Правда подраны все на ДРМ были. Но да, сделаны культурно и 155 серия с ромбами.
Находил еще на той же свалке УФ осветитель, думаю для экспозиции подложек ГИС. На ДРШ-350 вроде как сделан был. Сама лампа была в коробке, стенки которой образовывали радиаторы с каналами для водяного охлаждения. На одном из радиаторов была табличка с предупреждением о взрывоопасности сей лампады

вошел во вкус
Группа: Участники
Сообщений: 286
Добавлено: 22-04-2017 23:19
Когда учился, видел установку для фотолитографии интегральных схем, там был похожий блок.

гигант мысли
Группа: Участники
Сообщений: 5744
Добавлено: 24-04-2017 16:51
Некий древний макет, в котором использованы бескорпусные транзисторы прямо в таре


магистр
Группа: Участники
Сообщений: 1411
Добавлено: 24-04-2017 16:55
Усилитель с мощным выходным каскадом ?! Интересно было бы его разрисовать, куда же там столько транзисторов

гигант мысли
Группа: Участники
Сообщений: 5744
Добавлено: 25-04-2017 00:56
Панелька, точнее ее остатки...

гигант мысли
Группа: Участники
Сообщений: 5744
Добавлено: 25-04-2017 01:00
Ув. SEMIMASA, вот шильдик сейфа по вашей просьбе:


Интересно, что такое "Москва И-75"?

вошел во вкус
Группа: Участники
Сообщений: 231
Добавлено: 25-04-2017 01:53

Интересно, что такое "Москва И-75"?

Хех. Я молодой и то помню :)
https://ru.wikipedia.org/wiki/%D0%9F%D0%BE%D1%87%D1%82%D0%BE%D0%B2%D0%BE%D0%B5_%D0%B4%D0%B5%D0%BB%D0%B5%D0%BD%D0%B8%D0%B5_%D0%9C%D0%BE%D1%81%D0%BA%D0%B2%D1%8B
Соответственно, сейчас, это почтовое отделение 129075

А вот шестиразрядные номера телефонов с буквой - даже боюсь предстваить себе, когда это было.

гигант мысли
Группа: Участники
Сообщений: 6778
Добавлено: 25-04-2017 03:07
Конденсаторы, найденные в сущности, на помойке. Один уже показывал, вот группой. 19800мкф 400В.


Ув. Electricman , конденсаторы меняете/продаёте?

Тишина...

мастер
Группа: Участники
Сообщений: 888
Добавлено: 25-04-2017 10:10
А вот шестиразрядные номера телефонов с буквой - даже боюсь предстваить себе, когда это было.


Не столь давно, как кажется:

Местные номера обычно состояли из 5–7 цифр, причём семизначные номера были только в Москве (с 1968 года), в Ленинграде (с 1976 года) и Киеве (с 1981 года).

мастер
Группа: Участники
Сообщений: 542
Добавлено: 25-04-2017 11:05

Тишина...


Увы, такие самому приводятся в хозяйстве.

гигант мысли
Группа: Участники
Сообщений: 6778
Добавлено: 25-04-2017 13:09
Вот теперь ясно ...

вошел во вкус
Группа: Участники
Сообщений: 231
Добавлено: 25-04-2017 22:40

Не столь давно, как кажется:

Для меня - очень давно...

гигант мысли
Группа: Участники
Сообщений: 5744
Добавлено: 26-04-2017 00:38
Часть какого-то изделия:


Состоит из плат видимо являющихся управляемыми выпрямителями на диодах и тиристорах:


И вот таких книжек

гигант мысли
Группа: Участники
Сообщений: 6778
Добавлено: 27-04-2017 13:18
На предыдущей странице показаны фото блока высоковольтного БВ-9-1,5, а здесь его паспорт:


Заодно и логотип Благовещенского завода "Амурэлектроприбор".

гигант мысли
Группа: Участники
Сообщений: 5744
Добавлено: 29-04-2017 09:53
Пульт

гигант мысли
Группа: Участники
Сообщений: 6778
Добавлено: 29-04-2017 10:48
Пульт
[url=http://savepic.net/9185908.htm]

Рассмешило, что две ручки регуляторов расположены впритык друг к другу, как-будто места не хватает ...

мастер
Группа: Участники
Сообщений: 713
Добавлено: 29-04-2017 20:38
две ручки регуляторов расположены впритык

Похоже там раньше гнёзда были или подстроечники под отвёртку.

гигант мысли
Группа: Участники
Сообщений: 6778
Добавлено: 29-04-2017 20:40
Наверное...Чтобы закрыть отверстия, поступили так...

знающий
Группа: Участники
Сообщений: 320
Добавлено: 30-04-2017 20:37
на этот раз немного находок



знающий
Группа: Участники
Сообщений: 320
Добавлено: 30-04-2017 20:38



знающий
Группа: Участники
Сообщений: 320
Добавлено: 30-04-2017 20:44




мастер
Группа: Участники
Сообщений: 956
Добавлено: 30-04-2017 23:24

сегодня такую хрень забрали у меня с ремонта. Коронатор для полиэтиленового рукава,2200мкф,400в.стоит.Они продаются,правда стоят не по детски.

вошел во вкус
Группа: Участники
Сообщений: 286
Добавлено: 30-04-2017 23:47
Пульт

Похоже на заводской стенд для тестирования какого-либо модуля. Изделие штучное, и потому собрано на макетной плате. Интересные тумблера там стоят...

гигант мысли
Группа: Участники
Сообщений: 5744
Добавлено: 01-05-2017 00:32
Интересные тумблера там стоят...

А вроде обычные П1Т3-2В

гигант мысли
Группа: Участники
Сообщений: 6778
Добавлено: 01-05-2017 03:32

Если ЭТО со свалки, как гласит тема, то обошёл бы стороной ...

Гость
Добавлено: 01-05-2017 06:13
Это точно! У меня такие новые есть)

знающий
Группа: Участники
Сообщений: 320
Добавлено: 01-05-2017 09:49
Это точно! У меня такие новые есть)

так они новые и есть

мастер
Группа: Участники
Сообщений: 773
Добавлено: 01-05-2017 22:57

Гость
Добавлено: 01-05-2017 23:32
Ну нихрена себе у вас свалочки.

гигант мысли
Группа: Участники
Сообщений: 5744
Добавлено: 02-05-2017 00:15
Да явно все это либо со свалок на территории НИИ, предприятий, военных частей и объектов и тп, либо фотки с точки приемки драгов...


гигант мысли
Группа: Участники
Сообщений: 6778
Добавлено: 02-05-2017 01:20
Тоже в этом уверен...

мастер
Группа: Участники
Сообщений: 810
Добавлено: 02-05-2017 12:17
Пульт

Похоже на заводской стенд для тестирования какого-либо модуля. Изделие штучное, и потому собрано на макетной плате. Интересные тумблера там стоят...


Я тоже про них хотел написать.Мне попадались только в серезных вещах все ромбиком.Первые выпуски (или определенные маркировки) были с драгами а по сему были уничтожены на лом.Мне удалось запастись для себя несколькими штуками как раз буду ставить один в прект которым сей час занимаюсь.Могли для стенда использовать и МТ1 в декоративном исполнении.

Р173 это радиостанция ??? Колпачки даже на разъемах есть.

гигант мысли
Группа: Участники
Сообщений: 5744
Добавлено: 02-05-2017 12:27

Мне попадались только в серезных вещах все ромбиком.

Да, в гражданку они, полагаю, не попадали в принципе.


Первые выпуски (или определенные маркировки) были с драгами а по сему были уничтожены на лом.

Тут от маркировки:
П1Т3-1В - контакты Au,
П1Т3-2В - контакты Ag.
Первые шли видимо в самые ответственные места и сигнальные цепи, вторые - куда попало. Ну и первых, разумеется, на сегодняшний день сохранилось куда меньше.


Могли для стенда использовать и МТ1 в декоративном исполнении.

Ну стенд для серьезных целей явно, вот и поставили хорошие переключатели. Да и скорее всего недостатка в них на предприятии не было

Зы: позднее выложу еще несколько подобных изделий с П1Т3, где их еще больше установили

мастер
Группа: Участники
Сообщений: 637
Добавлено: 02-05-2017 13:50


Если верит инету ..та тачка стоит дешевле


Одна из самых дорогостоящих радиостанций ВПК:
По последним сведениям цена комплекта радиостанции Р-173 достигает 300000 рублей!

мастер
Группа: Участники
Сообщений: 790
Добавлено: 02-05-2017 14:31
Да явно все это либо со свалок на территории НИИ
Зы: позднее выложу еще несколько подобных изделий...

Уважаемый lalka! Ну создайте уже наконец свою персональную тему с названием "На свалке моего института"! Потому что не знаю как на счет последних фоток ГТ906, но ни одна из показанных здесь именно вами фоток, к реальным свалкам, точно никакого отношения - НЕ ИМЕЕТ!
Находка на свалке - это например когда выносил из дома ведро с мусором, а вернулся с осциллографом!
Раньше заходишь в тему - интересно было посмотреть какие же "радио-сокровища" люди "тупо" выбрасывают в мусор. Сейчас же "благодаря" вам, почти вся тема превратилась в фотоотчет "достижений" вашего института!
Так что убедительно попросил бы, или создайте уже свою авторскую тему, или закидывайте свои фотки в тему "Новые интересные приобретения"!

гигант мысли
Группа: Участники
Сообщений: 5744
Добавлено: 02-05-2017 14:39
От чего такое недовольство?
Вы уверены, что все кроме меня выкладывают реальные находки с обычных помоек? А я вот нет...
И что - теперь каждому создавать свои темы?

Предлагаю всем активным участникам данной темы высказаться по данному вопросу.

гигант мысли
Группа: Участники
Сообщений: 5744
Добавлено: 02-05-2017 14:42

Раньше заходишь в тему - интересно было посмотреть какие же "радио-сокровища" люди "тупо" выбрасывают в мусор.

Вот именно, что раньше.
А сейчас благодаря интернету по теме драгмета в РД почти каждый что-то знает. Поэтому на обычных помойках если только китайские магнитофоны находить сейчас. Что-то существеннее и интереснее, особенно военку и выше, на обычной свалке все реже и реже найти можно...

мастер
Группа: Участники
Сообщений: 790
Добавлено: 02-05-2017 14:49
lalka, просто пролистайте первые страницы темы и - "почувствуйте разницу"!
"Свалка" - это понятие общедоступное! Закрытые/ограждённые/охраняемые территории - таковыми НЕ ЯВЛЯЮТСЯ! Т.к. никто из "простых смертных" не имеет возможности совершить туда "экспедицию" для пополнения своих коллекций, или других потребностей по своей профи или хобби-теме! Вот именно об этом (общедоступных местах) тема в своё время и была создана! По этому институтские/заводские и другие закрытые территории - это тема уже для совершенно другой... темы!)


гигант мысли
Группа: Участники
Сообщений: 7902
Добавлено: 02-05-2017 15:11
Я поддержу автора текущей темы - ведь благодаря в основном его находкам данная тема развивается.

Александр lalka - вам никто не возбранил создать тему аля "моя коллекция", "мои находки" - ведь у многих давних или тогда постоянных участников такая (ну, примерно...) была - наверно самым первым был легендарный "вандалик".

гигант мысли
Группа: Участники
Сообщений: 5744
Добавлено: 02-05-2017 15:40
Я поддержу автора текущей темы

А он что-то разве уже высказал?

вам никто не возбранил создать тему аля "моя коллекция", "мои находки"

Ну значит и многим другим тоже стоит создать такие темы.
Ведь к примеру многое выкладываемое ув. alex1959, тоже явно не с городской свалки родом...

вошел во вкус
Группа: Участники
Сообщений: 231
Добавлено: 02-05-2017 16:00
Одна из самых дорогостоящих радиостанций ВПК:
По последним сведениям цена комплекта радиостанции Р-173 достигает 300000 рублей!

Просто люди не знают порядок заводских цен ВПК. 300К - это дешево, можно сказать.

Правда потом умники пытаются продать по ценам, близким к заводским и после пары лет висения объяв на барахолках все это оказывается в пуктах приема ДМ.

гроссмейстер
Группа: Участники
Сообщений: 1120
Добавлено: 02-05-2017 16:12
Интересно, работает?

знающий
Группа: Участники
Сообщений: 382
Добавлено: 02-05-2017 17:09
Вот точно девайс со свалки


Еще был найден вот такой магазин кварцев

мастер
Группа: Участники
Сообщений: 790
Добавлено: 02-05-2017 17:21
Ну значит и многим другим тоже стоит создать такие темы.

Так многие другие и создают!
Вот например был еще здесь на форуме такой человек, (имеющий доступ к заводской свалке ПО "Квазар") под ником bati. Ну так он никому же не "втирал" что типа "случайно нашел"! А создал свою "авторскую" тему.

Ведь к примеру многое выкладываемое ув. alex1959, тоже явно не с городской свалки родом...

Так потому тема и "сбилась с пути", что один что-то "нашел" в своём институте, другой "нашел" у себя в кладовке, третий опять-таки в кавычках "нашел" на складе своего предприятия.. Но "конфликтность" всех этих "находок" в том - что к данной теме, повторю ещё раз(!) - они никакого отношения не имеют!
По этому все любители подобных "типа находок" - создавайте свои персональные темы, ну а мы уже просто посмотрим и может немного позавидуем!


вошел во вкус
Группа: Участники
Сообщений: 242
Добавлено: 02-05-2017 18:14
Вот точно девайс со свалки
Еще был найден вот такой магазин кварцев

Когда-то это было таким сокровищем!

Это набор сменных кварцев для авиационной радиостанции РСИУ-3М

У меня тоже такой набор имеется.

мастер
Группа: Участники
Сообщений: 888
Добавлено: 02-05-2017 19:00
vodoley: просто пролистайте первые страницы темы и - "почувствуйте разницу"! "Свалка" - это понятие общедоступное!
Ага-ага. Полистал:
упаковка микросхем к144ир2
Свалка, где валяется такое, полюбасу место не общедоступное.

vodoley: Находка на свалке - это например когда выносил из дома ведро с мусором, а вернулся с осциллографом!
Это будет находка не на свалке, а на помойке. А если кроме шуток, то ограничив тему только тем, что найдено строго и сугубо в мусорном контейнере с бытовыми отходами, Вы эту тему убьёте. Поскольку хоть немного стоящие внимания вещи в тех контейнерах попадаются весьма редко и шансов, что их обнаружите Вы, вынося мусорное ведро, а не бомжи, целенаправленно оные контейнеры шерстящие, близки к нулю.

гигант мысли
Группа: Участники
Сообщений: 5744
Добавлено: 02-05-2017 19:21
Спасибо за понимание и поддержку, ув. ingOK !
Я про то и говорю: в этой теме изначально были экземпляры и находки явно не с обычных помоек и свалок, т.е если и менять что-то, то чистить и перебирать всю тему! Но какой в этом смысл и ради чего?..
Тем более НИГДЕ в теме не говорится, что выкладывать надо строго находки с городских свалок.
Вообщем я думаю, что последнее слово будет за ув. mretro, как за администратором ресурса. Если он решит, что всем делать свои темы, а сюда только находки с мусорок выкладывать, значит так и будем поступать. Если решит оставить все, как сейчас, то я буду ему благодарен и буду и далее выкладывать свои находки в этой теме.

мастер
Группа: Участники
Сообщений: 790
Добавлено: 02-05-2017 20:01
ограничив тему только тем, что найдено строго и сугубо в мусорном контейнере с бытовыми отходами, Вы эту тему убьёте

Ну тогда, чтобы никого не обманывать, то надо просто переименовать эту тему в "Всякие находки"! Потому что если здесь начнут мерятся институтскими и заводскими складами, к которым кое-кому посчастливилось иметь доступ, то своему первоначальному смыслу и названию - она отвечать уже совсем не будет!

Тем более НИГДЕ в теме не говорится, что выкладывать надо строго находки с городских свалок.

Так потому и не говорится, что ещё при создании данной темы - тогда это было всем понятно "само собой"!

мастер
Группа: Участники
Сообщений: 810
Добавлено: 02-05-2017 20:18
Я например против дублирования тем.Конечно дословно находка на свалке не означает что вещь должна вся в пищевых отходах запресована в мусоровозе попасть на полигон а там ее нашли.

Данная тема предполагает что какието изделия одним людям не нужные были оставлены подарены выкинуты.И они попали в руки людям которые увлекаются данной тематикой.И не важно где вы нашли осцилограф на полигоне.Возле контейнера мусорного или вам сосед его отдал потому что не знает что это а нести в бак ему в западло.А вы ему пива за это купили литру.Или выменяли изделие на заводе в отделе по списанию на спичечный коробок КМ-ок.
Можно если автор захочет тему переименовать в НАЙДЕННОЕ ИЛИ ДОСТАЛОСЬ БЕСПЛАТНО.
Да у автора темы гдето рядом полигон расположен.Но я не считаю что другие участники не могут сюда писать или нужно бесконечно дублировать темы каждому.

Насчет радиостанции просветите это и передатчик и приемник в одном корпусе? И в каком диапазоне она работает? А то я не спец в этом деле.

магистр
Группа: Участники
Сообщений: 1411
Добавлено: 02-05-2017 20:20
Вот не понимаю.
Даже закрытая свалка за двойным периметром с контрольно-следовой полосой, видеонаблюдением и датчиками вибрации почвы на подступах к внешнему периметру- это все равно свалка. И уж никак не склад и/или пункт приема металлолома. И зачастую аппаратура лежит там под открытым местом рядом со списанным содержимым столового склада, со всеми так сказать, вытекающими последствиями, иногда в прямом смысле этого слова...

Современная действительность такова, что есть люди, имеющие доступ на подобные объекты, и нет ничего зазорного в том, чтобы показать оттуда свои приобретения, к тому же зачастую весьма редкие и интересные.

Да и на городские свалки сейчас тоже не очень-то "просто так" пройти, там тоже сейчас "охранно-коммерческий" режим вноса/выноса...по крайней мере в крупных городах.

П1Т3-2В - контакты Ag.
Первые шли видимо в самые ответственные места и сигнальные цепи, вторые - куда попало. Ну и первых, разумеется, на сегодняшний день сохранилось куда меньше.

Не совсем так. Разный режим токовой нагрузки. Те которые 2В очень хорошо ставить в силовую коммутацию, питание например. Вот там как раз 1В может не подойти Так что куда попало их не ставят

мастер
Группа: Участники
Сообщений: 773
Добавлено: 02-05-2017 20:49
Я например против дублирования тем.Конечно дословно находка на свалке не означает что вещь должна вся в пищевых отходах запресована в мусоровозе попасть на полигон а там ее нашли.

Данная тема предполагает что какието изделия одним людям не нужные были оставлены подарены выкинуты.И они попали в руки людям которые увлекаются данной тематикой.И не важно где вы нашли осцилограф на полигоне.Возле контейнера мусорного или вам сосед его отдал потому что не знает что это а нести в бак ему в западло.А вы ему пива за это купили литру.Или выменяли изделие на заводе в отделе по списанию на спичечный коробок КМ-ок.
Можно если автор захочет тему переименовать в НАЙДЕННОЕ ИЛИ ДОСТАЛОСЬ БЕСПЛАТНО.
Да у автора темы гдето рядом полигон расположен.Но я не считаю что другие участники не могут сюда писать или нужно бесконечно дублировать темы каждому.

Насчет радиостанции просветите это и передатчик и приемник в одном корпусе? И в каком диапазоне она работает? А то я не спец в этом деле.


час мусоровозев пищевых пищевых тикие кучи трудно копать
не свалку приходят часто грузовые машины либо газели или бункеровозы с них можно что то поискать.

знающий
Группа: Участники
Сообщений: 411
Добавлено: 02-05-2017 21:13
А я допускаю, что в некоторых отдалённых регионах, до бомжей на свалках могут доехать, выброшенные какой-нибудь кладовщицей аэропорта тётей Дусей, нечислящиеся железяки из дальнего закоулка склада. Бабули-кладовщицы не очень-то заморачиваются раздракониванием того, что можно просто выбросить (это же надо ещё знать, что там внутри содержит). Ещё в советское время, правда, частенько такие бабушки просили меня освободить складскую территорию от загромождающих ящиков. Вот прямо так: "сколько увезёте". Ещё и подсказывали куда проехать. Главное, что никто от таких "пропаж" не страдал. А один раз даже попал на погрузку в самосвал для вывоза в металлолом: "да бери сколько хочешь, нам меньше грузить". И всё в присутствии бабушек: "вон там пустые ящики возьми"

Гость
Добавлено: 02-05-2017 22:00
Помню в 70-х годах при профилактике заменил лампы на возбудителях ВД-32 (целый ящик 12Ж1Л) и вынес ящик на свалку. Через пару часов обнаружил ящик у двери в аппаратную-уборщица подумала, что кто-то пытался украсть, ну и "предотвратила"
Бывает и так.

мастер
Группа: Участники
Сообщений: 773
Добавлено: 02-05-2017 22:47
Вот не понимаю.
Даже закрытая свалка за двойным периметром с контрольно-следовой полосой, видеонаблюдением и датчиками вибрации почвы на подступах к внешнему периметру- это все равно свалка. И уж никак не склад и/или пункт приема металлолома. И зачастую аппаратура лежит там под открытым местом рядом со списанным содержимым столового склада, со всеми так сказать, вытекающими последствиями, иногда в прямом смысле этого слова...

Современная действительность такова, что есть люди, имеющие доступ на подобные объекты, и нет ничего зазорного в том, чтобы показать оттуда свои приобретения, к тому же зачастую весьма редкие и интересные.

Да и на городские свалки сейчас тоже не очень-то "просто так" пройти, там тоже сейчас "охранно-коммерческий" режим вноса/выноса...по крайней мере в крупных городах.

П1Т3-2В - контакты Ag.
Первые шли видимо в самые ответственные места и сигнальные цепи, вторые - куда попало. Ну и первых, разумеется, на сегодняшний день сохранилось куда меньше.

Не совсем так. Разный режим токовой нагрузки. Те которые 2В очень хорошо ставить в силовую коммутацию, питание например. Вот там как раз 1В может не подойти Так что куда попало их не ставят


Да у нас свалка тоже огорожена сеткои и есть видеонаблюдение у ворот и сторож и то он сидит вагоне его контроль въезд машин чтобы зашла проплачена а что завозят или вывозят такова контроля нет бывало подход еж сторожу можно зайти на свалку освоенном пускали был один не пускал если его смена то просто не доезжая свалки тормозил мусоровоза и с ним заезжал и обратно так же.

мастер
Группа: Участники
Сообщений: 773
Добавлено: 02-05-2017 23:31
Да явно все это либо со свалок на территории НИИ, предприятий, военных частей и объектов и тп, либо фотки с точки приемки драгов...


Это все из бело выброшено из гаража просто хозяйка решила очистит
гараж заказала газель погрузили и вывезли на деревенскую свалку и
два мужика все это содержимое забрали на цветмет все это разделили пополам как р173 их было 2шт и два генератора и лампомер
один мужик позвонил моему знакомому телемастеру и сказал что есть
аппараты может нужны на запчасти он приехал там были только генератор не тронутый и платы от р173 и лампомер а корпуса уже были сданы.
он ему сказал у напарника такои же комплект аппаратов он поехал в напарнику у него р173 была разобрана только блоки и сне снятые были дале не успел е разобрать так мой знакомый у них забрал и привез себе позвонил мне поехал к нему забрал все это. так мне р173 пришлос обратно е собрать.

вот что осталос от второй р173.


мастер
Группа: Участники
Сообщений: 888
Добавлено: 03-05-2017 00:08
vodoley: Ну тогда, чтобы никого не обманывать, то надо просто переименовать эту тему в "Всякие находки"!
Можно и так. А можно создать такую тему параллельно этой и всем, кто не считает, что под "Находками на свалке" подразумеваются только предметы, подобранные в контейнере при выносе мусорного ведра, перейти отсюда туда. И тогда эта тема сама "утонет", а параллельная останется. А ещё можно прислушаться к мнению топикстартера и оставить всё как есть.

В общем, поддержу предложение lalka:
последнее слово будет за ув. mretro, как за администратором ресурса.


PS А ещё, специально для эстетов, можно припасти картофельной кожуры и подсолнечной шелухи, чтобы посыпать ими всё выкладываемое сюда перед фотосессией.

мастер
Группа: Участники
Сообщений: 888
Добавлено: 03-05-2017 00:10
Насчет радиостанции просветите это и передатчик и приемник в одном корпусе? И в каком диапазоне она работает? А то я не спец в этом деле.

ТТХ, общее устройство Р-173

пришел поспрашивать
Группа: Участники
Сообщений: 10
Добавлено: 03-05-2017 00:10
уборщица подумала, что кто-то пытался украсть, ну и "предотвратила"
Бывает и так.

так я от телевизоров избавлялся..вытряхнул что надо и отнёс.
вечером-все 4 были на лестничной площадке, сосед принёс..

мастер
Группа: Участники
Сообщений: 888
Добавлено: 03-05-2017 00:24
так я от телевизоров избавлялся..вытряхнул что надо и отнёс.
вечером-все 4 были на лестничной площадке

Стивен Кинг, "Вещи, которые остались после них".

гигант мысли
Группа: Участники
Сообщений: 4878
Добавлено: 03-05-2017 14:04
153УД2 на фото с точкой, рядом ОСМ153УД2, точка означает ОС, ОСМ?


гигант мысли
Группа: Участники
Сообщений: 5744
Добавлено: 03-05-2017 14:27
Просто нереальные по своей солидности и монументальности линии задержки

Первая покрупнее.


Открываем крышку. Корпус фрезерованный из латуни, стенки весьма толстые, все посеребренное, имеется герметизирующая резинка.
Начинка закрыта еще одной экранирующей крышкой.


Снимаем эту крышку.


Извлекаем рабочий элемент. Скорее всего он сделан из кварца или подобного материала.


Обратная сторона элемента также посеребрена.


Невероятно красивая и мощная штука, хочется создателям руки пожать

гигант мысли
Группа: Участники
Сообщений: 5744
Добавлено: 03-05-2017 14:30
Вторая поменьше и более квадратная, но устройство такое же.






гигант мысли
Группа: Участники
Сообщений: 6778
Добавлено: 03-05-2017 15:54

гигант мысли
Группа: Участники
Сообщений: 8494
Добавлено: 03-05-2017 19:06
Просто нереальные по своей солидности и монументальности линии задержки

Ох, ни струя себе!

мастер
Группа: Участники
Сообщений: 637
Добавлено: 03-05-2017 19:27

Никогда не приходилось делать...но похоже на остатки термопота.

мастер
Группа: Участники
Сообщений: 637
Добавлено: 03-05-2017 19:33
Просто нереальные по своей солидности и монументальности линии задержки

Ох, ни струя себе!


В доцифровую эпоху на линиях задежки легко реализовывались различные кодировщики дешифраторы ...может это из этой оперы.

гигант мысли
Группа: Участники
Сообщений: 6778
Добавлено: 03-05-2017 19:59

Никогда не приходилось делать...но похоже на остатки термопота.

Из-за водяного насоса забрал...

знающий
Группа: Участники
Сообщений: 411
Добавлено: 03-05-2017 22:03
Просто нереальные по своей солидности и монументальности линии задержки

...

Невероятно красивая и мощная штука, хочется создателям руки пожать

Ультразвуковая?
Дойдут руки, сниму одну такую, последнюю из оставшихся у меня. Там гранёный диск с излучателем и приёмником, звук пробегает по кругу, отражаясь от граней

гигант мысли
Группа: Участники
Сообщений: 5744
Добавлено: 03-05-2017 22:05

Ультразвуковая?

Почему-то мне кажется, что на ПАВ.


Дойдут руки, сниму одну такую, последнюю из оставшихся у меня. Там гранёный диск с излучателем и приёмником, звук пробегает по кругу, отражаясь от граней

О! У меня тоже подобная лежит, пока не фотографировал. Интересно будет сравнить с вашей

знающий
Группа: Участники
Сообщений: 411
Добавлено: 03-05-2017 23:42

О! У меня тоже подобная лежит, пока не фотографировал. Интересно будет сравнить с вашей

Децимальный ВА?

знающий
Группа: Участники
Сообщений: 411
Добавлено: 04-05-2017 21:42
Ага, только в сборе

Сначала подумал в прозекторскую выложить, а потом оно же всё равно на свалке найдено. Корпус был запаян


Металлические ЛЗ с тремя-четырьмя отражениями, а есть и две "двухэтажные" с семью

вошел во вкус
Группа: Участники
Сообщений: 298
Добавлено: 04-05-2017 21:50
оно же всё равно на свалке найдено.

Сопроцессоры тоже со свалки?

знающий
Группа: Участники
Сообщений: 411
Добавлено: 04-05-2017 21:57
Почти

гигант мысли
Группа: Участники
Сообщений: 5744
Добавлено: 04-05-2017 23:48
Ага, только в сборе

Грандиозное изделие!
Если это не секретно, ответьте пожалуйста на пару вопросов:
- Изделие родом из авиации?
- Какое у него назначение - просто линия задержки или все хитрее?
- Что за черные штуки внутри блока (4шт)?

знающий
Группа: Участники
Сообщений: 411
Добавлено: 05-05-2017 00:08
71 год, Миг-23 какие секреты? Линии задержки, тоже УЗ, но металлические. Точки отражения разделены прорезями против паразитных отражений и акустической развязки. Две штуки "двухэтажные", там виден "уголковый отражатель" на другой "этаж".

гигант мысли
Группа: Участники
Сообщений: 5744
Добавлено: 05-05-2017 00:12
А назначение этого блока в сумме известно?

знающий
Группа: Участники
Сообщений: 411
Добавлено: 05-05-2017 00:18
Я не в курсе конкретно этой штуки, но функции, как в любой другой РЛС

гигант мысли
Группа: Участники
Сообщений: 5744
Добавлено: 05-05-2017 00:20
Неужели свертка сигналов с помощью ЛЗ?

администратор
Группа: Администраторы
Сообщений: 8045
Добавлено: 05-05-2017 09:13
71 год, Миг-23 какие секреты? Линии задержки, тоже УЗ, но металлические. Точки отражения разделены прорезями против паразитных отражений и акустической развязки. Две штуки "двухэтажные", там виден "уголковый отражатель" на другой "этаж".


Если кто не понял, могу повторить. Авионику обсуждаем только времен ВОВ и ПО-2. Еще одно нарушение и кое-кто пойдет отдыхать деньков на 30. Хочется показывать и обсуждать, велкам на профильный форум любителей авиации.

гигант мысли
Группа: Участники
Сообщений: 5744
Добавлено: 05-05-2017 12:18
Панелька

магистр
Группа: Участники
Сообщений: 1411
Добавлено: 05-05-2017 12:23
Вот. Держатели светодиодов. Интересны. Черкните на почту пожалуйста

гигант мысли
Группа: Участники
Сообщений: 5744
Добавлено: 06-05-2017 19:01
Некая странная переходная плата. Полагаю, что из ЗИпа к какой-то измериловке.

магистр
Группа: Участники
Сообщений: 1411
Добавлено: 06-05-2017 23:47
К генератору Г4-158. Вот сколько их эксплуатировал и ремонтировал,- а на заводе где я имел удовольствие работать, этих генераторов было десятками, ремплат не было ни к одному...

гигант мысли
Группа: Участники
Сообщений: 6778
Добавлено: 07-05-2017 05:32
В этой переходной плате, часть её, распаянная на разъём, из того же гибкого материала, что и сама материнка генератора Г4-158. Групповой ЗИП заказывали обычно организации, которые брали сами генераторы десятками...

Гость
Добавлено: 07-05-2017 10:07
Почти


А, кстати 386 и сопры 287 в обмене/продаже?Есть интерес в приобретении, а то у вас почты в профиле нет)

мастер
Группа: Участники
Сообщений: 773
Добавлено: 07-05-2017 21:46
найдено в мусорном баке.

гигант мысли
Группа: Участники
Сообщений: 5744
Добавлено: 08-05-2017 00:13
Нужно мнение спецов по советским калькуляторам, от чего эти платы? Вообще не узнаю...

А можете сделать получше фото отростка платы с калькуляторными БИС, где установлены небольшие микросхемы?

гигант мысли
Группа: Участники
Сообщений: 4411
Добавлено: 08-05-2017 00:18
http://www.leningrad.su/museum/show_calc.php?n=12

гигант мысли
Группа: Участники
Сообщений: 5744
Добавлено: 08-05-2017 00:33
Спасибо!
А плата с третьей фото тоже от него?

знающий
Группа: Участники
Сообщений: 411
Добавлено: 08-05-2017 00:35

гроссмейстер
Группа: Участники
Сообщений: 1120
Добавлено: 08-05-2017 00:47
Да, это 4-71Б скорее всего. Но клава очень ранняя. Там лампочек в контактах нет?

главный по тарелочкам
Группа: Участники
Сообщений: 2186
Добавлено: 08-05-2017 13:31
найдено в мусорном баке




P.S.Когда я увидел огромную коробку с надписями КМ-реально потерял покой и самообладание.

гигант мысли
Группа: Участники
Сообщений: 5086
Добавлено: 08-05-2017 15:04
найдено в мусорном баке

Часики весьма интересуют. Их бы Виктору Ф отослать на вскрытие.

гигант мысли
Группа: Участники
Сообщений: 7902
Добавлено: 08-05-2017 16:18
с затертостями на К10-17а тоже занятно. Кстати я не припомню вроде таких К10-17а именно в этом варианте корпуса с датой в 1985 год, - фотка в коллекцию.

мастер
Группа: Участники
Сообщений: 810
Добавлено: 08-05-2017 21:38
А черные все пошкрябанные.Это что маркировку правили?

мастер
Группа: Участники
Сообщений: 773
Добавлено: 08-05-2017 22:03
не много находок со свалки.

мастер
Группа: Участники
Сообщений: 773
Добавлено: 08-05-2017 22:18
попалос част обезжиренных плат.

пришел поспрашивать
Группа: Участники
Сообщений: 14
Добавлено: 08-05-2017 23:14
ГТ906 У Вас что нибудь авиационное на продажу/обмен есть в коллекции?

главный по тарелочкам
Группа: Участники
Сообщений: 2186
Добавлено: 09-05-2017 00:16
непонятно-правили ли маркировку,но больше похоже на заводской брак..абсолютно все конденсаторы имеют такой дефект..

гигант мысли
Группа: Участники
Сообщений: 5744
Добавлено: 09-05-2017 00:26
Еще панелька

вошел во вкус
Группа: Участники
Сообщений: 286
Добавлено: 09-05-2017 01:23
Еще панелька

Снова интересные тумблера. И маркировка сделана вручную. Как называются эти тумблера?

магистр
Группа: Участники
Сообщений: 1411
Добавлено: 09-05-2017 01:45
Называются они П1Т3, в данном случае, скорее всего с контактами из серебра, поэтому полностью наименование их будет П1Т3-2В

гигант мысли
Группа: Участники
Сообщений: 7902
Добавлено: 10-05-2017 13:39
попалось част обезжиренных плат




жаль что как раз этот КМ не был обращен к объективу маркировкой.. Понятно, что виды с дэшками, ашками для определенной категории читателей весьма привлекательны, но лично мне интересны как раз те что для них только "общие"..

мастер
Группа: Участники
Сообщений: 627
Добавлено: 10-05-2017 16:13
Я как то раньше выкладывал телефонную станцию

а вот теперь кто то довыбросил к ней пару трубок


гигант мысли
Группа: Участники
Сообщений: 5744
Добавлено: 12-05-2017 20:27
Вот такой уже частично подранный пульт:

мастер
Группа: Участники
Сообщений: 773
Добавлено: 12-05-2017 21:12
блок.

мастер
Группа: Участники
Сообщений: 637
Добавлено: 12-05-2017 22:23
блок.


Источник питания 3.976.013 для гелий-неоновых лазеров

знающий
Группа: Участники
Сообщений: 320
Добавлено: 14-05-2017 23:21




мастер
Группа: Участники
Сообщений: 580
Добавлено: 23-05-2017 22:42
Вот такая антенна нашлась












вошел во вкус
Группа: Участники
Сообщений: 286
Добавлено: 23-05-2017 23:48
блок.

Судя по заглушке на разъеме, и не потемневшим резисторам, блок мог ни разу не использовавшись, проваляться на складе, а потом отправиться на свалку за ненадобностью. Печальная участь приборов, изготовленных в последние годы существования СССР...

мастер
Группа: Участники
Сообщений: 627
Добавлено: 26-05-2017 10:59
Когда то давно нашел на мусорке плеер Амфитон, сегодня под руку плата от него попалась.

гигант мысли
Группа: Участники
Сообщений: 5744
Добавлено: 26-05-2017 12:28
Платки

вошел во вкус
Группа: Участники
Сообщений: 286
Добавлено: 26-05-2017 13:40
Платки

Учебный стенд для изучения архитектуры микропроцессора. Когда я учился, на таких мы делали лабораторные.

гигант мысли
Группа: Участники
Сообщений: 5744
Добавлено: 26-05-2017 13:46
Сомнительно.
Они с вот такого пульта.


Полагаю, что это что-то промышленное. По типу управления станком или нечто подобное...

вошел во вкус
Группа: Участники
Сообщений: 286
Добавлено: 26-05-2017 13:58
Может быть, инженерный пульт для отладки какой-либо ЭВМ, или тестирования устройств памяти.

Гость
Добавлено: 26-05-2017 14:07
Учебный стенд для изучения архитектуры микропроцессора. Когда я учился, на таких мы делали лабораторные.


У нас познавали процессор на комплекте "Микролаб 580ИК80"

http://cs3.pikabu.ru/images/big_size_comm/2014-03_3/13947069001524.jpg
Вот правда получили мы его уже после тго, как большинство уже освоило РК-86
п.с. На память остались только чемодан и БП

вошел во вкус
Группа: Участники
Сообщений: 286
Добавлено: 26-05-2017 14:14
Учебный стенд для изучения архитектуры микропроцессора. Когда я учился, на таких мы делали лабораторные.


У нас познавали процессор на комплекте "Микролаб 580ИК80"

http://cs3.pikabu.ru/images/big_size_comm/2014-03_3/13947069001524.jpg
Вот правда получили мы его уже после тго, как большинство уже освоило РК-86

Когда-то этот комплект рекламировался в журнале "Радио". Где-то до сих пор изучают по таким...

знающий
Группа: Участники
Сообщений: 382
Добавлено: 26-05-2017 14:24
Они с вот такого пульта.


А случаем это не ручной программатор ПЗУ? Самое то перемычки пережигать таким

вошел во вкус
Группа: Участники
Сообщений: 286
Добавлено: 26-05-2017 14:38
Судя по надписям на клавиатуре, может и оно. Мечта радиолюбителя конца 80-х - начала 90-х

вошел во вкус
Группа: Участники
Сообщений: 150
Добавлено: 26-05-2017 20:58
Я как то раньше выкладывал телефонную станцию

а вот теперь кто то довыбросил к ней пару трубок



Можно сравнить с "Вилией". http://kxk.ru/dustyattic/v1_707095_34.php

мастер
Группа: Участники
Сообщений: 888
Добавлено: 26-05-2017 21:18
Вот такой блок питания:





Не сказать, чтобы особо мощный, но тяжеленный...

главный по тарелочкам
Группа: Участники
Сообщений: 2186
Добавлено: 27-05-2017 00:21





главный по тарелочкам
Группа: Участники
Сообщений: 2186
Добавлено: 27-05-2017 00:23






вошел во вкус
Группа: Участники
Сообщений: 286
Добавлено: 27-05-2017 00:38
Вот такой блок питания:





Не сказать, чтобы особо мощный, но тяжеленный...


И похоже, что с трехфазным входом.

вошел во вкус
Группа: Участники
Сообщений: 286
Добавлено: 27-05-2017 00:46



Интересный экземпляр. Выпущен в 1989, но при этом ламповый. Хотя еще раньше выпускались похожие терморегуляторы на транзисторах.

гигант мысли
Группа: Участники
Сообщений: 5744
Добавлено: 27-05-2017 00:50
Судя по деталям в целом, разработка жестко лохматых годов

пришел поспрашивать
Группа: Участники
Сообщений: 37
Добавлено: 27-05-2017 06:09
Насколько помню, под платиновую термопару сделана, Pt100. Действительно долго использовалась в камерах сушки на покрасочных линиях.

знающий
Группа: Участники
Сообщений: 443
Добавлено: 27-05-2017 09:53
Прибор с галетниками и "телефонными" реле - если не ошибаюсь, кодовый замок из Сберкассы времён СССР.

гигант мысли
Группа: Участники
Сообщений: 5744
Добавлено: 27-05-2017 12:54
Интересно, что такое сигнатурный анализатор и зачем он нужен?

гигант мысли
Группа: Участники
Сообщений: 5086
Добавлено: 27-05-2017 13:11
Интересно, что такое сигнатурный анализатор и зачем он нужен?

Если воспользоваться интернетом по прямому назначению, то вот первая ссылка: Сигнатурный анализатор
Очень помогал для ремонта микропроцессорной техники. Даже самодельные делали. Все упиралось в отсутствие специальных щупов, которых требовалось довольно много. А без хороших щупов СА практически бесполезен.

гигант мысли
Группа: Участники
Сообщений: 5744
Добавлено: 27-05-2017 13:28
Спасибо, прочел, вопрос закрыт!

Коробочка с сюрпризом:

мастер
Группа: Участники
Сообщений: 888
Добавлено: 27-05-2017 13:33
И похоже, что с трехфазным входом.
Да, он трёхфазный, с возможностью выбора питания ~3ф 380В или ~3ф 220В.

мастер
Группа: Участники
Сообщений: 810
Добавлено: 27-05-2017 18:10
Блок питания "зверь" похоже на трансформаторы ТН61 190 Вт.
Непонятно военка или нет.Тумблера почему то гражданские да еще с пластмассовыми ручками.

мастер
Группа: Участники
Сообщений: 888
Добавлено: 27-05-2017 20:01
Непонятно военка или нет.Тумблера почему то гражданские да еще с пластмассовыми ручками.

Военка. Наземное устройство обработки полетной информации "Луч-71М-К1". Тумблера типа Т1, Т3 и П2Т в КПА часто встречаются.

вошел во вкус
Группа: Участники
Сообщений: 286
Добавлено: 27-05-2017 21:42
Спасибо, прочел, вопрос закрыт!

Коробочка с сюрпризом:

Похоже на какой-то антенный усилитель. А как шло питание к нему?

вошел во вкус
Группа: Участники
Сообщений: 286
Добавлено: 27-05-2017 22:30
Прибор с галетниками и "телефонными" реле - если не ошибаюсь, кодовый замок из Сберкассы времён СССР.

В контексте остальных приборов, найденных с ним, кодовый замок, скорее всего, ограничивал доступ посторонним в помещение КБ. В универе, где я учился, тоже осталось много клавиатур кодовых замков на дверях различных лабораторий.

гигант мысли
Группа: Участники
Сообщений: 5744
Добавлено: 28-05-2017 01:03

Похоже на какой-то антенный усилитель. А как шло питание к нему?

14 транзисторов и отсутствие индуктивных элементов - это точно не антенный усилитель

вошел во вкус
Группа: Участники
Сообщений: 286
Добавлено: 28-05-2017 10:58
Может, он широкополосный?

гигант мысли
Группа: Участники
Сообщений: 5744
Добавлено: 28-05-2017 18:58
Да кто уже сейчас скажет, что это за коробочка и зачем... Просто в мусоре была найдена на работе...

мастер
Группа: Участники
Сообщений: 637
Добавлено: 28-05-2017 20:48

Похоже на какой-то антенный усилитель. А как шло питание к нему?

14 транзисторов и отсутствие индуктивных элементов - это точно не антенный усилитель


Транзисторы довольно ВЧ
Граничная частота коэффициента передачи тока в схеме с общим эмиттером =>1500 МГц .. может с обратной стороне что-то есть?

мастер
Группа: Участники
Сообщений: 813
Добавлено: 29-05-2017 06:54
14 транзисторов и отсутствие индуктивных элементов - это точно не антенный усилитель

Скорее всего какой-то перестраиваемый напряжением аттенюатор.

гигант мысли
Группа: Участники
Сообщений: 5744
Добавлено: 29-05-2017 12:26
может с обратной стороне что-то есть?

Три керамических конденсатора и все

магистр тайных сил
Группа: Участники
Сообщений: 1557
Добавлено: 29-05-2017 16:50

Коробочка с сюрпризом:

Похоже на какой-то антенный усилитель. А как шло питание к нему?

Возможно это широкополосный усилиьель-комутатор.
Есть один вход и два выхода, сигнал на которые проходит при подаче напяжения питания на разъемчики по бокам от центрального.

пришел поспрашивать
Группа: Участники
Сообщений: 60
Добавлено: 29-05-2017 20:28
Спасибо, прочел, вопрос закрыт!

Коробочка с сюрпризом:

Похоже на какой-то антенный усилитель. А как шло питание к нему?

А по моему к ВЧ вообще отношение не имеет

мастер
Группа: Участники
Сообщений: 773
Добавлено: 29-05-2017 22:54
Платки найдены в мешке просто чистили гараж отдали два мешка телевизионных плат.
были приготовлены на свалку.

мастер
Группа: Участники
Сообщений: 536
Добавлено: 30-05-2017 17:34
У нас по-проще.Плата управления стиралки "Иволга".Передняя панель была покоцана,но надпись гласила Иволга СМП 501.На самом деле: Длина платы 40см,поэтому далее кусками.В поиске только фото новой модели и переделка всего на пикконтроллере.

гигант мысли
Группа: Участники
Сообщений: 5744
Добавлено: 02-06-2017 13:24
Некий промышленный контроллер.

Фото корпуса-корзины. К сожалению, подробнее не будет, тк пока относил платы из нее, саму корзину увели...


Платы из него. Были в разном количестве от 1шт до 12шт на один тип.











мастер
Группа: Участники
Сообщений: 956
Добавлено: 03-06-2017 19:52

смц-2п

мастер
Группа: Участники
Сообщений: 888
Добавлено: 03-06-2017 23:31
Ещё один блок от Луч-71:








мастер
Группа: Участники
Сообщений: 888
Добавлено: 03-06-2017 23:58
МН-П:






гигант мысли
Группа: Участники
Сообщений: 5744
Добавлено: 04-06-2017 00:15
Бортовой магнитофон или тоже из наземной аппаратуры?

мастер
Группа: Участники
Сообщений: 888
Добавлено: 04-06-2017 11:01
Из наземной. Устройство "Обзор-МП" для перезаписи информации с бортовых "чёрных ящиков" типа "Тестер УЗ" на кассеты БК-2, вот такие:

для последующего вывода полетных параметров на НУО "Луч", "Маяк", "Топаз".
Фото кассеты не моё. Кстати, на фото кассета некомплектная: отсутствует шторка, закрывающая доступ к магнитной ленте и прижимному ролику. Эта шторка при эксплуатации довольно быстро начинала клинить и её снимали, чтоб не мешала. Да и самой ленты там явно уже нет - шкала указателя % перекручена цифрами в непрозрачный сектор окошка.
Магнитофон МН-П мог либо переноситься на ремне, пропускаемом в антабки по бокам передней панели (то ещё удовольствие, таскать его, плюс бухту жгута для подсоединения) либо (чаще всего), ставился на штатную двухколёсную тележку: сверху магнитофон, снизу ящик под 4 кассеты, жгут накручен вокруг ручки тележки. Вот, нашёл фото, только ящик снят:

мастер
Группа: Участники
Сообщений: 773
Добавлено: 04-06-2017 21:02

знающий
Группа: Участники
Сообщений: 411
Добавлено: 04-06-2017 21:49
Блок питания "зверь" похоже на трансформаторы ТН61 190 Вт.
Непонятно военка или нет.Тумблера почему то гражданские да еще с пластмассовыми ручками.

Тумблера с пластмассовыми ручками не редкость и на борту. Они довольно выносливы. Вот, после топтания по ней, имеет неприглядный вид, но щёлкает нормально

На всякий случай приложу выписку

это именно по теме

гигант мысли
Группа: Участники
Сообщений: 5744
Добавлено: 05-06-2017 00:34
Из архивов старых фоток: остатки некой Электроники МС9002.
Или только БП... сейчас уже и не вспомню...

главный по тарелочкам
Группа: Участники
Сообщений: 2542
Добавлено: 05-06-2017 00:56
Это ДВК-3М уничтожили http://retropc.org/DVK_3M_CHasti_s_6.html

гигант мысли
Группа: Участники
Сообщений: 5744
Добавлено: 07-06-2017 14:26
Некий БС-1-41В Макет, примерно вторая половина 60-ых.

Чутка подранный - похоже вынули переменный резистор ПП3 и СП5 с платки:


Транзистор П210 оказался быстросъемным вместе с радиатором. Видимо часто горел...


Подвал:


Очень необычно оказались упакованы старенькие ЭТО-2:


гигант мысли
Группа: Участники
Сообщений: 5744
Добавлено: 10-06-2017 11:43
Внутризаводское поделие.
Пульт управления неким очень странным электромагнитом родом из начала 70-ых. Назначение самого электромагнита неизвестно.
Внутри синхронный двигатель, передаточный механизм, переменный резистор ПЛ2.1 и еще по мелочи.


мастер
Группа: Участники
Сообщений: 580
Добавлено: 10-06-2017 12:27
Двухголовый конвертор спутниковой антенны не китай.










гроссмейстер
Группа: Участники
Сообщений: 1003
Добавлено: 11-06-2017 00:30
Ну только верхний ряд.

гигант мысли
Группа: Участники
Сообщений: 5744
Добавлено: 12-06-2017 01:13
Это ведь держатели для металлических светодиодов, да?

гигант мысли
Группа: Участники
Сообщений: 5744
Добавлено: 12-06-2017 19:25
Даже весьма старые! Хорошая находка

вошел во вкус
Группа: Участники
Сообщений: 130
Добавлено: 14-06-2017 00:32
lalka
Это ведь держатели для металлических светодиодов, да?
Интересненько! А что внутри полого цилиндра? Снаружи - 4 вывода, по два на разных плоскостях и уровнях. Не видно перехода "внутрь - наружа".

гигант мысли
Группа: Участники
Сообщений: 5744
Добавлено: 14-06-2017 00:38
Вот так похоже:

гигант мысли
Группа: Участники
Сообщений: 5744
Добавлено: 14-06-2017 01:06
Вот ещё покопался в барахле, может интересно


А есть у кого что на кр1101пд1? Ничего не смог в интернете по ней найти...

зашел на огонёк
Группа: Участники
Сообщений: 3
Добавлено: 14-06-2017 02:50
А есть у кого что на кр1101пд1? Ничего не смог в интернете по ней найти...

Не знал, что у нас на Позитроне и такое делали…

ИНСТИТУТ ЯДЕРНОЙ ФИЗИКИ СО АН СССР
В.М. Аульченко, Б.О. Байбусинов, В.М. Титов
ИНФОРМАЦИОННЫЕ ПЛАТЫ ТП, ДТ и T2A СИСТЕМЫ СБОРА ДАННЫХ КЛЮКВА
Основой ЗЦП является интегральная микросхема КР1101ПД1 [5] преобразователя заряд — амплитуда — время (Q — А — Т). Работа микросхемы состоит в интегрировании входного тока на емкости памяти в течение действия сигнала управления (сигнал «ворота»). После окончания импульса управления начинается преобразование, состоящее в разряде емкости памяти постоянным током. В течение времени преобразования микросхема генерирует логический сигнал, используемый для управления счетчиком тактовой частоты 125 мГц.


ИНСТИТУТ ФИЗИКИ ВЫСОКИХ ЭНЕРГИЙ
М.В. Васильев, В.А. Сенько, М.М. Солдатов
16-КАНАЛЬНЫЙ ЗАРЯДОЧУВСТВИТЕЛЬНЫЙ АЦП ДЛЯ СЦИНТИЛЛЯЦИОННЫХ КАЛОРИМЕТРОВ
Особенность микросхемы КР1І01ПД1 состоит в необходимости использования для её
питания нестандартных напряжений +17В, -3В и +6В.


вошел во вкус
Группа: Участники
Сообщений: 130
Добавлено: 14-06-2017 09:55
lalka: Вот так похоже
Аха... Вот, теперь видно, где "собако зарыто". Понятно такоже и, для чего две дальние ноги с длинной предплощадкой.

мастер
Группа: Участники
Сообщений: 888
Добавлено: 14-06-2017 11:22
А есть у кого что на кр1101пд1?
Судя по всему, он должен быть в справочнике Новаченко И.В., Телец В.А., и др. Микросхемы для бытовой радиоаппаратуры. Дополнение третье. Но где его можно скачать бесплатно и без регистрации не нашел.

мастер
Группа: Участники
Сообщений: 501
Добавлено: 14-06-2017 11:24
А есть у кого что на кр1101пд1? Ничего не смог в интернете по ней найти...

Не знал, что у нас на Позитроне и такое делали…

Какое - такое? КР1101ПД1 бытовая, была в какой-то МРБшной брошюре по бытовым микросхемам годах в 1989-1990, за давностью лет уже не помню названия и номера выпуска. Но с неё эта книжка начиналась.

upd: да, вроде то, что выше на 2 минуты раньше написали, Новаченко-Телец.

вошел во вкус
Группа: Участники
Сообщений: 130
Добавлено: 14-06-2017 11:31
За бесплатно КР1101ПД1 есть у Нефёдова, на с. 279 (скачать Нефедов А. В. Интегральные микросхемы и их зарубежные аналоги. Том 8 - 10,2 Мб),
но можно и укупить, всего-то - за 3 кило рубликов ТУ 11-БК0.348.864ТУ-86

мастер
Группа: Участники
Сообщений: 501
Добавлено: 14-06-2017 11:56
Что характерно, была ещё К1102ПД1:

Много ли вы знаете микросхем с функциональным назначением "ПД"? А тут две соседние серии с очень похожим номером.

вошел во вкус
Группа: Участники
Сообщений: 130
Добавлено: 14-06-2017 11:58
-=vr=-: КР1101ПД1 бытовая

Ну, насчёт бытовой - вопрос спорный.
КР1101ПД1 - стробируемый преобразователь заряда короткого импульса во временной интервал и предназначена для применения в метрологическом и испытательном оборудовании, устройствах приема информации от датчиков.
А, вот - один из примеров её применения в совсем не детских устройствах (в документе - на с. 8).

К1102ПД1 - компаратор с одновибратором на выходе (преобразователь длительности) и предназначена для обработки сигналов низкого уровня.

гигант мысли
Группа: Участники
Сообщений: 5744
Добавлено: 14-06-2017 12:05
КР1101ПД1 бытовая

А зачем в бытовухе такой хитрый преобразователь?

гигант мысли
Группа: Участники
Сообщений: 8494
Добавлено: 14-06-2017 14:50
Вообще, конечно, весьма любопытная микросхема. Разработчик - Институт физики высоких энергий (совместно с Родоном). Не бытовая точно Хотя к "войне" отношения тоже не имеет.

"Микросхема изготовлена по биполярной эпитаксиально-планарной технологии с использованием матричной ИС, содержащей 500 элементов. Кристалл матричной ИС содержит n-p-n и p-n-p транзисторы различной конфигурации, набор резисторов с номиналами в диапазоне от 10 Ом до 50 кОм, набор диффузионных перемычек и т.д."
Любопытно, что за матричная ИС взята за основу. Какой-то аналоговый БМК?

Вообще, 1101ПД1, ИМХО, вполне исчерпывающе описана в Монолитная интегральная схема
стробируемого преобразователя заряд-время
и диссертации одного из разработчиков ея (как я понял).

"Было изготовлено более 150 тысяч таких схем"

гигант мысли
Группа: Участники
Сообщений: 4878
Добавлено: 14-06-2017 15:18
КР1101ПД1

КР1101ПД1 - из Нефедова

К1102ПД1 - из Нефедова


вошел во вкус
Группа: Участники
Сообщений: 130
Добавлено: 14-06-2017 15:26
Клапауций: ... Не бытовая точно Хотя к "войне" отношения тоже не имеет.
В общем, для физики атомных энегрий - писифический продукт...

мастер
Группа: Участники
Сообщений: 501
Добавлено: 14-06-2017 18:58
КР1101ПД1 бытовая

А зачем в бытовухе такой хитрый преобразователь?


Ну, насчёт бытовой - вопрос спорный.


Не бытовая точно


Ну, это по адресу авторов справочника "Микросхемы для бытовой радиоаппаратуры". Видел её в этом справочнике 25 лет назад, вот и написал, а хитрое назначение, естественно, не держал в голове 25 лет))

вошел во вкус
Группа: Участники
Сообщений: 130
Добавлено: 14-06-2017 20:14
-=vr=-: Ну, это по адресу авторов справочника "Микросхемы для бытовой радиоаппаратуры".

Не плохо-с! Дас ист гут!

гигант мысли
Группа: Участники
Сообщений: 4878
Добавлено: 19-06-2017 19:32
DL000D=SN74LS00=К555ЛА3
DL004D=SN74LS04=К555ЛН1
DL008D=SN74LS08=К555ЛИ1
DL011D=SN74LS11=К555ЛИ3
DL074D=SN74LS74=К555ТМ2
1988,1989г

SN52741, SN72741 = 140УД7

По К243АГ1 ничего нет

гигант мысли
Группа: Участники
Сообщений: 5744
Добавлено: 19-06-2017 19:40

По К243АГ1 ничего нет

Еще как есть
Не помню, откуда сохранил или кто прислал... ГИС кстати получается весьма интересная.
В связи с отсутствием у меня облаков, я вам на почту отправил файл, ув. slami . А вы его уже тут разместите пожалуйста.

гигант мысли
Группа: Участники
Сообщений: 4878
Добавлено: 19-06-2017 19:47
Спасибо, выкладываю
К243АГ1

гигант мысли
Группа: Участники
Сообщений: 5744
Добавлено: 20-06-2017 14:49
Полностью выпотрошенная корзина от источника питания БПС6-1 от ЭВМ Э-60. Логотип производителя интересный.


Выжил только дроссель...

мастер
Группа: Участники
Сообщений: 888
Добавлено: 20-06-2017 16:13
Логотип производителя интересный.
Ставропольский "Изумруд".

гигант мысли
Группа: Участники
Сообщений: 5744
Добавлено: 22-06-2017 12:07
Похоже, остатки какого-то измерительного прибора.
Помогите опознать пожалуйста





Плата передней панели повкуснее:

гигант мысли
Группа: Участники
Сообщений: 4411
Добавлено: 22-06-2017 12:41
СК6-13

гигант мысли
Группа: Участники
Сообщений: 5744
Добавлено: 22-06-2017 12:52
Спасибо!
Нда, мало что от него осталось...

знающий
Группа: Участники
Сообщений: 320
Добавлено: 22-06-2017 20:06
Очень интересная вещица.. была выброшена и частично разломана.





знающий
Группа: Участники
Сообщений: 320
Добавлено: 22-06-2017 20:08


знающий
Группа: Участники
Сообщений: 320
Добавлено: 22-06-2017 20:10
второй экземпляр





знающий
Группа: Участники
Сообщений: 320
Добавлено: 22-06-2017 20:10


пришел поспрашивать
Группа: Участники
Сообщений: 76
Добавлено: 22-06-2017 20:14
Сегодня на контейнерной площадке в фанерной коробке , глазам своим не поверил ... Похоже кто то раздербанил какой то авиационный приборчик , правда там ещё была куча лампочек от ЧБ телевизоров и прочий хлам от бытовухи который я оставил любителям старины . Тразисторы с блока питания от какой то вычислительной машины , такие попадались и раньше . По номеркам на маленьких платах можно что то сказать откуда они ???


пришел поспрашивать
Группа: Участники
Сообщений: 76
Добавлено: 22-06-2017 21:27
Очень интересная вещица.. была выброшена и частично разломана.

Похоже на остатки следящей системы от той фигни которая не возвращается обратно ...
Щас Админ опять всё удалит .

знающий
Группа: Участники
Сообщений: 320
Добавлено: 22-06-2017 21:58
Очень интересная вещица.. была выброшена и частично разломана.

Похоже на остатки следящей системы от той фигни которая не возвращается обратно ...
Щас Админ опять всё удалит .

на втором блоке стоит такой же как у вас дгм-0.1д

пришел поспрашивать
Группа: Участники
Сообщений: 85
Добавлено: 22-06-2017 22:05

- неизвестно что без корпуса, 2 ноги
-

Похоже на пьезоэлемент(продавались в универмагах в 80е для звукоснимателей ,,радиол,, или т.п) прикрепить два провода,положить в книгу или журнал в включить в радиоточку=говорящий ,,бук,,.

гигант мысли
Группа: Участники
Сообщений: 5744
Добавлено: 22-06-2017 22:15
Очень интересная вещица.. была выброшена и частично разломана.

На первом фото просветленная линза? А что за ней - фотоприемник?

знающий
Группа: Участники
Сообщений: 320
Добавлено: 22-06-2017 22:32
Очень интересная вещица.. была выброшена и частично разломана.

На первом фото просветленная линза? А что за ней - фотоприемник?

Не понятно что внутри. Нужно разбирать его тогда увижу.как доберусь до него, разберу

гигант мысли
Группа: Участники
Сообщений: 4878
Добавлено: 23-06-2017 14:14

- неизвестно что без корпуса, 2 ноги

похоже на КД301

гигант мысли
Группа: Участники
Сообщений: 8494
Добавлено: 23-06-2017 14:39
На первом фото просветленная линза?

Я бы вообще сказал, что похоже на зеркально-линзовый объектив!

И номерки оччень интересные...

гигант мысли
Группа: Участники
Сообщений: 8494
Добавлено: 23-06-2017 14:42
По номеркам на маленьких платах можно что то сказать откуда они ???

Из Раменского

пришел поспрашивать
Группа: Участники
Сообщений: 22
Добавлено: 23-06-2017 21:31
и неизвестный предмет: явно нить накала, с вакуумным изолятором и спец-упаковка


Это нить накаливания от детектора по теплопроводности (катарометр) для газового хроматографа.

знающий
Группа: Участники
Сообщений: 320
Добавлено: 24-06-2017 00:12


разобрал данный аппарат. конструктив поражает .
представляю часть начинки





гигант мысли
Группа: Участники
Сообщений: 5744
Добавлено: 24-06-2017 01:14
Фото сделано уже после получаса разделывания ножом сплошной заливки из мягкого компаунда, вскрытия крышки и освобождения кристалла.
Некая ультразвуковая линия задержки.
Кристалл - не кварц, возможно сегнетова соль.




Гость
Добавлено: 25-06-2017 18:15
Давненько к вам не заходил, весело тут у вас ... Находки за выходные...


вошел во вкус
Группа: Участники
Сообщений: 286
Добавлено: 25-06-2017 18:31
Блок питания монитора хорошо прогрелся, даже плата потемнела...

гигант мысли
Группа: Участники
Сообщений: 5744
Добавлено: 25-06-2017 23:44
Центральная, подвижная часть от дискретного переключаемого ВЧ аттенюатора от какого-то измерительного прибора. Вроде как от осциллографа или генератора, но точно не знаю.
Очень красивое изделие, однозначно заслуживающее бирки "Солидно сделано!"

Все части:


Боковые стенки и общий кожух:


Центральный блок резисторов:


мастер
Группа: Участники
Сообщений: 773
Добавлено: 26-06-2017 22:48
Находки за выходные.

мастер
Группа: Участники
Сообщений: 627
Добавлено: 27-06-2017 11:24
Нашел тороидный то ли дроссель то ли транс размотал его и не понял чем он намотан вроде линцетрат но какой то он белый но не алюминий и блестящий, обмотан был старинной Советской тряпошной изолентой и пропитан чем то и на капитальных таких стойках это все дело. Вопрос что за провод и зачем такая добротность? И ещё попутно не совсем понятные детали
микрик, лампочка накаливания и какой то бескорпусной светочувствительный элемент


гигант мысли
Группа: Участники
Сообщений: 4878
Добавлено: 27-06-2017 14:00

Болгарский диод, аналог нашего Д226


знающий
Группа: Участники
Сообщений: 320
Добавлено: 27-06-2017 22:37
Нашел сегодня





знающий
Группа: Участники
Сообщений: 320
Добавлено: 27-06-2017 22:39





знающий
Группа: Участники
Сообщений: 320
Добавлено: 27-06-2017 22:40



гигант мысли
Группа: Участники
Сообщений: 5744
Добавлено: 28-06-2017 00:36
Ув. cuper , а есть возможность крупно отснять вот эти платы и посмотреть типы и года микросхем в баночных корпусах на них?

знающий
Группа: Участники
Сообщений: 320
Добавлено: 28-06-2017 08:14
Ув. cuper , а есть возможность крупно отснять вот эти платы и посмотреть типы и года микросхем в баночных корпусах на них?

Есть.отсниму выложу. Часть из плат уже пошла в разбор.

вошел во вкус
Группа: Участники
Сообщений: 176
Добавлено: 28-06-2017 13:15

Верхняя пустая плата , это заготовка для корзины ППЭВМ Искра-1030М

гигант мысли
Группа: Участники
Сообщений: 8494
Добавлено: 28-06-2017 14:18
Нашел сегодня

Интересные тут конденсаторные блоки, на втором фото. К31-7 ?

знающий
Группа: Участники
Сообщений: 320
Добавлено: 28-06-2017 14:39
Нашел сегодня

Интересные тут конденсаторные блоки, на втором фото. К31-7 ?

Маленькие сборки да и большие скорее всего тоже( маркировки на них нет)

мастер
Группа: Участники
Сообщений: 773
Добавлено: 28-06-2017 21:59

гигант мысли
Группа: Участники
Сообщений: 5744
Добавлено: 29-06-2017 13:26
Какой-то ВВ 400 Гц трансформатор в самопальном обрамлении


И пара плат от мини АТС Panasonic:




Гость
Добавлено: 29-06-2017 13:33
Делать было нечего, дело было вечером... Любителям так сказать, натурпродукта, наши железяки самые раздолбанные и самые грязные...


гигант мысли
Группа: Участники
Сообщений: 6778
Добавлено: 30-06-2017 16:34
Когда-то давно покупали много такой керамики ВеО, стоила недёшево, что-то около 1-го доллара штучка...

гроссмейстер
Группа: Участники
Сообщений: 1003
Добавлено: 30-06-2017 16:47
Когда-то давно покупали много такой керамики ВеО, стоила недёшево, что-то около 1-го доллара штучка...


Да и сейчас они не дешевы...

знающий
Группа: Участники
Сообщений: 320
Добавлено: 03-07-2017 13:52
Ув. cuper , а есть возможность крупно отснять вот эти платы и посмотреть типы и года микросхем в баночных корпусах на них?

Как просили, только платы со сборками уже нет


знающий
Группа: Участники
Сообщений: 320
Добавлено: 03-07-2017 13:53

гигант мысли
Группа: Участники
Сообщений: 5744
Добавлено: 03-07-2017 14:00
Спасибо!
И последний вопрос:
- верхняя С1УТ? Можно покрупнее?
- А нижняя - это кто?

гигант мысли
Группа: Участники
Сообщений: 4411
Добавлено: 03-07-2017 14:27
1УТ401А, Сдается, это платы от модема ШС-126

знающий
Группа: Участники
Сообщений: 320
Добавлено: 03-07-2017 14:43
Спасибо!
И последний вопрос:
- верхняя С1УТ? Можно покрупнее?
- А нижняя - это кто?

Как говорил раньше доберусь выложу

знающий
Группа: Участники
Сообщений: 320
Добавлено: 03-07-2017 14:45
Новый привоз




знающий
Группа: Участники
Сообщений: 320
Добавлено: 03-07-2017 14:47



гигант мысли
Группа: Участники
Сообщений: 5744
Добавлено: 03-07-2017 14:49
Хм, платы на 500-ой серии - уж не от ЕС-1050 ли?

знающий
Группа: Участники
Сообщений: 320
Добавлено: 03-07-2017 15:12
Хм, платы на 500-ой серии - уж не от ЕС-1050 ли?

Возможно.. ребятки лихо повыкусывали все КМ и часть разъемов.

мастер
Группа: Участники
Сообщений: 627
Добавлено: 03-07-2017 15:31
А может там и не было КМок вон там целая прорва кондесаторных сборок

знающий
Группа: Участники
Сообщений: 320
Добавлено: 03-07-2017 15:46
Были. остались куски ножек. видно на верхней левой фотографии.

знающий
Группа: Участники
Сообщений: 345
Добавлено: 03-07-2017 16:16
Хм, платы на 500-ой серии - уж не от ЕС-1050 ли?


от ЕС1036. там же написано ЕС2436, а это и есть процессор от 1036)
жаль никто не собирает такие платки, хотя бы только от процессорных шкафов. скоро совсем в небытие уйдут.

Гость
Добавлено: 03-07-2017 19:45
дожди пошли, потому небогато в эти выходные...

знающий
Группа: Участники
Сообщений: 320
Добавлено: 03-07-2017 21:57
Спасибо!
И последний вопрос:
- верхняя С1УТ? Можно покрупнее?
- А нижняя - это кто?

как обещал



вошел во вкус
Группа: Участники
Сообщений: 242
Добавлено: 03-07-2017 22:38
дожди пошли, потому небогато в эти выходные...

Хочу этот глобус!

Там внутренности-то целые?

гигант мысли
Группа: Участники
Сообщений: 5744
Добавлено: 04-07-2017 01:20
как обещал

Спасибо!
С - вроде как раннее обозначение ОС. Редкий экземпляр вам попался!

гигант мысли
Группа: Участники
Сообщений: 4411
Добавлено: 04-07-2017 09:55
Например, С2Т307 до сих пор с таким обозначением выпускают.

гигант мысли
Группа: Участники
Сообщений: 5744
Добавлено: 06-07-2017 14:23
В куче мусора привлекло внимание странное изделие с длинным названием ОС-РП 02/2-8/0-В.
Первая мысль - разъем.


Принес в помещение, чтобы рассмотреть получше и вскрыть.
Предположение, что это явно разъем, подтвердилось. Вот только странный он какой-то - неужели оптический!?


Попавшие внутрь влага и время свое дело сделали, но вскрыть удалось и реально - это оказался счетверенный оптический соединитель!


Просто офигеть!
Даже не представляю, где и зачем такую бандуру могли применять...

гигант мысли
Группа: Участники
Сообщений: 4411
Добавлено: 06-07-2017 14:32
ГОСТ 26793-85

гигант мысли
Группа: Участники
Сообщений: 5744
Добавлено: 06-07-2017 14:38
Спасибо большое, с маркировкой более-менее теперь понятно.
"Полевой" - ага...

мастер
Группа: Участники
Сообщений: 773
Добавлено: 06-07-2017 23:17

главный по тарелочкам
Группа: Участники
Сообщений: 2186
Добавлено: 07-07-2017 00:00
Покажите пожалуйста подробней устройство СГУ-120 "ЭЛЕКТ"

мастер
Группа: Участники
Сообщений: 804
Добавлено: 07-07-2017 14:33
УД-76 вроде на работе лежит почти в полной комплектации. Если есть интерес, могу после отпуска отфотографировать со вскрытием

Гость
Добавлено: 07-07-2017 22:33
У меня тоже есть такая коробочка. Лет 40 уже таскаю за собой, никак не придумаю куда ее приспособить.

Гость
Добавлено: 09-07-2017 18:26
на этот раз все интересное сильно разбомжовано, везде опоздал...)))


Гость
Добавлено: 09-07-2017 18:29
дожди пошли, потому небогато в эти выходные...

Хочу этот глобус!

Там внутренности-то целые?
нИзнаю, позже доберусь, гляну, рабочий али нет...

мастер
Группа: Участники
Сообщений: 773
Добавлено: 10-07-2017 22:04

знающий
Группа: Участники
Сообщений: 345
Добавлено: 10-07-2017 22:22
первые две обезображенные платы - начинка компьютера Агат-9. мат.плата и контроллер дисковода.

мастер
Группа: Участники
Сообщений: 773
Добавлено: 10-07-2017 22:42
первые две обезображенные платы - начинка компьютера Агат-9. мат.плата и контроллер дисковода.


да я эти первые две платы нашел сегодня вечером заехал поселке на свалку они лежали не далеко от заезда обычно разбирают сторожа тут же бросают.

гигант мысли
Группа: Участники
Сообщений: 5744
Добавлено: 11-07-2017 00:51
Панелька
Микросхемы кто-то уже выдрал до меня...


вошел во вкус
Группа: Участники
Сообщений: 286
Добавлено: 11-07-2017 03:02
Больше похоже не на микросхемы, а на резисторные сборки.

мастер
Группа: Участники
Сообщений: 810
Добавлено: 11-07-2017 04:03
Думали что это многоногая КМ-ка.
А вот диоды желтожопые оставили.

гигант мысли
Группа: Участники
Сообщений: 7902
Добавлено: 11-07-2017 05:42
там были планарные полупроводниковые микросхемы, ибо оставшуюся сборку резисторов обозначили как R33, хотя по стандарту - и полупроводниковые микросхемы и сборки, планарного типа, должны были обозначатся как D1, D2 и тд (изделия разработанные в 80е).
Пример части платы из С1-123


Кроме того, на фотографии (обсуждаемой) видны остатки оторваных выводов планарок - они жёлтые, в отличие от луженных выводов сборки.. Перезалью для удобности на нормальный фотохостинг:

знающий
Группа: Участники
Сообщений: 320
Добавлено: 11-07-2017 23:11
можно сказать с помойки...




знающий
Группа: Участники
Сообщений: 320
Добавлено: 11-07-2017 23:13




знающий
Группа: Участники
Сообщений: 320
Добавлено: 11-07-2017 23:14



знающий
Группа: Участники
Сообщений: 320
Добавлено: 11-07-2017 23:19




знающий
Группа: Участники
Сообщений: 320
Добавлено: 11-07-2017 23:21




знающий
Группа: Участники
Сообщений: 320
Добавлено: 11-07-2017 23:22


знающий
Группа: Участники
Сообщений: 320
Добавлено: 11-07-2017 23:23
Может кто подскажет что это?





вошел во вкус
Группа: Участники
Сообщений: 286
Добавлено: 11-07-2017 23:24
Кстати, счетчик сделан в Нальчике. У нас дома когда-то давно были электронные часы на его базе.

гигант мысли
Группа: Участники
Сообщений: 5744
Добавлено: 11-07-2017 23:43


Насколько помню школьную/институтскую физику, петелька тут из плутония...

гигант мысли
Группа: Участники
Сообщений: 5744
Добавлено: 11-07-2017 23:44
Может кто подскажет что это?

Там зеркальце внутри?
Может гальванометр? Хотя смущают 0,5кВ...

знающий
Группа: Участники
Сообщений: 320
Добавлено: 12-07-2017 00:09


Насколько помню школьную/институтскую физику, петелька тут из плутония...

Может когда то и был, сейчас дозиметр показывает норму

знающий
Группа: Участники
Сообщений: 320
Добавлено: 12-07-2017 00:10
Может кто подскажет что это?

Там зеркальце внутри?
Может гальванометр? Хотя смущают 0,5кВ...

Да зеркало, а под ним катушка. не могу сфотографировать, фокуса не хватает...

главный по тарелочкам
Группа: Участники
Сообщений: 3077
Добавлено: 12-07-2017 00:22


Насколько помню школьную/институтскую физику, петелька тут из плутония...

Может когда то и был, сейчас дозиметр показывает норму


Там альфа...Не каждый дозиметр покажет. И должен быть штуцер для откачки воздуха. Аккуратнее...Лучше утилизировать.

вошел во вкус
Группа: Участники
Сообщений: 176
Добавлено: 12-07-2017 06:22


Насколько помню школьную/институтскую физику, петелька тут из плутония...

Камера "Вильсона" для наглядного просмотра треков частиц. Петля из железа , но покрыта тонким слоем раствора Альфа источника , возможно и Плутонием (одним из его изотопов). Через стекло мерить бесполезно , всё излучением гасится стеклом , практически безопасен , если "петельку" не глотать

Гость
Добавлено: 16-07-2017 18:44
удачная неделя, видимо много народу "откинулось", только электроника...


главный по тарелочкам
Группа: Участники
Сообщений: 3077
Добавлено: 16-07-2017 19:13
Когда-нибудь и про наши железки, кто-то похожий, промышляющий в таких местах, подобное напишет....
Грустно......не правда-ли?

Гость
Добавлено: 16-07-2017 19:24
Если почитать тему, то можно найти всю мою печаль по этому поводу...
как то раз на работе поделился печалькой о найденным альбоме с фотками, военными, многие датированы до 45 года... И со мной поделились историей. Жила была девушка, был у нее хороший знакомый, просто хороший знакомый... Девушка жила себе потихонечку, мама ее умерла, сама она за муж не вышла и детей не нажила. А потом и она умерла, остались вещи... Альбом с ее фотографиями отдали ее хорошему знакомому ибо некому больше было, родственников не нашли. Знакомый этот, альбом выкинул, сказав что его дом не свалка, и он не может хранить все...

гигант мысли
Группа: Участники
Сообщений: 5744
Добавлено: 16-07-2017 19:24
Больше похоже на выброс хлама из углов какого-нибудь кабинета или офиса. Типичные изделия для таких мест...

Да, ув. checha , вы правы... Мне хоть и лет пока не очень много, но уже довольно часто задумываюсь об этом... Собираю всякие интересности, ищу чтобы были поценнее, более редкие и тд, а что в итоге? 100% после меня все это отправится на помойку или драгмет...

Гость
Добавлено: 16-07-2017 19:27
Больше похоже на выброс хлама из углов какого-нибудь кабинета или офиса. Типичные изделия для таких мест...

фотка справа, хозяина уж нет в живых...

гигант мысли
Группа: Участники
Сообщений: 5744
Добавлено: 16-07-2017 19:59
Ясно...
На работе было пару лет назад: мужик уже немолодой утонул в отпуске на югах. Был еще тем хламоводом - сидел в кабинете по сути один, в углу секретарь ютилась, и завалил почти весь кабинет хламом и старьем. Когда он погиб, меня и пожилого коллегу с отдела позвали посмотреть, что может быть нужно и интересно, прежде, чем весь хлам безжалостно вынесут на свалку. Чего там только не было: от книг (чуть ли не от 30-ых годов) до старой оргтехники и ее частей, детали, военка всякая, радиоконструкторы, инструмент, остатки приборов и тд. Два дня разгребали!

По сути я это к тому, что сказал ув. checha: нас не станет и вся коллекция, радиолюбительские поделия, хобби и тд скорее всего полетит на мусор и драгмет...

магистр
Группа: Участники
Сообщений: 1411
Добавлено: 17-07-2017 09:38
Как-то грустно и правда, все это, соглашусь полностью...поэтому я заранее о таком исходе позаботился,- покладут вместе со мной, а чтобы таким как я неповадно было, зальют бетоном сверху (на самом деле там достаточно сложная последовательность действий, начиная от подготовки фундамента и т.д.). По деньгам очень немало получается, почти как квартира, но,.... думать о будущем надо уже сейчас
На работе было пару лет назад: мужик уже немолодой утонул в отпуске на югах. Был еще тем хламоводом

...я таким образом на работу устроился. Не подумайте плохого ничего,- военное предприятие с очень малым количеством свободных мест. То есть их вообще не было. Пока однажды на новогодние праздники в небесное путешествие не отправился слесарь-настройщик. Ну и образовалась вакансия, которая очень быстро заполнилась мной. В моем распоряжении оказалась комната примерно 20кв.м, на разбор и упорядочивание которой, однако, потребовался почти месяц...

гигант мысли
Группа: Участники
Сообщений: 7902
Добавлено: 17-07-2017 09:51
увы, опыт фараонов показывает ненадежность каменних захоронений (думаю бетонных тоже) - если те кто будет создавать захоронение будут в курсе "утвари", рано или поздно грабители доберутся куда им нужно. Мы в этот мир приходим с пустыми руками и отходим в мир иной с той же поклажей. В случае агностиков - ситуация вообще безнадежная...

магистр
Группа: Участники
Сообщений: 1411
Добавлено: 17-07-2017 10:00
С одной стороны да, с другой,- бетонный монолит с метровой стеной заливки до, так сказать, основного содержимого, также залитого бетоном, очень непросто разобрать. На время затвердевания вооруженная круглосуточная охрана. Моя семья очень щепетильно относится к таким вопросам......,и всю сознательную (и не очень) жизнь часть доходов вкладывается именно в это....

гигант мысли
Группа: Участники
Сообщений: 5086
Добавлено: 17-07-2017 10:07
С одной стороны да, с другой

Может нам начать высылать Вам самое ценное? На предмет передачи далеким потомкам.

мастер
Группа: Участники
Сообщений: 627
Добавлено: 17-07-2017 10:09
Я держу на черный день Имею опыт девяностых, тогда деньги обесценивались и дефолтились) сильно выручало лишь то что зеленело и желтело. Пусть пока лежит, сейчас нужды нет а после нас хоть потоп

вошел во вкус
Группа: Участники
Сообщений: 286
Добавлено: 17-07-2017 11:42
Самое лучшее- когда радиолюбитель в годах, передает часть своих запасов более молодому радиолюбителю. Мне один радиолюбитель 15 лет назад отдал почти все свои накопления деталей. А вдова другого радиолюбителя, зная о моем увлечении электроникой, отдала мне его запасы микросхем, осциллограф и генератор импульсов, которые до сих пор служат мне.
А вот в школьные годы один мой друг-радиолюбитель стал свидетелем, как родственники умершего старого радиолюбителя собирались выбросить всё, что он собирал. Так он стал обладателем целого состояния, деталей с военной приемкой, измериловки, и журналов "Радио" с 1960 по 1991 год.

мастер
Группа: Участники
Сообщений: 627
Добавлено: 17-07-2017 12:16
Я лично отдают радиолюбителям в огромных количествах накопленное кроме конечно того что на черный день отложено)). Беда в том что радиолюбителей среди молодежи все меньше и меньше а кто постарше у тех у самих запасы имеются

вошел во вкус
Группа: Участники
Сообщений: 286
Добавлено: 17-07-2017 18:52
Я лично отдают радиолюбителям в огромных количествах накопленное кроме конечно того что на черный день отложено)). Беда в том что радиолюбителей среди молодежи все меньше и меньше а кто постарше у тех у самих запасы имеются

Это точно, сейчас среди молодежи если кто и занимается этим, то чисто на современной импортной элементной базе и микроконтроллерах. Да и люди постарше тоже переходят на микроконтроллеры и готовые модули. Сейчас радиоэлектроника редко интересует молодежь, когда я учился, у нас еще были те, кто умел что-то паять, пытался что-то собрать, имел интерес к этому делу. Сейчас мне уже 30, и я чувствую себя "последним из могикан". Из более молодых радиолюбителей я лично знаю лишь одну девушку 22 лет, а остальные радиолюбители- уже солидные мужчины за 50, а то и больше. Сейчас гаджеты и компьютер заменили молодежи весь интерес к электронике. В лучшем случае кто-то сам программирует, а многие просто потребляют. А когда-то у нас в Нальчике было довольно много людей, увлеченных радиотехникой, благодаря наличию в городе нескольких заводов, которые имели прямое отношение к электронике.

Гость
Добавлено: 17-07-2017 20:47
Я лично отдают радиолюбителям в огромных количествах накопленное кроме конечно того что на черный день отложено)). Беда в том что радиолюбителей среди молодежи все меньше и меньше а кто постарше у тех у самих запасы имеются

Я в своем городке вообще не нашел радиолюбителей, хотя КВшных антенн парочку встречал. В доме детского творчества и слушать не хотят про радио кружок

вошел во вкус
Группа: Участники
Сообщений: 286
Добавлено: 17-07-2017 21:16
У нас на районе раньше у каждого второго мужика был паяльник и авометр, а в сарае обязательно лежали какие-нибудь детали и платы, причем часто не от бытовой техники. Потому, что район находится между двух заводов, связанных с электроникой. А теперь кто умер, кто уехал...

вошел во вкус
Группа: Участники
Сообщений: 112
Добавлено: 17-07-2017 21:46
Ну, тут еще надо немного понимать разницу между, скажем, концом 80-хх/началом 90-хх и нынешнем времени. Раньше сопротивление то купить сложно было, не говоря о транзисторе или не дай б-же о каком-то там контроллере/процессоре или озу. Сейчас все это купить себе может каждый. Не откладывая на завтраках по 8 лет в школе. Ну и наверное никто в здравом уме сейчас не будет городить устройство с mop-логикой, где есть -27V, -15V, +5V, +12V и +15V в одном флаконе. Это я разные там калькуляторы, к приемеру, беру. Такой трансформатор или столько dc/dc будут стоить, как топовая ПЛИС Altera. На которой можно и pentium 4 при желании эмульнуть с реальной скоростью. Так что детали 60-70хх и частично 80-хх годов уже мало-применимы в современном мире, особенно это касается микросборок и микросхем. Конечно, резисторы/кондеры/транзисторы применять можно, тут ничего особо не изменилось. КТ315Б и по сей день отличается не слабыми харками. Только бы еще корпус ему SOT23 - ваще был бы царь и бг транзисторозамещения -)

вошел во вкус
Группа: Участники
Сообщений: 286
Добавлено: 18-07-2017 01:01
Есть еще один нюанс: раньше радиолюбители практически не занимались кодингом, кроме тех немногих, кто отважился собрать Радио-86РК, и конструкции сводились в основном к аналоговым и простейшим цифровым схемам. Сейчас большинство радиолюбительских конструкций включают в себя различные микроконтроллеры, которые еще надо прошивать, а то и писать к ним прошивку с нуля, и проводить отладку, если конструкция взята не в интернете. А возиться с этим не у каждого есть желание. Один знакомый решил пойти в ногу со временем, и перевел свою конструкцию на микроконтроллер. И ничего от этого не выиграл, работать всё стало хуже, чем на старых добрых К176.

пришел поспрашивать
Группа: Участники
Сообщений: 37
Добавлено: 18-07-2017 08:40
Чем проще устроено устройство, тем оно надежнее работает. Раньше бутерброды из микросхем возможно и показывали мастерство конструктора, то сейчас проще сделать на микроконтроллере. Дешевле , проще, меньше заморочек, а главное знаешь, что вылетело :D

мастер
Группа: Участники
Сообщений: 813
Добавлено: 18-07-2017 12:07
Один знакомый решил пойти в ногу со временем, и перевел свою конструкцию на микроконтроллер. И ничего от этого не выиграл, работать всё стало хуже, чем на старых добрых К176.

Вы не любите микроконтроллеры? Да вы просто не умеете их готовить :)

гигант мысли
Группа: Участники
Сообщений: 5744
Добавлено: 18-07-2017 12:48
Чисто по мне - МК убили саму суть радиолюительства, тк все ушло в программирование, а не в схемотехнику, ее понимание, изящество, хитрости и секреты. Часто можно встретить "радиолюбитель" (намерено в кавычках), который не может светодиод с резистором соединить, но зато умеет программировать под МК...

магистр
Группа: Участники
Сообщений: 1411
Добавлено: 18-07-2017 13:31
Не соглашусь. Суть радиолюбительства убивает не наличие или отсутствие микроконтроллеров, а отсутствие стимулирования развития и поддержки этой отрасли со стороны государства. Вот и получается некий "однобокий" интерес, либо вообще его отсутствие.

И микроконтроллерные конструкции бывают очень непростыми по содержанию. Например,- ЭВМ "Арго А15" (есть на форуме).

гигант мысли
Группа: Участники
Сообщений: 5744
Добавлено: 18-07-2017 13:35
Не в этом дело. По мне радиолюбитель - это в первую очередь схемотехник...

Гость
Добавлено: 18-07-2017 14:29
Больше похоже на выброс хлама из углов какого-нибудь кабинета или офиса. Типичные изделия для таких мест...

фотка справа, хозяина уж нет в живых...
Левая фотка - разгреб документацию к компу, это не офисная машина, дискет, штук триста, в основном прожки и игрули. А еще в мешочках оказались письма и снилс, хозяин дядечка 38 года рождения, вероятнее всего родственники вычищают квартиру, причем уже не первый день...

мастер
Группа: Участники
Сообщений: 813
Добавлено: 18-07-2017 15:52
Чисто по мне - МК убили саму суть радиолюительства, тк все ушло в программирование, а не в схемотехнику, ее понимание, изящество, хитрости и секреты.

Точно также лампы убили кристадины, а транзисторы убили лампы, а микросхемы убили транзисторы и т.д. :)
Прогресс не стоит на месте. Но, если любителю интересно - он спокойно будет заниматься своей любительщиной, и никакие микроконтроллеры ему не помешают.
Хотя, как человек применяющий микроконтроллеры, я не очень понимаю как их можно применять не разбираясь в схемотехнике, только если "светодиодиком помигать" :)
А в самом общем случае, тут есть закавыка, как разработчик я вам скажу, что если человек не понимает схемотехнику, то и в микроконтроллерах не разберётся. А большинство встреченных разработчиков и любителей, увы, не понимают схемотехнику, они просто используют готовые рецепты или методом "научного тыка" пытаются их "скрестить", естественно и в микроконтроллерах они не разберутся - не смогут или не захотят.

гигант мысли
Группа: Участники
Сообщений: 5744
Добавлено: 18-07-2017 16:16
как разработчик я вам скажу, что если человек не понимает схемотехнику, то и в микроконтроллерах не разберётся.

Я лично знал и знаю несколько именно таких людей: отлично пишут под МК, но при этом буквально не могут соединить светодиод с резистором...

мастер
Группа: Участники
Сообщений: 813
Добавлено: 18-07-2017 16:52
Я лично знал и знаю несколько именно таких людей: отлично пишут под МК, но при этом буквально не могут соединить светодиод с резистором...

Так это программисты. У них всегда рядом сидит железячник, который как раз и занимается схемотехникой. Те кто программирует на компьютерах тоже часто не понимают, как там оно унутре происходит :)
Мы же говорим о как-бы вырождении схемотехники, что де её заменяют микроконтроллеры. Но как только появляется необходимость применить микроконтроллер для реальной задачи - без схемотехники ничего не получится. Возьмите любой прибор использующий микроконтроллер и вы увидите, что схемотехники там достаточно.

гигант мысли
Группа: Участники
Сообщений: 5744
Добавлено: 18-07-2017 17:14
Только пару дней назад разобрал японскую мультиварку... МК + схема питания, кнопки, индикация, пара датчиков и управление реле... Каких-то хитростей не увидел...

пришел поспрашивать
Группа: Участники
Сообщений: 76
Добавлено: 18-07-2017 17:57
Чисто по мне - МК убили саму суть радиолюительства, тк все ушло в программирование, а не в схемотехнику, ее понимание, изящество, хитрости и секреты. Часто можно встретить "радиолюбитель" (намерено в кавычках), который не может светодиод с резистором соединить, но зато умеет программировать под МК...

Полностью согласен , я сам не люблю контроллеры . В аналоговой схемотехнике есть что то теплое , живое , а "цифра" какая то мёртвая . Закат журнала "Радио" начался с появления в нём раздела "компьютерная техника" который занимал половину страниц с прошивками . За лет 10 не смог привыкнуть к неинформативным прыгающим цифрам в мультиметре , жалею что стрёс голову своему Ц4313 ...

знающий
Группа: Участники
Сообщений: 345
Добавлено: 18-07-2017 18:30
все эти сравнения МК vs аналог должны отталкиваться и от самого устройства, где применяются. вряд-ли усилительная или прочая НЧ техника сможет заменяться МК, если только как контроллер передней панели, энкодеров с пресетами, индикацией уровней. а с другой стороны ваять частотомер на дискретных счетчиках или бегущие огни тоже нерационально... МК + китайцы способствуют лени. когда всё можно готовое купить, код скачать, собрать как из кубиков и только сидеть, да коды модифицировать. есть риск, что сотрется грань между удобством для разработчика и уже готовым аналогичным устройством за схожие деньги, когда создание своими руками превратится в примитивную сборку из полуфабриката.

администратор
Группа: Администраторы
Сообщений: 8045
Добавлено: 18-07-2017 19:00
Когда мне понадобилось, я спокойно выучил программирование PIC-ов на асме и на С. Не скажу, что с легкостью напишу сложную прогу, но относительно простые писал для своей конторы. А молодым выучиться применять м/к не сложно, было бы желание.

Гость
Добавлено: 18-07-2017 19:02
все эти сравнения МК vs аналог должны отталкиваться и от самого устройства, где применяются. вряд-ли усилительная или прочая НЧ техника сможет заменяться МК, если только как контроллер передней панели, энкодеров с пресетами, индикацией уровней. а с другой стороны ваять частотомер на дискретных счетчиках или бегущие огни тоже нерационально... МК + китайцы способствуют лени. когда всё можно готовое купить, код скачать, собрать как из кубиков и только сидеть, да коды модифицировать. есть риск, что сотрется грань между удобством для разработчика и уже готовым аналогичным устройством за схожие деньги, когда создание своими руками превратится в примитивную сборку из полуфабриката.


+++ все правильно, согласен на все 100%

гигант мысли
Группа: Участники
Сообщений: 5086
Добавлено: 18-07-2017 19:09
А мне кажется, что в людях ничего особо не поменялось с появлением МК. Всегда были дураки и люди поумнее. Дураки никогда не копают вглубь, им достаточно поверхностных результатов и их всегда в разы больше, чем умных. Я и сегодня знаю человечка ничего в электронике не понимающего, но делающего ламповые усилители на продажу! А раньше этот же товарищ делал на продажу Синклеры и весьма успешно. Т.е. у него животная обезьянья способность к подражанию настолько сильно развита, что интеллект особо не нужен. И у всех у нас способность к подражанию соседствует с интеллектом, который в общем случае может отсутствовать. А среди программистов процент таких мартышек еще выше. С появлением МК мартышкам стало просто легче, чем формализованней предмет, тем проще нахвататься верхов.
Но с точки зрения атрибутики DIY, конечно все здорово поменялось. Исчезают домашние радио мастерские с завалами радиодеталей, вырождаясь в компьютерные примочки втыкаемые в USB порт и голые платы свинченные латунными стойками. Но сетовать на перемены свойственно возрасту. Да, были люди в наше время...

мастер
Группа: Участники
Сообщений: 813
Добавлено: 18-07-2017 19:11
Только пару дней назад разобрал японскую мультиварку... МК + схема питания, кнопки, индикация, пара датчиков и управление реле... Каких-то хитростей не увидел...

Хех, а вы предлагаете усложнить? Я подозреваю что никому не нужна будет мультиварка с электроникой размером с саму мультиварку.
Просто на каждом витке эволюции появлялись другие возможности для реализации одной и той же задачи. Я вот люблю разбирать и исследовать любую электронику, и когда мне попадает старая техника, я восхищаюсь некоторыми решениями разработчиков, но одновременно в голове крутятся мысли "вот этот узел я бы сейчас вот так сделал, а вот здесь проще выкинуть две платы и поставить один чип..." Т.е. тогда были одни средства для реализации задачи, теперь другие. Вопрос же не в том чтобы сделать по-сложнее, а в том чтобы задача была решена.

Гость
Добавлено: 18-07-2017 20:13
А мне кажется, что в людях ничего особо не поменялось с появлением МК....
Но с точки зрения атрибутики DIY, конечно все здорово поменялось. Исчезают домашние радио мастерские с завалами радиодеталей, вырождаясь в компьютерные примочки втыкаемые в USB порт и голые платы свинченные латунными стойками. Но сетовать на перемены свойственно возрасту. Да, были люди в наше время...

Безусловно и вы уважаемый kolbasNIC правы, поскольку в конечном итоге речь идет о таком сословии, как радиолюбитель. Ведь именно с уменьшением численного (да и качественного) состава сообщества существует эта тема. Мне знакомы немало именитых радиолюбителей КВ связи (а ведь именно они кмк и стояли у истоков радиолюбительства). Все они начинали с самодельных трансиверов, многие и посей день корпеют над самоделками, но никто из них на этих самоделках не работает-Япония рулит, особенно в экспедициях. Так что кмк все мы (во всяком случае старшее поколение) оплакиваем закат радиолюбительства и это очень печально

вошел во вкус
Группа: Участники
Сообщений: 286
Добавлено: 18-07-2017 23:16
Всё-таки, в домашнем радиолюбительстве есть весомая доля романтики. Когда сидишь вечером, и собираешь схему, ищешь к ней детали, и наконец, она работает! В школьные годы я сделал переговорное устройство на базе двух ТА-68, работало оно на батарейках, и имело в себе транзисторные усилители, выполнявшие одновременно функцию звонка. А толчком к идее послужила схема в журнале "Радио" за 1978 год, в разделе "Радио-начинающим". Переговорное устройство соединяло меня с соседним домом, куда я поставил аналогичный аппарат, а после отъезда соседей- с времянкой. А еще в те годы я слышал историю о том, как в молодости один увлеченный радиолюбитель удивил свою девушку цветомузыкой, после чего эта девушка вышла за него замуж.
В годы моей учебы в коллежде (начало 2000-х) у нас еще были в группе радиолюбители, но это были в основном ремонтники и модульщики, которые восстанавливали старые магнитофоны и усилители, либо использовали для своих самоделок готовые модули, например УНЧ от телевизора УПИМЦТ, и один увлеченный до фанатизма чудак - "ботаник", который был настолько поглощен этим делом, что даже за собой не следил, и вел себя неадекватно при виде радиодеталей.

гигант мысли
Группа: Участники
Сообщений: 5086
Добавлено: 19-07-2017 02:43
удивил свою девушку цветомузыкой, после чего эта девушка вышла за него замуж

Романтика. На таком фоне, я себя чувствую старой проституткой. В моем понимании единственное предназначение девушек это давать мальчикам и никакие технические средства для этого не требуются. Наоборот, надо притормаживать. Бабы всегда торопятся.
А после нескольких лет непрерывного ремонта видеотехники как-то по другому начинаешь оценивать радиодетали. Без пиетета.
Сегодня радиодетали это вообще обуза: у меня, например, от предыдущих проектов сохранилось несколько десятков ящиков отборных компонентов, которые я никак не соберусь как-то реализовать. Место они занимают много, чем жена справедливо недовольна. Выкинуть или раздать жалко т.к. по документам деталек примерно на 15 тыс у.е., а продать сложно. Даже переписать, сколько чего и то сложно. Но в этом году взял себя в руки и начал разбирать завалы. Все, чего по нескольку коробок постараюсь продать рыночным торговцам за устраивающую их цену, себе оставлю только по пакетику и то не каждой позиции. Очень много ферритовых сердечников, в основном Epcos, но есть экзотический Vogt и китайский Magnetics. К сердечникам целые ящики с бобинами, каркасами и специальными крепежными клипсами. Примерно 30 коробок с полипропиленовыми конденсаторами Epcos, но к сожалению не очень ходовых номиналов. Много стабилитронов (больше 10 тыс). Специальные ключевые транзисторы с тройной диффузией (по 1000 шт примерно, каждого типа), скоростные диоды катушками, светодиоды пакетами по 300 шт. Примерно 50 катушек SMD резисторов 0805, но номиналов не так много. Несколько ящиков электролитов Hitano, Epcos и одна позиция Nichicon (4700х100, примерно 300 шт). По коробке 1211ЕУ1 и ЕУ2. Ну и всякая мелочь. Особняком стоит большая коробка (примерно 50 тыс шт) с паяными конденсаторами К10-17 одного номинала 100н на 400В (ножки длиной 12 мм) и 20 тыс абсолютно новых NTC термисторов типа MF52, используемых как датчики температуры воды в автомобиле. Вот такой странный набор. Совершенно неромантичный.
Основное мое занятие на сегодняшний день, это не продажа, а закупка компонентов. Качественные компоненты для моих затей купить практически невозможно. Все только на заказ в MOQ количествах. А MOQ это никогда не меньше 1000 у.е. а иногда и много больше. Например, на вибростойкие электролиты SIC SAFCO с низким импедансом 12000х350, MOQ = 20 шт, а цена за штуку примерно 140 Евро. Итого 2800 Евро. Срок поставки от 5 до 7 месяцев. Спрашивается, а что с нами будет через 7 месяцев? Живы ли будем. Но выбора нет. И все 7 месяцев надо сидеть, стиснув зубы и ждать. А всего позиций в списке более тысячи. Конечно, не на все такие условия, но на многие. А еще есть привычные наболевшие проблемы с сахарным крепежом. Тут в основном ebay помогает, т.к. заказать на заводе какие-нибудь красивые винтики меньше нескольких тыс штук невозможно, а предприимчивые люди с ebay продают по 100 шт. Я купил 10 пластиковых кассетниц 6х5 и уже все ячейки наполнил сахарным крепежом, но полного комплекта не собрал, придется еще докупать кассетницы. И это и есть современное радиолюбительство, если идешь своим неторным путем.

вошел во вкус
Группа: Участники
Сообщений: 169
Добавлено: 19-07-2017 06:46
Коль пошла такая пьянка в теме...что сказать? Мог-ли себе позволить в 80-х 90-х изготовить печатную плату в КАДе и распечатать методом ЛУТ с известной точностью? Нет. Рисовал кисточкой, потом капиллярным методом долгое время...минус? Скорее плюс - навык и знания приобретены. Сейчас данные возможности позволяют ускорить процесс и легко входить в производственные требования тех лет в домашних условиях. Для получения удовлетворения, касаемо автора сих строк, вполне себе достаточно. Думается и в остальных направлениях радиолюбительства много положительных перемен произошло. Как не один из участников спонтанно создавшегося диалога уже упомянул - достать, купить сейчас намного проще, чем ранее, по многим причинам. Долго не буду - хочется поблагодарить случай, что не все склады разграблены и переплавлены за 26 лет(с 1991г. считаю), и спасибо создателям радиодеталей, которые вложили душу(что порой читается открытым текстом). Эти изделия просто приятно держать в руках, не говоря уже о прямом их назначении. Ну а насчёт бетонного саркофага...поддерживаю ув. drapieznik с небольшой оговоркой. Чур голый, но с паяльником в руке

вошел во вкус
Группа: Участники
Сообщений: 286
Добавлено: 19-07-2017 10:43
Для радиолюбительского творчества сейчас условия намного лучше, чем раньше. Есть интернет, где можно и схемы искать, и детали заказывать, кучи списанных и неучтенных приборов и запчастей, всякой измериловки. И технология печатных плат шагнула вперед, благодаря компьютеру и принтеру. Но желающих заниматься этим делом мало, в основном это те, кто увлекся электроникой раньше. Большинство современных радиолюбителей- это люди, заставшие стрелочные авометры и ламповые телевизоры.

гигант мысли
Группа: Участники
Сообщений: 5744
Добавлено: 19-07-2017 11:54
Ув. kolbasNIC , а можно подробнее о "Специальные ключевые транзисторы с тройной диффузией (по 1000 шт примерно, каждого типа)"? Хотя бы типы для ознакомления с даташитами...

Гость
Добавлено: 19-07-2017 13:55
Для радиолюбительского творчества сейчас условия намного лучше, чем раньше. Есть интернет, где можно и схемы искать, и детали заказывать, кучи списанных и неучтенных приборов и запчастей, всякой измериловки. И технология печатных плат шагнула вперед, благодаря компьютеру и принтеру. Но желающих заниматься этим делом мало, в основном это те, кто увлекся электроникой раньше. Большинство современных радиолюбителей- это люди, заставшие стрелочные авометры и ламповые телевизоры.

Вот об этом и речь, радиолюбитель вымирает. Кто будет наши завалы тащить домой со свалки?

гигант мысли
Группа: Участники
Сообщений: 5086
Добавлено: 19-07-2017 14:15
а можно подробнее о "Специальные ключевые транзисторы с тройной диффузией

Это довольно распространенные транзисторы используемые в люминесцентных энергосберегайках. Отличаются наличием специальной демпфирующей цепочки в базе, которая сильно уменьшает переходные процессы при переключениях. Поэтому такой транзистор, работая как ключ высокого напряжения (выпрямленная сеть) выделяет намного меньше тепла, чем обычный, что позволяет обойтись без радиатора или использовать для мощного транзистора маленький корпус. Почему их называют "с тройной диффузией", не знаю, но так их называл один из китайских производителей и на любом китайском заводе это определение понимали. Другой производитель использовал название "атмосферные транзисторы с демпфером": 1300 series with atmospheric transistor with Damping. Транзисторы бинованные, как и большинство массовой полупроводниковой продукции в Китае. У меня осталось примерно по пакетику в корпусах ТО-92, ТО-126 и ТО-220, естественно одного бина каждого номинала.
Это чарт одного производителя на все транзисторы:

Бины указаны в столбце "Chip area"
Это даташит на самый маленький транзистор (из моих):


гигант мысли
Группа: Участники
Сообщений: 5744
Добавлено: 19-07-2017 14:33
Спасибо, но не ожидал, что это будет кетайский подвал... Надеялся хотя на st, fairchild, nxp...

гигант мысли
Группа: Участники
Сообщений: 5086
Добавлено: 19-07-2017 14:46
кетайский подвал

У Вас превратные представления о Китае. Большую часть и хорошей и плохой электронной продукции делают в Китае. И хорошей там не меньше, чем плохой. Все дело в выборке. К примеру, и орел и ворон питаются в одном месте, но орел все время кушает свежее мясо, а ворон падаль. Беда в том, что в нашу страну обычно завозят из Китая самое дешевое, т.е. г...но, но не стоит делать из этого глобальных выводов.
Транзисторы с тройной диффузией, например, это просто песня. Маленькие, практически холодные в работе и очень надежные. Мы их использовали и в схеме автогенератора и в сочетании с драйверами. Результат прекрасный, особенно в автогенераторах. Такой автогенератор с транзисторами в корпусе ТО-92 спокойно коммутирует ток 1 А и при этом не греется. Причем у меня есть многолетний опыт исследования отказов энергосберегающих ламп с подобными автогенераторами. Отказы из-за таких транзисторов чрезвычайно редки, если вообще встречались. Я навскидку таковых не помню.

пришел поспрашивать
Группа: Участники
Сообщений: 85
Добавлено: 19-07-2017 15:29
А мое, ,,превратное,,отношение ко всей китайской продукции-даже ,,супер надежной-качественной,,-одно. Ворованное-подделка названий известных брендов образов и т.д и т. п. 21 век на дворе,не напильником они делают.А Качество продукта, можно узнать, зная процент брака,спроса зап частей и количество ,,продукта,, на свалке.

Гость
Добавлено: 19-07-2017 15:51
Ёкараный бабай, валите в профильные темы, зафлудили всю свалку...))))

вошел во вкус
Группа: Участники
Сообщений: 286
Добавлено: 19-07-2017 16:15
Для радиолюбительского творчества сейчас условия намного лучше, чем раньше. Есть интернет, где можно и схемы искать, и детали заказывать, кучи списанных и неучтенных приборов и запчастей, всякой измериловки. И технология печатных плат шагнула вперед, благодаря компьютеру и принтеру. Но желающих заниматься этим делом мало, в основном это те, кто увлекся электроникой раньше. Большинство современных радиолюбителей- это люди, заставшие стрелочные авометры и ламповые телевизоры.

Вот об этом и речь, радиолюбитель вымирает. Кто будет наши завалы тащить домой со свалки?

Всё-таки, в СССР радиолюбительство было, как сейчас принято говорить, "в тренде". Схемы всяких электронных самоделок печатались не только в журналах "Радио", но и во многих других научно-популярных журналах. Например, в одном журнале, посвященном туризму, была схема ШИМ-регулятора яркости для фонарика, и это в 70-е годы. А уровень сложности схем и размеры радиодеталей позволяли их собирать любому технически грамотному человеку. В то время было модно разбираться в электронике.
А недавно на рынке я стал свидетелем сцены, как паренек-аутист покупал радиодетали для самодельной конструкции, при этом изрядно раздражая продавцов. Остальные покупатели были уже солидными мужчинами, кому за 40, а кому за 50. Возможно, этот паренек и станет тем, кто унаследует запасы старых радиолюбителей...

гигант мысли
Группа: Участники
Сообщений: 4878
Добавлено: 19-07-2017 16:41
Это чарт одного производителя на все транзисторы:

Извините, ещё чуть пофлужу. По моему прототипами этим транзисторам служили мотороловские switchmode series MJE13001 - MJE13009. Если судить по китайскому даташиту у тройной диффузии суть такая: ввели дополнительный слой (читай диод) между базой и коллектором который не позволяет транзистору переходить в глубокое насыщение, из которого он трудно и медленно выходит. Такой способ ускорения начал применяться в логике с переходом Шоттки серии 74LS (наша 555-серия).

мастер
Группа: Участники
Сообщений: 773
Добавлено: 19-07-2017 22:41
Находки за выходные.

магистр тайных сил
Группа: Участники
Сообщений: 1808
Добавлено: 20-07-2017 00:34
По середине сверху плата. Внутри экрана наверное КХА058 находится?


знающий
Группа: Участники
Сообщений: 345
Добавлено: 20-07-2017 03:39
ну и свалки у вас там никогда бы не подумал, что ямаховский датафайлер можно найти на свалке. может и синтезаторы валяются рядом там?) хорошая полезная вещица

мастер
Группа: Участники
Сообщений: 627
Добавлено: 20-07-2017 11:37

Два блока с права от переносного телека цветного Электроники-430 ещё первого выпуска. Я даже книгу купил именно для ремонта этого аппарата, червонец который с Лениным отвалил Книга сохранилась

пришел поспрашивать
Группа: Участники
Сообщений: 85
Добавлено: 20-07-2017 16:40
Для радиолюбительского творчества сейчас условия намного лучше, чем раньше. Есть интернет, где можно и схемы искать, и детали заказывать, кучи списанных и неучтенных приборов и запчастей, всякой измериловки. И технология печатных плат шагнула вперед, благодаря компьютеру и принтеру. Но желающих заниматься этим делом мало, в основном это те, кто увлекся электроникой раньше. Большинство современных радиолюбителей- это люди, заставшие стрелочные авометры и ламповые телевизоры.

Вот об этом и речь, радиолюбитель вымирает. Кто будет наши завалы тащить домой со свалки?

Всё-таки, в СССР радиолюбительство было, как сейчас принято говорить, "в тренде". Схемы всяких электронных самоделок печатались не только в журналах "Радио", но и во многих других научно-популярных журналах. Например, в одном журнале, посвященном туризму, была схема ШИМ-регулятора яркости для фонарика, и это в 70-е годы. А уровень сложности схем и размеры радиодеталей позволяли их собирать любому технически грамотному человеку. В то время было модно разбираться в электронике.
А недавно на рынке я стал свидетелем сцены, как паренек-аутист покупал радиодетали для самодельной конструкции, при этом изрядно раздражая продавцов. Остальные покупатели были уже солидными мужчинами, кому за 40, а кому за 50. Возможно, этот паренек и станет тем, кто унаследует запасы старых радиолюбителей...


гигант мысли
Группа: Участники
Сообщений: 5744
Добавлено: 21-07-2017 13:52
АГАТ-7, 1988г:

Внешней вид:


Под крышкой:


Платы:




Если кому нужны внутренности, пишите на почту, договоримся.

Гость
Добавлено: 21-07-2017 15:45
нуууу... у нас не так все круто... Не дождалсИ выходных, побродил по окрестностям, еще куча не попавших сюда пластинок и куча книг по ювелирному делу и камням. Народ просто сума сошОл, выкидывает весь "хлам"...)))


гигант мысли
Группа: Участники
Сообщений: 6778
Добавлено: 21-07-2017 21:45
Динамик, случаем, не 5ГДШ-4?

Гость
Добавлено: 24-07-2017 18:33
Динамик, случаем, не 5ГДШ-4?

Советский ширпотребный маразм доведён ОТК до такого идеала, при котором надписи становятся нечитаемыми. Название этого динамика нечитабельно...


Прошедшие дни были повеселее, остатки ру игрушек, китайческий рабочий приемник, какая-то древняя радиоточка, куча кондючков спаяных непонятно во что, раскуроченный тИлИфончик и какие-то, пока не определенного содержания автомобильные блоки, похоже из фар...


знающий
Группа: Участники
Сообщений: 443
Добавлено: 24-07-2017 18:51

...
Советский ширпотребный маразм доведён ОТК до такого идеала, при котором надписи становятся нечитаемыми. Название этого динамика нечитабельно...


Прошедшие дни были повеселее,
...
куча кондючков спаяных непонятно во что,
...
[/img][/url]


"куча кондючков спаяных непонятно во что" напоминает "фильтр" акустической системы, например упомянутый тут в составе 35АС-016 http://monitor.espec.ws/section4/topic257627.html Не именно такой, но похожий. А нечитаемые надписи на клеймах вовсе никак не связаны с советским ширпотребом и его часто невысоким качеством - на ручной выделки кирпичах и Кузнецовских изоляторах на 19 век они тоже попадаются в подобном виде, как и в современной импортной аппаратуре.

мастер
Группа: Участники
Сообщений: 810
Добавлено: 24-07-2017 18:59
Поддержу предположение конденсаторы на плпте фильтр от колонок.
нуууу... у нас не так все круто... Не дождалсИ выходных, побродил по окрестностям, еще куча не попавших сюда пластинок и куча книг по ювелирному делу и камням. Народ просто сума сошОл, выкидывает весь "хлам"...)))


Механизмы в таких часах были одинаковыми.Такой разыскивается в теме про часы.Странно что чеканка не была сдана в цвет мет.

Гость
Добавлено: 24-07-2017 19:05
Вы в руках держали советские резисторы, конденсаторы, транзисторы и прочая??? Ну и как часто вам попадались не читаемые компоненты??? Вот то-то, эта тема уже поднималась, было у нас все необходимое для нанесения качественной и читаемой маркировки, но советская мысль настолько была извращена, что вся маркировка часто сводилась к цветной точке, приходится до сих пор разбираться что бы это значило))) Вооот, если честно, хотелось бы увидеть гения придумавшего цветные и знаковые коды на компонентах, ибо импортные кодировки подаются хоть какому то осмыслению, наши абсолютно никакому, такое ощущение что это обкурившиеся инженера да еще в пьяном угаре придумали маркировочную палитру... Кстати недавно, на одной древней материнке видел микрушки промаркированные разноцветными точками, подумалось неужели наши шпиЁны-разработчики добрались до иностранных производителей, теперь никто и никогда не догадается для чего эти точки были проставлены...

Гость
Добавлено: 24-07-2017 19:10
Поддержу предположение конденсаторы на плпте фильтр от колонок.
нуууу... у нас не так все круто... Не дождалсИ выходных, побродил по окрестностям, еще куча не попавших сюда пластинок и куча книг по ювелирному делу и камням. Народ просто сума сошОл, выкидывает весь "хлам"...)))


Механизмы в таких часах были одинаковыми.Такой разыскивается в теме про часы.Странно что чеканка не была сдана в цвет мет.
По всей видимости в тот день я опередил бомжей, чеканка и не одна, была прикручена к дверцам старой мебели...

вошел во вкус
Группа: Участники
Сообщений: 242
Добавлено: 24-07-2017 19:20
Народ просто сума сошОл, выкидывает весь "хлам"...)))


Хоть бы раз увидеть нечто подобное на местных мусорках. А то ведь вообще ничего....

гигант мысли
Группа: Участники
Сообщений: 5086
Добавлено: 24-07-2017 19:27
Хоть бы раз увидеть нечто подобное на местных мусорках. А то ведь вообще ничего....

Чтобы такое увидеть, надо жить прямо в мусорке.

Гость
Добавлено: 24-07-2017 19:33
а вот и нИправда, в мусорках копатся мне лень, хотя я к примеру, не вижу принципиальных различий, между "в мусорке" и "рядом с мусоркой". Люди очень часто хорошие вещи, как правило, выставляют рядом в пакетах, это касается шмоток, книг, электроники и бытовой техники...

Гость
Добавлено: 24-07-2017 19:36
Народ просто сума сошОл, выкидывает весь "хлам"...)))


Хоть бы раз увидеть нечто подобное на местных мусорках. А то ведь вообще ничего....
а вам зачем, поверте душа испытывает жуткие мучения, когда осознает, что неспособна все утащить. Лучше жить в спокойствии...

гигант мысли
Группа: Участники
Сообщений: 5744
Добавлено: 25-07-2017 13:21
Остатки высоковольтного стабилизатора на десяти 6Э15П, управлявшего питанием ЛОВ миллиметрового диапазона. Предположительно от какого-то генератора Г4...




вошел во вкус
Группа: Участники
Сообщений: 242
Добавлено: 25-07-2017 19:48
а вам зачем, поверте душа испытывает жуткие мучения, когда осознает, что неспособна все утащить. Лучше жить в спокойствии...

Я и не собираюсь все подряд домой тащить, а соблазнился бы только на старую радиотехнику. Но увы, полгода как живу в городе, где мусорки практически возле каждого дома, но ничего подобного вообще не видел ни разу. То ли бомжи такие оперативные, то ли уже людям и выкидывать нечего.

Гость
Добавлено: 25-07-2017 21:27

...а соблазнился бы только на старую радиотехнику...

А вас что интересует?

вошел во вкус
Группа: Участники
Сообщений: 242
Добавлено: 25-07-2017 22:38

...а соблазнился бы только на старую радиотехнику...

А вас что интересует?

На данный момент только советские радиоприемники карманного формата, в т.ч. и детские. А из более габаритных переносных только Альпинисты, в частности Альпинист-2, которого у меня пока еще нет. На другие аппараты у меня элементарно нет места для их хранения.

Гость
Добавлено: 25-07-2017 23:39
Понятно. Придется заняться переписью завалов. На память-есть Селга старенькая, а Альпинист не помню какой.

гигант мысли
Группа: Участники
Сообщений: 5744
Добавлено: 26-07-2017 13:35
Очень злой самопал

вошел во вкус
Группа: Участники
Сообщений: 205
Добавлено: 26-07-2017 13:46
Очень злой самопал

Весьма недурственный

гигант мысли
Группа: Участники
Сообщений: 5744
Добавлено: 26-07-2017 13:51
Если в смысле металла, то к сожалению, все тумблера - 2В...

Гость
Добавлено: 26-07-2017 21:35
На память-есть Селга старенькая, а Альпинист не помню какой.

Уточнил: Селга-402, Альпинист-405

вошел во вкус
Группа: Участники
Сообщений: 242
Добавлено: 26-07-2017 22:30
На память-есть Селга старенькая, а Альпинист не помню какой.

Уточнил: Селга-402, Альпинист-405

И тот и другой у меня имеются.

магистр
Группа: Участники
Сообщений: 1307
Добавлено: 27-07-2017 08:36
А такой не нужен?
РП Альпинист,~69г.

мастер
Группа: Участники
Сообщений: 536
Добавлено: 27-07-2017 10:12
...а соблазнился бы только на старую радиотехнику...

Прям по теме.С мусорки,старое изделие,85 год.Впервые вижу прямого усиления,аж на 9 транзисторах. Что-ж он принимал? Динамик и магнитная ант.оторваны.

гигант мысли
Группа: Участники
Сообщений: 4411
Добавлено: 27-07-2017 10:22
радиоприемник "Юнга" без алюминиевой панели. Цветмет

вошел во вкус
Группа: Участники
Сообщений: 242
Добавлено: 27-07-2017 10:30
А такой не нужен?
РП Альпинист,~69г.

Такой у меня тоже имеется, только зеленый.

вошел во вкус
Группа: Участники
Сообщений: 242
Добавлено: 27-07-2017 11:09
...а соблазнился бы только на старую радиотехнику...

Прям по теме.С мусорки,старое изделие,85 год.Впервые вижу прямого усиления,аж на 9 транзисторах. Что-ж он принимал?

Все что нужно он принимал. Был у меня, а вернее у моего сына подобный приемник. Ничего так работал.

А вот в 60-е годы был сделан приемник по схеме из ЮТ если не ошибаюсь за 1965 год. Чутье хорошее, а вот НЧ мощности не хватало, т.к. выходной каскад был однотактный. Тогда был сделан комбинированный вариант, ВЧ часть от ЮТ, а двухтактный НЧ от приемника начинающего из журнала РАДИО за 1966 год. Этот вариант приемника работал в нашей семье очень много лет и к сожалению потом сгинул у меня в запчастях. Сейчас только от него корпус и динамик 0,1ГД6 остался. Так вот он принимал очень даже прекрасно, по моим представлениям на уровне промышленного, а ночью так вообще весь средневолновый диапазон был просто забит станциями. Особенно если приложить приемник к вертикальной трубе центрального отопления. :-)




гигант мысли
Группа: Участники
Сообщений: 5744
Добавлено: 27-07-2017 14:22
Болгарский источник питания предположительно от чего-то вычислительного или печатающего.
На платах есть маркировка ИЗОТ 4102С.




гигант мысли
Группа: Участники
Сообщений: 4411
Добавлено: 27-07-2017 14:42
Неоднократно мелькавший БП от СМ1604
http://www.phantom.sannata.ru/forum/index.php?t=18397

главный по тарелочкам
Группа: Участники
Сообщений: 2474
Добавлено: 28-07-2017 12:21
Остатки высоковольтного стабилизатора на десяти 6Э15П, управлявшего питанием ЛОВ миллиметрового диапазона. Предположительно от какого-то генератора Г4...

Г4-141.

мастер
Группа: Участники
Сообщений: 773
Добавлено: 28-07-2017 21:45
находки.видео https://www.youtube.com/watch?v=TtVhbZ14-Wk&t=22s

мастер
Группа: Участники
Сообщений: 773
Добавлено: 30-07-2017 22:41
Находки за выходные дни.

знающий
Группа: Участники
Сообщений: 345
Добавлено: 30-07-2017 23:19
это что, музыкальная студийная техника на свалке?! да еще и в состоянии нового)не отказался бы от такого вокального гармонайзера

мастер
Группа: Участники
Сообщений: 773
Добавлено: 30-07-2017 23:36
это что, музыкальная студийная техника на свалке?! да еще и в состоянии нового)не отказался бы от такого вокального гармонайзера


Эта техника была комплекте доки и сетевой шнур все в родной коробке
было.вывозила мусор газель сне и выловил эту технику.

знающий
Группа: Участники
Сообщений: 320
Добавлено: 30-07-2017 23:38
А у нас скромненько, но со вкусом



главный по тарелочкам
Группа: Участники
Сообщений: 2186
Добавлено: 31-07-2017 00:27
Кусок радиостанции "ромашка"

мастер
Группа: Участники
Сообщений: 810
Добавлено: 31-07-2017 03:19
Если радиостанция "военка" то удивляет наличие конденсаторов МБМ.
Лично мне такие в серезных изделиях не попадались.Да и на плате скорее всего нет такого высокого напряжения.Можно что то и компакней было поставить.

главный по тарелочкам
Группа: Участники
Сообщений: 3077
Добавлено: 31-07-2017 10:15
Были времена (до конца 60-х), когда КМ не использовали в (в том числе)радиостанциях. Разработчики некоторое время раскачивались. И всё собиралось на МБМ. И даже, как это не страшно, БМ-2 и других.
В ответственных узлах - ОС МБМ. Как пример Р-802 во всех модификациях.

гигант мысли
Группа: Участники
Сообщений: 7902
Добавлено: 31-07-2017 12:36
были несколько факторов:

- в 60е годы КМ конденсаторы выпускали только два заводы (Тиконд добавился только в самом конце..), из которых опытный от Гириконда не мог похвастатся большими объемами, а Монолит все еще только наращивал производство но уже в принципе выпускал немало. Зато потребность (в перспективе) в таких компонентах намного превышала их тогдашние объемы производства;
- изделия шли по отработаной методике разработки и модификаций - только новейшие изделия (разработки) включали в себя новейшую номенклатуру комплектующих, да и то не все;
- КМ редко использовались в изделиях на основе радиоламп, но зато могли появляться в "гибридных" изделиях;
- немало заводов выпускавших свои изделия много лет - скажем от середины 60х до середины 70х в ряде изделий могли и не использовать КМ конденсаторы, либо наоборот - начав их использовать в их поздних версиях - вспомните к примеру ранние приборы из серии Р5-х...
Сравнительно большое насыщение "рынка" КМ конденсаторами произошло примером к концу 70х - когда на полную работал гигант Монолит, вместе с ним - Тиконд, Керамит и ИЗК (Радиан). Наиболее основательное предложение КМ конденсаторов - это 80е годы, тем более что и Плескава с начала 80х запустила цех или два по выпуску этих компонентов (во всяком случае КМ Плескавы не было за 70е среди находок, пока..).

мастер
Группа: Участники
Сообщений: 773
Добавлено: 31-07-2017 22:28
интересные находки в гараже. дал обьвяления в газету о покупке не исправных жк телевизоров. тут же позвонил мужик у него полный гараж телевизоров говорит приезжайте забирайте бесплатно лиж бы гараж освободить как сказал он купил дом прежний хозяин был телемастер
он пере ехал из села в город.

видео https://www.youtube.com/watch?v=YSfQYX92wAY&t=21s



мастер
Группа: Участники
Сообщений: 773
Добавлено: 01-08-2017 21:15
находки.

гигант мысли
Группа: Участники
Сообщений: 5744
Добавлено: 04-08-2017 19:33
В мусоре попался новенький контактор ткд203додб. Что с ним делать, пока не решил...

Гость
Добавлено: 04-08-2017 20:11
Продать, обменять, подарить. В машине не пристроишь, по моему эти релюшки все на 27В. В свое время срезал серебряные пятаки и отдал дочери для ювелирки.

администратор
Группа: Администраторы
Сообщений: 8045
Добавлено: 04-08-2017 20:25
В мусоре попался новенький контактор ткд203додб. Что с ним делать, пока не решил...

1. Отдать в музей реле.
2. Переработать на серебро.

вошел во вкус
Группа: Участники
Сообщений: 242
Добавлено: 04-08-2017 21:39
находки.

И кто же это такую прелесть на свалку выкинул?

вошел во вкус
Группа: Участники
Сообщений: 286
Добавлено: 04-08-2017 23:03
В мусоре попался новенький контактор ткд203додб. Что с ним делать, пока не решил...

1. Отдать в музей реле.
2. Переработать на серебро.

Как вариант- использовать в очень мощном блоке питания для плавного включения.

гигант мысли
Группа: Участники
Сообщений: 5744
Добавлено: 05-08-2017 00:25

1. Отдать в музей реле.
2. Переработать на серебро.

Эх, скорее всего пойдет по пункту 2. Насколько помню от нескольких людей, занимающихся торговлей комлектацией, в ходу сейчас такие контакторы на сотни ампер (ТКС__), остальные практически невозможно продать. Хотя надо сказать, где-то год назад у меня 4шт ТКД503__ взяли по 250р...

вошел во вкус
Группа: Участники
Сообщений: 286
Добавлено: 05-08-2017 00:31

1. Отдать в музей реле.
2. Переработать на серебро.

Эх, скорее всего пойдет по пункту 2. Насколько помню от нескольких людей, занимающихся торговлей комлектацией, в ходу сейчас такие контакторы на сотни ампер (ТКС__), остальные практически невозможно продать. Хотя надо сказать, где-то год назад у меня 4шт ТКД503__ взяли по 250р...

Лучше сохранить... Вещь редкая, особенно, если новый, и в ряде самоделок может пригодиться. Такой и ломать жалко.

гигант мысли
Группа: Участники
Сообщений: 5744
Добавлено: 05-08-2017 00:38
Ну насчет редкая, боюсь, вы не правы: на том же Митино их полно можно было всегда найти...
Насчет самоделок тоже сомнительно - 3 фазы, десятки ампер, катушка скорее всего на 27В...
Если вам нужно, пишите на почту, договоримся

мастер
Группа: Участники
Сообщений: 810
Добавлено: 05-08-2017 19:24
Выпускаются до сих пор и цена на новодел довольно таки хорошая.
Можно выложить на форум по авиации пойдет в дело.
Насчет серебра там его не очень много и скорее всего сплав.
Поскольку у нас любители джелтого не особо их дорого покупали.
Да и поморочиться с ним надо чтобы снять серебро.
В быту примелся в самодельных полу автоматах на включение силивого тр-а и подачу проволоки.

Гость
Добавлено: 05-08-2017 20:16
...
Насчет серебра там его не очень много и скорее всего сплав.
...

Конечно сплав. Думаю % 50. Добывал из советского. При попытке раскатать потоньше- края потрескались, но пятак раскатался.

гигант мысли
Группа: Участники
Сообщений: 5744
Добавлено: 05-08-2017 22:19
Какой форум авиации?
У меня их мало и они еще советские без упаковки и документов... Пойдет в дело, чтобы самолет потом упал что ли?

знающий
Группа: Участники
Сообщений: 320
Добавлено: 06-08-2017 18:02




знающий
Группа: Участники
Сообщений: 320
Добавлено: 06-08-2017 18:04




вошел во вкус
Группа: Участники
Сообщений: 169
Добавлено: 06-08-2017 21:13

Ленинград-1 воистину слепили из того, что было
хотя, в те времена стояла другая задача - чтобы игры игрались!
ув. сuper , дайте ему 5В, наверняка оживёт...
КМ погрызли правда...
"Панельки" TESLA в почёте были

Спасибо! Порадовали фото

мастер
Группа: Участники
Сообщений: 888
Добавлено: 06-08-2017 22:43
Ленинград-1 воистину слепили из того, что было

Да... Ностальгия... Прокуренная комната в общаге, писк магнитофона, колдунство с подстройкой головки "на слух", очередь на "поиграть"...
У меня несколько "Спектрумов", в том числе самосборный "Ленинград", до прошлого года в гараже валялись, выкинуть рука не поднималась. Потом в сети попалось объявление "Куплю п/к спектрум в любом состоянии" - отправил увлеченному человеку за стоимость почтового пересыла, может что восстановит, а что-то на запчасти пойдёт.

пришел поспрашивать
Группа: Участники
Сообщений: 76
Добавлено: 06-08-2017 23:34
Какой форум авиации?
У меня их мало и они еще советские без упаковки и документов... Пойдет в дело, чтобы самолет потом упал что ли?

Я себе много чего приобрёл редкого с этой барахолки , вот к примеру похожие контакторы выложены , тут же есть старенькие 133е микросхемки ...
www.reaa.ru/cgi-bin/yabbA/YaBB.pl?num=1487598871
Сколько таких авиа контакторов и реле у меня было , все от 12 вольт шлёпали ...

гроссмейстер
Группа: Участники
Сообщений: 1058
Добавлено: 07-08-2017 00:14
Мой последний Спектрум. Рука не поднимается выбросить на свалку...





вошел во вкус
Группа: Участники
Сообщений: 286
Добавлено: 07-08-2017 01:06
Мой последний Спектрум. Рука не поднимается выбросить на свалку...





Интересные разъемы...

вошел во вкус
Группа: Участники
Сообщений: 169
Добавлено: 07-08-2017 06:14
Мой последний Спектрум. Рука не поднимается выбросить на свалку...





Святой Фарадей! Грех-то какой даже думать об этом!

А ведь самое интересное с обратной стороны монтажной платы

знающий
Группа: Участники
Сообщений: 345
Добавлено: 07-08-2017 09:51
Интересные разъемы...


фирмы Lemo. в ядерной электронике активно применялись.

ув.vjatsky, случайно не осталось ответных частей на кабель с таких разъемов? (двухпиновый половинкой)

Гость
Добавлено: 08-08-2017 01:36
А вот и у меня нечастый и скромный (по сравнению с некоторыми) улов:



2 CD привода от ноутов, а АКБ от них (одна с сюрпризом :-( от дяди Ляо) роутер и ТЭН от духовки 1,1 кВт Вот не знаю что с ним делать и на что полезное применить ?

гроссмейстер
Группа: Участники
Сообщений: 1058
Добавлено: 10-08-2017 20:09
Не прошёл мимо, может, кому нужно.
330 и 700 страниц.




мастер
Группа: Участники
Сообщений: 773
Добавлено: 10-08-2017 22:24

гигант мысли
Группа: Участники
Сообщений: 5744
Добавлено: 11-08-2017 00:47
М2УСЭ___ было бы весьма интересно вскрыть...

гигант мысли
Группа: Участники
Сообщений: 5744
Добавлено: 17-08-2017 00:34
Ручки-клювики к переключателям ПГ2:


Вот такие вот винты хитрые:


ВЧ блочки:


Гость
Добавлено: 17-08-2017 01:09

Вот такие вот винты хитрые:

Такие винты почти в каждой связной аппаратуре: К60,АСК,В12-3 и др

гигант мысли
Группа: Участники
Сообщений: 4411
Добавлено: 17-08-2017 01:31
Вот такие вот винты хитрые:

по ГОСТ 10344-80

гигант мысли
Группа: Участники
Сообщений: 5744
Добавлено: 18-08-2017 17:48
Еще ВЧ блочок:

гигант мысли
Группа: Участники
Сообщений: 5744
Добавлено: 23-08-2017 14:39
Платка из американской измериловки 70-ых годов с целой россыпью прецизионных резисторов и конденсаторов

пришел поспрашивать
Группа: Участники
Сообщений: 10
Добавлено: 24-08-2017 05:46
сливки с этой платы уже сняли. там ещё 0.02% ультрониксы стояли и 1n829b
не совсем измериловка, если память не изменяет - что-то из мед оборудования, мрт.

Гость
Добавлено: 26-08-2017 13:11
А как через таможню прошли - там на подобные блочки весьма возбуждается народ. Именно на отдельные платы. У нас недавно командировочных промурыжили несколько часов, именно на въезде в РФ.

мастер
Группа: Участники
Сообщений: 773
Добавлено: 27-08-2017 20:13
Сегодня коробку с таким содержимом платы похоже от измеривовки
интересно кокой прибор был.

гигант мысли
Группа: Участники
Сообщений: 4878
Добавлено: 27-08-2017 20:32
От осциллографа С1-117, кроме индикатора и плат с логикой в пластмассе. Хотя про платы логикой в пластмассе не очень уверен от него или нет

гигант мысли
Группа: Участники
Сообщений: 5744
Добавлено: 27-08-2017 20:52
Платы с логикой в пластике - это похоже управление для ГР-панели, а значит точно не от с1-117. Возможно это разобранный дисплей МС6205, но не уверен.

мастер
Группа: Участники
Сообщений: 639
Добавлено: 27-08-2017 21:41
Основная часть плат от С1-117, а плата с индикатором от чего-то другого.

вошел во вкус
Группа: Участники
Сообщений: 169
Добавлено: 28-08-2017 11:18
С такой свалкой в магазин ходить не надо

гигант мысли
Группа: Участники
Сообщений: 6778
Добавлено: 28-08-2017 15:49
Основная часть плат от С1-117, а плата с индикатором от чего-то другого.

Так оно и есть...

мастер
Группа: Участники
Сообщений: 773
Добавлено: 03-09-2017 22:38
находки с попутных свалок.

вошел во вкус
Группа: Участники
Сообщений: 242
Добавлено: 03-09-2017 22:58
находки с попутных свалок.

Готов приобрести Зорьку, если конечно внутри у нее все в целости и сохранности.

У сына когда-то был такой приемник, но куда он делся одному богу известно. Вот и хочу восстановить его присутствие в моей небольшой коллекции.

мастер
Группа: Участники
Сообщений: 773
Добавлено: 03-09-2017 23:34
находки с попутных свалок.

Готов приобрести Зорьку, если конечно внутри у нее все в целости и сохранности.

У сына когда-то был такой приемник, но куда он делся одному богу известно. Вот и хочу восстановить его присутствие в моей небольшой коллекции.

Зорьку я не продаю и на плате не хватает деталей и колесика кпе.
в 80 х сам покупал радио набор Зорьку и собирал был пластмассовой ручкой А эта Зорька железно рукая .

гигант мысли
Группа: Участники
Сообщений: 7902
Добавлено: 04-09-2017 07:51
Основная часть плат от С1-117


причем от С1-117 производства Махачкалы.

Упреждая вопрос, почему не минский "Калибр":

- минский "Калибр" собирал эти осциллографы с подавляющим применением КМ конденсаторов, а не К10-17;
- протравленые шифры на платах в Махачкалы и Минска отличались;
- сборки-микросхемы в минских осциллографов имели обозначения с логотипом своего завода-изготовителя.

вошел во вкус
Группа: Участники
Сообщений: 242
Добавлено: 04-09-2017 15:40
находки с попутных свалок.

Готов приобрести Зорьку, если конечно внутри у нее все в целости и сохранности.

У сына когда-то был такой приемник, но куда он делся одному богу известно. Вот и хочу восстановить его присутствие в моей небольшой коллекции.

Зорьку я не продаю и на плате не хватает деталей и колесика кпе.
в 80 х сам покупал радио набор Зорьку и собирал был пластмассовой ручкой А эта Зорька железно рукая .

Так там в коробке по-моему как раз и лежит это колесико, причем с переменником.

А у сына был именно такой, с железной ручкой.

гигант мысли
Группа: Участники
Сообщений: 6778
Добавлено: 04-09-2017 16:13
- сборки-микросхемы в минских осциллографов имели обозначения с логотипом своего завода-изготовителя.


Чуть-чуть дополню ув. drapieznikа ...
В Махачкале м/сборки вначале маркировались вручную (девочки с более-менее красивым почерком). Потом сделали штампики для маркировки типа, но дату выпуска наносили вручную. Совсем небольшое количество маркировалось методом сеткографии, но логотипа тоже не было...

мастер
Группа: Участники
Сообщений: 773
Добавлено: 04-09-2017 19:52
находки.

гигант мысли
Группа: Участники
Сообщений: 5744
Добавлено: 14-09-2017 13:15
Еще из давних находок.
Древние, крупные и тяжелые американские кварцевые резонаторы.


Что с ними делать - не знаю, кому интересны, пишите на почту, обмен, продажа...

гигант мысли
Группа: Участники
Сообщений: 8494
Добавлено: 14-09-2017 14:57
Что с ними делать - не знаю, кому интересны, пишите на почту, обмен, продажа...

Я один резервирую

гигант мысли
Группа: Участники
Сообщений: 5744
Добавлено: 16-09-2017 14:59
Сменный блок от какого-то древнего измерительного прибора, возможно от осциллографа.
Чутка покоцанный до меня - нету заднего разъема и четырех переменных резисторов на передней панели.


Построен на паре нувисторов 7586 и, что удивило - на транзисторах во вполне современных корпусах, причем установленных в панельки!


Вид на верхнюю часть шасси:


И на подвал.
Монтаж навесной, весьма плотный. Порадовали керамические распаечные планки. У нас таких не встречал.


Весьма сложный входной переключатель-аттенюатор. Прямо на нем установлен один из нувисторов.

главный по тарелочкам
Группа: Участники
Сообщений: 2542
Добавлено: 16-09-2017 19:29
Но Тектроникс меня убил не панельками под транзисторы, а катушечкой с припоем для ремонта внутри осциллографа.

ЗиПа не было внутри ?

мастер
Группа: Участники
Сообщений: 554
Добавлено: 17-09-2017 02:32
Порадовали керамические распаечные планки. У нас таких не встречал.

Были. Вроде как в С1-69 точно такие во входных цепях стоят. Фоток сходу не нашел, но, кажется, 69й был...

мастер
Группа: Участники
Сообщений: 790
Добавлено: 19-09-2017 21:50
Не то чтобы со свалки а на местном форуме просто подарили!

TURBO, Вот для тех случаев когда "Не то чтобы.." - и есть специальная тема "Новые интересные приобретения"!
Ну капец просто! Уже полностью "зафлудили" такую некогда "увлекательную" свалочную тему!

гигант мысли
Группа: Участники
Сообщений: 5744
Добавлено: 19-09-2017 23:46
А припой можно увидеть на этом фото - Тектроникс 556

У вас есть целый старый ламповый Тек? А можете полную фотосессию ему устроить?

мастер
Группа: Участники
Сообщений: 627
Добавлено: 20-09-2017 08:52
Не то чтобы со свалки а на местном форуме просто подарили!

TURBO, Вот для тех случаев когда "Не то чтобы.." - и есть специальная тема "Новые интересные приобретения"!
Ну капец просто! Уже полностью "зафлудили" такую некогда "увлекательную" свалочную тему!

Не, ну погоди тот кто мне Советскую телевизионную камеру подарил, нашел её на свалке это и по фото видно
Ну хорошо сейчас перенесу

мастер
Группа: Участники
Сообщений: 888
Добавлено: 20-09-2017 20:14
TURBO, Вот для тех случаев когда "Не то чтобы.." - и есть специальная тема "Новые интересные приобретения"!
Ну капец просто! Уже полностью "зафлудили" такую некогда "увлекательную" свалочную тему!

Не согласен. "Новые интересные приобретения", скорее про то, что приобрёл целенаправленно: интересовался человек этой вещью и, наконец, приобрёл. А если просто предложили: "Надо? Забирай, а то выкину", то таким предметам здесь самое место. IMHO


мастер
Группа: Участники
Сообщений: 790
Добавлено: 21-09-2017 06:24
Не согласен. ... А если просто предложили: "Надо? Забирай, а то выкину", то таким предметам здесь самое место.

ingOK, Не подливайте "масла в огонь"!
Достаточно того, что lalka регулярным выкладыванием "находок" из своего института, уже и так внёс полный "беспорядок" в первоначальный смысл темы!
Я собственно почему возмущаюсь? - Да потому что мне интересно какие же радио-сокровища вот так "тупо" выбрасываются просто в мусор? И если бы не старания "нашего брата", что могло быть похороненным на свалках навсегда?!
А режимные/охраняемые институтские склады и заводские свалки; подарки от знакомых; наследство от родственников, и т. д., и т.п., к термину "Находки на свалке" - никакого отношения НЕ ИМЕЮТ!
Я вот как раз периодически делаю вылазки по пока ещё доступным ближайшим свалкам.
И даже несмотря на то, что почти все самые "урожайные" точки, за последние годы оказались для свободного доступа перекрыты, а также на то - что ситуацию сильно осложнило что на многих приёмках металлолома появились объявы о скупке плат и деталей, из за чего бомжи (ранее на платы и РЭК не обращавшие внимания) теперь начали выметать всё начисто, - интересные и полезные находки всё-таки иногда проскакивают!
Вот например на днях попался мешок с вот таким сюрпризом в нутри: (транс - рабочий!))


А весной повезло удачно зайти на "точку" сразу после выгрузки машины с разной рекламной светотехникой.
Забрал столько - сколько смог утащить! (Кстати - всё тоже оказалось в рабочем состоянии!))


магистр
Группа: Участники
Сообщений: 1411
Добавлено: 21-09-2017 09:34
А режимные/охраняемые институтские склады и заводские свалки; подарки от знакомых; наследство от родственников, и т. д., и т.п., к термину "Находки на свалке" - никакого отношения НЕ ИМЕЮТ!

Не в защиту ув.lalka, а в общем. А чем простите заводская/режимная свалка отличается от любой другой таковой по сути ?! Нет, не склад, и не подарки от родственников, а именно свалка ?! Там находки не разложены по полочкам и вполне себе имеют место быть и в земле, и в пищевых отходах.

И если кто-то, по разным причинам не имеет возможности (не работает в данном/нужном месте, не хочет потому что лень и т.д.) посещать таковые объекты, не нужно, пожалуйста, указывать другим участникам форума, имеющим таковые возможности, как и куда им выкладывать свои свалочные находки.

Заводская/закрытая/с допуском по спец пропускам свалка- это тоже СВАЛКА

А особенности местонахождения и условия приобретения топикастером его свалочных находок вполне себе можно обсудить в ЛС

На этом можно наверно закрыть флуд не по теме.

мастер
Группа: Участники
Сообщений: 888
Добавлено: 21-09-2017 11:25
ingOK, Не подливайте "масла в огонь"!
Достаточно того, что lalka регулярным выкладыванием "находок" из своего института, уже и так внёс полный "беспорядок" в первоначальный смысл темы!
Я собственно почему возмущаюсь? - Да потому что мне интересно какие же радио-сокровища вот так "тупо" выбрасываются просто в мусор? И если бы не старания "нашего брата", что могло быть похороненным на свалках навсегда?!
А режимные/охраняемые институтские склады и заводские свалки; подарки от знакомых; наследство от родственников, и т. д., и т.п., к термину "Находки на свалке" - никакого отношения НЕ ИМЕЮТ!
Помнится, дискуссия по этому поводу здесь уже была. Было предложено несколько вариантов, в том числе, создание отдельной темы "Находки где угодно", а эта пусть остаётся лишь для находок в местах сбора бытовых отходов. И помнится, в итоге, уважаемый mretro принял решение не плодить лишних сущностей и оставить всё как есть: разрешить размещать здесь все находки (т.е. предметы не купленные и не выменянные), независимо от того, где они найдены.
Если я ошибаюсь, пусть Админ меня поправит.

администратор
Группа: Администраторы
Сообщений: 8045
Добавлено: 21-09-2017 13:33
Давайте на этом закончим дискуссию по классификации свалок/не свалок.

гигант мысли
Группа: Участники
Сообщений: 5744
Добавлено: 21-09-2017 14:09
Пара усилителей от самописцев, еще ламповых.

УМ-109.
Логотип интересный


И поновее: УЭД1-03. Логотип в стиле Спутника тоже понравился.


Под крышкой оказался трансформатор:


Подвал:

мастер
Группа: Участники
Сообщений: 810
Добавлено: 21-09-2017 21:42
Из этих усилков получаются очень хорошие УНЧ.Почти все идет в дело.Даже согласующий трансфоратор.Как говорится зналбы прикуп жил бы в сочи.Когда работал в кипе целая коробка валялась их без дела.Потом спрашивал про них сказали выбросили при очередном наведении порядка.

гигант мысли
Группа: Участники
Сообщений: 5744
Добавлено: 23-09-2017 21:30
Блок ВВ стабилизатора вроде как от Г4-141 в более-менее целом виде:

главный по тарелочкам
Группа: Участники
Сообщений: 2186
Добавлено: 04-10-2017 01:12
Недавно притащил со свалки сумку с таким замечательным содержимым..до сих пор удивляюсь как местные БОМЖи прошляпили такое богатство..






главный по тарелочкам
Группа: Участники
Сообщений: 2186
Добавлено: 04-10-2017 01:17





главный по тарелочкам
Группа: Участники
Сообщений: 2186
Добавлено: 04-10-2017 01:19





главный по тарелочкам
Группа: Участники
Сообщений: 2186
Добавлено: 04-10-2017 01:22





главный по тарелочкам
Группа: Участники
Сообщений: 2186
Добавлено: 04-10-2017 01:24






гигант мысли
Группа: Участники
Сообщений: 5744
Добавлено: 04-10-2017 01:31
Вот это НАХОДКА!
А что бомжам со всех этих лампочек? Максимум пара кило меди с ГУшки...

главный по тарелочкам
Группа: Участники
Сообщений: 2186
Добавлено: 04-10-2017 01:39
Да уж,давно я такого не находил..есть мнение что это добро из какого-либо медучреждения-уж больно специфичные лампы были в сумке..да и электроды тоже наводят меня на эту мысль,не говоря уже о кенотроне и рентгеновской трубе

мастер
Группа: Участники
Сообщений: 627
Добавлено: 04-10-2017 10:03
Да .есть мнение что это добро из какого-либо медучреждения-уж больно специфичные лампы были в сумке..да и электроды тоже наводят меня на эту мысль,не говоря уже о кенотроне и рентгеновской трубе

Я тоже как то нашел на свалке в упаковках взевозможные лампы только не радио а толи ультрафиолетовые толи кварцевые и ещё рассыпухой 6П3С, Гу-50, ГУ-19 эти брать не стал а выбрал в коробочках некоторые лишь по одной упаковке и успокоился, валяются где то в кладовке далеко до сих пор. Ещё тогда подумал из какого то медучреждения вывезли

Гость
Добавлено: 10-10-2017 17:02
не любят форумчане эту тему...))) Вобщем жуткая китайская тяжелая железяка с цифровым управлением и позорным исполнением, какието насосы, электрофицированные игрушки, старинный винт, немного ширпотреба с индикаторами, разбомжованная приставка "спектр", древнющая релюшка КЗ со странными непонятными контактами и гвоздь помойки, почти идеальный приемник ЛЕНИНГРАД-006, со всеми крышечками кнопачками, ручечками и пимпочками и с дарственной надписью от 80-ого года... и великое горе, в городе появились приемщики драгов, принимают все подряд, терь отыскать ченить антиресное очень проблематично, но я не унываю ибо удача не обходит меня стороной, со злачных мест было утащено еще куча всяких плат импортного и советского производства, но дабы не смущать сдешнее аристократическое общество, выкладывать сии мелочи не буду... Качество фото унылое, потерялся зарядник от любимого панасоника, поэтому не ругайтесь ибо кроме мыльницы под рукой больше ничего нетю...)))




вошел во вкус
Группа: Участники
Сообщений: 112
Добавлено: 10-10-2017 18:04
Винчестер хорош! Думаю люди на "полигоне призраков" вполне заинтересуются.

вошел во вкус
Группа: Участники
Сообщений: 242
Добавлено: 10-10-2017 18:11
Винчестер хорош! Думаю люди на "полигоне призраков" вполне заинтересуются.

У меня тоже где-то нечто подобное валяется, аж на 20мб.

вошел во вкус
Группа: Участники
Сообщений: 286
Добавлено: 10-10-2017 20:10
Винчестер хорош! Думаю люди на "полигоне призраков" вполне заинтересуются.

Судя по разъему, интерфейс ESDI

мастер
Группа: Участники
Сообщений: 773
Добавлено: 10-10-2017 23:40
Находки за неделю. видео находок. https://www.youtube.com/watch?v=_Mf_k_YHU_Y

мастер
Группа: Участники
Сообщений: 810
Добавлено: 11-10-2017 22:00
Интерестно с чего это такой серезный регулятор на тиристорах.На КМ-ки не пожлобились.Или это самодел?

магистр
Группа: Участники
Сообщений: 1411
Добавлено: 13-10-2017 09:29
Остатки от телевизора, несколько потрёпанные бомжами... Интересно, что за модель ?! Достаточно серьезное наполнение...

гигант мысли
Группа: Участники
Сообщений: 5744
Добавлено: 13-10-2017 16:17
Некая платка:

мастер
Группа: Участники
Сообщений: 790
Добавлено: 13-10-2017 16:53
Остатки от телевизора... Интересно, что за модель ?! Достаточно серьезное наполнение...

Чёрный сталкер, Похоже очень редкий был "зверь"! По крайней мере в Сети нету ни одной его фотки, только нечастые упоминания:
- http://shop.tcnti.ru/Catalog/DocInfo/247400


Гость
Добавлено: 13-10-2017 19:18
Черный Сталкер, я бы приобрел резинку анодную от строчника увас!

магистр
Группа: Участники
Сообщений: 1411
Добавлено: 13-10-2017 21:17
Увы, плата давно утилизирована вместе с резинкой...а чем именно эта резинка особенная ? Такая же как у всех отечественных тв...

Гость
Добавлено: 13-10-2017 21:27
Редкая она :)

мастер
Группа: Участники
Сообщений: 773
Добавлено: 16-10-2017 20:23
Нашел в заброшенном карьере кучю аккумуляторов от радиостанций.

мастер
Группа: Участники
Сообщений: 773
Добавлено: 17-10-2017 00:11
Находки за выходные дни.

вошел во вкус
Группа: Участники
Сообщений: 104
Добавлено: 17-10-2017 21:32
Иду недавно, никому вреда не делаю, смотрю: дом заброшенный и окно открыто практически на уровне земли. Не удержался, залез: грязь, помойка, воняет экскрементами. А в одном укромном уголке нашлось такое чудо, увы, потраченное:

Гость
Добавлено: 17-10-2017 23:44
Разные анодные присоски, умножители, строчники и запасные ферриты, скобы и вторички.
Все это было спасено с разных мест: Со свалок, от драгметчиков, просто подарено, в общем радости целые штаны!

главный по тарелочкам
Группа: Участники
Сообщений: 2474
Добавлено: 18-10-2017 10:25
Разные анодные присоски, умножители, строчники и запасные ферриты, скобы и вторички.
Все это было спасено с разных мест: Со свалок, от драгметчиков, просто подарено, в общем радости целые штаны!

А зачем Вам это все, если не секрет?

администратор
Группа: Администраторы
Сообщений: 8045
Добавлено: 18-10-2017 10:36
Разные анодные присоски, умножители, строчники и запасные ферриты, скобы и вторички.
Все это было спасено с разных мест: Со свалок, от драгметчиков, просто подарено, в общем радости целые штаны!

Сколько подобного "добра" было вынесено в пухто... Правда коробка с импортными строчниками где-то в гараже ещё валяется.

Гость
Добавлено: 18-10-2017 13:20
да не, импорт он не столь ценен, а вот советское да, особенно от измериловки!

главный по тарелочкам
Группа: Участники
Сообщений: 2474
Добавлено: 18-10-2017 13:33
Сколько подобного "добра" было вынесено в пухто... Правда коробка с импортными строчниками где-то в гараже ещё валяется.

Владимир Михалыч, ну хоть ты мне-дураку объясни, накой энти штуковины ему нужны теперь?

мастер
Группа: Участники
Сообщений: 790
Добавлено: 18-10-2017 15:28
Разные анодные присоски, умножители, строчники и запасные ферриты, скобы и вторички.

А вот мне сегодня, по дороге на работу, попалась кучка поинтереснее!




вошел во вкус
Группа: Участники
Сообщений: 242
Добавлено: 18-10-2017 16:41

А вот мне сегодня, по дороге на работу, попалась кучка поинтереснее!




Вот блин! И почему мне такие кучки нигде не встречаются....
Кучка-то как раз по моему профилю. :-)

гигант мысли
Группа: Участники
Сообщений: 5744
Добавлено: 24-10-2017 18:18
Старый жесткий диск.
Если кому надо в коллекцию, пишите на почту в профиле, обсудим.

мастер
Группа: Участники
Сообщений: 773
Добавлено: 26-10-2017 18:17
Находки за выходные дни.

вошел во вкус
Группа: Участники
Сообщений: 242
Добавлено: 26-10-2017 21:15
Находки за выходные дни.

Вот блин! Опять дразнишься?! :-)))

гигант мысли
Группа: Участники
Сообщений: 6778
Добавлено: 26-10-2017 21:35
Находки за выходные дни.

Как-то странно, что даже такие "вертолётики" здесь оказались... Даже непосвящённому видно, что здесь аурум, не считая их ценности как изделий ...

вошел во вкус
Группа: Участники
Сообщений: 231
Добавлено: 26-10-2017 22:18

Как-то странно, что даже такие "вертолётики" здесь оказались... Даже непосвящённому видно, что здесь аурум, не считая их ценности как изделий ...

Интересно, откуда выпаян BSY??? в середине кропа.

гигант мысли
Группа: Участники
Сообщений: 5744
Добавлено: 27-10-2017 00:47
Находки за выходные дни.

Вот блин! Опять дразнишься?! :-)))

А что это такое, не расскажете?

гигант мысли
Группа: Участники
Сообщений: 5744
Добавлено: 27-10-2017 00:48
Находки за выходные дни.

А можно ли отснять сг307к и документы к нему?

главный по тарелочкам
Группа: Участники
Сообщений: 2542
Добавлено: 27-10-2017 01:22
Это радиостанция Р-116 из 50-х годов, очень годный экспонат (внутри ценного искать не стоит). Три радиолампы 2Ж27П/2Ж27П/2П29П, катушки на керамике, трубчатые конденсаторы. Герметично запаяна в корпус. Заменена радиостанцией Р-126.

мастер
Группа: Участники
Сообщений: 888
Добавлено: 27-10-2017 11:10
Как-то странно, что даже такие "вертолётики" здесь оказались... Даже непосвящённому видно, что здесь аурум, не считая их ценности как изделий ...

Не столько странно, сколько печально. Если все эти детали действительно со свалки, то это может означать, что собравший их человек умер, а наследники избавились от "хлама".

А можно ли отснять сг307к и документы к нему?
Валялась у меня где-то подобная штука, правда без документов. А чем он интересен?

мастер
Группа: Участники
Сообщений: 501
Добавлено: 27-10-2017 11:58
Не столько странно, сколько печально. Если все эти детали действительно со свалки, то это может означать, что собравший их человек умер, а наследники избавились от "хлама".

Скорее это валялось в какой-нибудь лаборатории, теперь её ликвидировали или перевели в другое помещение, расчистив шкафы и столы. Печально другое - на производство "хлама", которому суждено было пролежать на складе и попасть на свалку, тратились колоссальные ресурсы. Ведь здесь мы видим какие-нибудь миллионные доли процента всего выкидываемого.

Например, могли бы в 80-е годы пустить это в магазины для продажи радиолюбителям. В моём городе был крайне скудный ассортимент, а то, что было - продавалось по астрономическим ценам (КТ818Г стоил 17 руб, КУ202А 5 руб и т.д.)

ps. Ни разу, никогда, до конца 80х, в моём городе не продавались в магазинах микросхемы массовых серий К155, К176, К561. Не говоря уже о более сложных и желанных, например, КР580. Будучи школьником, я объезжал все радиомагазины с периодом 1-2 недели. Только году к 1989-90 появились первые К155ЛА3.
До этого продавалась 134 по 50коп за штуку, но её было трудно применять. Продавалась К144ИР1П (одна купленная до сих пор лежит).

вошел во вкус
Группа: Участники
Сообщений: 242
Добавлено: 27-10-2017 13:49
Находки за выходные дни.

Вот блин! Опять дразнишься?! :-)))

А что это такое, не расскажете?

Это старая военная ламповая АМ радиостанция Р-116, в которой приемник собран по схеме прямого усиления, а передатчик всего 50 мвт, что позволяет ей держать связь до 1 км с однотипными станциями. Рабочие частоты в районе 50 мгц.

вошел во вкус
Группа: Участники
Сообщений: 242
Добавлено: 27-10-2017 13:54
Это радиостанция Р-116 из 50-х годов, очень годный экспонат (внутри ценного искать не стоит). Три радиолампы 2Ж27П/2Ж27П/2П29П, катушки на керамике, трубчатые конденсаторы. Герметично запаяна в корпус. Заменена радиостанцией Р-126.

Р-116 это АМ радиостанция, а Р-126 ЧМ, так что о полноценной прямой замене говорить не приходится.

мастер
Группа: Участники
Сообщений: 790
Добавлено: 27-10-2017 14:33
Находки за выходные дни....

Нам конечно, как всегда, с "масштабами" ГТ906 не тягаться, но и такие скромные находочки - воспринимаем с большим "энтузиазмом"!

Найдено опять таки по дороге на работу, возле небольшой "импровизированной" кучки мусора. )

Ведь здесь мы видим какие-нибудь миллионные доли процента всего выкидываемого.

+100500!!! Тоже не раз ловил себя на мысли: что если это только "случайно" на глаза попадается столько выброшенного "радиодобра", то можно себе представить - какие реальные масштабы зарывания в землю некогда фантастически дорогих и дефицитных не только РЭК, но и часто даже целых приборов, не говоря уже о отдельных узлах ЭВМ и промавтоматики! ((

вошел во вкус
Группа: Участники
Сообщений: 138
Добавлено: 27-10-2017 14:58
Не столько странно, сколько печально. Если все эти детали действительно со свалки, то это может означать, что собравший их человек умер, а наследники избавились от "хлама".

Скорее это валялось в какой-нибудь лаборатории, теперь её ликвидировали или перевели в другое помещение, расчистив шкафы и столы. Печально другое - на производство "хлама", которому суждено было пролежать на складе и попасть на свалку, тратились колоссальные ресурсы. Ведь здесь мы видим какие-нибудь миллионные доли процента всего выкидываемого.

Например, могли бы в 80-е годы пустить это в магазины для продажи радиолюбителям. В моём городе был крайне скудный ассортимент, а то, что было - продавалось по астрономическим ценам (КТ818Г стоил 17 руб, КУ202А 5 руб и т.д.)

ps. Ни разу, никогда, до конца 80х, в моём городе не продавались в магазинах микросхемы массовых серий К155, К176, К561. Не говоря уже о более сложных и желанных, например, КР580. Будучи школьником, я объезжал все радиомагазины с периодом 1-2 недели. Только году к 1989-90 появились первые К155ЛА3.
До этого продавалась 134 по 50коп за штуку, но её было трудно применять. Продавалась К144ИР1П (одна купленная до сих пор лежит).


Город какой ?

гроссмейстер
Группа: Участники
Сообщений: 1120
Добавлено: 27-10-2017 16:06
Похоже, от "Ромашки"

мастер
Группа: Участники
Сообщений: 790
Добавлено: 27-10-2017 17:19
Похоже, от "Ромашки"

Она! Думал закинуть её фотки в "Микропроцессорные устройства", но пусть уже здесь побудет. )

Машина пишущая "ПЭЛП-305-03" (дата выпуска 02.1992г.)




мастер
Группа: Участники
Сообщений: 501
Добавлено: 27-10-2017 19:39
Город какой ?

Город-миллионник Омск.

гроссмейстер
Группа: Участники
Сообщений: 1120
Добавлено: 27-10-2017 23:30
Редкая модификация на Светлановском чипе.

гроссмейстер
Группа: Участники
Сообщений: 1003
Добавлено: 28-10-2017 00:19
Находки за выходные дни....

Тоже не раз ловил себя на мысли: что если это только "случайно" на глаза попадается столько выброшенного "радиодобра", то можно себе представить - какие реальные масштабы зарывания в землю некогда фантастически дорогих и дефицитных не только РЭК, но и часто даже целых приборов, не говоря уже о отдельных узлах ЭВМ и промавтоматики! ((


А Вы как думаете - как на нашей планете в стародавние времена образовались месторождения "ценных и блестящих" металлов - вот так вот жили нетужили очень-древние радиолюбители, а потом трах-бабах - все на шарике сравнялось и расплавилось на миллионы лет вперед - вот вам и круговорот металлов в природе...

гигант мысли
Группа: Участники
Сообщений: 5744
Добавлено: 28-10-2017 00:45
Вот такая вот коробка попалась


Оказалось, что это пятиканальный линейный источник питания, состоящий из двух трехфазных 400 Гц трансформаторов и пяти ячеек, в каждой из которых есть свой трехфазный мост и стабилизатор напряжения по простейшей схеме со стабилитроном и регулирующим мощным транзистором.


Пара ячеек крупно:

вошел во вкус
Группа: Участники
Сообщений: 286
Добавлено: 28-10-2017 00:51
Раньше молодежь активно увлекалась электроникой, любые детали и электронные приборы, выброшенные в более-менее людных местах, быстро обретали новых хозяев. А сейчас подобные вещи могут месяцами валяться, и никто их не подберет- молодежи интересны другие вещи, а радиолюбителей старой закалки становится всё меньше.

Гость
Добавлено: 28-10-2017 20:16

Это старая военная ламповая АМ радиостанция Р-116, в которой приемник собран по схеме прямого усиления, а передатчик всего 50 мвт, что позволяет ей держать связь до 1 км с однотипными станциями. Рабочие частоты в районе 50 мгц.


Сверхрегенератор там приемник. Потребно ей аж 3 напряжения. 2В накал, вольт 80 анода и еще отдельное напряжение чуть меньше анодного. Штатно там хитромудрая батарейка, занимающая пол корпуса и 2/3 массы. В свое время (90ые) в радиокружке запускали. Качество связи ужасное. Где-то от такое вскрытый блок валяется.

главный по тарелочкам
Группа: Участники
Сообщений: 2542
Добавлено: 28-10-2017 23:36
Керамические заготовки для 114-й серии. Красивый розовый цвет керамики...

мастер
Группа: Участники
Сообщений: 773
Добавлено: 28-10-2017 23:52
Находки с попутных свалок.
поступил заказ поездка от моего места до заказчика 100Км по пути 4 свалки те что возле дороги все что на фото с этих свалок.

час осень люди чистят свои кладовки очень много выбрасывают старой
техники.

видео https://www.youtube.com/watch?v=waCxpOKbT-0

гигант мысли
Группа: Участники
Сообщений: 6778
Добавлено: 29-10-2017 00:37
И пол-лисапета тоже оттуда?
А мониторы Вы не включали? Рабочие-нет?

гигант мысли
Группа: Участники
Сообщений: 6778
Добавлено: 29-10-2017 00:39
Керамические заготовки для 114-й серии. Красивый розовый цвет керамики...

Похоже, что это керамика 22ХС или по-другому ВК-94...

пришел поспрашивать
Группа: Участники
Сообщений: 66
Добавлено: 29-10-2017 00:47
Раньше молодежь активно увлекалась электроникой, любые детали и электронные приборы, выброшенные в более-менее людных местах, быстро обретали новых хозяев. А сейчас подобные вещи могут месяцами валяться, и никто их не подберет- молодежи интересны другие вещи, а радиолюбителей старой закалки становится всё меньше.


И да и нет. Я вообще даж завидую тут некоторым. Потому как только тема драг. м. стала актуальной в наши дни, ничего нигде не найдешь у нас. И на свалках около гаражей одни пустые корпуса валяются. Выбрасывают конечно, но...,к примеру, утром идешь около подъездов нет ничего, возвращаешься через 1 час, уже лежит открытый, плата выдрана. И так каждый раз. За пару-тройку лет только на старый двухкассетник магнитолу в сборе отечественную наткнулся у соседнего дома. Даже бабки у двора (как-то шел с работы, услышал "краем уха") как раз рядом с раскуроченным телеком женщине говорили, обсуждали, мол детали в телевизорах, все за ними гоняются, всем нужны и т.п. А вот 15-20 лет назад даже и разговоров таких не было, лежит опять же телек утром, вечером-снова лежит. Спокойно взял отвертку, открутил чего надо, домой пошел. И лампы не нужны были, ни транс, а теперь или фиг найдешь или безумных денег стоят.

мастер
Группа: Участники
Сообщений: 773
Добавлено: 29-10-2017 01:40
И пол-лисапета тоже оттуда?
А мониторы Вы не включали? Рабочие-нет?


Да велосипед найден на на свалке у него нет переднего колеса это за лето уже второй велосипед первый найден комплектный куплена на него
новая резина отдан брату он ездит на нем.

мониторы не рабочие один отремонтировал тот что стоит на велосипеде.

гигант мысли
Группа: Участники
Сообщений: 6778
Добавлено: 29-10-2017 05:26
Про мониторы не просто так спросил... У себя на лоджии использую монитор в качестве телевизора. К приставке для приема цифрового подключил китайскую примочку, колонки с усилителем от компа, антенна от "Алтая", на 300 МГц...Получилось дёшево и сердито! Картинка на экране получше, чем в телеке...

гигант мысли
Группа: Участники
Сообщений: 5744
Добавлено: 29-10-2017 10:23
А вот 15-20 лет назад даже и разговоров таких не было, лежит опять же телек утром, вечером-снова лежит. Спокойно взял отвертку, открутил чего надо, домой пошел. И лампы не нужны были, ни транс, а теперь или фиг найдешь или безумных денег стоят.

Да ладно? Не знаю, что у вас за город такой, но в Москве и 15 лет назад аппаратура не залеживалась на помойках. И дело в банальном цветмете, на котором при разборе бытовухи можно было куда больше заиметь, чем с драгов оттуда же. Странно, что у вас люди об этом не знали. Видимо все хорошо жили, раз деньги под ногами не интересовали...

мастер
Группа: Участники
Сообщений: 773
Добавлено: 29-10-2017 23:00
Находки сегодня. поехал в поселок забрать два жк телевизора разбитых на запчасти заехав первый забрал позвонил второму клиенту
нет дома будет через 40 минут чтобы не ждать решил за это время с ездит на свалку заехал походил все кучи уже разрыты электронного не чего нет видел только корпус от калькулятора. тут же заехал мужик на москвиче стал и стоит на верно ждал когда мы уедим неверно ему надоела стоят он стал разгружать все сложил в кучю не много от ехал и пошел поджигать свою кучю мой напарник вышел из машины сказал что мужик штраф хотеш заробеть он быстро сел и уехал пошел проверил кучу и вот что найдено кроме вертолета его нашел на другой попутной свалке.


Гость
Добавлено: 29-10-2017 23:08
Я фигею с этих людей, нет бы просто положить и уехать. мало ли, может люди возьмут. Нет, надо все сжечь к чертовой матери чтобы другим людям не попало--ни себе ни людям. Мм да...((

гроссмейстер
Группа: Участники
Сообщений: 1009
Добавлено: 29-10-2017 23:27
Для меня апофеоз непонимания добычи металлов был пару-тройку лет назад: предложили несколько ДВК-3 (которые моноблок), у которых бомки аккуратно открутили верхнюю крышку (и положили рядом) для того, чтобы разбить кинескоп и снять ОС на медь. Платы и прочие внутренности были на месте.....

гигант мысли
Группа: Участники
Сообщений: 5744
Добавлено: 30-10-2017 00:14
Совершенно не удивляет, тк видел такое много раз
Бомжи могут быть не в теме, а может им просто пофиг и главное побыстрее, здесь и сейчас, добыть себе сотню-другую с меди на водку...

гигант мысли
Группа: Участники
Сообщений: 4411
Добавлено: 30-10-2017 00:43
напомнило

гигант мысли
Группа: Участники
Сообщений: 6778
Добавлено: 30-10-2017 08:10
По делу анекдот, ув. Pedro ...Распечатал, отдал инсталляторам ...

мастер
Группа: Участники
Сообщений: 810
Добавлено: 30-10-2017 20:37
Вот такая вот коробка попалась


Оказалось, что это пятиканальный линейный источник питания, состоящий из двух трехфазных 400 Гц трансформаторов и пяти ячеек, в каждой из которых есть свой трехфазный мост и стабилизатор напряжения по простейшей схеме со стабилитроном и регулирующим мощным транзистором.


Если известно с чего такой серъезный БП вояки или авиация ?
400Гц 230(115) или 36В ?

гигант мысли
Группа: Участники
Сообщений: 5744
Добавлено: 30-10-2017 21:49
Не авионика точно, скорее что-то возимое было.
Питание точно не 36В.

мастер
Группа: Участники
Сообщений: 810
Добавлено: 31-10-2017 22:44
Судя по виду 2РДТ снят именно с этого БП? Скорее всего вся "Тропичность" заключается только в букве Т.В серъезные изделия ставят герметику на стекле.

гигант мысли
Группа: Участники
Сообщений: 6778
Добавлено: 31-10-2017 23:15
[/url]

Как раз к Новому Году сгодится . А может кто-то уже его отпраздновал и выбросил всё это ??
Подобная звёздочка с "бегущими огнями" работает у меня лет 30-ть...

гигант мысли
Группа: Участники
Сообщений: 5744
Добавлено: 01-11-2017 00:21
Судя по виду 2РДТ снят именно с этого БП?

Да. именно с этого.

Гость
Добавлено: 04-11-2017 14:23
Успел перехватить при вывозе на свалку

Оказалось, в документации на прибор ( Л2 - 85 ) не было указано наличие полезных металлов. Списали и решили выкинуть.
Некоторые платы сделал покрупнее. Вдруг кому интересно. Всего штук 15 разнообразных плат.



администратор
Группа: Администраторы
Сообщений: 8045
Добавлено: 04-11-2017 14:24
Успел перехватить при вывозе на свалку

Оказалось, в документации на прибор ( Л2 - 85 ) не было указано наличие полезных металлов. Списали и решили выкинуть.

Класс!

гигант мысли
Группа: Участники
Сообщений: 6778
Добавлено: 04-11-2017 17:25
Хороший перехват!
Боря, да там куча полезных штуковин! На 2-м фото, ниже 580ВН59, в таком же исполнении, что за зверь? Или я ничего не вижу, или там нет маркировки... И РФ5 не мусор😊...

мастер
Группа: Участники
Сообщений: 501
Добавлено: 04-11-2017 17:49
Хороший перехват!
Боря, да там куча полезных штуковин! На 2-м фото, ниже 580ВН59, в таком же исполнении, что за зверь? Или я ничего не вижу, или там нет маркировки...

есть обрывки маркировки 580ВК28

гигант мысли
Группа: Участники
Сообщений: 6778
Добавлено: 04-11-2017 19:09
Да? Спасибо, ув. -=vr=- , "28" сейчас рассмотрел, не более ...

Гость
Добавлено: 04-11-2017 20:26
Ну да!. Хреново, таки, видно. ВК 28.

гигант мысли
Группа: Участники
Сообщений: 5744
Добавлено: 04-11-2017 20:46
Л2-85? В интернете нет ни одной его фотки!
Ув. boris5712 , нет ли у вас его фото снаружи?

Гость
Добавлено: 04-11-2017 22:09
Фото, к сожалению, нет.
Есть на работе две толстенные папки с документацией на него.
Может, там рисунок есть. Посмотрю после выходных.

мастер
Группа: Участники
Сообщений: 501
Добавлено: 05-11-2017 06:24
Ну да!. Хреново, таки, видно. ВК 28.

На платах странные комбинации деталей - микросхемы КР и ОСМ, детали 90 года и две К133ТМ5 76-го года. Ощущение, что собрали остатки по сусекам и впаяли. Вот и эта 580ВК28. Такую поцарапанную маркировку видел один раз - микросхема упала на пол кверху ножками, на неё наступили и некоторое время походили с застрявшей в подошве.

гигант мысли
Группа: Участники
Сообщений: 6778
Добавлено: 05-11-2017 06:39
Значит, она выдержала механические испытания ...

мастер
Группа: Участники
Сообщений: 773
Добавлено: 05-11-2017 23:43
Находки сегодня. поехал в поселок на ремонт тв попутно заехал на свалку.

гигант мысли
Группа: Участники
Сообщений: 6778
Добавлено: 06-11-2017 01:01
А какие там ИН-ки стоят?

гигант мысли
Группа: Участники
Сообщений: 5744
Добавлено: 10-11-2017 12:28
Панелька вроде как для ГК-71:


Хитрый анодный дроссель, насколько помню, из аппарата УВЧ терапии на ГК-71. Индуктивность намерил 2,7 мГн.


Вот такие вот наборы резисторов, видимо были ВВ-делители. Состоят из резисторов С2-33-2, все по 43 кОм.

гигант мысли
Группа: Участники
Сообщений: 6778
Добавлено: 10-11-2017 17:28
Александр, если надумаете разбирать, от десятка или больше резисторов 2-х ваттных 43 кОм не отказался бы ...

пришел поспрашивать
Группа: Участники
Сообщений: 16
Добавлено: 11-11-2017 21:50
А у нас скромненько, но со вкусом


эта плата от р-173м

пришел поспрашивать
Группа: Участники
Сообщений: 16
Добавлено: 11-11-2017 22:21
А у нас скромненько, но со вкусом


эта плата от р-173м

нехватает только вертолетов,рес-48,и чего то напоминающего дросель

гигант мысли
Группа: Участники
Сообщений: 5744
Добавлено: 12-11-2017 20:17
Блочок

мастер
Группа: Участники
Сообщений: 773
Добавлено: 12-11-2017 21:41
Находки.видео https://www.youtube.com/watch?v=FT6WLFMDrmU&lc=z232zrog5v2by55vqacdp431urpnpdslzcqpwbgoayxw03c010c

гигант мысли
Группа: Участники
Сообщений: 6778
Добавлено: 12-11-2017 21:50
На 1-м фото случаем не "Вега-300"?
И вопрос к Вам, ув. ГТ906 ...Нет ли среди Ваших находок ноутбука TOSHIBA? Хоть в хлам разбитый, нужен...

мастер
Группа: Участники
Сообщений: 773
Добавлено: 12-11-2017 21:56
На 1-м фото случаем не "Вега-300"?
И вопрос к Вам, ув. ГТ906 ...Нет ли среди Ваших находок ноутбука TOSHIBA? Хоть в хлам разбитый, нужен...


Да "Вега-300" и есть TOSHIBA.

гигант мысли
Группа: Участники
Сообщений: 6778
Добавлено: 12-11-2017 22:23
Написал на Вашу почту.

мастер
Группа: Участники
Сообщений: 773
Добавлено: 14-11-2017 23:24
Находки с попутных свалок за выходные дни.видео https://youtu.be/Q_7ukfIsP5M

гигант мысли
Группа: Участники
Сообщений: 5744
Добавлено: 15-11-2017 13:52
Терморегулятор Ш4530 пп(S).
Переднюю фальш-панель кто-то уже упер


Прибор копанный, точнее ремонтировался неоднократно: часть электролитов заменена на современные, отечественные транзисторы в черном пластике скорее всего тоже не родные...


Впервые встретил реохорд из одной тонкой проволочки...

гигант мысли
Группа: Участники
Сообщений: 4878
Добавлено: 15-11-2017 16:00
Впервые встретил реохорд из одной тонкой проволочки...

Похожий имеется в мосте ММВ

гигант мысли
Группа: Участники
Сообщений: 5744
Добавлено: 18-11-2017 00:29
Некое поделие, корпуса уже не было...
Начинка довольно солидная и сложная... Что это могло быть - не представляю...


вошел во вкус
Группа: Участники
Сообщений: 112
Добавлено: 18-11-2017 11:25
Что это могло быть - не представляю...


Включить да и посмотреть? 8085 нужно одно питание - +5V.

гигант мысли
Группа: Участники
Сообщений: 5744
Добавлено: 18-11-2017 12:53
Судя по наличию АЦП - это скорее всего что-то измерительное. Вряд ли можно будет что-то дельное увидеть, просто подав питание...

мастер
Группа: Участники
Сообщений: 804
Добавлено: 18-11-2017 16:10
Думается мне, это блок управления советской микроволновкой. Под клавиатурой место для пьезоизлучатеся. А К176ИЕ4 и ИЕ12 реализуют таймер. Так что к измериловке это не имеет никакого отношения.

гигант мысли
Группа: Участники
Сообщений: 6778
Добавлено: 19-11-2017 08:02
Или вот тоже начинка от микроволновки:

гигант мысли
Группа: Участники
Сообщений: 5744
Добавлено: 19-11-2017 23:48
Плата от немецкой электронной печатной машинки формата А3:

гигант мысли
Группа: Участники
Сообщений: 5744
Добавлено: 21-11-2017 14:47
Впервые попался переключатель точек от самописца:




И небольшой контактор: ТКД103ДОДБ

мастер
Группа: Участники
Сообщений: 773
Добавлено: 22-11-2017 21:55
Находки.

мастер
Группа: Участники
Сообщений: 810
Добавлено: 22-11-2017 22:13
ПЕреключатель точек редкий зверь.В свое время почти все было здано драгметчикам.Да и приемщики в отделах по списанию знали про них и списать прибор безпереключателя было невозможно.
Контактор тоже новый наверно выкинул человек который не в курсе куда это можно деть.

мастер
Группа: Участники
Сообщений: 773
Добавлено: 22-11-2017 22:16
по путный заезд на свалку.

мастер
Группа: Участники
Сообщений: 773
Добавлено: 22-11-2017 22:25
ПЕреключатель точек редкий зверь.В свое время почти все было здано драгметчикам.Да и приемщики в отделах по списанию знали про них и списать прибор безпереключателя было невозможно.
Контактор тоже новый наверно выкинул человек который не в курсе куда это можно деть.


Года два на зад попадался самописец в нем стояло три таких переключателя.

гигант мысли
Группа: Участники
Сообщений: 6778
Добавлено: 23-11-2017 00:06
С1-77 хорош!
Ув. ГТ906 , так и не дождался от Вас ответа по ноутбукам Тошиба ...

мастер
Группа: Участники
Сообщений: 773
Добавлено: 23-11-2017 00:14
С1-77 хорош!
Ув. ГТ906 , так и не дождался от Вас ответа по ноутбукам Тошиба ...


вот такой.

гигант мысли
Группа: Участники
Сообщений: 6778
Добавлено: 23-11-2017 03:05
Спасибо, ув. ГТ906 !
В идеале нужен Toshiba Satellite L-300 C-23... Но посмотрю и этот вариант...

гигант мысли
Группа: Участники
Сообщений: 5744
Добавлено: 23-11-2017 19:14
Хламец всякий

Реле РТТС-1:


Умножитель напряжения УН8,5-25-2-А:


- Разъемы РП10-7Л:


- Вот такая кучка крупных разъемов.


- Блок электроники от старого японского промышленного регистратора температуры-самописца (или что-то типа).
Вибропреобразователь отсутствует.


Кабельки с очень странными разъемами.
На пакетике был указан производитель Bruel & Kjaer.


гигант мысли
Группа: Участники
Сообщений: 6778
Добавлено: 23-11-2017 19:20
Разъёмчики интересные...А ответных "мам" к ним нету?

гигант мысли
Группа: Участники
Сообщений: 5744
Добавлено: 23-11-2017 19:22
Нет. Кабели новые, были в пакетиках. Скорее всего из какого-то ЗИПа...

гигант мысли
Группа: Участники
Сообщений: 5744
Добавлено: 24-11-2017 23:12
Чутка остатков от тех же самых старых японских самописцев:


И пара симпатичных японских сдвоенных бумажных конденсаторов 1965-ого года

гигант мысли
Группа: Участники
Сообщений: 6778
Добавлено: 24-11-2017 23:19
1-й 1964г. ...

главный по тарелочкам
Группа: Участники
Сообщений: 2542
Добавлено: 26-11-2017 15:16
Счётчик моточасов "228 ЧП". В основе механический таймер и механизм автозавода на электромагните с подвижным контактом. Завода хватает примерно на 4,5 минуты.

Второй электромагнит служит для стопорения маятника, если отключили напряжение питания оборудования.

Сзади была пломба на проволоке, чтобы нельзя было отсоединить цепи питания.

гигант мысли
Группа: Участники
Сообщений: 5744
Добавлено: 29-11-2017 13:03
Еще один блок от японских регистраторов-самописцев.
Любопытный разъем применен, транзисторы Sony (будут первыми металлическими от этой компании в коллекции), диоды на плате довольно необычные






знающий
Группа: Участники
Сообщений: 382
Добавлено: 29-11-2017 15:01
Еще один блок от японских регистраторов-самописцев


А как в японских самописцах оказались советские K53-1 ?

гигант мысли
Группа: Участники
Сообщений: 5744
Добавлено: 29-11-2017 15:04
Очень легко - в результате ремонта в процессе эксплуатации

гигант мысли
Группа: Участники
Сообщений: 5744
Добавлено: 01-12-2017 13:19
Довольно любопытная находка.
Это явно видеокамера на базе ПЗС, но интересная тем, что матрица была быстросъемной - устанавливалась в кроватку. Скорее всего эта камера использовалась для проверки и возможно отбраковки матриц.
Еще одна интересная особенность состоит в том, что камера построена полностью на дискретных элементах и стандартной логике без применения специализированных БИС, хотя в те годы они уже вроде как выпускались...







Очень необычный разъем. Из надписей только СНЦ4.


Установленная внутри матрица оказалась К1200ЦМ7Б:

магистр
Группа: Участники
Сообщений: 1411
Добавлено: 01-12-2017 13:40
Здесь: http://kxk.ru/dustyattic/v1_654133_13.php
В дополнение к библиографии по серии К1200ЦМ:
Балягин А. В., Верещагин С. Н., Долганин Ю. И. Исследование характеристик телевизионных камер на серийных приборах с зарядовой связью типа К1200ЦМ1 и К1200ЦМ2 (К1200ЦМ7) // Электронная техника. Серия «Полупроводниковые приборы». - 1985. - Вып.1.

Я много экспериментировал с системой машинного зрения на базе К1200ЦМ7Б. Это была модель второго поколения со схемой управления не на БИС К1124, а на дискретной логике 561 серии (в первом поколении приёмником служил видикон ЛИ437-1). Качество изображения (динамический диапазон, сигнал/шум) было настолько отвратительное, что пользоваться камерой даже для технических приложений было просто невозможно и всю эту систему впоследствии списали.



мастер
Группа: Участники
Сообщений: 792
Добавлено: 01-12-2017 23:39
Довольно любопытная находка.
Это явно видеокамера на базе ПЗС, но интересная тем, что матрица была быстросъемной - устанавливалась в кроватку. Скорее всего эта камера использовалась для проверки и возможно отбраковки матриц.
Никак нет. Это полноценная серийная камера. Такие комплекты раньше закупали втузы. Я запускал оба поколения СТЗ: и этот, на К1200ЦМ7Б, и первого, на видиконе. К слову, у обоих качество изображения было просто ужасным.

гигант мысли
Группа: Участники
Сообщений: 6778
Добавлено: 02-12-2017 00:28




Класс!
Будучи студентами, каждому выделялось определенное машинное время для курсовых. Набивали карты, и помню, была какая-то "читалка" для проверки правильности пробивки. Если находились ошибки, в дырочку перфокарты втирали вырубленный квадратик, или наоборот, в нужном месте лезвием вырезали дырочку ...
Был случай...С товарищем загрузили машину игрой "морской бой", что-то вроде 1000х1000 квадратиков... Естественно, всё обнаружилось, началось для нас с неприятностей (дорогое машинное время гробили), но потом препод в нашей программе нашёл интересные решения, и нам зачёт по "Автоматизации проектирования" поставил автоматом ...

гигант мысли
Группа: Участники
Сообщений: 5744
Добавлено: 02-12-2017 01:14
Никак нет. Это полноценная серийная камера.

А зачем матрица съемная и зачем вообще в вузах нужны были такие камеры?

гигант мысли
Группа: Участники
Сообщений: 5744
Добавлено: 02-12-2017 22:41
Несколько странный (по крайней мере внешне) блок питания БСП-5.
Издалека подумал, что это магнитофон лежачий. Были какие-то такие с характерными кнопками... Но нет



Внутри ничего особенного:


мастер
Группа: Участники
Сообщений: 637
Добавлено: 02-12-2017 23:14
Несколько странный (по крайней мере внешне) блок питания БСП-5.
Издалека подумал, что это магнитофон лежачий. Были какие-то такие с характерными кнопками... Но нет

А я б издалека подумал..,что это реле времени для фотопечати.
меня удивило количество витков ..1308

мастер
Группа: Участники
Сообщений: 773
Добавлено: 11-12-2017 20:29
Находки за выходные дни 6 мешков плат конечно с плат ценное извито
похоже после драг металлистов большой желтый мешок был найден возле мусорных баков.

пришел поспрашивать
Группа: Участники
Сообщений: 20
Добавлено: 11-12-2017 21:31

похоже после драг металлистов

Плоховато изъяли. Вижу палладий, ниобий, серебра дохрена, да и зло, похоже присутствует.

пришел поспрашивать
Группа: Участники
Сообщений: 19
Добавлено: 11-12-2017 22:04
Находки за выходные дни 6 мешков плат конечно с плат ценное извито

Похоже что рукожопые драгмедчики разбомжевали генератор Г4-151

зашел на огонёк
Группа: Участники
Сообщений: 5
Добавлено: 11-12-2017 22:43
Конечно неплохие, особенно в корыте...

мастер
Группа: Участники
Сообщений: 773
Добавлено: 11-12-2017 22:46

мастер
Группа: Участники
Сообщений: 542
Добавлено: 12-12-2017 08:40
Видеокамера на туче логики весьма шикарна.

мастер
Группа: Участники
Сообщений: 773
Добавлено: 25-12-2017 22:44
Находки за выходные дни.

знающий
Группа: Участники
Сообщений: 369
Добавлено: 25-12-2017 23:44
В очередной раз поражаюсь! Кто-то выкинул УЗИ сканер (платы с надписями ACUSON) и микшерный пульт.

гигант мысли
Группа: Участники
Сообщений: 5744
Добавлено: 26-12-2017 00:22
В очередной раз поражаюсь! Кто-то выкинул УЗИ сканер (платы с надписями ACUSON) и микшерный пульт.

Никогда не понимал удивления над таким...
Сдох в больнице/поликлинике этот узи сканер или устарел, списали и выкинули. Что тут в принципе удивительного?

главный по тарелочкам
Группа: Участники
Сообщений: 2186
Добавлено: 27-12-2017 23:45
В очередной раз поражаюсь! Кто-то выкинул УЗИ сканер (платы с надписями ACUSON) и микшерный пульт.

Да не простой пульт а фирмы Alen & Heath-должен быть весьма крутой по параметрам и соответственно недешевый аппарат..подозреваю что он на свалке и не был..

Гость
Добавлено: 31-12-2017 17:30
В очередной раз поражаюсь! Кто-то выкинул
Ага бывает, прихожу с работы, а разгневанная жена выкинула почти все, что было нажито непосильным трудом... тИперь понимаю, чё железо на свалке появляется не только благодаря списаниям и покойничкам...

магистр
Группа: Участники
Сообщений: 1411
Добавлено: 31-12-2017 19:14
...вот поэтому я и не женюсь !!!...

гигант мысли
Группа: Участники
Сообщений: 5744
Добавлено: 16-01-2018 17:04
Пара симпатичных американских платок из 70-ых:


И платка индикации:

главный по тарелочкам
Группа: Участники
Сообщений: 2542
Добавлено: 16-01-2018 20:56
А чем это было когда-то ?

вошел во вкус
Группа: Участники
Сообщений: 178
Добавлено: 16-01-2018 22:20
На первый взгляд, похоже, на пром. электроннику. Возможно медицина, но на пром. больше похоже.

гигант мысли
Группа: Участники
Сообщений: 5744
Добавлено: 17-01-2018 00:46
Это с остатков оборудования для обеспечения работы вибростенда или соответствующей измериловки оттуда же...

гигант мысли
Группа: Участники
Сообщений: 5744
Добавлено: 19-01-2018 19:32
Когда-то ранее вроде уже показывал, но там давно все фотки побились и + еще один такой блок подвернулся...
Прекорректор ТВ МВ передатчика фирмы Тесла:

мастер
Группа: Участники
Сообщений: 773
Добавлено: 21-01-2018 12:06
Находки за выходные дни 3 мешка.

вошел во вкус
Группа: Участники
Сообщений: 242
Добавлено: 21-01-2018 16:23
Находки за выходные дни 3 мешка.


Там случайно нет блока питания на 14 вольт от старого ЖК монитора?

администратор
Группа: Администраторы
Сообщений: 8045
Добавлено: 21-01-2018 16:45

Там случайно нет блока питания на 14 вольт от старого ЖК монитора?

А какой конкретно нужен?

мастер
Группа: Участники
Сообщений: 773
Добавлено: 21-01-2018 17:46
Находки за выходные дни 3 мешка.


Там случайно нет блока питания на 14 вольт от старого ЖК монитора?


здес блоки питания на 12 вольт.

вошел во вкус
Группа: Участники
Сообщений: 242
Добавлено: 21-01-2018 18:05

Там случайно нет блока питания на 14 вольт от старого ЖК монитора?

А какой конкретно нужен?

Так я же написал, на 14 вольт от старого ЖК монитора. Задарили мне монитор для того что бы его прикрутил в наблюдение, а у него БП нет. Я пока прикрутил к нему БП на 12 вольт 2,5а, но он ощутимо греется. Вот и хочу найти родной....

вошел во вкус
Группа: Участники
Сообщений: 134
Добавлено: 21-01-2018 21:08
Кто то телеграфный аппарат РТА-80 разбомбил

гигант мысли
Группа: Участники
Сообщений: 6778
Добавлено: 21-01-2018 21:30

Это микроБОскоп или что?

мастер
Группа: Участники
Сообщений: 637
Добавлено: 23-01-2018 00:09

Это микроБОскоп или что?

Подобный этому..

Микроскоп "Аналит"

гигант мысли
Группа: Участники
Сообщений: 5744
Добавлено: 25-01-2018 19:26
Надергал немного с выброшенных компов в среднем первой половины 2000-ых.

Чутка процессоров и радиаторов к ним:


Видеокарты и другие платы:




Ну и немного ОЗУ и до кучи картриджный пентиум 3:


знающий
Группа: Участники
Сообщений: 320
Добавлено: 28-01-2018 11:45





знающий
Группа: Участники
Сообщений: 320
Добавлено: 28-01-2018 11:46




вошел во вкус
Группа: Участники
Сообщений: 134
Добавлено: 28-01-2018 16:14
Хорошая свалка раз "ЛИРы" выбрасывают.

гигант мысли
Группа: Участники
Сообщений: 5744
Добавлено: 28-01-2018 16:22
cuper , если будете ЛИР полностью разбирать, сделайте снимок другой стороны платы пожалуйста.

Гость
Добавлено: 28-01-2018 21:07
Хорошая свалка раз "ЛИРы" выбрасывают.


Возможно "умерший".

знающий
Группа: Участники
Сообщений: 320
Добавлено: 29-01-2018 00:53
ЛИР уже нашёл нового хозяина. Так что не получится разобрать.

администратор
Группа: Администраторы
Сообщений: 8045
Добавлено: 29-01-2018 09:14
cuper , если будете ЛИР полностью разбирать, сделайте снимок другой стороны платы пожалуйста.


Когда буду разбирать в очередной раз для чистки ЛИР-158, сделаю фото.

гигант мысли
Группа: Участники
Сообщений: 5744
Добавлено: 29-01-2018 19:29
Вот такой вот пульт-стенд попался:


Внутри ничего интересного по сути не оказалось

гигант мысли
Группа: Участники
Сообщений: 6778
Добавлено: 30-01-2018 00:33
О, никогда не встречал ПЭВы такого стального цвета! И что сие означает?

гигант мысли
Группа: Участники
Сообщений: 5744
Добавлено: 30-01-2018 00:36
О, никогда не встречал ПЭВы такого стального цвета! И что сие означает?

То, что они из ранних Конкретно эти 1956 года...

гигант мысли
Группа: Участники
Сообщений: 6778
Добавлено: 30-01-2018 01:24
Ясно...Спасибо...

знающий
Группа: Участники
Сообщений: 320
Добавлено: 30-01-2018 23:36
После похода на точку





гигант мысли
Группа: Участники
Сообщений: 6778
Добавлено: 31-01-2018 00:26
Не могу понять, это люминофор прожжен или накладка с сеткой?

гигант мысли
Группа: Участники
Сообщений: 5744
Добавлено: 31-01-2018 00:45
Не могу понять, это люминофор прожжен или накладка с сеткой?

А у меня такое ощущение, что это дырку просверлили или прострелили

Ув. cuper , если будете все это разбирать, сделайте пожалуйста фото начинки некого СВЧ блока, что на третьем фото.

гигант мысли
Группа: Участники
Сообщений: 6778
Добавлено: 31-01-2018 01:53
Ну если прострелили, то стреляют довольно метко!

Гость
Добавлено: 31-01-2018 09:20
СВЧ блок от Х1-7Б, от него-же и платы на втором фото, маленькая - входной усилитель Y, с 2мя кварцами и ВЧ диодом - генератор меток, с кучей диодов - лианеризатор.

знающий
Группа: Участники
Сообщений: 320
Добавлено: 31-01-2018 21:25
Разобрал СВЧ блок.




знающий
Группа: Участники
Сообщений: 320
Добавлено: 31-01-2018 21:26




гигант мысли
Группа: Участники
Сообщений: 5744
Добавлено: 03-02-2018 11:05
Некая ультразвуковая линия задержки.
Керамические пирамидки - пьезоэлектрический излучатель и приемник. Кристалл скорее всего из сегнетовой соли или подобного, как я уже ранее показывал.


знающий
Группа: Участники
Сообщений: 320
Добавлено: 05-02-2018 00:42
Вот такой зверёк попался.





гигант мысли
Группа: Участники
Сообщений: 5744
Добавлено: 09-02-2018 13:28
Некая платка:


И целая коробка ртутных ламп типа ДРШ (подробные фото будут в теме по лампам)

мастер
Группа: Участники
Сообщений: 773
Добавлено: 11-02-2018 21:03
Находки за выходные дни 3 мешка.

мастер
Группа: Участники
Сообщений: 888
Добавлено: 11-02-2018 23:12
Находки за выходные дни 3 мешка.

Эх! Где б мне взять такую свалку...

мастер
Группа: Участники
Сообщений: 773
Добавлено: 11-02-2018 23:47
Находки за выходные дни 3 мешка.

Эх! Где б мне взять такую свалку...


за город куда возят мусор или погулять по дворам
то что внизу слева два фото прошол примерно с километр все это найдено с мусорок.

гигант мысли
Группа: Участники
Сообщений: 6778
Добавлено: 11-02-2018 23:56
Слегка удивлён, 3-й ряд, 2-ое фото, стоят ГТ403... Их встречал обычно в усилителях...

мастер
Группа: Участники
Сообщений: 888
Добавлено: 12-02-2018 17:55

за город куда возят мусор или погулять по дворам
то что внизу слева два фото прошол примерно с километр все это найдено с мусорок.

Увы! Видимо мне не везёт. Изредка что-нибудь попадается, а так, чтоб практически каждые выходные, как у Вас - увы.

пришел поспрашивать
Группа: Участники
Сообщений: 37
Добавлено: 12-02-2018 18:18
У нас свалки охраняют даже, чтобы деньги не воровали

гигант мысли
Группа: Участники
Сообщений: 5744
Добавлено: 13-02-2018 12:25
Некий блок М-2005/Е003. Скорее всего с промышленной аппаратуры.


Бирки с названием блока и логотипом производителя (кто это - я не знаю)...


Внутри блока 12 одинаковых платок с КТ801 + КТ808 на каждой:


Разъем на блоке:

магистр
Группа: Участники
Сообщений: 1411
Добавлено: 13-02-2018 16:16
Из комплекта блоков питания для ЕС ЭВМ.

гигант мысли
Группа: Участники
Сообщений: 4411
Добавлено: 13-02-2018 17:34
это остатки координатографа Минск 2005,
Все, что осталось от Фотокоординатографа закрытого типа - «Минск-2005»



гигант мысли
Группа: Участники
Сообщений: 5744
Добавлено: 13-02-2018 17:46
Т.е это блок из состава того координатографа, остатки которого я когда-то выкладывал? Не ожидал...

мастер
Группа: Участники
Сообщений: 810
Добавлено: 13-02-2018 22:00
А что этот устройство делает?Когдато попадало на глаза.Большой шкаф с двумя калитками с кучей таких де по формату блоков.
И еще вроде пульт выносной.

мастер
Группа: Участники
Сообщений: 773
Добавлено: 14-02-2018 22:08
Находки мешок плат.

Гость
Добавлено: 14-02-2018 23:22
Списали 12-ти каналку (TN-12 или Z-12) большинство плат от них

гигант мысли
Группа: Участники
Сообщений: 5744
Добавлено: 15-02-2018 14:25
Странная находка
Контроллер давления для холодильной установки Danfoss MP5, Дания, 1966г.

Тара:


Само устройство:. Дизайн понравился...


Детали из комплекта:


Документация:

магистр
Группа: Участники
Сообщений: 1411
Добавлено: 15-02-2018 15:03
Ничего странного, от камеры климатических испытаний .

вошел во вкус
Группа: Участники
Сообщений: 298
Добавлено: 17-02-2018 21:07
Некие процессорные модули:

ещё один:
и ещё:

гигант мысли
Группа: Участники
Сообщений: 5744
Добавлено: 18-02-2018 00:23
Что-то очень жирно-вычислительное было, судя по ПЛИС...

знающий
Группа: Участники
Сообщений: 411
Добавлено: 18-02-2018 16:36
Слегка удивлён, 3-й ряд, 2-ое фото, стоят ГТ403... Их встречал обычно в усилителях...

1Т403 широко применялись на борту. В частности, в усилителях регулятора температуры и корректора оборотов двигателя самолёта Ан-24/26. Ещё где-то валяются радиаторы от них

мастер
Группа: Участники
Сообщений: 773
Добавлено: 18-02-2018 20:46
Находки за выходные дни мешка плат.

вошел во вкус
Группа: Участники
Сообщений: 286
Добавлено: 18-02-2018 20:53
Некие процессорные модули:


Это от компьютеров Sun Microsystems. В 90-е и начале 2000-х это были очень производительные рабочие станции и сервера.

мастер
Группа: Участники
Сообщений: 773
Добавлено: 18-02-2018 21:09

вошел во вкус
Группа: Участники
Сообщений: 298
Добавлено: 18-02-2018 21:23

Это от компьютеров Sun Microsystems. В 90-е и начале 2000-х это были очень производительные рабочие станции и сервера.


alex19860812, благодарю за информацию!

вошел во вкус
Группа: Участники
Сообщений: 231
Добавлено: 18-02-2018 23:50
Находки за выходные дни мешка плат.

Интересная платка с обилием ОС и ОСМ деталей. Кстати, а какой тип у покрашенных в красный ОСК53?

вошел во вкус
Группа: Участники
Сообщений: 233
Добавлено: 18-02-2018 23:53
Находки за выходные дни 3 мешка.

В центре блоки полупроводниковых расцепителей от мощных автоматических выключателей, верхний БПР11

гигант мысли
Группа: Участники
Сообщений: 5744
Добавлено: 19-02-2018 00:34

Это от компьютеров Sun Microsystems.

С Sun-ом все более-менее понятно и известно, а вот от чего могут быть платки с жирными и весьма недешевыми ПЛИСами - это куда интереснее...

гигант мысли
Группа: Участники
Сообщений: 5744
Добавлено: 19-02-2018 00:35


Интересная платка с обилием ОС и ОСМ деталей. Кстати, а какой тип у покрашенных в красный ОСК53?

Хех, тоже обратил внимание, но вы меня опередили, ув. Nikolayk
Скорее всего авионика какая-нибудь.
Эту плату бы помыть и отснять получше, пока на драгмет не ушла...

гигант мысли
Группа: Участники
Сообщений: 4411
Добавлено: 19-02-2018 01:56
С Sun-ом все более-менее понятно и известно, а вот от чего могут быть платки с жирными и весьма недешевыми ПЛИСами - это куда интереснее...

Есть такая московская организация "НПО Роста", работает с Xilinx. модули RSP-523 и RSP-517 на Virtex-4LX.

вошел во вкус
Группа: Участники
Сообщений: 298
Добавлено: 19-02-2018 23:21
Спасибо, Pedro!

вошел во вкус
Группа: Участники
Сообщений: 286
Добавлено: 20-02-2018 01:32


Интересная платка с обилием ОС и ОСМ деталей. Кстати, а какой тип у покрашенных в красный ОСК53?

Хех, тоже обратил внимание, но вы меня опередили, ув. Nikolayk
Скорее всего авионика какая-нибудь.
Эту плату бы помыть и отснять получше, пока на драгмет не ушла...

Судя по диоду и резисторам, она имеет отношение к источникам питания с импульсной стабилизацией.

гигант мысли
Группа: Участники
Сообщений: 7902
Добавлено: 20-02-2018 06:15
lalka
Эту плату бы помыть и отснять получше


поддерживаю. - лично меня интересуют надписи на больших керамических конденсаторах, а из платы что виднеется на заднем плане - надписи на КМ (большом) - плата явно из первой половины 70х...

пришел поспрашивать
Группа: Участники
Сообщений: 76
Добавлено: 20-02-2018 16:55


Интересная платка с обилием ОС и ОСМ деталей. Кстати, а какой тип у покрашенных в красный ОСК53?

Хех, тоже обратил внимание, но вы меня опередили, ув. Nikolayk
Скорее всего авионика какая-нибудь.
Эту плату бы помыть и отснять получше, пока на драгмет не ушла...

Там скорее всего К53-1 (не 4 или 14 же) , у меня тоже гдето был крашенный К53-1 только в зелёный (военный ) цвет .
Может перемаркированные ???

гигант мысли
Группа: Участники
Сообщений: 6778
Добавлено: 22-02-2018 22:18
Да, хорошие...А как Вы определили, что это пермаллой?
И в тему бы их "Трансформаторы и другие...", чтобы здесь не затерялись...

администратор
Группа: Администраторы
Сообщений: 8045
Добавлено: 23-02-2018 10:40
Да, хорошие...А как Вы определили, что это пермаллой?
И в тему бы их "Трансформаторы и другие...", чтобы здесь не затерялись...

Пермаллой это или трансформаторное железо определить просто.
Делаешь насыщенный раствор медного купороса (продается в магазинах для садоводов-огородников), слегка зачищаешь от окисла поверхность металла и капаешь раствор. Если это место покраснеет, то железо, если не прореагирует, то пермаллой.

гигант мысли
Группа: Участники
Сообщений: 6778
Добавлено: 23-02-2018 10:46
Спасибо Владимир, всё так просто ...
А купорос часто дома бывает, иногда им в компании с солью (NaCl) печатки травлю...

вошел во вкус
Группа: Участники
Сообщений: 176
Добавлено: 23-02-2018 22:01
Кстати, а какой тип у покрашенных в красный ОСК53?

99% это К53-1А Всеклиматического исполнения

мастер
Группа: Участники
Сообщений: 773
Добавлено: 28-02-2018 21:43
Плата стояла старом 286 м системнике маркировка с микросхем стерта.

мастер
Группа: Участники
Сообщений: 773
Добавлено: 06-03-2018 21:31
Находки за выходные дни.

магистр тайных сил
Группа: Участники
Сообщений: 1808
Добавлено: 07-03-2018 00:32
Интересно чей логотип? Обоюдоострый топор власти на 125НТ1



9002=IL9002-Интеграл



Док станция новьё.В коробке.Полный комплект.Зажрались.


гигант мысли
Группа: Участники
Сообщений: 5744
Добавлено: 07-03-2018 00:49
Учитывая, что про драгмет в деталях сейчас знает наверное даже каждая дворовая собака, свалка видимо находится на другой планете...

вошел во вкус
Группа: Участники
Сообщений: 231
Добавлено: 07-03-2018 00:59
Находки за выходные дни.


Интересный импульсник на одной из плат, конденсаторов явно не жалели.




Я в живую не видел К53-28, а тут вона их сколько.




Платы исключительно из аппаратуры венгерского производства.


Учитывая, что про драгмет в деталях сейчас знает наверное даже каждая дворовая собака, свалка видимо находится на другой планете...

У человека явно есть доступ к тому, что вывозится на официальную утилизацию.

гигант мысли
Группа: Участники
Сообщений: 5086
Добавлено: 07-03-2018 01:00
Интересно чей логотип? Обоюдоострый топор власти на 125НТ1

Нововоронежский завод "Алиот"

гигант мысли
Группа: Участники
Сообщений: 5744
Добавлено: 07-03-2018 01:16

У человека явно есть доступ к тому, что вывозится на официальную утилизацию.

10000%

магистр тайных сил
Группа: Участники
Сообщений: 1808
Добавлено: 07-03-2018 01:16
Спасибо Уважаемый kolbasNIC .Сам-бы не нашел.Похоже завод с микросхемами завизал.Пластмассу лить проще.

гигант мысли
Группа: Участники
Сообщений: 5086
Добавлено: 07-03-2018 01:25
Похоже завод с микросхемами завизал.

Это правильно. Из Нововоронежа тягаться с китайцами, глупо, а ничего интересного этот завод никогда не делал.

пришел поспрашивать
Группа: Участники
Сообщений: 32
Добавлено: 07-03-2018 02:52
Добавлено: 06-03-2018 21:31

та плата с тремя жк индикаторами = панель управления от крана
не давно такую же ремонтировал

гроссмейстер
Группа: Участники
Сообщений: 1120
Добавлено: 07-03-2018 09:09



А на квадратной микросхеме есть маркировка?

пришел поспрашивать
Группа: Участники
Сообщений: 19
Добавлено: 07-03-2018 13:55
ОНК-140-01,05,33,96
Предназначен для установки на самоходные краны на автомобильном шасси со стрелами, имеющими гидравлический привод, и служит для защиты крана от перегрузок и опрокидывания при подъеме груза, защиты рабочего оборудования от повреждения при работе в стесненных условиях или в зоне линий электропередачи (ЛЭП):
http://xn----7sbbuvofwgil.xn--p1ai/zapchasti/plata_kontrollera_onk-140-01053396.html
Ограничитель нагрузки крана ОНК-140М (плата с 3 дисплейчиками):
http://xn----7sbbuvofwgil.xn--p1ai/zapchasti/plata_kontrollera_onk-140-01053396/ogranichitel_nagruzki_krana_onk-140m.html

мастер
Группа: Участники
Сообщений: 773
Добавлено: 07-03-2018 15:22



А на квадратной микросхеме есть маркировка?

квадратной микросхеме маркировка есть М430Р325А

гроссмейстер
Группа: Участники
Сообщений: 1120
Добавлено: 07-03-2018 15:43
Спасибо

знающий
Группа: Участники
Сообщений: 320
Добавлено: 12-03-2018 22:54




гигант мысли
Группа: Участники
Сообщений: 5744
Добавлено: 12-03-2018 23:23
Хм, уж не от принтера ли нашего какого-то первая плата...

знающий
Группа: Участники
Сообщений: 369
Добавлено: 12-03-2018 23:53
Вторая плата - компьютер "Партнер"

знающий
Группа: Участники
Сообщений: 320
Добавлено: 13-03-2018 10:34
Вполне возможно что от принтера, а вот вторая плата спасибо за подсказку.

пришел поспрашивать
Группа: Участники
Сообщений: 10
Добавлено: 13-03-2018 21:27
Похоже, от "Ромашки"

Она! Думал закинуть её фотки в "Микропроцессорные устройства", но пусть уже здесь побудет. )

Машина пишущая "ПЭЛП-305-03" (дата выпуска 02.1992г.)




vodoley,останки "ромашки" уже нашли заботливого хозяина?
Я бы поменялся с Вами на Ваши интересы или купил

мастер
Группа: Участники
Сообщений: 790
Добавлено: 13-03-2018 22:43
vodoley,останки "ромашки" уже нашли заботливого хозяина?

murgatroid_79, Ну так я и стал для неё тем самым "заботливым хозяином"!
Правда, значительно повреждённая механическая часть - отправилась в лом,
а вот вся идеально сохранившаяся электроника - в целости и сохранности, лежит - "радует глаз"!
Но в любом случае, расстояние между Украиной и Кемерово, делает любые варианты обмена или продажи - "не серьёзными"!

вошел во вкус
Группа: Участники
Сообщений: 298
Добавлено: 13-03-2018 23:52
Мои последние находки:
Модемная карта:


Процессор:


Некая плата с интересными "трёхэтажными" платами памяти:


"Батарейка":


А вот, что внутри:

гигант мысли
Группа: Участники
Сообщений: 5744
Добавлено: 14-03-2018 00:23
Процессор крайне необычный!
Интересно, что за архитектура и куда такой он шел?

мастер
Группа: Участники
Сообщений: 888
Добавлено: 14-03-2018 00:46
Процессор крайне необычный!
Интересно, что за архитектура и куда такой он шел?

DEC Alpha (также известный как Alpha AXP) — 64-разрядный RISC микропроцессор, первоначально разработанный и произведённый компанией DEC, которая использовала его в собственной линейке рабочих станций и серверов. Рабочие станции AlphaStation XP1000 были первыми, использовавшими процессор 21264. Некоторое количество OEM-материнских плат для Alpha было произведено фирмами DEC, Samsung и Alpha Processor Inc Процессоры 21164 и 21264 были использованы компанией Network Appliance в системах сетевого хранения данных.

пришел поспрашивать
Группа: Участники
Сообщений: 10
Добавлено: 14-03-2018 04:42
murgatroid_79, Ну так я и стал для неё тем самым "заботливым хозяином"!
Правда, значительно повреждённая механическая часть - отправилась в лом,
а вот вся идеально сохранившаяся электроника - в целости и сохранности, лежит - "радует глаз"!

vodoley,интерес к данной плате не случаен.Недавно выяснилось,что процессор К1827ВЕ1 является чисто отечественной разработкой,со своей системой команд.Вот на zx-pk темы:про процессор:http://zx-pk.ru/threads/28554-mikro-evm-%C2%ABelektronika-s5%C2%BB.html?p=941271&viewfull=1#post941271
и про "ромашку":http://zx-pk.ru/threads/12400-pishushchaya-mashinka-romashka.html?p=921644&viewfull=1#post921644

Но в любом случае, расстояние между Украиной и Кемерово, делает любые варианты обмена или продажи - "не серьёзными"!

Ну не другая галактика же.Я в Аргентину подарок отправлял,там человек не смог почему-то получить и подарок ко мне вернулся


мастер
Группа: Участники
Сообщений: 790
Добавлено: 14-03-2018 06:43
murgatroid_79, Спасибо за ссылки!) Тему "Ромашки" на ZX - осенью просматривал, но сейчас вижу информации немного добавилось!

Ну и вот еще Вам для "статистики" фотки платы (с форума "Сферы") Ромашки тоже на ВЕ1, но заметно отличающейся от выше упомянутой!
От какого она именно варианта Ромашки - к сожалению не известно, т. к. фоток самого корпуса машинки не было.

пришел поспрашивать
Группа: Участники
Сообщений: 10
Добавлено: 14-03-2018 10:04
vodoley ,спасибо за фотки!
Можно ссыль на тему,что-то с наскока не нашёл

мастер
Группа: Участники
Сообщений: 790
Добавлено: 14-03-2018 14:22
Можно ссыль на тему,что-то с наскока не нашёл

murgatroid_79, - http://forums.radiodetali-sfera.com/topic/1281-pishuschaya-mashina-romashka-1991g/

P.S. Хотя возможно что для неавторизированных, или "непроверенных" пользователей, тема будет не видна.

вошел во вкус
Группа: Участники
Сообщений: 298
Добавлено: 15-03-2018 23:11
ingOK, благодарю за информацию!

пришел поспрашивать
Группа: Участники
Сообщений: 10
Добавлено: 16-03-2018 10:21
P.S. Хотя возможно что для неавторизированных, или "непроверенных" пользователей, тема будет не видна.

Так и есть

знающий
Группа: Участники
Сообщений: 320
Добавлено: 26-03-2018 22:31
Интересная находка маркерные передатчик

знающий
Группа: Участники
Сообщений: 320
Добавлено: 26-03-2018 22:32

знающий
Группа: Участники
Сообщений: 320
Добавлено: 26-03-2018 22:33
Неизвестная платка



гигант мысли
Группа: Участники
Сообщений: 5744
Добавлено: 26-03-2018 23:24
Интересная находка маркерные передатчик

Интересно, куда и для чего они такие?
Планируете ли вскрывать? При таких габаритах крайне интересно, как они устроены...

знающий
Группа: Участники
Сообщений: 320
Добавлено: 27-03-2018 08:26
По названию в яндексе (роза-мт) нашёл весь комплект пять передатчиков и один приемник. Также есть потроха передатчика http://photo.qip.ru/users/otrok/4153871/
А вскрывать жалко под пломбами.

вошел во вкус
Группа: Участники
Сообщений: 242
Добавлено: 27-03-2018 08:48
Комплекс РОЗА служит для поиска и обнаружения раненных на поле боя. Для этого в комплекте должен быть еще пеленгатор. В обыденной жизни довольно бесполезная штука. Частота насколько я помню что-то в районе 60-70 мгц.

Вот кстати ссылка на него: http://museum.inters.com.ua/showpieces/radiosvyaz/ot-1970-do-nashikh-dnej/57-poiskovyj-kompleks-roza-mt

вошел во вкус
Группа: Участники
Сообщений: 286
Добавлено: 28-03-2018 12:29
Неизвестная платка



Похоже на часть системы зажигания небольшого ДВС, что-то похожее есть в магнето бензопилы.

гигант мысли
Группа: Участники
Сообщений: 7902
Добавлено: 28-03-2018 14:59
Неизвестная платка




это скорее всего от подвесных лодочных моторов типа "Ветерок", например, плата от Ветерок-12" имеет такой вот вид:


http://forum.motolodka.ru/read.php?f=1&i=171595&t=171508
http://forum.motolodka.ru/read.php?f=1&i=273583&t=273583

раньше на таких платах стояли версии тиристоров в металлическом корпусе
http://forum.motolodka.ru/read.php?f=1&i=616641&t=616641

при желании, можна больше погуглить по изображениям на сию тематику

гигант мысли
Группа: Участники
Сообщений: 5744
Добавлено: 28-03-2018 19:49
По названию в яндексе (роза-мт) нашёл весь комплект пять передатчиков и один приемник. Также есть потроха передатчика http://photo.qip.ru/users/otrok/4153871/

Спасибо, посмотрел!
Честно говоря, разочаровался Ожидал там какие-нибудь хитрые гибридки или все начинку в виде ГИС, но увы - все лишь ГТ311...

мастер
Группа: Участники
Сообщений: 773
Добавлено: 12-04-2018 21:54
Находки.

гигант мысли
Группа: Участники
Сообщений: 5744
Добавлено: 12-04-2018 22:59
Первые две платы - что-то от Э-60? Не припоминаю таких...

главный по тарелочкам
Группа: Участники
Сообщений: 2542
Добавлено: 12-04-2018 23:30
Первая от ДВК, вторая от какого-нибудь станка.

вошел во вкус
Группа: Участники
Сообщений: 286
Добавлено: 13-04-2018 01:03
Спутниковый тюнер наверное, стоил немаленьких денег...

Гость
Добавлено: 15-04-2018 10:35
я понимаю что низя, но зато как душа радОвАеца...


гигант мысли
Группа: Участники
Сообщений: 5744
Добавлено: 15-04-2018 14:13
На плате на первом фото очень интересная микросхема производства Солнечногорска. Однако почему-то с импортной маркировкой и еще и неким вторым логотипом! Знатоки расскажут подробнее?

Будет ли обзор начинки термоанемометра?

магистр тайных сил
Группа: Участники
Сообщений: 1808
Добавлено: 15-04-2018 14:35
lalka По UPA9002T пока только это.

http://offtop.ru/dustyattic/v20_624472_29.php

вошел во вкус
Группа: Участники
Сообщений: 242
Добавлено: 15-04-2018 15:33
Ну зажрался народ, приемники пачками выбрасывают....

Гость
Добавлено: 15-04-2018 17:15

Будет ли обзор начинки термоанемометра?

тоже интересно, распотрошу на днях...)))
Ну зажрался народ, приемники пачками выбрасывают....

это еще не все, часть пришлось заныкать, весна, хозяйки порядок наводЮт...)))))))))))))

вошел во вкус
Группа: Участники
Сообщений: 242
Добавлено: 15-04-2018 20:11

это еще не все, часть пришлось заныкать, весна, хозяйки порядок наводЮт...)))))))))))))

Наверное в Оренбурге хозяйки ленивые. Сколько хожу мимо мусорок ну хоть бы какую выброшенную радиоэлектронику увидеть.

мастер
Группа: Участники
Сообщений: 773
Добавлено: 15-04-2018 20:32

это еще не все, часть пришлось заныкать, весна, хозяйки порядок наводЮт...)))))))))))))

Наверное в Оренбурге хозяйки ленивые. Сколько хожу мимо мусорок ну хоть бы какую выброшенную радиоэлектронику увидеть.

час баки большие все в них бросают.

мастер
Группа: Участники
Сообщений: 773
Добавлено: 15-04-2018 22:43




Гость
Добавлено: 16-04-2018 16:48

это еще не все, часть пришлось заныкать, весна, хозяйки порядок наводЮт...)))))))))))))

Наверное в Оренбурге хозяйки ленивые. Сколько хожу мимо мусорок ну хоть бы какую выброшенную радиоэлектронику увидеть.

Всё до безобразия просто, у вас там десяток скупок электроники, плюс есть немалая часть населения, которая в принципе склонна, к сбору такого лома, велика конкуренция. Если есть желание что нибудь найти, то нужно подходить к этому целенаправленно и с творчеством...

гигант мысли
Группа: Участники
Сообщений: 5744
Добавлено: 16-04-2018 23:33
Просто чутка разного



гигант мысли
Группа: Участники
Сообщений: 4411
Добавлено: 17-04-2018 16:32
lalka По UPA9002T пока только это.
http://offtop.ru/dustyattic/v20_624472_29.php


http://ic-info.ru/proizvoditeli/4692/

вошел во вкус
Группа: Участники
Сообщений: 286
Добавлено: 17-04-2018 22:55




Вот так, собирал человек всё это, а потом что-то случилось, и оно стало не нужно. Хотя возможно, это последствия уборки в лабораториях какого-нибудь универа, у нас на работе в прошлом году целые горы подобного добра в подвале лежали, много чего хорошего было найдено там...

магистр тайных сил
Группа: Участники
Сообщений: 1808
Добавлено: 17-04-2018 23:53
lalka По UPA9002T пока только это.
http://offtop.ru/dustyattic/v20_624472_29.php


http://ic-info.ru/proizvoditeli/4692/


Спасибо за наводку уважаемый Pedro.Обруча в лого не хватает.

гигант мысли
Группа: Участники
Сообщений: 5744
Добавлено: 20-04-2018 23:50
Попался портативный dvd проигрыватель DVD-LX97 от Panasonic



Открыл:


Платы отдельно со всех сторон:




Дисплей и плата питания лампы подсветки:

мастер
Группа: Участники
Сообщений: 773
Добавлено: 23-04-2018 15:13
Нашел мешок плат возле мусорных баков это уже 4 и ране на том же месте по подалис мешки платами с бытовухи.


магистр
Группа: Участники
Сообщений: 1411
Добавлено: 23-04-2018 16:11
В блочках УП-2НК,- на фотографии обведены и отмечены V, 4шт. КМ-5-0,033мкФ-Н30. Блочки залиты пеной, ковырять надо аккуратно, чтобы не разломать конденсаторы.

Данные платы (которые с блочками) от радиостанции Карат.

вошел во вкус
Группа: Участники
Сообщений: 231
Добавлено: 23-04-2018 21:40

Данные платы (которые с блочками) от радиостанции Карат.

Совсем не похоже.

магистр
Группа: Участники
Сообщений: 1411
Добавлено: 24-04-2018 15:21
От этой
https://civil.trcvr.ru/2015/08/29/радиостанция-карат-авиационная/

вошел во вкус
Группа: Участники
Сообщений: 231
Добавлено: 25-04-2018 21:36
От этой
https://civil.trcvr.ru/2015/08/29/радиостанция-карат-авиационная/

А, я и забыл про нее. Возможно, мне такие не попадались в руки пока.

мастер
Группа: Участники
Сообщений: 773
Добавлено: 26-04-2018 17:46
Нашел мешок плат возле мусорных баков это уже 5 на том же месте.


вошел во вкус
Группа: Участники
Сообщений: 134
Добавлено: 26-04-2018 19:02
4УВ1 - отличный предварительный усилитель мощности от радиостанции "Ядро".
Внутри транзистор 2П909В

гигант мысли
Группа: Участники
Сообщений: 5744
Добавлено: 26-04-2018 21:03
Нашел мешок плат возле мусорных баков это уже 5 на том же месте.

А вот это некие фильтры или микросборки в необычном корпусе?

гигант мысли
Группа: Участники
Сообщений: 5744
Добавлено: 26-04-2018 21:04
4УВ1 - отличный предварительный усилитель мощности от радиостанции "Ядро".
Внутри транзистор 2П909В

Давно мечтаю подобную штуку вскрыть

вошел во вкус
Группа: Участники
Сообщений: 134
Добавлено: 27-04-2018 09:35
Давно мечтаю подобную штуку вскрыть

Аналогично

гигант мысли
Группа: Участники
Сообщений: 5744
Добавлено: 27-04-2018 09:47
Некая платка от Sony:


И начинка USB-модема Yota

гигант мысли
Группа: Участники
Сообщений: 8494
Добавлено: 27-04-2018 12:14
А вот это некие фильтры или микросборки в необычном корпусе?

Скорее всего кварцевые резонаторы.
Хотя и фильтры могут быть...

мастер
Группа: Участники
Сообщений: 773
Добавлено: 30-04-2018 22:21
Субботней улов 4 мешка.


гигант мысли
Группа: Участники
Сообщений: 5744
Добавлено: 30-04-2018 23:05
Интересно, что за такие крутые пульты черного цвета с большущим ЖКИ и кнопками...

вошел во вкус
Группа: Участники
Сообщений: 286
Добавлено: 30-04-2018 23:10
Интересно, что за такие крутые пульты черного цвета с большущим ЖКИ и кнопками...

Это от банкоматов

вошел во вкус
Группа: Участники
Сообщений: 286
Добавлено: 30-04-2018 23:13
Интересно, компьютерные комплектующие живые? Подозреваю, что некоторые из них улетели в помойку не из-за неустранимой неисправности, а только лишь из-за морального устаревания, и невозможности продать их кому-либо.

гигант мысли
Группа: Участники
Сообщений: 5744
Добавлено: 30-04-2018 23:13
За всю жизнь, сколько пользовался банкоматами, никогда таких не видел!! Где они такие там?

мастер
Группа: Участники
Сообщений: 888
Добавлено: 30-04-2018 23:25
Интересно, компьютерные комплектующие живые? Подозреваю, что некоторые из них улетели в помойку не из-за неустранимой неисправности, а только лишь из-за морального устаревания, и невозможности продать их кому-либо.

Как-то раз попался выброшенный картонный короб компьютерным железом разной степени старости (от 386-х до socket АМ2), при проверке около 1/4 оказалось живым, из него удалось скомпоновать штуки три простеньких системника, на уровне достаточном для XP - Vista. Остатки где-то в гараже валяются, всё руки не доходят сюда фотки выложить.

гигант мысли
Группа: Участники
Сообщений: 5744
Добавлено: 30-04-2018 23:35
На работе зимой тупо выкинули десятка три компов с начинкой где-то 2000-2005 годов. Нафиг никому это старье сейчас уже не нужно, ну кроме как на драги (сам я повыдирал приличное количество планок памяти, процов, ну и радиаторов на алюминий) или гикам-ретрофагам доннокомпы пособирать...

вошел во вкус
Группа: Участники
Сообщений: 286
Добавлено: 02-05-2018 11:31
У старых компов достаточно добротные корпуса были, недавно сам собрал себе комп в таком корпусе. Не хлипкий, не шатается, не прогибается, в отличии от более новых, которые в руках гнутся, как картонная коробка.

гигант мысли
Группа: Участники
Сообщений: 5744
Добавлено: 02-05-2018 12:51
Разные по качеству и толщине металла корпуса были что тогда, что есть сейчас. Просто не нужно брать самый дешевый, тогда и не будет названной вами проблемы, когда все прогибается...

мастер
Группа: Участники
Сообщений: 888
Добавлено: 02-05-2018 14:20
На работе зимой тупо выкинули десятка три компов с начинкой где-то 2000-2005 годов. Нафиг никому это старье сейчас уже не нужно
Ну, это кому как. Мне эти собраные из хлама системники вполне пригодились по прямому назначению: винду, офис, интернет, музыку, фильмы вполне тянут. В один, тот что получше, воткнул в качестве системного диска ssd и поставил себе вторым домашним компом, чтоб к основному очередь не выстраивалась и чтоб хранить на нём всё то, на что места на HDD основного компа жалко.

А ещё один системник лежит в качестве подопытной морской свинки, чтоб пробовать на нём всякий софт прежде, чем втыкать на основной.

гигант мысли
Группа: Участники
Сообщений: 5744
Добавлено: 02-05-2018 14:39
Кому что конечно, но лично я бы для собственного домашнего использования комп с помойки никогда бы не поставил... Для постоянного использования предпочитаю новые, современные вещи...

мастер
Группа: Участники
Сообщений: 888
Добавлено: 02-05-2018 16:42
предпочитаю новые, современные вещи...

Знамо дело, лучше быть богатым но здоровым, чем бедным но больным.

Лично я не вижу смысла тратить деньги на покупку необязательной но полезной вещи, равно как и отказываться от неё, если уж она бесплатно мне досталась. Тем более, что нельзя сказать, что эти компы целиком "с помойки". Что-то из комплектующих было найдено, что-то отдано мне знакомыми после апгрейда их компов, а что-то куплено (например ssd).

мастер
Группа: Участники
Сообщений: 773
Добавлено: 02-05-2018 21:46
Первомайский улов.


знающий
Группа: Участники
Сообщений: 369
Добавлено: 02-05-2018 21:50
Да, этот немецкий(?) фотоумножитель впечатляет.

вошел во вкус
Группа: Участники
Сообщений: 242
Добавлено: 02-05-2018 21:58
Да, этот немецкий(?) фотоумножитель впечатляет.

Кому что, меня например впечатлила куча радиостанций.

гигант мысли
Группа: Участники
Сообщений: 7902
Добавлено: 02-05-2018 22:33
видимо таксисты выбросили.. Смартфоны с навигацией отправили радиостанции на свалку..

знающий
Группа: Участники
Сообщений: 320
Добавлено: 02-05-2018 23:48




знающий
Группа: Участники
Сообщений: 320
Добавлено: 02-05-2018 23:51

гигант мысли
Группа: Участники
Сообщений: 5744
Добавлено: 02-05-2018 23:52



Жестко вы коробочку раздербанили, хотя надо сказать, монтаж у нее и правда одноразовый
Интересно, что это было в целом виде и откуда?

магистр
Группа: Участники
Сообщений: 1411
Добавлено: 03-05-2018 09:25
Преобразователь 27в=115в_400Гц, для питания, в частности, вентиляторов ДВО .

знающий
Группа: Участники
Сообщений: 320
Добавлено: 03-05-2018 12:28



Жестко вы коробочку раздербанили, хотя надо сказать, монтаж у нее и правда одноразовый

Интересно, что это было в целом виде и откуда?

Платы попались уже в таком состоянии. Коробочка залита каким-то твердым компаундом. Рядом лежал корпус с которого снято было ещё две ПГшки.

мастер
Группа: Участники
Сообщений: 542
Добавлено: 03-05-2018 17:03
Родной преобразователь 27В постоянного в 27В трёхфазного переменного для вентиляторов 0.63ЭВ-1.4-32-4620. есть такие целые.

Хотя, в том две платы и транзисторов аж 24 штуки вроде.

вошел во вкус
Группа: Участники
Сообщений: 286
Добавлено: 03-05-2018 21:58
Слишком круто для вентилятора. Может, скорее для авиагоризонта, или гироскопа?

гигант мысли
Группа: Участники
Сообщений: 5744
Добавлено: 04-05-2018 00:53
Слишком круто для вентилятора. Может, скорее для авиагоризонта, или гироскопа?

На первый взгляд круто, но с другой стороны, а как можно было по-другому? Разработка наверное годов 70-ых + военка...

вошел во вкус
Группа: Участники
Сообщений: 173
Добавлено: 04-05-2018 19:48
Приветствую увлечённых)
У меня вопрос больше исторического характера - принимали разве радиодетали в комиссионках СССР ? Год плохо виден, вроде 1960.

главный по тарелочкам
Группа: Участники
Сообщений: 3077
Добавлено: 04-05-2018 19:55
А в чём проблема? Приёмники принимали, а это запчасть к ним. Вполне.

гигант мысли
Группа: Участники
Сообщений: 5744
Добавлено: 04-05-2018 23:17
Кучка импортных ламп ECC81, 82 и 83:


И странная плата на гибком полиимиде:

вошел во вкус
Группа: Участники
Сообщений: 286
Добавлено: 04-05-2018 23:24
Похоже, гибкая плата имеет отношение к пленочным фотоаппаратам.

вошел во вкус
Группа: Участники
Сообщений: 178
Добавлено: 05-05-2018 00:16
Плата точно от фотоаппарата!

Гость
Добавлено: 07-05-2018 00:20



Жестко вы коробочку раздербанили, хотя надо сказать, монтаж у нее и правда одноразовый
Интересно, что это было в целом виде и откуда?

Все эти платы (те которые отечественные), включая преобразователь для ДВО, корпус со снятыми ПГшками - остатки портативного твердотельного криминалистического лазера «Лазекс».


Гость
Добавлено: 07-05-2018 15:57
Кучка импортных ламп ECC81, 82 и 83:


И странная плата на гибком полиимиде:


Мне подобная гибкая плата встретилась в старой цифровой камере fotoman от logitech.

гигант мысли
Группа: Участники
Сообщений: 5744
Добавлено: 08-05-2018 00:36

остатки портативного твердотельного криминалистического лазера «Лазекс».

А можете рассказать подробнее о данном приборе?
- зачем вообще такой лазер в криминалистике?
- известно ли, какие у него размеры АЭ и тип лампы накачки?
- есть ли схемы с перечнями элементов? Интересует схема поджига и управления лампой накачки...

Гость
Добавлено: 08-05-2018 01:53

остатки портативного твердотельного криминалистического лазера «Лазекс».

А можете рассказать подробнее о данном приборе?
- зачем вообще такой лазер в криминалистике?
- известно ли, какие у него размеры АЭ и тип лампы накачки?
- есть ли схемы с перечнями элементов? Интересует схема поджига и управления лампой накачки...

- ЕМНИП то данный лазер использовался совместно с флуоресцирующими дактилоскопическими порошками, которые, под воздействием лазерного излучения светятся, облегчая тем самым поиск и фотофиксацию следов.
- размеры АЭ не скажу, надо разберать «бластер»:) лампа там стоит ИНП2-3/35
- схемы, увы, нету.

гигант мысли
Группа: Участники
Сообщений: 5744
Добавлено: 08-05-2018 09:14

- размеры АЭ не скажу, надо разберать «бластер»:) лампа там стоит ИНП2-3/35

О, как раз мелкая лампа, супер! Как раз собираю информацию по лазерам с малыми лампами...
АЭ получается тут где-то мм 30 в длину и 2-3мм в диаметре.
Если будете разбирать излучатель, попрошу сделать как можно больше фоток того, что там внутри)

знающий
Группа: Участники
Сообщений: 320
Добавлено: 08-05-2018 11:22

- размеры АЭ не скажу, надо разберать «бластер»:) лампа там стоит ИНП2-3/35

О, как раз мелкая лампа, супер! Как раз собираю информацию по лазерам с малыми лампами...
АЭ получается тут где-то мм 30 в длину и 2-3мм в диаметре.
Если будете разбирать излучатель, попрошу сделать как можно больше фоток того, что там внутри)

Разобрал сам пистолет.Достал от туда корпус в нем сам лазер. Попробую дальше разобрать. Фото сделаю.

гигант мысли
Группа: Участники
Сообщений: 5744
Добавлено: 08-05-2018 12:03
Ув. cuper, я написал вам на почту, что у вас в профиле. Есть вопрос

мастер
Группа: Участники
Сообщений: 773
Добавлено: 08-05-2018 21:48
Находки за выходные дни.


знающий
Группа: Участники
Сообщений: 320
Добавлено: 08-05-2018 21:49
Предпраздничная находка

знающий
Группа: Участники
Сообщений: 320
Добавлено: 08-05-2018 21:49

знающий
Группа: Участники
Сообщений: 320
Добавлено: 08-05-2018 21:50

знающий
Группа: Участники
Сообщений: 320
Добавлено: 08-05-2018 21:50

гигант мысли
Группа: Участники
Сообщений: 5744
Добавлено: 09-05-2018 00:20
Ув. ГТ906 , а можете покрупнее вот эти платки сделать?

мастер
Группа: Участники
Сообщений: 888
Добавлено: 09-05-2018 10:17
Ув. cuper , а можете покрупнее вот эти платки сделать?

Так это, вроде, не его снимки, а ув. ГТ906.

гигант мысли
Группа: Участники
Сообщений: 5744
Добавлено: 09-05-2018 10:52

Так это, вроде, не его снимки, а ув. ГТ906.

Точно, спасибо, что приметили!
Пост выше поправил.

мастер
Группа: Участники
Сообщений: 773
Добавлено: 09-05-2018 21:01

мастер
Группа: Участники
Сообщений: 773
Добавлено: 09-05-2018 21:39
Предпраздничные находки.


мастер
Группа: Участники
Сообщений: 773
Добавлено: 15-05-2018 21:42
Находки за выходные дни 3 мешка.


Гость
Добавлено: 15-05-2018 21:54
Ну точно ГТ906 прикормил пункт приема

знающий
Группа: Участники
Сообщений: 443
Добавлено: 16-05-2018 00:27
Плата с телефоном в качестве вызывного прибора https://ibb.co/dOxO5d специальный телефонный аппарат, СТА-2 или похожий - их много было.

Гость
Добавлено: 20-05-2018 05:25
Предпраздничные находки.
Доброго времени суток, камеры продаете?

гигант мысли
Группа: Участники
Сообщений: 7902
Добавлено: 20-05-2018 16:47
Мне вчера племянник принес кучку импортных плат - нашел где то.. Видимо часть от принтера OKI.












вошел во вкус
Группа: Участники
Сообщений: 242
Добавлено: 20-05-2018 17:58
Мне вчера племянник принес кучку импортных плат - нашел где то.. Видимо часть от принтера OKI.

У нас вроде не полярная ночь нынче, свет что ли кончился?

гигант мысли
Группа: Участники
Сообщений: 5744
Добавлено: 20-05-2018 18:42
Какой-то компьютер это был явно...
Плата с байонетным разъемом скорее всего древняя сетевая карта...

зашел на огонёк
Группа: Участники
Сообщений: 2
Добавлено: 20-05-2018 21:04
XT раздраконили, а сетевая Ethernet на тонком коаксиале.

гигант мысли
Группа: Участники
Сообщений: 7902
Добавлено: 20-05-2018 21:15

Владимир RA9SZ

У нас вроде не полярная ночь нынче, свет что ли кончился?


я не знаю где это у вас, но у меня во Львове есть такое устройство - называется "сканер", - такая коробочка плоская с крышкой, под которую кладут бумажки, чтоб сделать с них копии... Я им уже не раз пользовался ради фотографирования им крупногабаритных предметов, а поскольку сканер со слайд модулем и ртутной лампой, его матрица позволяет скан рельефных предметов. Сервис фотохостинга ibb.co позволяет закачивать довольно крупные по размеру фотографии, чем я и воспользовался. Если посмотреть на максимальное увеличение загруженного изображения черной материнки (печатные дорожки покрыты черным полупрозрачным лаком) на самом фотохостинге, тогда скриншот увеличенного места выглядит на экране монитора в 19 дм вот так (скриншот выложу на другом фотохостинге):








Irodenko
XT раздраконили, а сетевая Ethernet на тонком коаксиале.


да, вы правы:
http://www.supervinx.com/OnlineMuseum/IBM/5160/04/004-IMG_8902.JPG.html

администратор
Группа: Администраторы
Сообщений: 8045
Добавлено: 20-05-2018 21:32
Я тоже пользуюсь сканером для подобных целей. Чтобы фотографии были светлее, я. когда снимаю крышку сканера, накрываю сканируемый предмет и поле сканера листом белой бумаги.

гигант мысли
Группа: Участники
Сообщений: 5744
Добавлено: 20-05-2018 23:39
Контрольный направленный ответвитель средней мощности от ДМВ ТВ передатчика фирмы Tesla:


Мощный сумматор на два входа ДМВ диапазона оттуда же

гигант мысли
Группа: Участники
Сообщений: 5744
Добавлено: 27-05-2018 01:24
Некие платы, видимо с макетов неких изделий. Конструктив довольно оригинальный
Чутка уже подранные по меня, но не сильно...




вошел во вкус
Группа: Участники
Сообщений: 286
Добавлено: 27-05-2018 22:10
Вряд ли макетные... конденсаторы приклеены на эпоксидке, весь монтаж сделан капитально. Возможно, изделие было предназначено для опытной эксплуатации, и было собрано силами ОКБ.

знающий
Группа: Участники
Сообщений: 483
Добавлено: 27-05-2018 22:32
Конечно это макеты, сделанные по доступной предприятию технологии. Ни в какую эксплуатацию эти изделия пойти никак не могли, пусть даже в опытную (тем более что в военной технике нету "опытной эксплуатации").

вошел во вкус
Группа: Участники
Сообщений: 286
Добавлено: 28-05-2018 00:27
Тогда зачем приклеивали конденсаторы на эпоксидку? И покрывали места спаев красной краской. Для макетов довольно серьезно сделано, нет лишних отверстий и монтажных точек. Где-то на этом форуме я видел похожий способ крепления микросхем 201-й серии. Еще подобный монтаж я встречал в некоторых научных приборах, выпускавшихся штучно.

мастер
Группа: Участники
Сообщений: 773
Добавлено: 30-05-2018 23:06
Находки за выходные дни.


магистр
Группа: Участники
Сообщений: 1411
Добавлено: 31-05-2018 09:41
Вряд ли макетные...

Естественно, никакие они не макетные,- обычная практика, делать таким образом КПА, не один экземпляр именно таким образом и с таким монтажом, "один-в-один" разобрал. .

гигант мысли
Группа: Участники
Сообщений: 6778
Добавлено: 02-06-2018 09:01
Отмыл от пыли и грязи. Поначалу приглянулись резисторы и подстроечники, после мойки оказалось, что и КМ-ки есть:



Платы были вот в таких блочках, похоже, от диффузионных печей :


вошел во вкус
Группа: Участники
Сообщений: 286
Добавлено: 02-06-2018 20:08
Подобные блоки часто встречаются там, где есть завод полупроводниковых приборов. Я часто встречал терморегуляторы в таком исполнении.

гигант мысли
Группа: Участники
Сообщений: 6778
Добавлено: 09-06-2018 08:04



гигант мысли
Группа: Участники
Сообщений: 5744
Добавлено: 17-06-2018 00:42
Комплект штампов-цифр видимо для выбивания номеров на поверхностях:


Кучка странных импортных панелек под некие лампы (честно говоря, даже не представляю, под какой цоколь), с демонтажа (не мной, поэтому ламп уже не видел):

вошел во вкус
Группа: Участники
Сообщений: 286
Добавлено: 17-06-2018 20:32


Кучка странных импортных панелек под некие лампы (честно говоря, даже не представляю, под какой цоколь), с демонтажа (не мной, поэтому ламп уже не видел):

Керамические очень похожи на локтальные.

мастер
Группа: Участники
Сообщений: 773
Добавлено: 30-06-2018 19:43
Находки. мешок плат интересно от чего эти платы.


гигант мысли
Группа: Участники
Сообщений: 4411
Добавлено: 01-07-2018 00:02
Преобразователь ПТ-500ЦБ, управление

мастер
Группа: Участники
Сообщений: 773
Добавлено: 03-07-2018 21:12
Находки.блок состоит из модулей интересно от чего этот блок.


мастер
Группа: Участники
Сообщений: 773
Добавлено: 03-07-2018 21:18
Преобразователь ПТ-500ЦБ, управление

Спасибо за инфо наверно много их разломали что боле 20 ти плат выкинули.

гигант мысли
Группа: Участники
Сообщений: 4411
Добавлено: 04-07-2018 00:09
от чего этот блок.

блоки усилителя УТК-5, тахометрической аппаратуры КТА-5


гигант мысли
Группа: Участники
Сообщений: 5744
Добавлено: 04-07-2018 00:24
Это ракетные дела, я правильно понимаю?

вошел во вкус
Группа: Участники
Сообщений: 242
Добавлено: 04-07-2018 07:57
Это ракетные дела, я правильно понимаю?

Вряд-ли это военка. Слишком топорно все сделано.

мастер
Группа: Участники
Сообщений: 627
Добавлено: 04-07-2018 09:38
Это ракетные дела, я правильно понимаю?

Вряд-ли это военка. Слишком топорно все сделано.

Подобные в таких корпусах из какой то пены разбирал из авиации и всё что с нею связанно и навесного оборудования тоже)))
кое какие блоки полураскуроченные валяются могу сфотать
то что из авиации инфа 100%
топорно но невероятно надежно

гигант мысли
Группа: Участники
Сообщений: 5744
Добавлено: 05-07-2018 18:54
Просто охренел, когда увидел!
Что ими пилили???


вошел во вкус
Группа: Участники
Сообщений: 242
Добавлено: 05-07-2018 22:12
Просто охренел, когда увидел!
Что ими пилили???

А что тут удивительного? Они есть и большего размера, например для камня.

гигант мысли
Группа: Участники
Сообщений: 7902
Добавлено: 06-07-2018 09:35
Они есть и большего размера


например даже и такого:


гигант мысли
Группа: Участники
Сообщений: 5744
Добавлено: 06-07-2018 09:55
Долбануться просто!
Что же такими все-таки пилят то?

магистр
Группа: Участники
Сообщений: 1411
Добавлено: 06-07-2018 10:09
Трубы вполне есть такого диаметра. Либо например для одновременного распила нескольких заготовок с таким суммарным объёмом.

пришел поспрашивать
Группа: Участники
Сообщений: 92
Добавлено: 06-07-2018 15:03
Просто охренел, когда увидел!
Что ими пилили???


"Пила Геллера" - диск со СМЕННЫМИ зубьями! Если "выкинули" в таком виде - значит кто-то раздербюанил пильный станок :(
Пилят такими пилами ВСЁ - от дерева до железа и камня - вся фишка именно в сменных "зубях" ;)

гигант мысли
Группа: Участники
Сообщений: 5744
Добавлено: 13-07-2018 01:29
Некая платка и кучка планок памяти от старых компьютеров:

гигант мысли
Группа: Участники
Сообщений: 4411
Добавлено: 13-07-2018 11:55
платка от реле времени ВЛ-56 или подобного.
Полезная в хозяйстве вешь. Три транзистора управление обмотками внешних реле.

мастер
Группа: Участники
Сообщений: 773
Добавлено: 14-07-2018 21:13
Находки.


знающий
Группа: Участники
Сообщений: 352
Добавлено: 14-07-2018 21:14
Что означает "ИМ" в обозначении чипа?

вошел во вкус
Группа: Участники
Сообщений: 167
Добавлено: 15-07-2018 15:47
не совсем со свалки .Давно не мог свой старый сарай обследовать,лет тридцать наверное,все же добрался и вот они,целенькие.



Кому нужен,подарю , но только самовывоз. В Москву из Подмосковья ,40 километров я сам не попру , а машины у меня нету. Не проверял,нго был рабочий, все время лежал накрытый непромокаемым материалом, в общем разберетесь.

гигант мысли
Группа: Участники
Сообщений: 5744
Добавлено: 15-07-2018 16:03
Вот такой блочок попался
Судя по начинке - скорее всего некий не особо мощный источник питания с несколькими выходными напряжениями.




вошел во вкус
Группа: Участники
Сообщений: 237
Добавлено: 15-07-2018 17:56
... и вот они,целенькие.
С1-49 какого года выпуска? Понимаю, что не из ранних, но все же?

гигант мысли
Группа: Участники
Сообщений: 7902
Добавлено: 15-07-2018 18:13
ручки могли заменить - взамен штатных черных бакелитовых. Прибор выпускался с 1970 по 1980 год (данные статистические, согласно моей коллекции серийных номеров на изделия ЛОРТА). - Многое могли заменить, посему лучше прочесть дату сзади прибора.. На С1-35 было "проще" - дата была на передней панели.

Что еще можна добавить - крупный шрифт надписей (развертка, усилитель), отсутствие номера ГОСТа и иной знак сертификации (кстати еще посередине, с 1976 года его подвинули вверх к надписи сделано в СССР); значек "пост/перем." переключателя в старых приборах был напротив (и под) букв "за" слова синхронизация, с 1976 года распространился на буквы "заци". Я предположительно датирую прибор 1975 годом.

гигант мысли
Группа: Участники
Сообщений: 5744
Добавлено: 19-07-2018 18:13
Японская кроватка из 1990-ых. Пока не пойму, под какой корпус микросхем она...


Массивный алюминиевый стакан с ртутным термоконтактом, скорее всего от какого-то кварцевого генератора или термостатированного ИОНа. Начинки уже не было...


Новая головка для видеомагнитофона (ну или ее часть):

вошел во вкус
Группа: Участники
Сообщений: 167
Добавлено: 23-07-2018 20:59
... и вот они,целенькие.
С1-49 какого года выпуска? Понимаю, что не из ранних, но все же?



Обсмотрел весь,никаких надписей и шильдиков не нашел, так что х.з.
Достался году в 1987, уже был списан.Поменялся с мужиком на что то,может на деньги.Не помню уже.

вошел во вкус
Группа: Участники
Сообщений: 242
Добавлено: 24-07-2018 10:22

Обсмотрел весь,никаких надписей и шильдиков не нашел, так что х.з.
Достался году в 1987, уже был списан.Поменялся с мужиком на что то,может на деньги.Не помню уже.

Ну а по деталям неужели не видно?

А вообще С1-49 уже был в 1971 году в составе военной техники. Получал я тогда новенький комплект КРАС, т.е. контрольно-ремонтная автомобильная станция, и этот осциллограф там уже был.

мастер
Группа: Участники
Сообщений: 536
Добавлено: 24-07-2018 14:58
Мой 1979г. Ручки черные.Зав.номер Б03649. Надпись на задней стенке низ-лево в углу.

мастер
Группа: Участники
Сообщений: 888
Добавлено: 24-07-2018 20:39
Обсмотрел весь,никаких надписей и шильдиков не нашел...
Достался году в 1987, уже был списан.

Возможно потому шильдика и нет, что он где-то числился списанным.

Как-то в начале 90-х попала в/ч, где я тогда служил, под расформирование. И тут выяснилось, что у нач. группы в кладовке лежат несколько неучтённых блоков с аппаратуры, "на всякий случай". Сдавать их на склад - тот ещё геморрой, как известно, избыток сверх проходящего по учету хуже, чем недостача. Собрались их по-тихому прикопать в лесочке (в те времена "золотари" в таких количествах не водились, и радиодетали никому, кроме радиолюбителей, особо не были нужны). Я попросил несколько блоков себе на раздербан, на что был дан ответ: "Без проблем, бери, только шильдики с номерами сбей и отдай мне".

гигант мысли
Группа: Участники
Сообщений: 7902
Добавлено: 24-07-2018 21:59
Как уже написал ранее уваж. Владимир RA9SZ - датировку вполне возможно узнать, ориентируясь по компонентам внутри прибора (самая поздняя их дата производства).

Гость
Добавлено: 24-07-2018 22:45
"Без проблем, бери, только шильдики с номерами сбей и отдай мне".


В конце 80-х списали FM05/165. С трудом уговорили региональный Госсвзьнадзор, чтобы оставить железо себе. Сошлись на том, что сдали шильдики и кварцы.

вошел во вкус
Группа: Участники
Сообщений: 167
Добавлено: 27-07-2018 19:12
Вот попался Юность 42 тц 431.Тащить было далеко, а штука тяжелая,пришлось погромить.




вошел во вкус
Группа: Участники
Сообщений: 167
Добавлено: 27-07-2018 19:15
Как уже написал ранее уваж. Владимир RA9SZ - датировку вполне возможно узнать, ориентируясь по компонентам внутри прибора (самая поздняя их дата производства).



Да знаю я все,времени нет вскрыть, с суток на сутки хожу!

гигант мысли
Группа: Участники
Сообщений: 6778
Добавлено: 28-07-2018 10:26
Не в прямом смысле "со свалки", но выбросили с радиоузла". Какой-то УКВ-блочок:


вошел во вкус
Группа: Участники
Сообщений: 167
Добавлено: 01-08-2018 16:39
Как уже написал ранее уваж. Владимир RA9SZ - датировку вполне возможно узнать, ориентируясь по компонентам внутри прибора (самая поздняя их дата производства).


Вот,добрался,смотрите сами.




Надеюсь,больше вопросов не будет?

мастер
Группа: Участники
Сообщений: 773
Добавлено: 01-08-2018 20:02
Находки.большая часть плат обезжирены.



гигант мысли
Группа: Участники
Сообщений: 5744
Добавлено: 02-08-2018 18:07
Панелька с тумблерами

гигант мысли
Группа: Участники
Сообщений: 7902
Добавлено: 03-08-2018 09:35

drapieznik
крупный шрифт надписей (развертка, усилитель), отсутствие номера ГОСТа и иной знак сертификации (кстати еще посередине, с 1976 года его подвинули вверх к надписи сделано в СССР); значек "пост/перем." переключателя в старых приборах был напротив (и под) букв "за" слова синхронизация, с 1976 года распространился на буквы "заци". Я предположительно датирую прибор 1975 годом.




іaval
Вот,добрался,смотрите сами.


как я ранее и предположил - прибор оказался 1975 года, - так что собирание фотографий приборов по годам таки может оказатся весьма полезным занятием, и некоторые из приборов можна датировать с точностью даже в 100%.

гигант мысли
Группа: Участники
Сообщений: 5744
Добавлено: 02-09-2018 15:02
ВЧ блочок:


Сборка из конденсаторов ЭГЦ:


И уже ободранная некая плата:

знающий
Группа: Участники
Сообщений: 345
Добавлено: 03-09-2018 09:57
И уже ободранная некая плата:


плата от Д3-28

гигант мысли
Группа: Участники
Сообщений: 5744
Добавлено: 11-09-2018 10:03
Странная ячейка-книжка попалась


Все реле РЭС49-ОС:



знающий
Группа: Участники
Сообщений: 345
Добавлено: 11-09-2018 10:45
Странная ячейка-книжка попалась

диодное ПЗУ до "прошивки")

гигант мысли
Группа: Участники
Сообщений: 5744
Добавлено: 12-09-2018 00:19
Хех, а ведь это и правда разумная мысль!
У меня была мысль, что в перекрестия что-то должно запаиваться, но именно диоды почему-то не пришли в голову...

магистр
Группа: Участники
Сообщений: 1411
Добавлено: 12-09-2018 09:12
Странная ячейка-книжка попалась

Конструктив платы очень напоминает семейство ЭВМ Аргон, так что вполне возможно, для неё какой-нить программный автомат. Например для модели А15 на основной раме предусмотрено 2 типовых места для блоков тестовых (проверочных) программ, но вполне возможно, туда вместо них можно подключить и что-нибудь другое...

гигант мысли
Группа: Участники
Сообщений: 6778
Добавлено: 16-09-2018 18:01
То ли нагрузка, то ли печка...:Е

гигант мысли
Группа: Участники
Сообщений: 5744
Добавлено: 19-09-2018 00:58
Вот такая плата с навесным монтажем:


И еще штучка

магистр тайных сил
Группа: Участники
Сообщений: 1557
Добавлено: 19-09-2018 16:40
Вот такая плата с навесным монтажем:

Довольно распространенный для военки метод монтажа

зашел на огонёк
Группа: Участники
Сообщений: 5
Добавлено: 24-09-2018 14:48
не совсем со свалки .Давно не мог свой старый сарай обследовать,лет тридцать наверное,все же добрался и вот они,целенькие.



Кому нужен,подарю , но только самовывоз. В Москву из Подмосковья ,40 километров я сам не попру , а машины у меня нету. Не проверял,нго был рабочий, все время лежал накрытый непромокаемым материалом, в общем разберетесь.


Я бы взял для клуба робототехники, если еще актуально. Для связи: 92112603a@gmail.com

мастер
Группа: Участники
Сообщений: 810
Добавлено: 24-09-2018 20:35
Просто охренел, когда увидел!
Что ими пилили???


"Пила Геллера" - диск со СМЕННЫМИ зубьями! Если "выкинули" в таком виде - значит кто-то раздербюанил пильный станок :(
Пилят такими пилами ВСЁ - от дерева до железа и камня - вся фишка именно в сменных "зубях" ;)


Конкретно эта пила по металлу раньше на заводах в заготовительных цехах стояли станки с такими пилами.Трубы она не пилит может замять и тем более пачки закотовок тоже.
Там у станка желоб в стене люк через него со склада метала (с улицы) кран подает закотовку (кругляк или квадрат)
В станке ацкая гидравлика (под 60 кгс см кв ) зажимает и пилит это дело.
В данный момент полностью вытеснена ленточными пилами.
Т.к. имеет очень широкий рез по сравнению с ленточной пилой.
По камню только алмаз.

гигант мысли
Группа: Участники
Сообщений: 5744
Добавлено: 25-09-2018 01:01
Всякие платочки:


И парочка поинтереснее

мастер
Группа: Участники
Сообщений: 537
Добавлено: 28-09-2018 20:15
Вот, пошел мусор вынести и на контейнере лежит он:



Ничего ценного, но все равно приятно.

магистр тайных сил
Группа: Участники
Сообщений: 1808
Добавлено: 28-09-2018 22:43
kolosov Ценное есть.AN5015K.

мастер
Группа: Участники
Сообщений: 537
Добавлено: 29-09-2018 13:07
kolosov Ценное есть.AN5015K.


И чего в нем ценного?. По мне так БП и то ценнее будет. Полезнее. Авось сгодится на что-нибудь.

гигант мысли
Группа: Участники
Сообщений: 5744
Добавлено: 01-10-2018 00:59
Некий монитор без единой надписи или маркировки... Скорее всего с какого-то промышленного оборудования (если кто знает точнее - буду благодарен любой информации).


Открываем:


Платы:


Кинескоп 23ЛК13Б с ОС:

пришел поспрашивать
Группа: Участники
Сообщений: 46
Добавлено: 01-10-2018 01:45
Некий монитор без единой надписи или маркировки... Скорее всего с какого-то промышленного оборудования


Похожие мониторы использовались раньше для контроля заварки корпусов микросхем, выводов и т.д

Но я не уверен, что этот именно от подобных установок.

гигант мысли
Группа: Участники
Сообщений: 6778
Добавлено: 04-10-2018 14:09
Платы от кассовых аппаратов?:

Если кому нужны от сюда ЖК-индикаторы, могу выдрать...

мастер
Группа: Участники
Сообщений: 773
Добавлено: 04-10-2018 19:22
Платы от кассовых аппаратов?:

Если кому нужны от сюда ЖК-индикаторы, могу выдрать...


знакомые платы тоже находил 2 штуки.

мастер
Группа: Участники
Сообщений: 773
Добавлено: 04-10-2018 19:48
находки.


гигант мысли
Группа: Участники
Сообщений: 5744
Добавлено: 05-10-2018 16:04
Видимо был какой-то ЗИП...


С этим пока вообще не знаю, что делать...

вошел во вкус
Группа: Участники
Сообщений: 242
Добавлено: 05-10-2018 16:13
Видимо был какой-то ЗИП...

Точно в таких же коробочках и у меня микросхемы хранятся еще с советских времен.

С этим пока вообще не знаю, что делать...

Выставить на продажу где-нибудь типа qrz.ru, если самому не нужно. Там точно рано или поздно найдутся покупатели.

Гость
Добавлено: 05-10-2018 20:16

С этим пока вообще не знаю, что делать...

Диоды не ДЛ случайно?

гигант мысли
Группа: Участники
Сообщений: 5744
Добавлено: 06-10-2018 01:21
ДЛ вроде бы там не видел...

гигант мысли
Группа: Участники
Сообщений: 5744
Добавлено: 12-10-2018 18:08
Попался немецкий самописец, судя по надписям на шасси - 1969г.



Внутри по сути сплошная механика:




Очень необычный в нем оказался переключатель точек:

гигант мысли
Группа: Участники
Сообщений: 5744
Добавлено: 20-10-2018 00:57
Блочок ИПС3-0,1.
Так и не понял, это AC-DC преобразователь или наоборот?


Некие контура...


Некие старые самоделки:


Одна оказалась в корпусе от детского радиопереговорного устройства

вошел во вкус
Группа: Участники
Сообщений: 286
Добавлено: 20-10-2018 01:34
Блочок ИПС3-0,1.
Так и не понял, это AC-DC преобразователь или наоборот?


Это источник питания измерительной цепи автоматического потенциометра. Маломощный, но очень стабильный.

вошел во вкус
Группа: Участники
Сообщений: 286
Добавлено: 20-10-2018 01:36


Некие контура...


А это больше похоже на сетевой фильтр

мастер
Группа: Участники
Сообщений: 792
Добавлено: 20-10-2018 14:08
Вся покрытая "зеленью" широко известная в узких научных кругах плата АЦП/ЦАП от кооператива "Демос". Даже работает, по крайней мере АЦП шевелится.


мастер
Группа: Участники
Сообщений: 810
Добавлено: 20-10-2018 16:26
Блочок ИПС3-0,1.
Так и не понял, это AC-DC преобразователь или наоборот?


Это источник питания измерительной цепи автоматического потенциометра. Маломощный, но очень стабильный.


Добавлю сюда из соседней темы.Без коментариев...
https://www.youtube.com/watch?v=YX0MJjq9MuU

Источник Питания Стабилизированный.Входит в него переменка.Выходит 5В стабилизированная постоянка.Применяется в схемах потенциометров для питания схемы измерения.При компенсационном методе измерения эдс термопары.Ток нагрузки очень маленький.В быту вещь бесполезая.Кроме как на корпус.

Гость
Добавлено: 20-10-2018 21:51
....В быту вещь бесполезая.Кроме как на корпус.


Абсолютно. В середине 80-х года три перекладывал блочек с места на место в надежде найти применение. В конце-концов сдал в группу по учету драг металлов (у нас с этим было строго)

гигант мысли
Группа: Участники
Сообщений: 5744
Добавлено: 22-10-2018 00:23
Пара уже разодранных дисководов МС5305 Жалко...




гигант мысли
Группа: Участники
Сообщений: 5744
Добавлено: 23-10-2018 19:30
Типа пультик


Непонятное немецкое изделие...

администратор
Группа: Администраторы
Сообщений: 8045
Добавлено: 23-10-2018 19:49

...
Непонятное немецкое изделие...


Источник постоянного напряжения 6 Вольт, током 10 мА на нагрузке 600 Ом.

гигант мысли
Группа: Участники
Сообщений: 5744
Добавлено: 23-10-2018 19:54
Спасибо!
Интересно, куда он такой слабый и странный мог быть нужен?..

Гость
Добавлено: 23-10-2018 20:15
Возможно для проверки телеграфного/телетайпного оборудования

мастер
Группа: Участники
Сообщений: 810
Добавлено: 23-10-2018 21:11
Может просто ИПС такой как постом выше.Только немецкий.

гигант мысли
Группа: Участники
Сообщений: 5744
Добавлено: 30-10-2018 19:49
Плата предположительно от компьютера АГАТ:


Некая старая платка, импорт:

гроссмейстер
Группа: Участники
Сообщений: 1017
Добавлено: 30-10-2018 20:21
lalka
Некая старая платка, импорт:

От перфоввода FS1501

гигант мысли
Группа: Участники
Сообщений: 5744
Добавлено: 31-10-2018 01:15

От перфоввода FS1501

С такой элементной базой, как на плате на фото, каких же он годов?

гигант мысли
Группа: Участники
Сообщений: 7902
Добавлено: 31-10-2018 04:58
https://rp301.rajce.idnes.cz/manual_ZPA_FS-1501_a_FS-751/#P1270549.jpg - здесь пример мануала за 1978 год..


гигант мысли
Группа: Участники
Сообщений: 5744
Добавлено: 31-10-2018 10:00
Нда... По виду деталей и платы я думал, это 60-ые, а то и конец 50-ых...

вошел во вкус
Группа: Участники
Сообщений: 259
Добавлено: 31-10-2018 11:07
BFA 1720



Проверил электролиты, все в +, хотя солянка еще та!

гроссмейстер
Группа: Участники
Сообщений: 1017
Добавлено: 31-10-2018 14:42
Нда... По виду деталей и платы я думал, это 60-ые, а то и конец 50-ых...


Таких разьемов в 60-х не встречал.
По-моему они появились позже.

Вот типичная плата 60-х
1966

гроссмейстер
Группа: Участники
Сообщений: 1017
Добавлено: 31-10-2018 15:11
lalka

Нда... По виду деталей и платы я думал, это 60-ые, а то и конец 50-ых...


Платы 60-х встречаются редко,
а конца 50-х в промисполнении еще реже.

Вот


гигант мысли
Группа: Участники
Сообщений: 5744
Добавлено: 31-10-2018 18:03
BFA 1720

А это хоть что такое?

гигант мысли
Группа: Участники
Сообщений: 7902
Добавлено: 31-10-2018 19:04
https://www.soemtron.org/soemtronprufgerate.html
https://www.soemtron.org/downloads/soemtronpartnumberslist20.pdf

вошел во вкус
Группа: Участники
Сообщений: 259
Добавлено: 31-10-2018 19:08
BFA 1720

А это хоть что такое?

Моя мама работала на "Фактурных машинах Роботрон"
Я думаю это от туда, для диагностики.
http://www.robotrontechnik.de/index.htm?/html/computer/r1720.htm

гигант мысли
Группа: Участники
Сообщений: 4878
Добавлено: 01-11-2018 18:41

Получается, что 121Д - это болгарский (чешский, румынский) аналог GS121d

администратор
Группа: Администраторы
Сообщений: 8045
Добавлено: 01-11-2018 19:37

Получается, что 121Д - это болгарский (чешский, румынский) аналог GS121d

В СССР транзисторов серии 121 не выпускали серийно.
121Д, если не изменячет память, это болгарские транзисторы.

мастер
Группа: Участники
Сообщений: 773
Добавлено: 01-11-2018 20:35
находки.

гигант мысли
Группа: Участники
Сообщений: 4878
Добавлено: 01-11-2018 22:34
находки.

По моему, это от Г3-112

магистр тайных сил
Группа: Участники
Сообщений: 1808
Добавлено: 01-11-2018 22:35
К1ЖГ454.В таком корпусе у Клапауция на сайте нет.

знающий
Группа: Участники
Сообщений: 352
Добавлено: 02-11-2018 20:59
О, Эпос-73! Вторая плата сохранилась?

мастер
Группа: Участники
Сообщений: 773
Добавлено: 02-11-2018 22:37
О, Эпос-73! Вторая плата сохранилась?

та с квавешами сохранилась часть кнопок на хватает.

гигант мысли
Группа: Участники
Сообщений: 5744
Добавлено: 05-11-2018 11:52
Вот такой массивный оптический датчик на пересечение оптического промежутка. Где такая бандура могла применяться - вообще мыслей нет


Фотодиод внутри был ФД-27К:


И платочка на поликоре

мастер
Группа: Участники
Сообщений: 773
Добавлено: 05-11-2018 21:15
Плата крупными конденсаторами толи К10-17 или другие.

гигант мысли
Группа: Участники
Сообщений: 7902
Добавлено: 05-11-2018 23:27
толи К10-17 или другие


скорее всего К10-47, а К10-17 там желтые (окукленые) - хотя и это не факт - могут быть "новодельные" КМ-4б, КМ-5б, но на них соответственно "4" или "5" для идентификации завод бы поставил.

гигант мысли
Группа: Участники
Сообщений: 5744
Добавлено: 08-11-2018 14:43
Некое поделие:


Если не ошибаюсь, в центре К10-17-2В. Никогда ранее не встречал их таких крупных, на 2,2 мкФ:


мастер
Группа: Участники
Сообщений: 713
Добавлено: 08-11-2018 22:50
Некое поделие:

Что то вроде приёмника от сигнализации-"пейджер".Частота наверное примерно 27 мегагерц.

гигант мысли
Группа: Участники
Сообщений: 5744
Добавлено: 09-11-2018 15:26
Остатки какого-то прибора, предположительно производственного или станкового назначения:


Извлек оттуда неплохую платку с ИН-12, панельками и КМ155ИД1 к ним


Лампы 1990г!

гигант мысли
Группа: Участники
Сообщений: 6778
Добавлено: 13-11-2018 14:42
Цветоанализатор ColorLine 100:

гигант мысли
Группа: Участники
Сообщений: 6778
Добавлено: 13-11-2018 14:42
Цветоанализатор ColorLine 100:


Информация крайне скудная...Что за зверь и с чем его едят?

вошел во вкус
Группа: Участники
Сообщений: 231
Добавлено: 13-11-2018 15:09
Made by JOBO Germany, внутри МЛТ/С2-23В :)

вошел во вкус
Группа: Участники
Сообщений: 112
Добавлено: 13-11-2018 15:18
alex1959 Инструкция вроде тут Как я понял что-то для проявки пленки в домашних условиях в темной комнате (в ванной).
PS: Электролитик чего-то вспучило

гигант мысли
Группа: Участники
Сообщений: 6778
Добавлено: 13-11-2018 15:25
Спасибо, ув. Tronix...Вобщем, сейчас вещь совсем не нужная...
Там не только электролит вспучило, микросхема тоже почти пополам разломилась. А нашли его со шнуром питания, который был подключён к клеммам "Кроны", видимо, просто напрямую в розетку и воткнули ...

гигант мысли
Группа: Участники
Сообщений: 6778
Добавлено: 13-11-2018 15:26
Made by JOBO Germany, внутри МЛТ/С2-23В :)

Да... Даже не обратил внимания
...

вошел во вкус
Группа: Участники
Сообщений: 242
Добавлено: 13-11-2018 18:43
Извлек оттуда неплохую платку с ИН-12, панельками и КМ155ИД1 к ним

Помню где-то примерно в 1976-78-х годах собирал частотомер с применением этих дешифраторов, только индикаторы если не ошибаюсь ИН1 были. До сих пор этот блок собранный где-то в залежах лежит. Уверен если питание подать, то будет работать. :-)

Между прочим, панельки для них сам делал из оргстекла и подходящих по диаметру контактов выдернутых из разъемов ШР. Готовые найти не удалось.

мастер
Группа: Участники
Сообщений: 888
Добавлено: 13-11-2018 22:47
Находки по компьютерной тематике.
Миниатюрный ч/б мониторчик без каких-либо опознавательных знаков:

Судя по отпечатавшемуся на люминофоре изображению, всю жизнь проработал с какой-то одной прикладной программой.

мастер
Группа: Участники
Сообщений: 888
Добавлено: 13-11-2018 22:52
Пентиум ММХ в корпусе от 386-го:

мастер
Группа: Участники
Сообщений: 888
Добавлено: 13-11-2018 22:56
Старенький IBMовский системник с довольно интересным "провенансом":



Значение штампа на последнем фото мне расшифровать не удалось. Может быть, кто-то подскажет?

гигант мысли
Группа: Участники
Сообщений: 7902
Добавлено: 13-11-2018 23:26
может что то связанное с этим:
https://inis.iaea.org/search/search.aspx?orig_q=RN:39074880
http://web.mit.edu/stgs/pdfs/Friend%20-%20Urenco%27s%20Views%20on%20International%20Safeguards%20Inspection.pdf

мастер
Группа: Участники
Сообщений: 888
Добавлено: 14-11-2018 00:14
может что то связанное с этим:



Любопытная гипотеза, но врядли. Во-первых, от меня слишком далеко до ммм... мест, где чем-то таким занимаются. А во-вторых, вряд ли такими делами в РФ занимается (занималось) иностранное общество с ограниченной ответственностью (на штампе стоит ltd.)
Эти штампы стоят изнутри на железе корпуса и крышки.

гигант мысли
Группа: Участники
Сообщений: 5744
Добавлено: 17-11-2018 01:14
Пара платок



пришел поспрашивать
Группа: Участники
Сообщений: 42
Добавлено: 17-11-2018 20:34
Пара платок
[url=http://ipic.su/img/img7/fs/20181030_152359.1542402682.jpg


На обратной стороне монтаж? МГТФ или ПЭПЛОТ?

гигант мысли
Группа: Участники
Сообщений: 5744
Добавлено: 18-11-2018 00:50
Не мгтф. Что-то типа обычного тонкого обмоточного провода...

мастер
Группа: Участники
Сообщений: 637
Добавлено: 18-11-2018 02:16
Находки по компьютерной тематике.
Миниатюрный ч/б мониторчик без каких-либо опознавательных знаков:
Судя по отпечатавшемуся на люминофоре изображению, всю жизнь проработал с какой-то одной прикладной программой.

Такие раньше стояли на кассах в супермаркетах.

пришел поспрашивать
Группа: Участники
Сообщений: 42
Добавлено: 18-11-2018 19:39
Не мгтф. Что-то типа обычного тонкого обмоточного провода...


Это ПЭВТЛ. Технология макетирования и малых серий под названием "петельно-проволочный монтаж".

мастер
Группа: Участники
Сообщений: 888
Добавлено: 18-11-2018 20:31
Такие раньше стояли на кассах в супермаркетах.

Спасибо! Да, скорее всего, 9-тидюймовый ч/б монитор от какого-то POS-терминала.

гигант мысли
Группа: Участники
Сообщений: 5744
Добавлено: 23-11-2018 13:04
Некие промышленные предположительно терморегуляторы. Никакой маркировки не было, ничего подробнее про них сказать не могу, тк не знаю...

Блок условно первого типа.




Платы:



гигант мысли
Группа: Участники
Сообщений: 5744
Добавлено: 23-11-2018 13:28
Чтобы не раздувать пост, блок второго типа вынес в отдельный пост.

Внешний вид:


Внутри блока был большой и тяжеленный трансформатор и мелкая платка с парой СП5:


Плата с вилками:


Платы, входившие в блок:


Если кто сталкивался с такими блоками или что-то знает, буду благодарен любой информации!


главный по тарелочкам
Группа: Участники
Сообщений: 2259
Добавлено: 23-11-2018 14:15
Чтобы не раздувать пост, блок второго типа вынес в отдельный пост.

В этом блоке весьма хороши желтые КМ. Давно такие ищу.

гигант мысли
Группа: Участники
Сообщений: 5744
Добавлено: 23-11-2018 16:26
А для чего они вам и сколько нужно? Платы с фото пока еще целые...

главный по тарелочкам
Группа: Участники
Сообщений: 2259
Добавлено: 23-11-2018 16:41
А для чего они вам и сколько нужно? Платы с фото пока еще целые...

Пару штук в коллекцию.

гигант мысли
Группа: Участники
Сообщений: 5744
Добавлено: 23-11-2018 16:42
Без проблем, но вы не с РФ. Если есть кто в РФ или лучше в МСК, кто вам что-то собирает для отправки - могу передать...

гигант мысли
Группа: Участники
Сообщений: 5744
Добавлено: 28-11-2018 19:04
Платки всякие




мастер
Группа: Участники
Сообщений: 888
Добавлено: 30-11-2018 17:02
Некие блочки ВУ-2, предположительно авиация:

магистр
Группа: Участники
Сообщений: 1411
Добавлено: 30-11-2018 19:02
О, какая неожиданная весч, для меня весьма близкая и можно так сказать родная ))))) От станции помеховых сигналов, Герань и иже с ними, производство и разработка НИИ Экран, производитель ФГУП Экран г.Самара. Усилитель после голосового фильтра (их несколько естественно) с триггером на выходе и дальше на автоматику обработки. Авионика, да.

мастер
Группа: Участники
Сообщений: 888
Добавлено: 02-12-2018 10:57
Чёрный сталкер, спасибо за информацию!

гигант мысли
Группа: Участники
Сообщений: 5744
Добавлено: 02-12-2018 12:11
Непонятный прибор без маркировки.
На боку была эмблема Питерского Авангарда как на ихних микросборках (на фото нету).


Внутри по сути ничего интересного:


Трансформатор сохранил. Не встречал ранее с такой маркировкой - ТБС3-0,063У3. Как расшифровывается ТБС?

гигант мысли
Группа: Участники
Сообщений: 5744
Добавлено: 04-12-2018 19:48
BP4310 от Tesla.
Как удалось найти в интернете - контактное устройство или типа того для некого тестера транзисторов.


Под крышкой:




Если кому надо - пишите на почту, ломать или выкидывать пока жалко...

знающий
Группа: Участники
Сообщений: 382
Добавлено: 05-12-2018 18:05
Нашел в мусороном контейнере. Чтоб достать, пришлось с ногами залезть внутрь , даже не знаю что подумали если кто видел. Но пройти мимо просто не смог.






Почти такая же, как и предидущая, но есть мелкие отличия



знающий
Группа: Участники
Сообщений: 382
Добавлено: 05-12-2018 18:15
Также если кто опознает, было бы интересно узнать от чего платы











Опять почти такая же, как и предидущая, с маленькими отличиями





магистр
Группа: Участники
Сообщений: 1411
Добавлено: 05-12-2018 20:38
Аэродромный навигационно-посадочный комплекс. Верхний пост с серией 217 шкафы управления и коммутации сигналов, в нижнем посте с серией 133 и иже с ней от рлс. Комплект неполный, их больше в несколько раз, но и так неплохо.

знающий
Группа: Участники
Сообщений: 411
Добавлено: 05-12-2018 21:33
Платы с децималом ОЦ очень похожи на начинку имитатора наземных маяков РСДН. Может из-за того, что разрабатывались в одним и том же КБ с остальной навигацией. Можно было бы сказать точнее, если бы увидеть шильдики плат на пластмассовом торце

магистр
Группа: Участники
Сообщений: 1411
Добавлено: 05-12-2018 21:54
Я такой комплекс имел удовольствие разбирать, поэтому тут без вариантов

вошел во вкус
Группа: Участники
Сообщений: 286
Добавлено: 05-12-2018 23:36
Своеобразное решение- блоки питания на плате с навесным монтажом. Стабилизатор, судя по всему, импульсный.

Гость
Добавлено: 05-12-2018 23:44
Я такой комплекс имел удовольствие разбирать, поэтому тут без вариантов

Да уж, далеко техника убежала вперед. В свое время ноыми были СП-70, РСБН-4, АРП-6, но это было так давно.

знающий
Группа: Участники
Сообщений: 411
Добавлено: 06-12-2018 01:25
Почти некуроченный пеленгатор АРП-6 видел на свалке лет 40 назад. Тогда перед какой-то комиссией вынесли подвалы учебного корпуса. Там же оказались РЫМ-С, радиоприцел РП-1 на стенде и гора (не шучу, с рост человека и длиной метров 10) другого

гигант мысли
Группа: Участники
Сообщений: 5744
Добавлено: 06-12-2018 01:30
Пара платок

гигант мысли
Группа: Участники
Сообщений: 4411
Добавлено: 06-12-2018 12:51
Плата стабилизатор СН-616, что показана выше. Принципиальная схема

стабилизатор СН-622

Гость
Добавлено: 06-12-2018 13:47
Почти некуроченный пеленгатор АРП-6 видел на свалке лет 40 назад...

Чуток притупил.
Когда я пришел в отряд в 1973г, АРП-6 (именно его я изучал) уже вывели из эксплуатации и ввели АРП-9, а в другом отряде ставили АРП-11

знающий
Группа: Участники
Сообщений: 411
Добавлено: 06-12-2018 20:03
В имитаторе наземных маяков вот такой набор плат "ОЦ"

Сам прибор уже давно "разряжен", осталось только немного "постной" начинки. Несмотря на большое количество всяких переключателей он очень прост и понятен, если знать что такое американская система дальней навигации

Крепление плат в "корзине"

На всякий случай - обычное навигационное железо для дальних перелётов, цельнотянутое с буржуйского

мастер
Группа: Участники
Сообщений: 810
Добавлено: 06-12-2018 23:56
Непонятный прибор без маркировки.
Внутри по сути ничего интересного:
Трансформатор сохранил. Не встречал ранее с такой маркировкой - ТБС3-0,063У3. Как расшифровывается ТБС?

Как ничего интнресного а клемник серезный с латунными гайками.Соединение на 25-50А.
ТБС Трансформатор Броневой Сухой.Их сменили ОСМ Однофазный Сухой Многоцелевого назначения.
http://metz.by/download_files/tmm.pdf

Нашел в мусороном контейнере. Чтоб достать, пришлось с ногами залезть внутрь , даже не знаю что подумали если кто видел. Но пройти мимо просто не смог.

Ох будет сегодня у чей то жены личико мягко говоря бито.
С нынешней ценой платинновую группу.Смысла проходить почти мимо месячной зарплаты нет.

знающий
Группа: Участники
Сообщений: 411
Добавлено: 07-12-2018 00:37
Часто бывает, что такое оказывается в баке после того, как бить уже некому становится

знающий
Группа: Участники
Сообщений: 382
Добавлено: 07-12-2018 15:52
Спасибо за опознание. Получается что мужик, который (спи...) схабарил эти платы, возможно работал где-то в авиации
Ох будет сегодня у чей то жены личико мягко говоря бито.

Это врядли, тут я согласен с Loran-C. Скорее всего готовили комнату к ремонту или квартиру к продаже. Там еще кучка мешков была с проводами, кабелями, трансформаторами, БП и т.п. За раз унести все не смог, пришлось прятать в кустах, заваливая травой, ветками, листьями. А привлекло меня к этому контейнеру валяющиеся рядом пустые "дипломаты". Я даже сам не знаю как, но 6-м чувством понял что там были радиодетали К сожалению их уже кто-то растащил. А эти мешки-коробки или не заметил или не смог достать.

Гость
Добавлено: 07-12-2018 22:10
Часто бывает, что такое оказывается в баке после того, как бить уже некому становится


Как это не печально, но скорее это как правило. И еще печальнее, что наши собственные запасы ждет такая-же судьба-передать наследство некому

знающий
Группа: Участники
Сообщений: 411
Добавлено: 07-12-2018 22:32
Недавно (несколько лет назад) передал кое-что в один музей, а там война случилась... Потом говорил с людьми оттуда - разграбили там много. Даже заходить туда не стал. Только снаружи походил.
Так что даже не только некому, но и некуда может оказаться

вошел во вкус
Группа: Участники
Сообщений: 286
Добавлено: 07-12-2018 23:19
Часто бывает, что такое оказывается в баке после того, как бить уже некому становится


Как это не печально, но скорее это как правило. И еще печальнее, что наши собственные запасы ждет такая-же судьба-передать наследство некому

Когда я учился в школе, мой друг, увлекавшийся электроникой, обнаружил в частном доме под снос полный чердак и подвал радиодеталей, с журналами "Радио" с 1960 по 1992 годы. Там было много довольно дефицитных деталей, типа серебрянно-цинковых аккумуляторов и всяких реле с труднозапоминаемыми названиями.

Из печальных тенденций современности: в универе, где я работаю, в последнее время иногда выбрасывают различные приборы и платы в коридор. И студенты их не трогают вообще, хотя 10 лет назад, в годы моей учебы, их разносили по домам в тот же день. Бесхозные приборы интересуют только цветметщиков, и еще нескольких человек, которых можно пересчитать по пальцам одной руки, в основном это радиолюбители старой закалки 40+ и 50+.
Зато у тех, кто этим увлекается, сейчас практически нет конкурентов, кроме металлистов. Платы можно хоть грузовиками вывозить...

мастер
Группа: Участники
Сообщений: 810
Добавлено: 08-12-2018 21:37
Спасибо за опознание. Получается что мужик, который (спи...) схабарил эти платы, возможно работал где-то в авиации
Ох будет сегодня у чей то жены личико мягко говоря бито.

Это врядли, тут я согласен с Loran-C. Скорее всего готовили комнату к ремонту или квартиру к продаже. Там еще кучка мешков была с проводами, кабелями, трансформаторами, БП и т.п. За раз унести все не смог, пришлось прятать в кустах, заваливая травой, ветками, листьями. А привлекло меня к этому контейнеру валяющиеся рядом пустые "дипломаты". Я даже сам не знаю как, но 6-м чувством понял что там были радиодетали К сожалению их уже кто-то растащил. А эти мешки-коробки или не заметил или не смог достать.

Я бы таксиху грузовую вызвал бы и все забрал.Вам повезло могли бы вызвать хламовщиков с самовыносом.А так неплохой "подарок" на новый год.

вошел во вкус
Группа: Участники
Сообщений: 167
Добавлено: 11-12-2018 09:02
Не нашел темы,куда это можно выложить.Найдено не на свалке а в старом сарае,но выкладываю здесь.

Не помню,как эта штука называлась.Фаэми что ли?

мастер
Группа: Участники
Сообщений: 888
Добавлено: 11-12-2018 11:08
Не помню,как эта штука называлась.Фаэми что ли?

Нет, это "Чижик":
http://rw6ase.narod.ru/00/emi/chivik.html

знающий
Группа: Участники
Сообщений: 382
Добавлено: 11-12-2018 17:17
И еще печальнее, что наши собственные запасы ждет такая-же судьба-передать наследство некому


Вот по-этому я ничего и не собираю. Хватает фото из "интернета". Раньше я тоже хотел, даже начал собирать ГРИ, а потом... У нас в доме жил мужик, собирал спортивные кубки (если помните раньше в любом спортзале школы стояли такие в ряд). У него в квартире все стены были в полках с этими кубками. А потом лет 5 назад он помер. Квартира досталась наследникам, брату, или типа того. Он там затеял ремонт (чтоб сдавать как потом выяснилось). К дому привезли строительный контейнер и рабочие без разбору все имущество скопом выкинули туда. Я именно после этого тоже долго думал... вобщем решил ничего не собирать.
А чтоб не заканчивать пост на такой грустной ноте, выложу кучку плат, которые нашел уже очень давно, да руки не доходили выложить. Хоть они "Из-за бугра", но довольно интересные и по-моему тут более уместны. Если кто опознает, тоже будет интересно от чего.
Короче платы судя по всему немецкие (ФРГ), середина 70-х. Причем видимо было 2 одинаковых прибора, но с разницей в несколько лет. На ранних у всех плат дорожки полностью позолочены (даже под зеленой маской), а у более молодых позолочены только контакты под разъем, да и только те, что используются.
mains correction

load reduction switch

interlock

operating modes

у релюх в железном кожухе контакты подозрительно желтые

amplimat adaption

kv selection

supervision

supervisory timer

KV converter

converter fil circuit

chamber selector

density selector

timing elements

relay card

знающий
Группа: Участники
Сообщений: 446
Добавлено: 11-12-2018 21:13
kubos schwaerzungswaehler.... занятное слово... селектор затемнения... эти платы от хитрого ренгеновского аппрата.

Вот патент

https://inis.iaea.org/collection/NCLCollectionStore/_Public/10/484/10484712.pdf

KV Umsetzer - переключатель высокого напряжения. Это только усиливает догадку. все эти платы обслуживали рентгеновскую трубку.

Интересные сименсовские помехоустойчивые логические микросхемы - FZH серии, типа наших К511

гигант мысли
Группа: Участники
Сообщений: 4411
Добавлено: 12-12-2018 01:48

Логично, P/N 4512-107....

https://parts.blockimaging.com/r-f-room/philips-r-f-room/philips-super-80-cp-r-f-room/

гигант мысли
Группа: Участники
Сообщений: 5744
Добавлено: 12-12-2018 13:40
Еще всякие платки




знающий
Группа: Участники
Сообщений: 382
Добавлено: 12-12-2018 14:49
Slowolitus Pedro - спасибо. Понятно, в общем медицина. Рентген/флюорография.

гигант мысли
Группа: Участники
Сообщений: 5744
Добавлено: 17-12-2018 01:00
И еще платки



Видимо что-то болгарское:


знающий
Группа: Участники
Сообщений: 345
Добавлено: 17-12-2018 02:51

Видимо что-то болгарское:



это ТЭЗ от больших ЕС ЭВМ. если там написано "АПxxxx" (цифру не видно на плате с этого ракурса), то тогда абонентский пункт для ЕС.

вошел во вкус
Группа: Участники
Сообщений: 286
Добавлено: 17-12-2018 21:59

Видимо что-то болгарское:


Четырехканальный линейный стабилизатор напряжения. Регулирующие транзисторы располагались за пределами платы.

мастер
Группа: Участники
Сообщений: 956
Добавлено: 19-12-2018 15:52
И еще печальнее, что наши собственные запасы ждет такая-же судьба-передать наследство некому

И че это случилось с людьми ,и можно ли изменить?

Гость
Добавлено: 19-12-2018 17:08
Вы имеете ввиду мои запасы? С удовольствием поделился-бы при условии самовывоза.
А про людей все без трагедий. Сын выбрал другой инструментарий-хирургический. Зятек, тот вообще гуманитарий. Поискал клуб или кружок или, на худой конец, просто нуждающихся- безуспешно. Вот и выходит, что после меня запасы на свалку

мастер
Группа: Участники
Сообщений: 956
Добавлено: 19-12-2018 21:17
Нет,я в философском смысле
В последние годы захлестнула очередная шизофрения наше замечательное народонаселение. Тотально все выкидывать.
Вот ко мне приходят порой просить сопротивление,там или
диод какой. Я назло не даю.спрашиваю,у тебя старый телевизор
на чердаке стоял? стоял. Он есть просил? не просил. Выкинул.
Вот проси теперь у своего фэншуя диоды и транзисторы.

администратор
Группа: Администраторы
Сообщений: 8045
Добавлено: 20-12-2018 08:47
Нет,я в философском смысле
В последние годы захлестнула очередная шизофрения наше замечательное народонаселение. Тотально все выкидывать.
Вот ко мне приходят порой просить сопротивление,там или
диод какой. Я назло не даю.спрашиваю,у тебя старый телевизор
на чердаке стоял? стоял. Он есть просил? не просил. Выкинул.
Вот проси теперь у своего фэншуя диоды и транзисторы.

Однакооо...

администратор
Группа: Администраторы
Сообщений: 8045
Добавлено: 20-12-2018 08:50
Вы имеете ввиду мои запасы? С удовольствием поделился-бы при условии самовывоза.

А Вы где находитесь территориально?

Гость
Добавлено: 20-12-2018 12:23
А Вы где находитесь территориально?


г Абинск, недалеко от г.Крымска или между Краснодаром и Новороссийском

мастер
Группа: Участники
Сообщений: 956
Добавлено: 20-12-2018 12:58
Абинск.пару сотен километров от меня. Да...
Не обязательно радиодетали,выкидывают болты-гайки,
обрезки уголков,труб,фанеру и т.д. Мания,мода такая,понимаешь.Феншуй,мать его так.
А если видят еще что из под стола выглядывает у тебя корпус полуразобранного
прибора или еше чего,смотрят на тебя с глумливой ухмылкой,намекая на собственное
превосходство.

вошел во вкус
Группа: Участники
Сообщений: 242
Добавлено: 20-12-2018 13:20
Если бы ничего не выбрасывали, тогда чего бы мы тут обсуждали? :-)))

гигант мысли
Группа: Участники
Сообщений: 4878
Добавлено: 20-12-2018 15:53
В кулацком хозяйстве и пулемет не помеха...

администратор
Группа: Администраторы
Сообщений: 8045
Добавлено: 20-12-2018 20:02
В кулацком хозяйстве и пулемет не помеха...


Неее... Эта поговорка звучит не так...

"В кулацком хозяйстве и бычий хуй - верёвка.

гигант мысли
Группа: Участники
Сообщений: 6778
Добавлено: 20-12-2018 20:20
Ай-аяй-аяй! ...

мастер
Группа: Участники
Сообщений: 956
Добавлено: 20-12-2018 20:36
Выбрасывается просто для того чтобы выбросить.Это самоцель. Это в последние годы помешательство накрыло.Вот приносят
в ремонт телевизор жк. Без подставки. На вопрос где подставка,
следует ответ что он у нас на стенке висит.Но мне надо чтобы доступ
был и с зади и спереди для ремонта.прислонить к стенке,чертовски
неудобно.Прошу,вы уж поищите пожалуйста дома,потом подвезете.
После Звонят ,та мы скорей всего выкинули ее,нет нигде.Маленькая
аккуратная черная ножка,вот чем она мешала? Вдруг завтра надумаете
поставить на стол в другую комнату.Лучше мне бы подарили,в конце концов
потому как частенько привозят без подставок. Не помешала бы коллекция ножек.
Это маразм. реально маразм.

магистр
Группа: Участники
Сообщений: 1411
Добавлено: 20-12-2018 21:48
...кому бриллианты мелкие, а кому щи пресные....
...проблема отсутствия инструментария у мастера это исключительно его проблема, а ежели я подставку под тв выбросил, а она мне вдруг понадобится, не обломаюсь и куплю ещё раз, в том числе и у того же мастера... ...А деньги...так они для того и деньги, чтобы их тратить....А хлам, чтобы его выбрасывать....просто понятия хлама у всех разные...(см. первое предложение).
...когда я разбираю/ремонтирую/собираю например осциллограф или какую-либо электронику, да и вообще, процесс сборки некоего поделия, для меня важен каждый винтик и кембрик на проводе, когда я разбираю заводской производственный корпус, для меня хлам это в принципе приборы ниже определенного класса, включая их содержимое по дм, их мне даже трогать лень

мастер
Группа: Участники
Сообщений: 956
Добавлено: 20-12-2018 22:55
А че они тогда ко мне ходят за каждой деталькой.?
Они ,значит,такие чистюли,фэншуй,понимаешь, и все дела.
А я старьевщик,и вообще лошара должен хранить это для них,
и выдавать когда им понадобится ,пусть даже за некоторую плату, и смотрят при этом свысока.
Вот я и плачу им той же монетой . Выкинули свой хлам ,ваша проблема.Разве это не справедливо?

знающий
Группа: Участники
Сообщений: 446
Добавлено: 20-12-2018 23:28
Главный колбасист,я себе давно сварил вот такую раздвижную подставку под телевизор, и мне стало пофигу с ножкой приносят или без...




А людям скорее всего искать лень поэтому выдают стандартную отмазку - выкинули.
Если бы видели что и в каком количестве немчура выкидывает на помойки... Я давно не хожу на них потому что реально становится дурно и плохо сердцем. Однажды узрел 30 кубовый контейнер полный! ЖК телевизоров и компов в том числе ноутов... и так в каждом городе. Некоторые искренне убеждены что электроника это такая штука которая в принципе не поддается ремонту,такой менталитет... Поэтому все сразу идет на свалку. Да и такой услуги как ремонт телевизоров нет вообще, от слова абсолютно...

мастер
Группа: Участники
Сообщений: 888
Добавлено: 20-12-2018 23:57
А че они тогда ко мне ходят за каждой деталькой.?
Они ,значит,такие чистюли,фэншуй,понимаешь, и все дела.
А я старьевщик,и вообще лошара должен хранить это для них,
и выдавать когда им понадобится ,пусть даже за некоторую плату, и смотрят при этом свысока.

Странно как-то. У тех, кто знает, как и куда эти детальки впаять, как правило, есть и сами детальки, и знание о том, в каком магазине их, если понадобится, купить можно.
А у тех, у кого нет ни навыков, ни знаний, потребности в детальках, обычно не возникает. Они просто обращаются с просьбой отремонтировать погоревшую технику.

А людям скорее всего искать лень поэтому выдают стандартную отмазку - выкинули.
Зачастую то, что не используется сразу, народ в самом деле вместе с упаковкой выкидывает. В те времена, когда интернет был далеко не везде, была вечная проблема: приносят системник, переустановить винду, а дисков с дровами нет. "А мы их выкинули, он же и без них работал."
Зато шнур питания обязательно вместе с системником приносят, хотя заранее предупреждаешь, что ничего, кроме самого системника не надо, всё есть.

гигант мысли
Группа: Участники
Сообщений: 6778
Добавлено: 21-12-2018 01:16
А я всё-равно периодически что-то выбрасываю, что долго хранилось с целью "а вдруг понадобиться". Иначе квартира сама в свалку превратится ...

гигант мысли
Группа: Участники
Сообщений: 7902
Добавлено: 21-12-2018 06:36
я относительно недавно был вынужден по тому же соображению очистить свой подвал - пару лет тому назад воры взломали подряд 5-7 кладовок, в том числе и мою. Мой отец тоже имел привычку собирать все что пригодится и даже в относительно новом доме за 25 лет накопилось много барахла (в старом доме подвал был куда интересней..) - ворьё все перевернуло, - алюминиевые и даже латунные части не взяли, а вот все что было медное и многое радиоэлектронное - украли. Пришлось убрать из подвала почти все, ибо как потом оказалось, лучше чтоб вор воочию видел, что внутри почти ничего нет (у меня двери там не сплошные..), чем повесить табличку с той же информацией..

мастер
Группа: Участники
Сообщений: 627
Добавлено: 21-12-2018 09:59
, чем повесить табличку с той же информацией..

Не помню уже где читал про то как один гражданин повесил табличку на входе в свою квартиру пишу по памяти))
"Если вы хотите проникнуть в мою квартиру с целю найти в ней хоть что нибудь ценное то смело стучитесь или просто входите в любое время дня и ночи я охотно помогу вам в поиске"

мастер
Группа: Участники
Сообщений: 713
Добавлено: 21-12-2018 22:49
у меня двери там не сплошные.

У меня сплошные и сигнализация стоит примерно с 89 года.Ломать пытались 3 или 4 раза,потом убегали очень быстро,роняя инструменты и даже собственный кал.Реальный случай,случайно потом узнал.Залезли два пацана как загудело моментально пробежали весь дом через техкоридор и только потом один из них почувствовал непорядок в штанах.Интересно,как он потом дома это объяснил.А потом на все подъезды поставили железные двери и заделали окна и проблемы с воришками отпали.Но сигнализация всё равно на боевом дежурстве.Ещё моя самодельная сигнализация спасла квартиру сестры,когда она была в отъезде.Да,лучший материал для дверей подвала- это доски от подоконников которые иногда выбрасывают при ремонте.

гигант мысли
Группа: Участники
Сообщений: 7902
Добавлено: 21-12-2018 23:35
ну, у меня воры доски не сломали - эти доски добротные, да и еще укрепленные планками из стали.. Воры выломали всю дверную раму вместе с дверьми с толстезной колодкой на них.. Кстати так поступили и со всеми прочими, что я упомянул..

PS - извиняюсь за небольшой флудик или оффтопик вернее..

магистр
Группа: Участники
Сообщений: 1411
Добавлено: 22-12-2018 11:47
Сигнализация, это да........особенно самодельная, когда хрен его знает какие там сюрпризы автором предусмотрены.....сколько моей крови и нервов по заводам, кб и нии нашей необъятной страны за всю жизнь ею выпито....но зато честно. На моем складе-лаборатории, переделанном из бомбоубежища, естественно тоже есть, самодельная, защита от таких же как я, так сказать, от коллег по цеху. Пока не подводила. Т.е. прецедентов не было. Ну там дверь очень надо постараться открыть, не то чтобы сломать.
Тоже, сорри за оффтоп.

вошел во вкус
Группа: Участники
Сообщений: 242
Добавлено: 22-12-2018 15:23
Ну там дверь очень надо постараться открыть, не то чтобы сломать.

Такую дверь по-моему вообще сломать невозможно.

магистр
Группа: Участники
Сообщений: 1411
Добавлено: 22-12-2018 16:33
...нет предела совершенству, а я смог её сломать....сталь 10мм толщиной, петли соответствующие и все бы ничего но....так сказать, культура производства, допуски и посадки. Дверь на верхней петле висела криво относительно нижней и всё это небольшое безобразие убиралось за счёт толщины уплотнителя. А дверь тяжелая. И однажды сильно хлопнул дверью, петля треснула.... ...но не упала, надёжность все-таки...пришлось менять всю дверь конечно . Поставили по новодел, правда по отдельному заказу так сказать....

мастер
Группа: Участники
Сообщений: 956
Добавлено: 23-12-2018 19:58
Вообще то совсем о другом собирался,почему никому ничего не нужно,и о деградирующем обществе.И можно ли это изменить. А не о поломанных кладовках.
Нету ни к чему интересу кроме денег ,безделья и удовольствий.
Я даже догадываюсь,почему они весь хлам подчистую выгребают на свалку. Чтобы проходя
ненароком мимо какой нибудь дощечки ,не посетила мысль,грешным делом,что можно из нее
че нибудь выстругать,смастерить ,одним словом.Нет хлама,нет проблемы.
Если копнуть глубже,в подсознание.
Гораздо комфортнее лежать на диване перед зомбоящиком с банкой пива или без оной.
з.ы. А за конструкцию подставки спасибо, возьму на заметку.

гигант мысли
Группа: Участники
Сообщений: 6778
Добавлено: 23-12-2018 20:30
Да, грустно всё это ...

вошел во вкус
Группа: Участники
Сообщений: 286
Добавлено: 25-12-2018 02:39
Когда всё можно купить, мало у кого возникает желание что-то смастерить. И кроме того, технология, доступная простому радиолюбителю. безнадежно отстала от промышленной электроники, и радиолюбителям за ней не угнаться. Чтобы сделать что-то современное, некоторые осваивают программирование готовых изделий (например, кастомные прошивки смартфонов). Единственное, где еще можно проявить себя- это источники питания, аудиотехника, и всякая периферия к компьютерной технике, типа 3D принтеров. И большинство современной электроники имеет в себе микроконтроллеры, что подразумевает их программирование. Не всякий потенциальный радиолюбитель-самодельщик согласится сидеть часами, и даже сутками за написанием и отладкой программ, или неоднократно пытаться заставить работать готовый бинарник, скачанный в интернете.

мастер
Группа: Участники
Сообщений: 773
Добавлено: 25-12-2018 22:11
Предновогодние находки.


мастер
Группа: Участники
Сообщений: 713
Добавлено: 25-12-2018 22:19
Плата с многоконтурным ФСС от железнодорожной радиостанции.Видны следы ремонта-замена конденсаторов.

мастер
Группа: Участники
Сообщений: 773
Добавлено: 27-12-2018 16:21
находки.

вошел во вкус
Группа: Участники
Сообщений: 112
Добавлено: 27-12-2018 16:37
Кто-то все правильно сделал - зомбоящик выкинул, да и букет туда же.

гигант мысли
Группа: Участники
Сообщений: 5744
Добавлено: 28-12-2018 19:06
Некая уже подранная плата. Взял ради кварца в стекле


И очень странные древние фильтры 1956-57г! Или точнее наборы для сборки фильтров (наверное)... Где такие могли применяться - вообще идей нет...

Внешний вид:


Сначала даже не понял, где у них вывода.
Оказалось - небольшие металлические пятачки. Только не понятно, к ним паялись провода или прижимались контакты...


Открываем.
Внутри три контура в отдельных экранах и кварц!



вошел во вкус
Группа: Участники
Сообщений: 242
Добавлено: 28-12-2018 19:50

И очень странные древние фильтры 1956-57г! Или точнее наборы для сборки фильтров (наверное)... Где такие могли применяться - вообще идей нет...


Знакомая конструкция! Сейчас конечно уже не вспомню откуда я их выдрал, но экраны с контурами у меня до сих пор лежат в закромах. :-)

гигант мысли
Группа: Участники
Сообщений: 6778
Добавлено: 29-12-2018 06:14
Освежил чёрной краской плафон и основание, заменил тумблер и провод внутри трубки и вот:

Очень удобно пользоваться и приятный на ощупь шнур в х/б оплётке ...

гигант мысли
Группа: Участники
Сообщений: 6778
Добавлено: 30-12-2018 13:01
Прикольный ...При включении на табло горит 107,2МГц, на кнопки не реагирует., надо смотреть в чём дело:


гигант мысли
Группа: Участники
Сообщений: 5744
Добавлено: 30-12-2018 17:13
Кетайский мусор с подвала дяди ляо. Что тут можно найти прикольного - не понятно...

гигант мысли
Группа: Участники
Сообщений: 6778
Добавлено: 30-12-2018 17:18
Прикольный внешний вид - куча динамиков...
Что-то у Вас Александр настроение неважное, какой-то Вы злой сегодня ...

вошел во вкус
Группа: Участники
Сообщений: 237
Добавлено: 30-12-2018 19:16
Что-то у Вас Александр настроение неважное, какой-то Вы злой сегодня ...
Я сегодня тоже не из добряков!
Хватит из форума помойку делать. На-до-е-ло!

знающий
Группа: Участники
Сообщений: 443
Добавлено: 31-12-2018 01:20
А мне аппарат показался прикольным. Да и тема, вообще говоря, именно про помойки.

гигант мысли
Группа: Участники
Сообщений: 7902
Добавлено: 31-12-2018 08:33

как историк могу добавить, что например в археологии, свалки возле древних городов или поселений - весьма благодатные места многих интересных находок, которые иногда бавают ценнее золотых кладов на кладбищах..
Я недавно смотрел видео на ЮТубе где диггеры (или "сталкеры"..) пробрались на Байконур в заброшенные строения, в том числе тот где был корпус Бурана. В одной из комнат было навалено много техописаний - видимо изделий из комплекта корабля - это всё просто валялось в бардаке, в сыреющем помещении.. Тут пример, когда утащить нельзя - ибо воровство (територия космодрома то охраняемая..), да и публикация сканов наверно была б сопряжена с вероятным риском нарушить государственную тайну. В итоге - печальное зрелище, на фоне которого был снят момент впечатляющего запуска очередного "Союза"..
Дам ссылку, может кому то интересно https://youtu.be/5HebeCZwo08?t=1515

Гость
Добавлено: 31-12-2018 10:25
... Да и тема, вообще говоря, именно про помойки.


Вот именно.
Не нравится-не ешь (спрашивается чего пришел-то?)

гигант мысли
Группа: Участники
Сообщений: 6778
Добавлено: 31-12-2018 10:41
dottor , drapieznik, niko - ! ! !

гигант мысли
Группа: Участники
Сообщений: 5744
Добавлено: 31-12-2018 13:19
Тема может и про помойки, но форум в целом все-таки по ретро, а не по современному подвальному кетаю...

вошел во вкус
Группа: Участники
Сообщений: 237
Добавлено: 31-12-2018 14:13
как историк могу добавить, что например в археологии, свалки возле древних городов или поселений - весьма благодатные места…

Да-да-да! Только где артефакты древних, давно исчезнувших культур и цивилизаций, а где современный одноразовый кетайский мусор?
Да и не было в прошлом информационных технологий, потому и годятся для изучения истории в т.ч. и помойки.
Но зачем копаться в помойках современных? Зачем выискивать вчера купленное и сегодня выкинутое?! Перегоревшие лампочки, севшие батарейки, убитые "зарядки" и прочая, и проч… представляют какой-то интерес для господ историков?
Да даже если и так, то сегодня информационные технологии уже есть и посещать реальную помойку нет никакой нужды, достаточно и виртуальной (она и не воняет, и артефакты в первозданном виде, и ходить никуда не надо)…

PS. А форум и в самом деле посвящен ретро…

гигант мысли
Группа: Участники
Сообщений: 7902
Добавлено: 31-12-2018 16:39
вы слишком идеализируете форум - касательно его тематических рамок, а что касается самой темы - "находки на свалке" - то здесь помойка всего лишь почти синоним. Один раз человек находит то что ищут определенные вожделенцы в этой теме - жёлтое или "зелёное", другой раз поднимает то что ему может пригодится, а поскольку он постоянный участник темы, то ему одну чертовую лампу можна простить, тем более в канун нового года - зачем одевать на себя полномочия как бы Торвквемады и яростно бороться за ... "чистоту" свалочной темы.. Господа, колллеги - отпустите.. Касательно ценностей - вспомнилась фраза из фильма об Индиане Джонсе, где один его французский соперник утешает: "сегодня ваши часы стоят мало, но через тысячу лет они станут бесценными.." - вряд ли конечно китайская лампа столь долго пролежит, но главное её практическая ценность в определенном случае и для конкретного человека. Стоит ли продолжать диспут касательно, что на помойке или свалке ценное или не ценное - главное что здесь просто каждый имеет право поделится новостью о найденом - вот такое настроение у человека, - зачем его инквизировать - он ведь не целую страницу занял китайскими лампами..


вошел во вкус
Группа: Участники
Сообщений: 237
Добавлено: 31-12-2018 17:18
Да ладно вам, drapieznik, какая еще нафих "яростная борьба", какая "инквизиция", не драматизируйте! Люди просто высказывают свое мнение, напоминают тематику форума…
Ну… картофельные очистки и луковая шелуха тоже на помойках водятся… Сюда не фсе нести следует….

PS. Простите, не понял, какие-такие "китайские лампы" вы несколько раз упоминаете?

вошел во вкус
Группа: Участники
Сообщений: 243
Добавлено: 31-12-2018 18:26

видимо изделий из комплекта корабля - это всё просто валялось в бардаке, в сыреющем помещении.. Тут пример, когда утащить нельзя - ибо воровство (територия космодрома то охраняемая..), да и публикация сканов наверно была б сопряжена с вероятным риском нарушить государственную тайну.

Там не на корабли, документация, а на сооружения МЗК. И без грифа оно, но народ сувениры там иного рода набирает.

администратор
Группа: Администраторы
Сообщений: 8045
Добавлено: 31-12-2018 18:51
Давайте на этом и закончим дискуссию на тему надо или не надо показывать в этой теме те или иные находки. Решение об этом принимает сам счастливый обладатель той или иной находки. Естественно, в пределах тематики форума (т.е. относящееся к словам "электро" и "радио"). Тема именно для этого и создана.
Остальные темы от этого не страдают, наоборот, не засоряются.

гигант мысли
Группа: Участники
Сообщений: 5744
Добавлено: 16-01-2019 19:39
Разный хламец

Гость
Добавлено: 26-01-2019 19:32
И на моей улице случился праздник - еле допер - но допер

Встречайте микшерский пульт от комплекса "Эстрада-101"

К нему еще должен быть 4х канальный УНЧ в виде стойки для пульта и 4 огроменные колонки. Не считая пары чемоданов разнообразных кабелей и 4 микрофона со стойками, если склероз не изменяет).



Тяжелый, аки смерть коммуниста.

Что-то в районе ревербератора сильно грелось....



Что привело с полному испарению последнего из пределов корпуса....





Сколько-ж труда вложено. Крррасота - как говорила та ворона.



А вот что с ним теперь делать не ведаю - места он занимает на треть хламовника, а в связи с потрепанным видом внешним, да отсутствие ревербератора - неясно что с ним делать.

гигант мысли
Группа: Участники
Сообщений: 5744
Добавлено: 28-01-2019 19:44
Плата управления микроволновой печью Электроника СП-23.



(Реле РЭС-10 кто-то выдрал до меня)

Управляющий контроллер КР145ИК1807, ПЗУ с прошивкой КР145РЕ2-0003, управление ВЛИ через К161ПР2, генератор тактов для контроллера - К165ГФ2.

мастер
Группа: Участники
Сообщений: 501
Добавлено: 29-01-2019 15:31
Плата управления микроволновой печью Электроника СП-23.

Эх... Недавно самодельные часы упали с полки и разбился такой ИЛЦЗ-4/7.

знающий
Группа: Участники
Сообщений: 352
Добавлено: 31-01-2019 02:32
Пару лет назад видел у нас на радиорынке штук двадцать таких индикаторов...

гигант мысли
Группа: Участники
Сообщений: 5744
Добавлено: 18-02-2019 20:11
Ну очень злой макет некого скорее всего переключаемого фильтра

гигант мысли
Группа: Участники
Сообщений: 6778
Добавлено: 18-02-2019 21:31
Чашки карбонильное железо?

гроссмейстер
Группа: Участники
Сообщений: 1120
Добавлено: 18-02-2019 22:42
Плата управления микроволновой печью Электроника СП-23.


Все хочу попробовать запрограммировать что-нибудь для К145ИК1807

магистр
Группа: Участники
Сообщений: 1411
Добавлено: 19-02-2019 09:48
Ну очень злой макет некого скорее всего переключаемого фильтра

...Интересна механика переключателя... Не было его или остатков ? С использованием реле тут решили не заморачиваться...

гигант мысли
Группа: Участники
Сообщений: 5744
Добавлено: 19-02-2019 13:49
Чашки карбонильное железо?

Маркировка стоит МР-2-VII 69.
К сожалению, я не знаю, что это за материал...

Ув. Чёрный сталкер , ничего кроме платы не было...

магистр
Группа: Участники
Сообщений: 1411
Добавлено: 19-02-2019 14:20
Карбонильное железо вроде бы.... VII-69 дата изготовления

мастер
Группа: Участники
Сообщений: 813
Добавлено: 19-02-2019 15:49
Маркировка стоит МР-2-VII 69.
К сожалению, я не знаю, что это за материал...

М - магнитодиэлектрик, Р - карбонильное железо, 2 - видимо рабочий диапазон частот(в МГц), в справочниках есть только 10 и 20 МГц, но в 69-м году возможно было и 2 МГц.

гигант мысли
Группа: Участники
Сообщений: 6778
Добавлено: 19-02-2019 16:22
Карбонильное железо вроде бы.... VII-69 дата изготовления

Да вроде по цвету подходит...

гигант мысли
Группа: Участники
Сообщений: 5744
Добавлено: 24-02-2019 13:49
Очень странный кабель с очень необычными коаксиальными разъемами...

магистр
Группа: Участники
Сообщений: 1411
Добавлено: 24-02-2019 14:08
Ремкабель для ч6-31. В старых выпусках (до 82г.) разъёмы желтые

гигант мысли
Группа: Участники
Сообщений: 5744
Добавлено: 01-03-2019 20:07
ПИЛП1-0,5 с Двухкоординатного Измерительного Прибора ДИП-1.
Если правильно понимаю - прецизионный преобразователь линейных перемещений, работающий на оптическом дифракционном принципе.

Вид снаружи:


И внутри:


Весьма сложный оптический блок в нем.
4 фотодиода, ИК светодиод (скорее всего АЛ107) и сложная система линз + дифракционная решетка, что видна на фотках снаружи спереди.

гигант мысли
Группа: Участники
Сообщений: 5744
Добавлено: 16-03-2019 00:47
Блочок...
133ЛА11 показалась интересной и вроде нечастой...



мастер
Группа: Участники
Сообщений: 810
Добавлено: 16-03-2019 18:25
Всегда удивляло вроде инженеры с высшим образованием.А тут физмка седьмой класс.Нах покрывать лаком радиаторы?
Что нельзя их потом прикрутить после пролачивания платы.

мастер
Группа: Участники
Сообщений: 810
Добавлено: 16-03-2019 18:26
Оптический блочок умер?

Всегда удивляло вроде инженеры с высшим образованием.А тут физмка седьмой класс.Нах покрывать лаком радиаторы?
Что нельзя их потом прикрутить после пролачивания платы.

магистр тайных сил
Группа: Участники
Сообщений: 1557
Добавлено: 16-03-2019 19:10

Всегда удивляло вроде инженеры с высшим образованием.А тут физмка седьмой класс.Нах покрывать лаком радиаторы?
Что нельзя их потом прикрутить после пролачивания платы.

Тропическое исполнение. Все покрывается лаком

мастер
Группа: Участники
Сообщений: 813
Добавлено: 16-03-2019 19:48
Нах покрывать лаком радиаторы?
Что нельзя их потом прикрутить после пролачивания платы.

Лак ложится неровно и поэтому радиаторы встанут с перекосом.
Плюс лак является дополнительным креплением к плате.
Лакировка может быть учтена при расчете рассеиваемой мощности, но влияние не велико.

гигант мысли
Группа: Участники
Сообщений: 5744
Добавлено: 17-03-2019 00:05
Оптический блочок умер?

Если вас что-то интересует из разобранного блока или такой блок целиком, почта в профиле...

гигант мысли
Группа: Участники
Сообщений: 6778
Добавлено: 01-04-2019 20:50
Что-то от бытовухи:


гигант мысли
Группа: Участники
Сообщений: 5744
Добавлено: 01-04-2019 20:54
Остатки электросчетчика?

гигант мысли
Группа: Участники
Сообщений: 6778
Добавлено: 01-04-2019 20:56
Да я не знаю, может кто здесь подскажет...

магистр
Группа: Участники
Сообщений: 1411
Добавлено: 01-04-2019 21:33
Трёхфазный счётчик Меркурий. Модель увы не скажу...

гигант мысли
Группа: Участники
Сообщений: 6778
Добавлено: 01-04-2019 21:37
Спасибо Дмитрий! Да и этой информации достаточно, чтобы в следующий раз знать, если что...

мастер
Группа: Участники
Сообщений: 773
Добавлено: 02-04-2019 12:41
Трёхфазный счётчик. Модель ПСЧ-4

гигант мысли
Группа: Участники
Сообщений: 5744
Добавлено: 05-04-2019 19:12
Предположительно плата от некого нашего древнего электросчетчика:

мастер
Группа: Участники
Сообщений: 773
Добавлено: 17-04-2019 19:08
Находки.


[/url]

мастер
Группа: Участники
Сообщений: 537
Добавлено: 23-04-2019 20:20
Немного интересных, на мой взгляд, стареньких элементов найденных в хламовнике-свалке (не у себя):



реле РМУГ со схемой и приемкой:



реле 8Э12 с прикольным механизмом. Сразу и не разобрался в названии:



Останки какого-то вибропреобразователя:



И несколько стареньких конденсаторов:


гигант мысли
Группа: Участники
Сообщений: 5744
Добавлено: 02-05-2019 00:41
Остаток некой платы с почти сотней (!) СП5-16.
От чего - неизвестно, но изделие наверное было адом для регулировщика


магистр
Группа: Участники
Сообщений: 1411
Добавлено: 02-05-2019 01:17
Возможно
Очень похоже на настроечную панель некоторых активных ФНЧ/ФВЧ. Кстати, вполне прослеживается 10 полос фильтра

гигант мысли
Группа: Участники
Сообщений: 7902
Добавлено: 02-05-2019 18:18
похоже на настроечную панель некоторых активных ФНЧ/ФВЧ


Код организации-разработчика "НВИТ" при поиске в нете приводит к изделиям беларусского КБ "Дисплей"

мастер
Группа: Участники
Сообщений: 790
Добавлено: 02-05-2019 20:32
Остаток некой платы с почти сотней (!) СП5-16.
От чего - неизвестно, но изделие наверное было адом для регулировщика


похоже на настроечную панель некоторых активных ФНЧ/ФВЧ


Код организации-разработчика "НВИТ" при поиске в нете приводит к изделиям беларусского КБ "Дисплей"

А если глянуть вот сюда - http://www.rw6ase. _siek13.html, то можно сделать вывод, что обломок на фото lalka - был частью старшего или младшего "брата", изделия представленного по ссылке! )

гигант мысли
Группа: Участники
Сообщений: 6778
Добавлено: 06-05-2019 21:19
ИШИМ:



гигант мысли
Группа: Участники
Сообщений: 5744
Добавлено: 07-05-2019 00:40
Вроде как начинка генератора Гиацинт.
Корпус кто-то снял, но внутри кажись все цело

магистр
Группа: Участники
Сообщений: 1411
Добавлено: 07-05-2019 07:49
Да, это Гиацинт

гигант мысли
Группа: Участники
Сообщений: 6778
Добавлено: 07-05-2019 21:05
Когда-то Гиацинтов было навалом, после утилизации приборов... Кожухи от них использовал как декоративные экраны:

А стаканчики использовали по прямому назначению - после охлаждения в морозилке в них напитки долго оставались холодными ...

мастер
Группа: Участники
Сообщений: 810
Добавлено: 07-05-2019 21:45
Вроде как начинка генератора Гиацинт.
Корпус кто-то снял, но внутри кажись все цело

Будет востановлен или под нож?

гигант мысли
Группа: Участники
Сообщений: 5744
Добавлено: 08-05-2019 00:10
Мне он как изделие точно не нужен, значит...
Если вам нужно как изделие - пишите на почту в профиле.

пришел поспрашивать
Группа: Участники
Сообщений: 12
Добавлено: 10-05-2019 16:36
Что за панорама? Фото с форума

гигант мысли
Группа: Участники
Сообщений: 5744
Добавлено: 16-05-2019 18:34
Сменный модуль к большому принтеру от HP.
Не очень понимаю его назначение...


мастер
Группа: Участники
Сообщений: 813
Добавлено: 16-05-2019 18:46
Сменный модуль к большому принтеру от HP.
Не очень понимаю его назначение...

Модуль расширения с HP-GL2 для принтера, эдакий сопроцессор.
На ебэй стоит от 5т.р. :)

знающий
Группа: Участники
Сообщений: 446
Добавлено: 16-05-2019 18:49
lalka Имел с ним дело. Часто накрывается, стоит бешенных денег а главное принтер прекрасно без него работает. Имхо он нужен для высасывания бабла из клиентов

гигант мысли
Группа: Участники
Сообщений: 5744
Добавлено: 16-05-2019 18:52
Раз некий модуль сопроцессора, то его назначение - ускорение работы принтера, да?
Можно ли в принципе попробовать его где-нибудь слить или в помойку?

администратор
Группа: Администраторы
Сообщений: 8045
Добавлено: 16-05-2019 19:44
Раз некий модуль сопроцессора, то его назначение - ускорение работы принтера, да?
Можно ли в принципе попробовать его где-нибудь слить или в помойку?

На "Полигон призраков" попробуй отправить. Если цену не задирать или на обмен, то, возможно, заинтересуются.

гигант мысли
Группа: Участники
Сообщений: 5744
Добавлено: 24-05-2019 20:31
Блок Формирования Электрического Разряда - БФЭР АРБМ3.553.001 1984г, по логотипу, думаю, более знающие подскажут


Начинка.
ВВ трансформатор оказался любопытной конструкции...




Судя по электродам и тому, что было в ящике с ним (тяжелая станина (если можно так назвать) с лампочкой подсветки на гибкой ножке и небольшой одноглазый микроскоп (на фото нету)),

предположу, что прибор использовался для сварки/разварки компонентов/проводников например в микросборках. Если кто знает точнее - буду благодарен за информацию!

гигант мысли
Группа: Участники
Сообщений: 4411
Добавлено: 24-05-2019 22:03
Для сварки оптического волокна

гигант мысли
Группа: Участники
Сообщений: 5744
Добавлено: 25-05-2019 01:02
Ого, неожиданно!
Спасибо за информацию!

гигант мысли
Группа: Участники
Сообщений: 5744
Добавлено: 03-06-2019 20:34
Хламец по мелочи...

гигант мысли
Группа: Участники
Сообщений: 6778
Добавлено: 03-06-2019 23:31
А что за стекляшки внизу (красная-зелёная-красная)?

гигант мысли
Группа: Участники
Сообщений: 5744
Добавлено: 03-06-2019 23:54
http://155la3.ru/kvm.htm

гигант мысли
Группа: Участники
Сообщений: 6778
Добавлено: 03-06-2019 23:59
Спасибо Александр...
Так и думал, что высокоомные резисторы, но подстраховался вопросом "для пущей убедительности"...

гигант мысли
Группа: Участники
Сообщений: 6778
Добавлено: 06-06-2019 21:20
Первый раз попалась печатная плата из фторопласта Е(В?)Х7.102.530

Тоже фторопласт, от какого-то делителя:


гигант мысли
Группа: Участники
Сообщений: 6778
Добавлено: 12-06-2019 09:14
От счётчика купюр:


мастер
Группа: Участники
Сообщений: 888
Добавлено: 13-08-2019 21:23
Попался вот такой программный автомат (электромеханический таймер) от польской стиральной машины 70-х годов прошлого века PREDOM POLAR PS 663 BIO:

Устройство:

гигант мысли
Группа: Участники
Сообщений: 6778
Добавлено: 17-09-2019 21:25
Плата с КР556РТ5:

И с конденсаторами КСГ-1-Г и КСГ-2-Г:

зашел на огонёк
Группа: Участники
Сообщений: 6
Добавлено: 17-09-2019 22:18
Первый раз попалась печатная плата из фторопласта Е(В?)Х7.102.530
Электрометрическая лампа ЭМ-10, 6С51Н и 6Д6А (последние сняты)

Входной усилитель от вакууметра ВИТ-3

знающий
Группа: Участники
Сообщений: 382
Добавлено: 20-09-2019 17:18
Хотел в авто тему, но там только "наше"... Пусть будет тут. Любопытная безделица (в прямом смысле) попалась - защитник от ржавчины...



Открываем... а внутри не неонка, а целый двухцветный светодиод с мигалкой



гигант мысли
Группа: Участники
Сообщений: 6778
Добавлено: 24-09-2019 19:53
Показались интересными К190КТ1П:

И здесь же 2П302:

гигант мысли
Группа: Участники
Сообщений: 6778
Добавлено: 25-09-2019 19:30
И такая плата, здесь приглянулась К589ИК14:

гигант мысли
Группа: Участники
Сообщений: 5744
Добавлено: 06-10-2019 00:00
Серверная материнская плата HP примерно 10-11 летней давности:


Понравились полевички в системе питания процессора и маленький модулек некого DC-DC преобразователя:


И просто слоновый советский сетевой фильтр!


Конденсаторы стоят КБП-Ф 1мкФ 500В 40А:

вошел во вкус
Группа: Участники
Сообщений: 233
Добавлено: 06-10-2019 02:23

И просто слоновый советский сетевой фильтр!


Конденсаторы стоят КБП-Ф 1мкФ 500В 40А:

Аналогичное устройство у серии фильтров ФП, часто использовались в устройствах больших эвм серии ЕС.

гигант мысли
Группа: Участники
Сообщений: 5744
Добавлено: 20-10-2019 00:04
Блок фильтров 9.


И правда - две платы многозвенных низкочастотных LC-фильтров с коммутацией с помощью реле


мастер
Группа: Участники
Сообщений: 956
Добавлено: 30-10-2019 21:50

То что ниже,не совсем новое.Лет пятнадцать используется как блок питания с током 15а. и выше.То что ниже, холодильник СКАНИЯ с компрессионным мотором с преобразователем частоты в 24в. ,три фазы .с током потребления 10а. и выше

знающий
Группа: Участники
Сообщений: 337
Добавлено: 31-10-2019 21:42
Клавиатура электронная

знающий
Группа: Участники
Сообщений: 337
Добавлено: 31-10-2019 21:44
Машина для счёта денежных билетов и ценных бумаг СМ-1 Сарапульский радиозавод

знающий
Группа: Участники
Сообщений: 345
Добавлено: 31-10-2019 21:46
Клавиатура электронная

от Искра 1031

магистр
Группа: Участники
Сообщений: 1411
Добавлено: 31-10-2019 22:36
Блок фильтров 9.

Весьма похоже, один из сменников к осциллографу с7-16. Редкая штука.

вошел во вкус
Группа: Участники
Сообщений: 242
Добавлено: 31-10-2019 22:37
Клавиатура электронная

от Искра 1031

В 1990 году, если не ошибаюсь, покупал такую машинку на свою контору. Потом она много лет успешно трудилась у нас заменяя мне в основном пишущую машинку.

вошел во вкус
Группа: Участники
Сообщений: 233
Добавлено: 01-11-2019 01:11
Клавиатура электронная

от Искра 1031
А также Искра-1030

знающий
Группа: Участники
Сообщений: 337
Добавлено: 06-11-2019 21:13
Генератор шума на АРС(?). Курсанты ХВВАУРЭ на базе КТ911А 3-1983г.в.

мастер
Группа: Участники
Сообщений: 532
Добавлено: 06-11-2019 23:35
Очень интересный генератор хаоса !

гигант мысли
Группа: Участники
Сообщений: 6778
Добавлено: 07-11-2019 00:12
Да уж, 6 транзисторов в параллель...

гигант мысли
Группа: Участники
Сообщений: 5744
Добавлено: 11-11-2019 00:37
Блок DVB-T модулятора фирмы Teamcast:


Коробочка


И некий навороченный сетевой фильтр с маркировкой АПТ000.0041 и неизвестным мне логотипом производителя:


вошел во вкус
Группа: Участники
Сообщений: 286
Добавлено: 20-11-2019 01:25
Увидел видео на Ютубе.
Здесь жил радиолюбитель, или радиомастер. Многое осталось...
Когда видишь такие заброшенные места с деталями, невольно задаешься вопросом о судьбе их прежнего хозяина. Может быть, он всего лишь бросил ненужное, забрал нужное, и на новом месте продолжает заниматься любимым делом. А может, он покинул наш мир, а его наследие оказалось нужным лишь сборщикам металлов.

гигант мысли
Группа: Участники
Сообщений: 7902
Добавлено: 20-11-2019 12:23
Блок DVB-T модулятора фирмы Teamcast:


Коробочка


И некий навороченный сетевой фильтр с маркировкой АПТ000.0041 и неизвестным мне логотипом производителя:



только у меня не открываются эти все превьюшки?.. - пробовал как на Хроме, так и на Опере через VPN... - Александр, пользуйтесь imgbb.com ...

гигант мысли
Группа: Участники
Сообщений: 4878
Добавлено: 20-11-2019 13:34
У меня нормально, без VPN, Firefox Opera Chrome

гигант мысли
Группа: Участники
Сообщений: 4878
Добавлено: 20-11-2019 13:42
Упс, сейчас недоступно, загрузить на ipic тоже не могу, сервер недоступен

гигант мысли
Группа: Участники
Сообщений: 7902
Добавлено: 20-11-2019 13:43

гигант мысли
Группа: Участники
Сообщений: 4878
Добавлено: 20-11-2019 13:44
Да, также выдает

гигант мысли
Группа: Участники
Сообщений: 7902
Добавлено: 20-11-2019 20:43
наконец под вечер фотки стали открываться..



lalka
.. неизвестным мне логотипом производителя


http://www.ic-info.ru/proizvoditeli/4247/
http://www.ukr-prom.com/firm-1204/


гигант мысли
Группа: Участники
Сообщений: 5744
Добавлено: 20-11-2019 20:47
Большое спасибо, ув. drapieznik !
Если еще когда-нибудь узнаем, откуда такой солидный фильтр может быть - совсем хорошо будет!

гигант мысли
Группа: Участники
Сообщений: 7902
Добавлено: 20-11-2019 21:01
Если верить данным Декстера и Родионова из их перечня номерных заводов СССР:



то можна предположить, что может это связано с изделиями радарной техники, о которых мои предыдущие ссылки по заводу умолчали...

Может здесь уже что то выложили по Каневскому заводу https://oboron-prom.ru/ - лично мне лень искать...

гигант мысли
Группа: Участники
Сообщений: 5744
Добавлено: 25-11-2019 19:52
SVP-02-SE - видеокорректор с гальванической развязкой:


За что тут просят 7 кусков - я не понял http://sector-sb.ru/catalog/videonabljudenie/videousiliteli_raspredeliteli/spetsvideoproekt-24
Типы микросхем затерты...

вошел во вкус
Группа: Участники
Сообщений: 286
Добавлено: 27-11-2019 00:04
SVP-02-SE - видеокорректор с гальванической развязкой:


За что тут просят 7 кусков - я не понял http://sector-sb.ru/catalog/videonabljudenie/videousiliteli_raspredeliteli/spetsvideoproekt-24
Типы микросхем затерты...

Типичная "кооперативная" поделка, только современная. Арендуют офис, и прямо там вручную паяют, могут еще и платы травить. И за это берут большие деньги, типа эксклюзивная вещь. Довелось мне как-то быть в таком месте после ухода одних арендаторов. По всем углам были разбросаны платы полусамодельного вида. Они тоже делали что-то связанное с видеонаблюдением и безопасностью.

мастер
Группа: Участники
Сообщений: 792
Добавлено: 14-12-2019 11:30
"Находка", направившаяся в обратном направлении, т.е. на свалку. Болгарский тиристорный преобразователь КЕМЕК, размещавшийся в стойке УЧПУ Контур-1 промышленного робота средней грузоподъёмности. Вместе с токарным станком был когда-то частью учебного РТК в авиационном институте. Но однажды из-за сбоя в ЧПУ (на базе Электроники-60) при выгрузке детали станок не разжал патрон и робот со всей дури решил положить в накопитель деталь вместе со станком. Завершить начатое он конечно не смог, силёнок не хватило, но станок с анкерных болтов сорвал. После этого ЧП РТК расформировали, робота разжаловали до наглядного пособия, а потом и вовсе списали. Его УЧПУ, как памятник эпохе, мы сохраняли больше 20 лет...


гигант мысли
Группа: Участники
Сообщений: 5744
Добавлено: 31-12-2019 15:54
Предположительно остатки от какого-то небольшого советского монитора.


главный по тарелочкам
Группа: Участники
Сообщений: 2542
Добавлено: 31-12-2019 16:26
МС6105 ? Строчный трансформатор, если не пробит, всё ещё ценная штука

мастер
Группа: Участники
Сообщений: 888
Добавлено: 31-12-2019 19:41
МС6105 ?

Он самый, одна из версий.

знающий
Группа: Участники
Сообщений: 337
Добавлено: 20-03-2020 00:52
Платы с индексом ЦЛ 1989г.в.
ЦЛ3.662.475 плата ЦЛ7.103.810 что за мелкие чёрные сборки 8 ног?

ЦЛ3.662.476 плата ЦЛ7.103.794


ЦЛ3.662.477-01 плата ЦЛ7.103.796 реле РЭС47 и РЭК23

ЦЛ3.662.668 плата ЦЛ7.103.951 реле РЭК23

вошел во вкус
Группа: Участники
Сообщений: 134
Добавлено: 20-03-2020 07:03
... что за мелкие чёрные сборки 8 ног?


кдс523

магистр
Группа: Участники
Сообщений: 1411
Добавлено: 20-03-2020 09:49
что за мелкие чёрные сборки 8 ног?

2ДС523, если точнее.
Платы с индексом ЦЛ 1989г.в.

Что-то приёмо-передающее. Управление, естественно.
П.С. Весьма неплохая свалка

гигант мысли
Группа: Участники
Сообщений: 5744
Добавлено: 24-03-2020 00:48
Подослали на разбор вот такое высокочастотное поделие.
Выполнено оно весьма солидно.


Оказалось - это резистивный аттенюатор коаксиальной конструкции.

гигант мысли
Группа: Участники
Сообщений: 6778
Добавлено: 13-07-2020 06:39
В заброшенном гараже нашлась... Похоже, фонарь путевого обходчика на железной дороге, есть красный и зелёный светофильтры:



гигант мысли
Группа: Участники
Сообщений: 5744
Добавлено: 28-07-2020 19:29
Плата от какого-то древнего то ли мобильного, то ли радио телефона:


И еще вот такая плата:


Как удалось выяснить по типу микросхемы AY-5-9156: она родом из вот такого блока номеронабирателя TWB75 от SIEMENS:

(Фото не мое)

гигант мысли
Группа: Участники
Сообщений: 7902
Добавлено: 28-07-2020 20:13
Плата от какого-то древнего то ли мобильного, то ли радио телефона:




вероятно похожего на такой вариант
https://www.ebay.com/itm/VTech-910ADL-900mhz-/133325724955

знающий
Группа: Участники
Сообщений: 446
Добавлено: 03-08-2020 05:42
Безымянный ФЭУ от немецкого газоаналитического оборудования начала 90 Ых


гигант мысли
Группа: Участники
Сообщений: 5744
Добавлено: 04-08-2020 00:28
Не представляю где и зачем такое могло применяться, но это большие верньеры с большой отсчетной шкалой!




знающий
Группа: Участники
Сообщений: 454
Добавлено: 04-08-2020 20:39
большие верньеры с большой отсчетной шкалой

На радиопеленгаторе Рыбка похожая конструкция стоит.

магистр тайных сил
Группа: Участники
Сообщений: 1557
Добавлено: 04-08-2020 22:53
Не представляю где могло применяться, но это большие верньеры с большой отсчетной шкалой!

Сельсины наведения антенны спутниковой связи

гигант мысли
Группа: Участники
Сообщений: 5744
Добавлено: 12-08-2020 01:13
Попался некий блок с маркировкой "БП" и незнакомым мне логотипом:


По весу надеялся, что внутри как минимум компрессор, а может еще и силовой трансформатор, но увы: оказалась только куча всякой пневматики и электрический клапан-распределитесь


Начинка Стабилизатора Давления Воздуха СДВ-6:


А большой вес кстати оказался обусловлен тем, что корпус, включая переднюю панель и крепежные элементы начинки, оказался выполненным полностью из стали

гигант мысли
Группа: Участники
Сообщений: 4411
Добавлено: 12-08-2020 10:22
и незнакомым мне логотипом:


http://www.leningrad.su/museum/38/ec1845-8.jpg

гигант мысли
Группа: Участники
Сообщений: 5086
Добавлено: 12-08-2020 12:01
]Брестский электромеханический завод[/URL]

гигант мысли
Группа: Участники
Сообщений: 5744
Добавлено: 12-08-2020 18:21
Спасибо за ответы!
Неожиданно: не думал, что завод, делавший ЕС ЭВМ еще и пневматикой занимался...
Сам блок, предполагаю, что от оборудования для производства подложек микросборок или свч плат на поликоре...

вошел во вкус
Группа: Участники
Сообщений: 107
Добавлено: 13-08-2020 12:37

Неожиданно: не думал, что завод, делавший ЕС ЭВМ еще и пневматикой занимался...
Сам блок, предполагаю, что от оборудования для производства подложек микросборок или свч плат на поликоре...

Некоторое время наша фирма находилась на бывшем Киевском Радиозаводе. Тут было производство микросборок, поликор и прочая лабуда - стыковка с космическими станциями - изделие "Курс". Этим меня с Радиоизмерителя не удивить. Но однажды был шок. Когда я увидел пневмоЭВМ. Какой-то жестокий радстойкий космос, возможно баллистические ракеты. Металлические шарики под давлением из резервуарчика бегают по выфрезерованным в объеме оргстекла туннельчикам. И запускают новые шарики, плюс замыкают контакты в строго определенном порядке.

мастер
Группа: Участники
Сообщений: 888
Добавлено: 13-08-2020 14:46
однажды был шок. Когда я увидел пневмоЭВМ. Какой-то жестокий радстойкий космос, возможно баллистические ракеты. Металлические шарики под давлением из резервуарчика бегают по выфрезерованным в объеме оргстекла туннельчикам. И запускают новые шарики, плюс замыкают контакты в строго определенном порядке.

Бывают и шариково-клапано-мембранные пневмологические схемы

набор элементов УСЭППА 1,2 — двух и четырех-входовые усилители, 3 — грубый мощный повторитель; 4,17, 23 — пневмореле (в разных конструктивных исполнениях); 5, 10 — клапаны (разгруженный, неразгруженный); 6 — точный повторитель со сдвигом; 7 — точный повторитель; 8,9 — пневмоемкости (регулируемая и нерегулируемая); 11 — память непрерывного сигнала; 12 — задатчики; 13, 14 — пневмосопротивления (постоянное, регулируемое); 15 — дроссельный сумматор; 16, 22 — сдвоенный обратный клапан (шариковый, с летающим диском); 18 — память дискретного сигнала; 19, 20 — индикаторы (блинкеры); 21 — конечный выключатель; 24, 25, 26 — пневмокнопки; 27 — пневмотумблер

А бывают и струйные:


Можно почитать, например, тут: Пневмоника и влажные мечты стимпанка

вошел во вкус
Группа: Участники
Сообщений: 243
Добавлено: 13-08-2020 17:13
А шарики разве не вызыают вибрации, микроудары, делают плавающим центр масс? Тем самым создают проблемы инерциальной навигации и точности прицеливания, если это для ракет.

главный по тарелочкам
Группа: Участники
Сообщений: 3077
Добавлено: 13-08-2020 17:44
За ракеты не знаю. Думаю, это шутка такая. А вот автоматизация и контроль производства где много ВВ и всякой химии - это да. В том числе и предприятия по утилизации вышеперечисленного. Техника полной безопасности.

администратор
Группа: Администраторы
Сообщений: 8045
Добавлено: 13-08-2020 18:31
А шарики разве не вызыают вибрации, микроудары, делают плавающим центр масс? Тем самым создают проблемы инерциальной навигации и точности прицеливания, если это для ракет.

Полагаю, что не вызывают, ибо они находятся в одном из равновесных состояний из-за принудительной фиксации положения.

магистр
Группа: Участники
Сообщений: 1411
Добавлено: 13-08-2020 20:03
Пневмо ЭВМ использовалась в некотором техпроцессе в цеху хим. травления на нашем авиационном заводе "Авиакор" в г.Самара, при производстве самолетных крыльев. Вредное производство и агрессивная внешняя среда, минимум электрических сигналов.
....теперь там ТК GTD....завод правда живой, местами))))....

главный по тарелочкам
Группа: Участники
Сообщений: 2542
Добавлено: 14-08-2020 22:11
Когда-то не давала покоя загадка странных микросхем серии К224 - К224УН16...К224УН19. Оказывается, всё же они существовали в природе !

- останки одного из двух блоков для измерения ГИС К224УН16. Внутренностей давно уже нет.

вошел во вкус
Группа: Участники
Сообщений: 137
Добавлено: 17-08-2020 22:04
В 80-е пневмоЭВМ на заводе управляли роботами. Их часто использовали в системах управления устройств в газовой среде.
Раз в месяц снимал все пневмореле, пневмологику и мыл их в ведре со спиртом. Грязный спирт ведро выливал. Понимаете как на меня смотрели рабочие.

вошел во вкус
Группа: Участники
Сообщений: 201
Добавлено: 19-08-2020 21:53
Какие-то платы, вероятно с военки.

1. БМ7.105.955
   

2. ЫК7.152.740 / ФИ200-06-2
  

3. ФЩ 200-06М
  

4. БМ6730342-16
  

5. ФВ983-302М
  

6. Ф8. 41. 04. 01Б / ЕФ3. 031. 342-03
  

7. ЕФ3.031.373-03
  

8. БМ6730000-296
   

9. ФИ261-310
  

10. ФИ261-313 К
  

11. ФР381-302А
   

P.S. Для интересующихся: выложены в соответствующем разделе.

пришел поспрашивать
Группа: Участники
Сообщений: 55
Добавлено: 20-08-2020 23:51
Попались пара вещиц:

1. Радиоприёмник "Урал Авто 2". Восстановлению вряд ли подлежит. А жаль - приёмник очень интересный хотя бы по элементной базе: в нём только гибридок целых восемь штук.



2. Платы от телефонных аппаратов "Спектр 207". Интересно, что микросхемы в DIP корпусе напаяны поверхностным монтажом, а неиспользуемые выводы просто обломаны.


гигант мысли
Группа: Участники
Сообщений: 4878
Добавлено: 21-08-2020 08:00
Попались пара вещиц:

1. Радиоприёмник "Урал Авто 2". Восстановлению вряд ли подлежит. А жаль - приёмник очень интересный хотя бы по элементной базе: в нём только гибридок целых восемь штук.



пришел поспрашивать
Группа: Участники
Сообщений: 55
Добавлено: 21-08-2020 11:02
Попались пара вещиц:

1. Радиоприёмник "Урал Авто 2". Восстановлению вряд ли подлежит. А жаль - приёмник очень интересный хотя бы по элементной базе: в нём только гибридок целых восемь штук.




За схему спасибо, пригодится! Но в любом случае, если и восстанавливать, то нужен донор корпуса.

мастер
Группа: Участники
Сообщений: 810
Добавлено: 21-08-2020 21:34
Попался некий блок с маркировкой "БП" и незнакомым мне логотипом.
По весу надеялся, что внутри как минимум компрессор, а может еще и силовой трансформатор, но увы: оказалась только куча всякой пневматики и электрический клапан-распределитель
Начинка Стабилизатора Давления Воздуха СДВ-6:
А большой вес кстати оказался обусловлен тем, что корпус, включая переднюю панель и крепежные элементы начинки, оказался выполненным полностью из стали


Интерестный логотип на стабилизаторе давления.

А такой клапан очень даже актуален к применению.Держит 10 атм.
Их часто ставят на замен китайцам в сварочных аппаратах которые используют защитный газ.(полуавтоматы и "аргон")
Производятся такие клапана по сей день.
Интересно что все соединения из латуни.Часто видел такие соединения в пластмассовом исполнении.

гигант мысли
Группа: Участники
Сообщений: 5744
Добавлено: 22-08-2020 01:02

Интерестный логотип на стабилизаторе давления.

Да, и логотип на клапане мне тоже показался интересным, но к сожалению, я не знаю, кому они принадлежат

мастер
Группа: Участники
Сообщений: 810
Добавлено: 23-08-2020 00:36
На клапане элементарно Ватсон.Симферополь НПО Пневматика.
https://www.pneumoao.ru/
Также такой распределитель выпускался в исполнении
ЛИЖК.306232.001.1112 УХЛ4
И мне гугл выдал форум где обсуждали все логотипы этого НПО
И что это было за ЛИЖК.Другой завод делал по тех документации или чего еще.Да и само НПО раньше имело старый логотип.
Вот этот форум
https://armtorg.ru/forum/viewtopic.php?f=3&t=4501&start=3900
Там тоже всякие логотипы на опознание выкладывают.
Протяните страницу там есть пост про это НПО логотипы история.
Гугл это лижко(кровать по украински) особо искать не хочет а выдает больше страниц на этот распределитель с маркировкой П-РЭ 3/2.5

гигант мысли
Группа: Участники
Сообщений: 5744
Добавлено: 07-09-2020 19:52
Попалась катушка провода из сплава 28НК-ВИ (Ковар, если я правильно понял), 1981г.
Интересно, это на ней логотип какого-нибудь металлургического завода?

вошел во вкус
Группа: Участники
Сообщений: 144
Добавлено: 07-09-2020 21:21
Попалась катушка провода из сплава 28НК-ВИ (Ковар...

Не уж то она на свалке валялась?

гигант мысли
Группа: Участники
Сообщений: 5086
Добавлено: 07-09-2020 23:00
это на ней логотип какого-нибудь металлургического завода?

Это знак металлургического завода "Электросталь"

гигант мысли
Группа: Участники
Сообщений: 5744
Добавлено: 07-09-2020 23:01

Не уж то она на свалке валялась?

Ну да, просто свалка не общего пользования...
И не такое выбрасывали...
А что именно вас так удивило?

вошел во вкус
Группа: Участники
Сообщений: 144
Добавлено: 07-09-2020 23:18

Не уж то она на свалке валялась?

Ну да, просто свалка не общего пользования...
И не такое выбрасывали...
А что именно вас так удивило?


Понятно, типа свалка на «Рублёвке», мне такое не понять, статус не тот.

гигант мысли
Группа: Участники
Сообщений: 5744
Добавлено: 07-09-2020 23:20
А что конкретно удивительного в выброшенной катушке ковара?
Я просто реально не втыкаю, поясните пожалуйста

мастер
Группа: Участники
Сообщений: 810
Добавлено: 08-09-2020 00:02
Да ничего особенного.В быту максисмум спиральку скрутить для печки.И то нихром будет получше.
Может просто сам сплав имеет большую стоимость из-за сложности процесса производства.
Вот если бы там катушечку платиновой проволоки выкинули.То был бы повод тушить горящие пуканы.

вошел во вкус
Группа: Участники
Сообщений: 144
Добавлено: 08-09-2020 11:15
А что конкретно удивительного в выброшенной катушке ковара?
Я просто реально не втыкаю, поясните пожалуйста

Поясню. Мне недавно пришлось купить 20 метров нихромовой ленты 0.2х6мм на алиэкспресс, отдал за нее около $20 с доставкой, получается $1 за метр. Ковар конечно не нихром, удел. сопротивление в два раза ниже, но все равно, выкинутая катушка по сравнению с моей покупкой, целое состояние.

Гость
Добавлено: 08-09-2020 17:40
Часть некого венгерского анализатора качества зерновых культур, 90-го г.в. Фотоэлементы с охлаждением на элементах пельтье?

администратор
Группа: Администраторы
Сообщений: 8045
Добавлено: 08-09-2020 18:19
Часть некого венгерского анализатора качества зерновых культур, 90-го г.в. Фотоэлементы с охлаждением на элементах пельтье?

Да, на них.

мастер
Группа: Участники
Сообщений: 532
Добавлено: 08-09-2020 18:31
Фоторезисторы, похоже

Гость
Добавлено: 09-09-2020 10:32
Некий усилитель? С обратной стороны тоже рёбра радиатора

главный по тарелочкам
Группа: Участники
Сообщений: 3077
Добавлено: 09-09-2020 10:53
Для измериловки. Широкополосный усилитель. По моему, самостоятельный прибор и должен иметь название.

Гость
Добавлено: 09-09-2020 12:29
На корпусе только 39 карандашом намалёвано :)

главный по тарелочкам
Группа: Участники
Сообщений: 3077
Добавлено: 09-09-2020 12:31
На корпусе только 39 карандашом намалёвано :)

Не могу вспомнить, типа У2-хх, или У3-хх Кто нибудь подскажет, уверен.

вошел во вкус
Группа: Участники
Сообщений: 141
Добавлено: 09-09-2020 14:17
Не совсем на свалке .Но свалка у меня многолетняя





главный по тарелочкам
Группа: Участники
Сообщений: 2259
Добавлено: 09-09-2020 14:53
Некий усилитель? С обратной стороны тоже рёбра радиатора

Обратите внимание на резисторы. Если я не ошибаюсь, то это очень редкие С2-10а.

Гость
Добавлено: 15-09-2020 22:51
Не совсем на свалке .Но свалка у меня многолетняя


Смахивает на плату управления для программатора ПЗУ.

гигант мысли
Группа: Участники
Сообщений: 5744
Добавлено: 16-09-2020 19:20
Просто пара платок из остатков некого нашего крупного телевизора...

мастер
Группа: Участники
Сообщений: 810
Добавлено: 16-09-2020 20:28
Всегда удивляли на платах фильтра.Конденсаторы на 6.3 КВ.
Так для надежности на всякий случай.Чтоб не пробило.

гигант мысли
Группа: Участники
Сообщений: 8494
Добавлено: 17-09-2020 09:44
Просто пара платок из остатков некого нашего крупного телевизора...

Интересно, К73-21 в таком исполнении, по-моему, ещё не встречал. Обычно они более причудливые кракозябры.

знающий
Группа: Участники
Сообщений: 373
Добавлено: 17-09-2020 18:35
К73-21 в таком исполнении, по-моему, ещё не встречал. Обычно они более причудливые кракозябры

На сколько я помню , то с буквой Г (в конце названия) они все такой формы

мастер
Группа: Участники
Сообщений: 637
Добавлено: 17-09-2020 19:15
Некий усилитель? С обратной стороны тоже рёбра радиатора

Транзисторы похоже 1Т612А2..

вошел во вкус
Группа: Участники
Сообщений: 298
Добавлено: 23-09-2020 23:30
С найденой платы снял вот такие силовые модули:

Четыре типа: SK20, SK40, SK50 и SK80.

зашел на огонёк
Группа: Участники
Сообщений: 2
Добавлено: 03-10-2020 22:39
Измеритель перемещений лазерный ИПЛ-МП3
Производство НПЗ (Новосибирский приборостроительный завод).
Состоит двух основных блоков - лазера со встроенным интерферометром и фотодатчиком и блока электроники.
Вроде бы является аналогом системы HP 5528A.





гигант мысли
Группа: Участники
Сообщений: 5744
Добавлено: 16-10-2020 01:33
Плата от некого отечественного электросчетчика почему-то с двумя счетными барабанами!


Интересна Калужскими микросхемами МС-АП1 2000г в планарном исполнении и КР1095ПП1 2000г в DIP:

гигант мысли
Группа: Участники
Сообщений: 6778
Добавлено: 16-10-2020 01:49
В начале 90-х витала идея внедрения двух тарифов, дневного и ночного (ночью дешевле). Мы даже разработали такой счетчик (правда, на ИВЛ), сделали несколько экземпляров для испытаний, но потом всё рухнуло вместе с идеей и заводом...
И еще в Невинномыске какое-то предприятие этим занималось, помню, ездил туда по этому делу.
Может быть и здесь для этого два барабана...

знающий
Группа: Участники
Сообщений: 352
Добавлено: 16-10-2020 04:22
Похоже на счётчик активной и реактивной составляющих.

гигант мысли
Группа: Участники
Сообщений: 4878
Добавлено: 16-10-2020 18:12
Возможно он
https://teslamart.ru/product/seb-2a-07-112tt

мастер
Группа: Участники
Сообщений: 773
Добавлено: 17-10-2020 11:13
Сегодня 19-00 время московское на ютубе Прямой эфир: Стрим Из Мастерской на канале телемастер 222
можете задавать вопросы

знающий
Группа: Участники
Сообщений: 337
Добавлено: 24-11-2020 23:00
Фотоприбор непонятного назначения. Маркировка Ф-3

Подключался, видимо, к какому-то блоку управления для автоматизации съёмки. На корпусе есть кнопка для одиночных снимков. Внутри К52-1, ПП3-43, объектив Гелиос-33.

знающий
Группа: Участники
Сообщений: 411
Добавлено: 24-11-2020 23:27
Фотоприбор непонятного назначения. Маркировка Ф-3
...
Подключался, видимо, к какому-то блоку управления для автоматизации съёмки. На корпусе есть кнопка для одиночных снимков. Внутри К52-1, ПП3-43, объектив Гелиос-33.

Это приставка ФАРМ-3 для фотографирования экранов РЛС на самолёте, в народе называемая "сапог" (смотреть в сапог - смотреть на экран станции). Там ещё был механизм на тубусе который закрывал шторку, если не давишь лбом на тубус
Одна из многочисленных фото в инете
http://oruzhie.info/images/be-12/19-12.jpg

гигант мысли
Группа: Участники
Сообщений: 5744
Добавлено: 23-02-2021 01:14
Вот такое устройство с названием БАРТП-1, 1982г.
Какой-то терморегулятор, предположительно для некого паяльного оборудования. Но я не уверен, что для простого паяльника - смущает очень много разведенных цепей в разъеме.



Внутри:

знающий
Группа: Участники
Сообщений: 446
Добавлено: 23-02-2021 16:26
Хорошая штука, чуть разобраться в типе термодатчика и схеме подключения и хоть прямо сейчас в бой! Но судя по нижним фото уже не судьба

администратор
Группа: Администраторы
Сообщений: 8045
Добавлено: 23-02-2021 16:55
БАРТП-1 - Блок Автоматической Регулировки Температуры Паяльника, версия 1.
Гр.ХА - температура в градусах Цельсия, термопара - Хромель-Алюмель (ТХА).

гигант мысли
Группа: Участники
Сообщений: 5744
Добавлено: 23-02-2021 18:50
Хорошая штука, чуть разобраться в типе термодатчика и схеме подключения и хоть прямо сейчас в бой! Но судя по нижним фото уже не судьба

1. Тут явно 400 Гц.
2. Зачем, если есть и паяльная станция, и отдельный хороший паяльник?
3. Если так со всем разбираться и все складывать, можно по уши зарасти, а потом родственники вынесут все это на помойку после вашей кончины... или сами вынесите, если на старости лет все это надоест... Я видел такой пример на прошлой работе, видел уже пару примеров на текущей, когда после ухода или смерти человека оставались забитые под потолок кладовки и углы...

Ув. mretro, спасибо!

мастер
Группа: Участники
Сообщений: 888
Добавлено: 24-02-2021 11:14
1. Тут явно 400 Гц.

Разве?


гигант мысли
Группа: Участники
Сообщений: 5744
Добавлено: 28-02-2021 12:32
Вот такой вот некий немецкий блочек попался:

гигант мысли
Группа: Участники
Сообщений: 5744
Добавлено: 12-03-2021 19:31
Вот такая плата попалась, судя по маркировке - ЕС7927 - от одноименного терминала-монитора.
Точное назначение пока не понял, но похоже это источник питания для ЭЛТ (по крайней мере для некоторых ее электродов).

гигант мысли
Группа: Участники
Сообщений: 5744
Добавлено: 12-03-2021 19:32
И вот такой блочок от телевизоров - УМ1-1 УПЧИ:

мастер
Группа: Участники
Сообщений: 810
Добавлено: 13-03-2021 01:23
Хорошая штука, чуть разобраться в типе термодатчика и схеме подключения и хоть прямо сейчас в бой! Но судя по нижним фото уже не судьба

1. Тут явно 400 Гц.
2. Зачем, если есть и паяльная станция, и отдельный хороший паяльник?
3. Если так со всем разбираться и все складывать, можно по уши зарасти, а потом родственники вынесут все это на помойку после вашей кончины... или сами вынесите, если на старости лет все это надоест... Я видел такой пример на прошлой работе, видел уже пару примеров на текущей, когда после ухода или смерти человека оставались забитые под потолок кладовки и углы...

Ув. mretro, спасибо!


Это не хлам а толковая вещь.При установке термопары на жале паяльника позволяет максимально точно поддерживать температуру места пайки.А это в совокупности с другими условиями залог качественной пайки.
Разбирать ради одной позолоченной микрушки не вижу смысла.
После смерти не то что вещи покойника самого покойника по сути отнесут и закопают в специально отведенном месте.Или в печку сунут.

мастер
Группа: Участники
Сообщений: 810
Добавлено: 13-03-2021 01:27
БАРТП-1 - Блок Автоматической Регулировки Температуры Паяльника, версия 1.
Гр.ХА - температура в градусах Цельсия, термопара - Хромель-Алюмель (ТХА).

Не пойму почему ХА Этот сплав применяют для температур до 1000 С.
Для температур работы паяльника больше подходит ХК (до 800 С) он имеет большее число милливольт на градус чем ХА.Соответсвенно проще усилить для дальнейшей работ.Дискретность выше.

магистр
Группа: Участники
Сообщений: 1411
Добавлено: 13-03-2021 11:30
судя по маркировке - ЕС7927

Абсолютно верно, от этого терминала. И назначение тоже правильно определено. Источников питания элт там 2шт., второй располагается в крейте с питателями цифровой части.

знающий
Группа: Участники
Сообщений: 369
Добавлено: 13-03-2021 15:41
И вот такой блочок от телевизоров]

От телевизоров УПИМЦТ (Рубин-201, Рубин-202 и др., с тиристорной строчной разверткой), применялся с селектором СК-В-1

мастер
Группа: Участники
Сообщений: 773
Добавлено: 13-03-2021 20:05
https://www.youtube.com/watch?v=wSABXnWKq1E&t=475s

магистр тайных сил
Группа: Участники
Сообщений: 1808
Добавлено: 14-03-2021 00:29
И вот такой блочок от телевизоров]

От телевизоров УПИМЦТ (Рубин-201, Рубин-202 и др., с тиристорной строчной разверткой), применялся с селектором СК-В-1


Конкретно этот блок от телевизора Рекорд ВЦ-311.3УСЦТ-П-51(этакий странный франкинштейн).По отзывам весьма надежный.Уже с транзисторной развёрткой и импульсным блоком питания.Полу УПИМЦТ.

гигант мысли
Группа: Участники
Сообщений: 5744
Добавлено: 05-04-2021 01:30
Вот такой массивный блок питания с обозначением ЕС-0911 12,6В-5А попался.
Где он применялся, мне неизвестно. По названию ничего найти не удалось.



Если его мощность реально всего чуть больше 60 Вт, то тогда сложность начинки и габариты с массой просто поражают

Начинка блока.




Фото плат крупнее:

магистр
Группа: Участники
Сообщений: 1411
Добавлено: 05-04-2021 17:07
Применялся в сериях ЕС ЭВМ. Практически, для всех моделей на микросхемах ТТЛ (155, 131). Для моделей на сериях ЭСЛ (500) питатели были уже другие.
...трансформаторы в нём неплохие. Делал на таких питатели для УМЗЧ небольшой мощности. Вроде бы там обмотки 15в должны быть.

мастер
Группа: Участники
Сообщений: 713
Добавлено: 07-04-2021 17:18
Применялся в сериях ЕС ЭВМ

Тоже попадались подобные блоки,очень похожие,но в них стояли 3х фазные трансформаторы габаритами примерно как эти три.Здесь они наверняка тоже включены каждый на свою фазу.Этот вариант гораздо удобнее 3 отдельных транса намного лучше чем трёхфазный.

магистр
Группа: Участники
Сообщений: 1411
Добавлено: 07-04-2021 17:31
Да, с трёхфазным трансформатором они вполовину меньшего размера, квадратной формы корпуса, и одна откидная плата. По току не помню, но вроде бы меньше...

гигант мысли
Группа: Участники
Сообщений: 5744
Добавлено: 07-04-2021 19:45
Даже для 50 Гц эти трансформаторы тянут ну как-то побольше, чем на 60 Вт. Или ошибаюсь?

магистр
Группа: Участники
Сообщений: 1411
Добавлено: 07-04-2021 19:56
Трансформаторы которые с прямоугольного питателя, они именно на 220в. Т.е., по одному трансформатору на фазу. 60 Вт/трансформатор, да, должны обеспечивать. Но лично я их на максимальной нагрузке не гонял по току, у меня потребление примерно 1...1,5 А было.

знающий
Группа: Участники
Сообщений: 411
Добавлено: 07-04-2021 19:57
Да, с трёхфазным трансформатором они вполовину меньшего размера, квадратной формы корпуса, и одна откидная плата. По току не помню, но вроде бы меньше...

Квадратными были на 5 вольт. Ток точно не помню, но что-то порядка 20 А

гигант мысли
Группа: Участники
Сообщений: 4411
Добавлено: 07-04-2021 20:26
УВИП-1 трансформаторные, для машин серии "Ряд-1",

УВИП-2 с бестрансформаторным входом для серии "Ряд-2"

знающий
Группа: Участники
Сообщений: 337
Добавлено: 25-04-2021 20:10
УВГ 1-01 ( возможно Устройство ввода графическое ) ЛАЛ2.787.001 1990 г.в.

знающий
Группа: Участники
Сообщений: 337
Добавлено: 25-04-2021 20:16
Некое переговорное устройство ОПУ-10

Используются коммутаторные лампы. Родных гнёзд не нашли поэтому просто запаяли.
И абонентская часть на базе громкоговорителя ОЛИМП-316, И2735.00.000

знающий
Группа: Участники
Сообщений: 337
Добавлено: 25-04-2021 20:27
Блоки от чего-то каналообразующего
Запаянный блок Д-252 РП2.140.828, а вот плата в нём дТ2140014

Тоже были запаяны
ЦЛ2.031.010

И без маркировки

гроссмейстер
Группа: Участники
Сообщений: 1009
Добавлено: 25-04-2021 20:45
УВГ 1-01

А указателя нет от него? Продается?

пришел поспрашивать
Группа: Участники
Сообщений: 55
Добавлено: 25-04-2021 23:23
Попался маленький сетевой фильтр неизвестного происхождения. Интересно, что корпус почти полностью собран с помощью пайки.

вошел во вкус
Группа: Участники
Сообщений: 259
Добавлено: 04-05-2021 12:00
Не понятно что, в количестве 2 штук .

Очень порадовали штатовские кондеры:


Удивила панелька, до этого не встречал таких, хотя рядом обычная.

Ну и на последок:

администратор
Группа: Администраторы
Сообщений: 8045
Добавлено: 04-05-2021 13:41
...
Ну и на последок:

А чем они интересны?

мастер
Группа: Участники
Сообщений: 810
Добавлено: 04-05-2021 13:47
Даже для 50 Гц эти трансформаторы тянут ну как-то побольше, чем на 60 Вт. Или ошибаюсь?

Каждый трансформатор на 100Вт.Выход у него две обмотки по 18В.По дной на катушке.(И вроде две слаботочных вспомагательных)Для выпрямления нужно всего два диода.Распродал трансформаторы автомобилистам на зарядки.Это блок питания применялся в промышленной ЭВМ.Управление производственным процессом в плане логистики.Весит данный девайс около полу тонны.Индикация на ИН12.И скорее всего был монитор клава и "перфораторщик"
60Вт это не общая мощность а на каждом выходе.Блочки укрепленные на выдвижных полках снизу продуваются вентиляторным блоком выполненным также в виде такого же блока.Разбирал такую в лом жалко название забылось.Надо было шильдик сохранить.Там еще стояли блочки с подстроичниками на 50Вт.
Кто в те времена экономил электрику по 3коп.Никто.

вошел во вкус
Группа: Участники
Сообщений: 259
Добавлено: 04-05-2021 17:20
...
Ну и на последок:

А чем они интересны?

Да в общем, ничем. Стояли на выше показанной железяке.
Ну разве что транзистор фирмы RCA, которая почила в бозе .

гигант мысли
Группа: Участники
Сообщений: 5744
Добавлено: 23-09-2021 19:09
Источник питания ИПС-020, вроде как родом с самописцев.
Единственное, этот образец, судя по начинке, весьма ранний..


Предположительно некий контроллер от обогревателя или тепло вентилятора:



знающий
Группа: Участники
Сообщений: 382
Добавлено: 24-09-2021 12:58
Предположительно некий контроллер от обогревателя или тепло вентилятора


Да от обычного бойлера. Я тоже такие на помойках находил. Там еще на синей плате к 3-х контактному коннектору (около реле) датчик температуры цеплялся.

мастер
Группа: Участники
Сообщений: 888
Добавлено: 24-09-2021 20:16
Да от обычного бойлера.
Именно так:
ARISTON ABS PRO ECO POWER

знающий
Группа: Участники
Сообщений: 369
Добавлено: 17-11-2021 00:31
Недостающее звено отечественной электроники - микросхема КР1506ХЛ3 1993 года на рабочем месте - в составе пульта дистанционного управления. Обращает на себя внимание, что, в отличие от широко известной ХЛ1, она рассчитана на питание от трех вольт (двух батареек 316), как и современные микросхемы пультов. Второе - вместо RC генератора у неё керамический резонатор.

гигант мысли
Группа: Участники
Сообщений: 5744
Добавлено: 05-12-2021 01:07
Действительно немаленький трехфазный сетевой фильтр помех
Катушки намотаны медной шиной, конденсаторы - слюдяные КСО.


Вопрос знатокам: как называется этот просто дикий компаунд (или клей), который бывает разных оттенков фиолетового? Реально, если им что-то приклеено, то только молотком отбивать!

Гость
Добавлено: 05-12-2021 13:22
До сих пор в ходу у нас на предприятии - при возможности спрошу - вроде для него размягчитель (не растворитель)есть, но очень токсичный. У самого компаунда запашок до полимеризации такой, что работа не под вытяжкой фиксируется метров с 50 через несколько закрытых дверей

гигант мысли
Группа: Участники
Сообщений: 5744
Добавлено: 08-12-2021 13:03
Симпатичная платка СВЧ диодного переключателя

гигант мысли
Группа: Участники
Сообщений: 5744
Добавлено: 12-03-2022 18:57
Плата от ПЭВМ ЕС-1840 с маркировкой ЕС1840.0004 - адаптер интерфейсов.
КМ были выкушены и микросхемы извлечены из панелек еще до меня...

мастер
Группа: Участники
Сообщений: 773
Добавлено: 18-03-2022 16:43
Привез со свалки 12 мешков плат.https://www.youtube.com/watch?v=Ixtl_0UWxhM&t=351s

гигант мысли
Группа: Участники
Сообщений: 6778
Добавлено: 19-06-2022 22:22
Магнитный компас:

гигант мысли
Группа: Участники
Сообщений: 4411
Добавлено: 20-06-2022 14:39
Магнитный компас[/url]

Репитер гирокомпаса на шаговом двигателе.

гигант мысли
Группа: Участники
Сообщений: 5744
Добавлено: 03-07-2022 12:32
Сигнализатор давления СДУ3А:


Разобрал полностью:



ответить новая тема
Получать уведомления об ответах по данной теме

Раздел: 
Портативное ретрорадио / Общий раздел / находки на свалке

KXK.RU